Страница 1 из 30 12311 ... Последняя
Показано с 1 по 20 из 594

Тема: Кроссовер для активной АС.

  1. #1
    Новичок
    Автор темы

    Регистрация
    01.06.2008
    Адрес
    Н.Новгород
    Возраст
    44
    Сообщений
    32

    По умолчанию Кроссовер для активной АС.

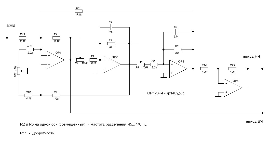
    Здравствуйте,всем. Делаю себе домой активную акустику и сейчас встал перед выбором схемы кроссовера.перепробовал несколько схем и остановился на этой-просто из за того,что понравилось как она звучит хотя не уверен правильно ли я слышу.
    Подскажите пожалуйста можно ли её использовать и какие минусы у этой схемы. Может кто нибудь предложит получше схемку. Саму схему взял у своего знакомого - и по его словам она вроде как применялась в кроссовере "Электроника."
    Только я сам не очень в теории электроники разбираюсь - делаю всё по пути проб и ошибок.
    Буду благодарен всем кто отзовётся.
    Миниатюры Миниатюры Нажмите на изображение для увеличения. 

Название:	Кроссовер 1.JPG 
Просмотров:	22826 
Размер:	56.2 Кб 
ID:	31783  
    Последний раз редактировалось DenisIvanov2001; 04.05.2009 в 23:55.

  2. #2
    Частый гость
    Регистрация
    20.11.2007
    Адрес
    Мариуполь
    Сообщений
    225

    По умолчанию Re: Кроссовер для активной АС-посоветуйте.

    Кроссоверы подробно описаны у Линквица на его сайте, выбор схем довольно обширный, да и копий по этому поводу сломали на форуме немало

  3. #3
    Старый знакомый Аватар для Aleksey
    Регистрация
    28.01.2005
    Адрес
    Ростов на Дону
    Возраст
    58
    Сообщений
    500

    По умолчанию Re: Кроссовер для активной АС-посоветуйте.

    Цитата Сообщение от DenisIvanov2001 Посмотреть сообщение
    .перепробовал несколько схем и остановился на этой-просто из за того,что понравилось как она звучит хотя не уверен правильно ли я слышу.
    По такой схеме(переменных состояний) была уже не одна ветка.
    Это хорошо звучащий "принцип" дальше уже от реализации зависит.

  4. #4
    Завсегдатай
    Регистрация
    06.01.2007
    Адрес
    г. Пенза
    Возраст
    61
    Сообщений
    2,684

    По умолчанию Re: Кроссовер для активной АС-посоветуйте.

    Кроссовер на интеграторах 2 -го порядка, схемотехника применяется почти во всех аналоговых, профессиональных кроссоверах.

  5. #5
    Новичок
    Автор темы

    Регистрация
    01.06.2008
    Адрес
    Н.Новгород
    Возраст
    44
    Сообщений
    32

    По умолчанию Re: Кроссовер для активной АС-посоветуйте.

    А что можно сделать чтоб поменьше шуму было ?
    Я пробовал на вход подавать 6 вольт а на выходе убавлял-маленько помогло, - а что можно сделать ещё ? (может ОУ какие получше - я думаю поменять на 574 уд 1 б )

  6. #6
    Завсегдатай Аватар для dekko
    Регистрация
    05.04.2006
    Сообщений
    6,002

    По умолчанию Re: Кроссовер для активной АС-посоветуйте.

    NE5534

  7. #7
    Завсегдатай Аватар для mAxSpace
    Регистрация
    19.05.2008
    Адрес
    Москва
    Сообщений
    18,835

    По умолчанию Re: Кроссовер для активной АС-посоветуйте.

    Как мне помниться у 574уд1 хорошая скорость только, а всё остальное .......незнаю

  8. #8
    Завсегдатай Аватар для dekko
    Регистрация
    05.04.2006
    Сообщений
    6,002

    По умолчанию Re: Кроссовер для активной АС-посоветуйте.

    Цитата Сообщение от DJmAxS Посмотреть сообщение
    у 574уд1 хорошая скорость только, а всё остальное .......незнаю
    и ещё её уже не делают с Ку=1 она хреново себя ведёт, и нагрузочная способность мала, а скорость здесь не так уж и важна...

  9. #9
    Новичок
    Автор темы

    Регистрация
    01.06.2008
    Адрес
    Н.Новгород
    Возраст
    44
    Сообщений
    32

    По умолчанию Re: Кроссовер для активной АС-посоветуйте.

    Цитата Сообщение от dekko Посмотреть сообщение
    и ещё её уже не делают с Ку=1 она хреново себя ведёт, и нагрузочная способность мала, а скорость здесь не так уж и важна...
    А какие ОУ можете посоветовать именно в эту схему ?
    И еще конденсаторы К73-17 в качестве разделительных как себя ведут ?

  10. #10
    Завсегдатай Аватар для dekko
    Регистрация
    05.04.2006
    Сообщений
    6,002

    По умолчанию Re: Кроссовер для активной АС-посоветуйте.

    Цитата Сообщение от DenisIvanov2001 Посмотреть сообщение
    А какие ОУ можете посоветовать именно в эту схему ?
    дык ответил уже! еще LM318, TL071,LF355 дешево и сердито...в принципе,все зависит от от суммы денег(и по кондёрам тоже)

  11. #11
    Завсегдатай Аватар для anatol0
    Регистрация
    14.05.2005
    Адрес
    Москва
    Возраст
    66
    Сообщений
    2,336

    По умолчанию Re: Кроссовер для активной АС-посоветуйте.

    Цитата Сообщение от DenisIvanov2001 Посмотреть сообщение
    А какие ОУ можете посоветовать именно в эту схему ?
    И еще конденсаторы К73-17 в качестве разделительных как себя ведут ?
    Самые доступные - NE5534(5532), немного дороже - LM6171(2),OPA(2)134, OP275.
    К73-17 плохо себя ведут.
    Ветеран броуновского движения

  12. #12
    Завсегдатай Аватар для dekko
    Регистрация
    05.04.2006
    Сообщений
    6,002

    По умолчанию Re: Кроссовер для активной АС-посоветуйте.

    Цитата Сообщение от anatol0 Посмотреть сообщение
    Самые доступные - NE5534(
    НЕ ОДИНОК Я....

  13. #13
    Завсегдатай Аватар для anatol0
    Регистрация
    14.05.2005
    Адрес
    Москва
    Возраст
    66
    Сообщений
    2,336

    По умолчанию Re: Кроссовер для активной АС-посоветуйте.

    Цитата Сообщение от dekko Посмотреть сообщение
    НЕ ОДИНОК Я....
    Точно,
    Ветеран броуновского движения

  14. #14
    Новичок
    Автор темы

    Регистрация
    01.06.2008
    Адрес
    Н.Новгород
    Возраст
    44
    Сообщений
    32

    По умолчанию Re: Кроссовер для активной АС-посоветуйте.

    Цитата Сообщение от anatol0 Посмотреть сообщение
    Самые доступные - NE5534(5532), немного дороже - LM6171(2),OPA(2)134, OP275.
    К73-17 плохо себя ведут.
    А какие из доступных кондёров можете посоветовать ?

  15. #15
    Завсегдатай Аватар для anatol0
    Регистрация
    14.05.2005
    Адрес
    Москва
    Возраст
    66
    Сообщений
    2,336

    По умолчанию Re: Кроссовер для активной АС-посоветуйте.

    Цитата Сообщение от DenisIvanov2001 Посмотреть сообщение
    А какие из доступных кондёров можете посоветовать ?
    Большинство из кондёров с диэлектриком из полистирола или полипропилена. Из отечественных я люблю К71-7, импортные - поиском по материалу диэлектрика . Epcos, Wima, и т.п. Ещё поиском по форуму, этот вопрос неоднократно и длинно обсуждался.
    Ветеран броуновского движения

  16. #16
    Новичок
    Автор темы

    Регистрация
    01.06.2008
    Адрес
    Н.Новгород
    Возраст
    44
    Сообщений
    32

    По умолчанию Re: Кроссовер для активной АС-посоветуйте.

    Цитата Сообщение от anatol0 Посмотреть сообщение
    Большинство из кондёров с диэлектриком из полистирола или полипропилена. Из отечественных я люблю К71-7, импортные - поиском по материалу диэлектрика . Epcos, Wima, и т.п. Ещё поиском по форуму, этот вопрос неоднократно и длинно обсуждался.
    спасибо большое - будем работать над улучшениями

  17. #17
    Завсегдатай Аватар для mAxSpace
    Регистрация
    19.05.2008
    Адрес
    Москва
    Сообщений
    18,835

    По умолчанию Re: Кроссовер для активной АС-посоветуйте.

    Сделал модель трёхполосного варианта этой схемы с частотами деления 180 и 3000 гц
    вот результаты(если кому интересно)
    ОУ - NE5532
    Миниатюры Миниатюры Нажмите на изображение для увеличения. 

Название:	кросс фазоког.png 
Просмотров:	7918 
Размер:	24.4 Кб 
ID:	52100  
    Последний раз редактировалось mAxSpace; 06.05.2009 в 11:40.

  18. #18
    Завсегдатай Аватар для mAxSpace
    Регистрация
    19.05.2008
    Адрес
    Москва
    Сообщений
    18,835

    По умолчанию Re: Кроссовер для активной АС.

    Добавил в цепь НЧ фазовое звено первого порядка - результат почти полная фазокогерентность во всём диаппазоне частот.
    Сумма(чёрным) реально 0дБ с двумя горбиками(для компенсации спадов динов по краям диаппазона) +3дБ
    Миниатюры Миниатюры Нажмите на изображение для увеличения. 

Название:	Фазокогерентный кросс с фазовыравниванием.png 
Просмотров:	6049 
Размер:	25.0 Кб 
ID:	52099  
    Последний раз редактировалось mAxSpace; 06.05.2009 в 11:45.

  19. #19
    Частый гость Аватар для ankus
    Регистрация
    17.01.2005
    Адрес
    г. Москва
    Сообщений
    255

    По умолчанию Re: Кроссовер для активной АС.

    Цитата Сообщение от mAxSpace Посмотреть сообщение
    почти полная фазокогерентность во всём диапазоне частот... с двумя горбиками (для компенсации спадов динов по краям диапазона) +3 дБ
    Спады в АЧХ НЧ и СЧ головок соответствуют некоторому вносимому их подвижной системой времени задержки. Как Вы учитываете это в результирующей АЧХ кроссовера и АС?
    В ОУ Х7 перепутаны инв. и неинв. входы.
    О полярности включения СЧ и ВЧ головок что скажете?

  20. #20
    Завсегдатай Аватар для mAxSpace
    Регистрация
    19.05.2008
    Адрес
    Москва
    Сообщений
    18,835

    По умолчанию Re: Кроссовер для активной АС.

    Цитата Сообщение от ankus Посмотреть сообщение
    В ОУ Х7 перепутаны инв. и неинв. входы.
    Спасибо - исправил.
    Цитата Сообщение от ankus Посмотреть сообщение
    О полярности включения СЧ и ВЧ головок что скажете?
    Все дины включаются в фазе - можно убрать инвертор на выходе СЧ, но тогда фазировку СЧ головки нужно будет поменять
    Цитата Сообщение от ankus Посмотреть сообщение
    Спады в АЧХ НЧ и СЧ головок соответствуют некоторому вносимому их подвижной системой времени задержки. Как Вы учитываете это в результирующей АЧХ кроссовера и АС?
    Давайте сразу определимся - схема не моя и я её просто смоделировал с некоторыми изменениями частот разделения.
    Корректировать должен будет сам человек который будет использовать эту схему. Это схема, как вы наверно заметили кроссовера, а не компенсатора "неидиальностей" головок.
    От себя могу добавить : дины нужно подбирать с запасом минимум в одну октаву вниз и вверх по краям диапазона, а лучше две октавы.

    Добавлено через 1 минуту
    Ps: эти горбики можно вообще убрать - если интересно, см. регулятор "добротности" в схеме из первого поста.
    Последний раз редактировалось mAxSpace; 06.05.2009 в 11:34. Причина: Добавлено сообщение

Страница 1 из 30 12311 ... Последняя

Социальные закладки

Социальные закладки

Ваши права

  • Вы не можете создавать новые темы
  • Вы не можете отвечать в темах
  • Вы не можете прикреплять вложения
  • Вы не можете редактировать свои сообщения
  •