Показано с 1 по 14 из 14

Тема: Электронный регулятор

  1. #1
    Новичок
    Автор темы

    Регистрация
    06.03.2008
    Сообщений
    4

    По умолчанию Электронный регулятор

    Здравствуйте! Для ФМ передатчика нужно собрать лимитер. Среди известных мне микросхем, нет удовлетворяющих моим требованиям. А именно хотелось бы КНИ не более 0,005, С/Ш 100дБ. После поисков возникла идея собрать лимитер на основе мультиплексоров. Но с ЦАПами никогда не работал, потому сложно продумать схему. Помогите разобраться в множестве регуляторов, может быть существуют специальные для проф техники?

  2. #2
    Завсегдатай Аватар для VladimirAd
    Регистрация
    28.06.2006
    Адрес
    Москва
    Возраст
    55
    Сообщений
    1,002

    По умолчанию Re: Электронный регулятор

    Цитата Сообщение от radiox Посмотреть сообщение
    хотелось бы КНИ не более 0,005, С/Ш 100дБ
    У передатчика все параметры на порядок хуже, кроме того лимитер не может иметь такие искажения в силу принципа его работы.

  3. #3
    Новичок
    Автор темы

    Регистрация
    06.03.2008
    Сообщений
    4

    По умолчанию Re: Электронный регулятор

    Но это ведь не значит, что в передатчике можно и дешевую lm1036 применить. По крайней мере стереокодер точно на голову выше, а вот цепь "передающий модулятор-приемник" может иметь нелинейность и шумы из-за приемника.

  4. #4
    Не хочу! Аватар для Alex
    Регистрация
    20.03.2003
    Адрес
    Worldwide
    Возраст
    63
    Сообщений
    39,056

    По умолчанию Re: Электронный регулятор

    Цитата Сообщение от radiox Посмотреть сообщение
    можно и дешевую lm1036 применить. По крайней мере стереокодер точно на голову выше
    У 1036 КНИ 0.06%, точно у стерекодера меньше?

    P.S. У 1036 проблемы скорее не в КНИ а в шумах.
    "Замполит, чайку?"(с)"Охота за Красным Октябрем".
    "Да мне-то что, меняйтесь!"(с)анек.
    <-- http://altor1.narod.ru --> Вопросы - в личку, е-мейл, скайп.

  5. #5
    Завсегдатай Аватар для VladimirAd
    Регистрация
    28.06.2006
    Адрес
    Москва
    Возраст
    55
    Сообщений
    1,002

    По умолчанию Re: Электронный регулятор

    Цитата Сообщение от radiox Посмотреть сообщение
    Но это ведь не значит, что в передатчике можно и дешевую lm1036 применить. По крайней мере стереокодер точно на голову выше, а вот цепь "передающий модулятор-приемник" может иметь нелинейность и шумы из-за приемника.
    Вы, в общем, представляете как работает стереокодер с пилот тоном? Или у Вас модулящия полярная?
    Такой, же вопрос и по принципу работы лимитера, если он сработал, то гармоники и искажения скачут ой-ой-ой. В проценты не уложитесь.
    Если вы поинтересуетесь трактом у "фирмовых" радиостанций, там ставят компрессоры и деэссеры, и прочее оборудование в большом количестве.

    Лимитер и гейт можно сделать почти бесшумным, но искажения уменьшить не удастся. Кроме того, диапазон лимитера 100Дб, зачем он? Вы же собираетесь лимитировать, то есть ограничивать.

    И все же, поинтересуйтесь динамическим диапазоном канала передатчик - приемник.

  6. #6
    Завсегдатай
    Регистрация
    06.01.2007
    Адрес
    г. Пенза
    Возраст
    61
    Сообщений
    2,684

    По умолчанию Re: Электронный регулятор

    Цитата Сообщение от radiox Посмотреть сообщение
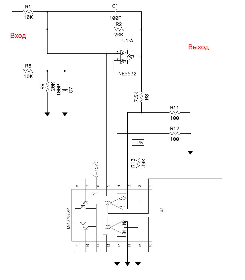
    Здравствуйте! Для ФМ передатчика нужно собрать лимитер. Среди известных мне микросхем, нет удовлетворяющих моим требованиям. А именно хотелось бы КНИ не более 0,005, С/Ш 100дБ. После поисков возникла идея собрать лимитер на основе мультиплексоров. Но с ЦАПами никогда не работал, потому сложно продумать схему. Помогите разобраться в множестве регуляторов, может быть существуют специальные для проф техники?
    Какие искажения точно не знаю, по этой схеме, вместе с усилителем н.ч. невысокого качества, было 0.02%, при сжатии 6дБ. Так как LM13700 в цепи ООС искажения и шумы вносятся в сигнал, только в режиме ограничения усиления, на музыкальном сигнале заметна только атака, на речи почти незаметна и атака.
    Миниатюры Миниатюры Нажмите на изображение для увеличения. 

Название:	limit.jpg 
Просмотров:	362 
Размер:	36.9 Кб 
ID:	28227  

  7. #7
    Завсегдатай Аватар для VladimirAd
    Регистрация
    28.06.2006
    Адрес
    Москва
    Возраст
    55
    Сообщений
    1,002

    По умолчанию Re: Электронный регулятор

    Цитата Сообщение от korolkov24 Посмотреть сообщение
    Какие искажения точно не знаю, по этой схеме, вместе с усилителем н.ч. невысокого качества, было 0.02%, при сжатии 6дБ.
    Если бы так все хорошо было... Сжатие 6 Дб и всего 0.02% искажений.
    Мечта!
    Просто на глаз под 3-4% должно вылезти.

  8. #8
    Завсегдатай
    Регистрация
    06.01.2007
    Адрес
    г. Пенза
    Возраст
    61
    Сообщений
    2,684

    По умолчанию Re: Электронный регулятор

    Цитата Сообщение от VladimirAd Посмотреть сообщение
    Если бы так все хорошо было... Сжатие 6 Дб и всего 0.02% искажений.
    Мечта!
    Просто на глаз под 3-4% должно вылезти.
    Откуда?
    При сжатии на 18 дБ, на осциллографе едва заметные, на глаз искажения появляются, 3..4% это заметно искажённая форма.

  9. #9
    Не хочу! Аватар для Alex
    Регистрация
    20.03.2003
    Адрес
    Worldwide
    Возраст
    63
    Сообщений
    39,056

    По умолчанию Re: Электронный регулятор

    3-4% это как раз и есть то, что только начинает быть видно на осциллографе.
    "Замполит, чайку?"(с)"Охота за Красным Октябрем".
    "Да мне-то что, меняйтесь!"(с)анек.
    <-- http://altor1.narod.ru --> Вопросы - в личку, е-мейл, скайп.

  10. #10
    Завсегдатай Аватар для VladimirAd
    Регистрация
    28.06.2006
    Адрес
    Москва
    Возраст
    55
    Сообщений
    1,002

    По умолчанию Re: Электронный регулятор

    Все же методику измерений надо огласить.
    Компрессор 6 Дб уже серьезное сжатие.
    У компрессора Есть много ручечек, рученки эти вы скорее знаете. Так вот - огласите порог, и прочее. Кроме того, на стационарном сигнале, параметры атака и спад почти не влияют.
    На нестационарном сигнале могут и поболе искажения вылезти из-за временных параметров компрессора.

  11. #11
    Завсегдатай
    Регистрация
    06.01.2007
    Адрес
    г. Пенза
    Возраст
    61
    Сообщений
    2,684

    По умолчанию Re: Электронный регулятор

    Цитата Сообщение от VladimirAd Посмотреть сообщение
    Все же методику измерений надо огласить.
    Компрессор 6 Дб уже серьезное сжатие.
    У компрессора Есть много ручечек, рученки эти вы скорее знаете. Так вот - огласите порог, и прочее. Кроме того, на стационарном сигнале, параметры атака и спад почти не влияют.
    На нестационарном сигнале могут и поболе искажения вылезти из-за временных параметров компрессора.
    Время атаки и спада не измерял, так как когда-то давно подобрал на слух и меня это устроило, примерно 50/200мс. Искажения увеличиваются на низких частотах, так как вес управляющего сигнала становиться больше. Лимитер стоит в усилителе, и по этому не было нужды проводить детальные исследования его работы, на глаз искажения заметны только при 18дБ, на 1кГц и примерно на уровне сжатия 12дБ, на частоте 50Гц.
    Для получения минимальных искажений можно изготовить многополосный лимитер, для исключения влияния управляющего напряжения.
    На нестационарном сигнале могут и поболе искажения вылезти из-за временных параметров компрессора.
    Искажения в момент атаки неизбежны, не совсем понятно назначение устройства, почему такие жёсткие требования КНИ не более 0,005, С/Ш 100дБ. С/Ш легко достижим, а кГ зависит от времени атаки, а она не оговорена.

  12. #12
    Новичок
    Автор темы

    Регистрация
    06.03.2008
    Сообщений
    4

    По умолчанию Re: Электронный регулятор

    Искажения в стереокодере я замерял, причем есть одна особенность: КНИ зависит от способа измерения - если входные сигналы обоих каналов синфазны, то при максимальном входном уровне сигнала искажений не более 0,03% (например, синусоида 1кГц). Если же замерять стереосоставляющую (синусоиды на входах противофазны), то уровень искажений примерно 0,06%, причем перегрузочная способность по моно сигналу примерно в два раза выше чем для стереосоставляющей. Соответственно необходим лимитер (не компрессор) с максимальными временами атаки и восстановления который будет ограничивать входной сигнал, спасая, главным образом, от перегрузки по ВЧ (поскольку используется преэмфазис), и по стереосоставляющей. Тайминги лучше будет, наверное, на готовом образце подобрать. Думаю такие вполне подойдут: атака 5сек, релиз 10сек.

  13. #13
    Завсегдатай Аватар для VladimirAd
    Регистрация
    28.06.2006
    Адрес
    Москва
    Возраст
    55
    Сообщений
    1,002

    По умолчанию Re: Электронный регулятор

    И полосу порезать не забудьте, 16500 максимум.

  14. #14
    Новичок
    Автор темы

    Регистрация
    06.03.2008
    Сообщений
    4

    По умолчанию Re: Электронный регулятор

    Для ограничения полосы попробую собрать конверторный ФНЧ.
    А по поводу лимитера надо будет попробовать LM13700 по совету korolkov24. С искажениями конечно что-то придется придумать - может быть с ООС поиграться.

Социальные закладки

Социальные закладки

Ваши права

  • Вы не можете создавать новые темы
  • Вы не можете отвечать в темах
  • Вы не можете прикреплять вложения
  • Вы не можете редактировать свои сообщения
  •