Схемотехник из меня никакой. но как понял из поста Дмитрия.
"сопротивление ОУ составляет сотни и тысячи МОм и при использовании современных ОУ с малой спектральной плотностью шумового тока и низкой частотой среза фликкер-шума возможна реализация стабилизатора, выходной шум которого будет определяться, в основном типом ОУ, при этом габариты элементов фильтра будут совсем небольшими. А вот с транзистором так не получится, все-таки базовый ток оного при номинальной нагрузке стаба гораздо больше (в т.ч. для дарлингтона), чем входной ток ОУ. "

Сообщение от
Немного звукотехник
А у рекомендованных им стабов PSRR ОУ ухудшается с частотой,
Этот параметр у всех ОУ ухудшается с частотой.

Сообщение от
Немного звукотехник
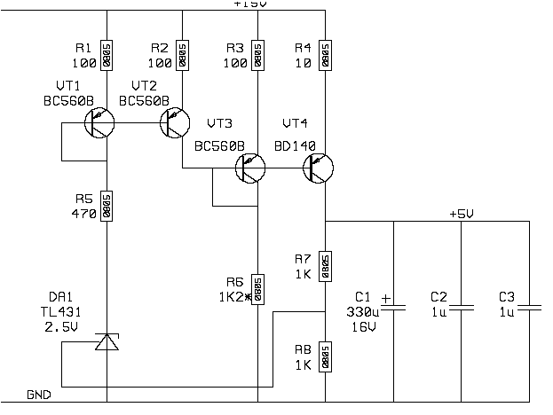
В итоге получается так же громоздко, как ИОН+ОУ+транзистор.
А если поставить фильтрующий конденсатор в цепь упр.электрода TL431,то еще более громоздко будет.
Offтопик:
А что, долго смакетировать схему для проверки?
Социальные закладки