Страница 9 из 22 Первая ... 789101119 ... Последняя
Показано с 161 по 180 из 438

Тема: Lynx03

  1. #1 Показать/скрыть первое сообщение.
    Завсегдатай
    Автор темы

    Регистрация
    31.10.2005
    Адрес
    Москва
    Возраст
    52
    Сообщений
    1,421

    По умолчанию Lynx03

    Всем привет!

    Кто-нибудь уже построил L03? Удалось ли найти SMR3D требуемого номинала? Я лично 33К найти не могу. Стоит ли менять на серию S102 от того-же VISHAY?
    Какие вообще впечатления от девайса?

    Роман

  2. #161
    Завсегдатай Аватар для igorkuz
    Регистрация
    11.06.2005
    Адрес
    Москва
    Возраст
    61
    Сообщений
    2,059

    По умолчанию Re: Lynx03

    Цитата Сообщение от amplifier Посмотреть сообщение
    Цена-то сильно разная получается...
    Да и качество тоже!

  3. #162
    Частый гость Аватар для amplifier
    Регистрация
    10.09.2006
    Адрес
    london.uk/саратов.ру
    Сообщений
    364

    По умолчанию Re: Lynx03

    Цитата Сообщение от igorkuz Посмотреть сообщение
    Да и качество тоже!
    То бишь 12 лучше?

  4. #163
    Клубок противоречий Аватар для vizzy
    Регистрация
    18.06.2004
    Адрес
    Иваново
    Возраст
    37
    Сообщений
    1,658

    По умолчанию Re: Lynx03

    03 лучше.

  5. #164
    Частый гость Аватар для amplifier
    Регистрация
    10.09.2006
    Адрес
    london.uk/саратов.ру
    Сообщений
    364

    По умолчанию Re: Lynx03

    А основная стоимость - в кондерах и резисторах? По мелкосхемам 12 куда дешевше получается.

  6. #165
    Инженер Аватар для Lynx
    Регистрация
    28.09.2004
    Адрес
    Санкт-Петербург
    Возраст
    55
    Сообщений
    4,599

    По умолчанию Re: Lynx03

    ОРА627 - весьма спорный ОУ. Его огромная цена, в общем-то не соотносится с его свойствами. Соотношение качество/цена у этих приборов невысокое.
    Отказ от них обусловлен явной и хорошо заметной окраской звука, которой обладают 627-е.
    С точки зрения звука комбинированные схемы типа буфера Lynx03 существенно превосходят ОРА627.

  7. #166
    Частый гость Аватар для amplifier
    Регистрация
    10.09.2006
    Адрес
    london.uk/саратов.ру
    Сообщений
    364

    По умолчанию Re: Lynx03

    Lynx, я дурь полную написал. Lynx12 по мелкосхемам выходит дороже, чем Lynx03. Я потому и спрашиваю - "правильные" резисторы и кондеры стоят в разы дороже, чем стоимость мелкосхем для Lynx12?

  8. #167
    Завсегдатай Аватар для Инквизитор
    Регистрация
    18.06.2004
    Адрес
    Сколково
    Сообщений
    1,991

    По умолчанию Re: Lynx03

    LT1122 кстати заметно лучше OPA627

  9. #168
    Инженер Аватар для Lynx
    Регистрация
    28.09.2004
    Адрес
    Санкт-Петербург
    Возраст
    55
    Сообщений
    4,599

    По умолчанию Re: Lynx03

    Цитата Сообщение от amplifier Посмотреть сообщение
    Lynx, я дурь полную написал. Lynx12 по мелкосхемам выходит дороже, чем Lynx03. Я потому и спрашиваю - "правильные" резисторы и кондеры стоят в разы дороже, чем стоимость мелкосхем для Lynx12?

    Нет, не в разы. посчитать очень просто - в каталогах Фарнел и Элфа цены указаны. Меня самого вопрос цены моих проектов в изготовлении вообще интересует крайне мало, посему именно по вопросам стоимости вряд ли что0-то смогу пояснить...

  10. #169
    Частый гость
    Регистрация
    04.10.2005
    Адрес
    Симферополь
    Возраст
    46
    Сообщений
    162

    По умолчанию Re: Lynx03

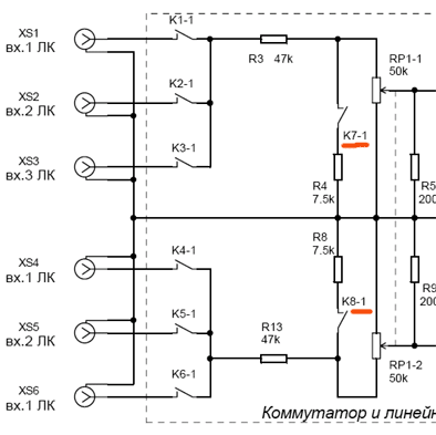
    Уважаемый Lynx объясните пожалуйста ламеру почему в схеме предварительного усилителя Lynx 12 http://www.lynxaudio.narod.ru/schemes/Lynx12_pre.pdf реле К9-1 и К10-1 замкнуты на землю, также если отказаться от термоблока нужно ли оставлять на выходе резисторы R12 и R15 по 22 ома. и за что отвечают реле К7-1 + R4 и К8-1 + R8 (фрагмент схемы прилагается).
    Миниатюры Миниатюры Нажмите на изображение для увеличения. 

Название:	LYNX 12 pic_1.gif 
Просмотров:	434 
Размер:	20.9 Кб 
ID:	26608   Нажмите на изображение для увеличения. 

Название:	LYNX 12 pic_2.gif 
Просмотров:	424 
Размер:	22.4 Кб 
ID:	26609  

  11. #170
    Клубок противоречий Аватар для vizzy
    Регистрация
    18.06.2004
    Адрес
    Иваново
    Возраст
    37
    Сообщений
    1,658

    По умолчанию Re: Lynx03

    Цитата Сообщение от Jerode Посмотреть сообщение
    и за что отвечают реле К7-1 + R4 и К8-1 + R8 (фрагмент схемы прилагается).
    Включают режим приглушения на 20 дБ.

  12. #171
    Завсегдатай Аватар для Dmitry Korneev
    Регистрация
    27.11.2004
    Адрес
    Павшинская пойма
    Возраст
    47
    Сообщений
    1,513

    По умолчанию Re: Lynx03

    Доделал пред, фона нет вобще.
    Миниатюры Миниатюры Нажмите на изображение для увеличения. 

Название:	IMG_0143_resize.JPG 
Просмотров:	805 
Размер:	116.7 Кб 
ID:	26704   Нажмите на изображение для увеличения. 

Название:	IMG_0144_resize.JPG 
Просмотров:	618 
Размер:	82.2 Кб 
ID:	26705   Нажмите на изображение для увеличения. 

Название:	IMG_0145_resize.JPG 
Просмотров:	645 
Размер:	89.1 Кб 
ID:	26706  
    С уважением Дмитрий.

  13. #172
    Завсегдатай Аватар для igorkuz
    Регистрация
    11.06.2005
    Адрес
    Москва
    Возраст
    61
    Сообщений
    2,059

    По умолчанию Re: Lynx03

    На индикаторах сэкономил? У меня тоже зелененькие!

  14. #173
    Завсегдатай Аватар для Dmitry Korneev
    Регистрация
    27.11.2004
    Адрес
    Павшинская пойма
    Возраст
    47
    Сообщений
    1,513

    По умолчанию Re: Lynx03

    Нет, а зачем писать Дб и так понятно. А зеленый приятно
    С уважением Дмитрий.

  15. #174
    Завсегдатай Аватар для igorkuz
    Регистрация
    11.06.2005
    Адрес
    Москва
    Возраст
    61
    Сообщений
    2,059

    По умолчанию Re: Lynx03

    Так то как раз и не совсем понятно, мож температура?

  16. #175
    Завсегдатай Аватар для Dmitry Korneev
    Регистрация
    27.11.2004
    Адрес
    Павшинская пойма
    Возраст
    47
    Сообщений
    1,513

    По умолчанию Re: Lynx03

    Нормально
    С уважением Дмитрий.

  17. #176
    Завсегдатай Аватар для igorkuz
    Регистрация
    11.06.2005
    Адрес
    Москва
    Возраст
    61
    Сообщений
    2,059

    По умолчанию Re: Lynx03

    Да не, нормально, в какой цвет красить будешь?

  18. #177
    Завсегдатай Аватар для Dmitry Korneev
    Регистрация
    27.11.2004
    Адрес
    Павшинская пойма
    Возраст
    47
    Сообщений
    1,513

    По умолчанию Re: Lynx03

    Может не буду, и так хорошо вроде. Пока не решился
    С уважением Дмитрий.

  19. #178
    Завсегдатай Аватар для igorkuz
    Регистрация
    11.06.2005
    Адрес
    Москва
    Возраст
    61
    Сообщений
    2,059

    По умолчанию Re: Lynx03

    А я договорился с парнем он мне и фальш панель сделает и потом на неё тонкий алюминивый прокат на самоклейке, с лазерным шрифтом и гальваникой под шампань. А то самому квадратные окошки и прочая пилить уж больно не охота. Надо только чертеж нарисовать

  20. #179
    PaX PALANTiRA Аватар для EDDiE
    Регистрация
    13.02.2006
    Адрес
    GAZ-A-LAGO
    Сообщений
    13,262

    По умолчанию Re: Lynx03

    Цитата Сообщение от igorkuz
    А я договорился с парнем он мне и фальш панель сделает и потом на неё тонкий алюминивый прокат на самоклейке, с лазерным шрифтом и гальваникой под шампань.

    Крутан !

  21. #180
    Завсегдатай
    Регистрация
    07.04.2007
    Адрес
    Мариуполь
    Возраст
    54
    Сообщений
    1,111

    По умолчанию Re: Lynx03

    Цитата Сообщение от Dmitry Korneev Посмотреть сообщение
    Доделал пред, фона нет вобще.
    Дима, думается конструкции такого уровня должны выглядеть серьезней... Или так- внешность должна соответствовать содержанию. Я бы переднюю панель переделал.

Страница 9 из 22 Первая ... 789101119 ... Последняя

Социальные закладки

Социальные закладки

Ваши права

  • Вы не можете создавать новые темы
  • Вы не можете отвечать в темах
  • Вы не можете прикреплять вложения
  • Вы не можете редактировать свои сообщения
  •