Страница 59 из 98 Первая ... 49575859606169 ... Последняя
Показано с 1,161 по 1,180 из 1945

Тема: 500-700W Сетевой импульсник

  1. #1 Показать/скрыть первое сообщение.
    Частый гость
    Автор темы

    Регистрация
    01.03.2006
    Адрес
    Литва, Вильнюс
    Возраст
    41
    Сообщений
    175

    По умолчанию 500-700W Сетевой импульсник

    Давно почитываю сей форум, и вот надумал слепить собственный импульсник для усилов. Это полумостовая стабилизированная схема на LM5030 и IR2110, есть ограничения по току, мягкий запуск. Надо еще допроектировать обратную связь и посчитать трансформатор.
    Жду общих коментариев по топологии.
    Миниатюры Миниатюры Нажмите на изображение для увеличения. 

Название:	offline_psu_big2.GIF 
Просмотров:	31555 
Размер:	33.0 Кб 
ID:	15589  

  2. #1161
    Новичок
    Регистрация
    12.05.2008
    Адрес
    г.Смела
    Возраст
    60
    Сообщений
    15

    По умолчанию Re: 500-700W Сетевой импульсник

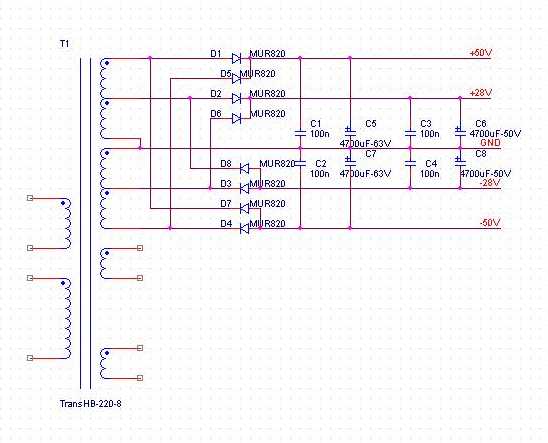
    Помогите разобраться со вторичкой ИБП:
    для питания многоканального УНЧ требуется +-50V-300W, +-28V-200W,
    и прочие мелочи.
    Если стабилизировать выход, то с какого напряжения брать обратную связь,
    есть ли смысл ставить общий выравнивающий дроссель на +-50 и+-28.
    (как при этом схема будет себя вести на реальном сигнале).
    Может организовать вторичку как показано на фрагменте схемы ниже?
    И как в этом случае стабилизировать выход и нужен ли выравнивающий
    дроссель?
    Миниатюры Миниатюры Нажмите на изображение для увеличения. 

Название:	BP1.jpg 
Просмотров:	749 
Размер:	26.6 Кб 
ID:	54104  

  3. #1162
    Завсегдатай Аватар для SAB 2
    Регистрация
    15.12.2008
    Адрес
    Арзамас
    Возраст
    42
    Сообщений
    1,412

    По умолчанию Re: 500-700W Сетевой импульсник

    SergeyRus, как на рисунке- придётся мотать вдвое больше витков вторички на каждое напряжение, но это оправдывает, т.к. требуется меньше диодов (и денег на них ). Стабилизацию лучше делать с помощью дросселя групповой стабилизации, при этом напряжение лучше брать с более мощных каналов, менее мощные будут стабилизироваться косвенно, но если на ДГС намотать примерно 2 витка на вольт, то приемлемо. И хорошо-бы увидеть схему
    DYK DAC v1.1; УМЗЧ "STALKER", "ПараФинн"; акустика - проф НЧ "MARK" DO82C18; СЧ 6ГДШ-5-8; ВЧ "НОЭМА" 25NH-03-8.

  4. #1163
    Новичок
    Регистрация
    12.05.2008
    Адрес
    г.Смела
    Возраст
    60
    Сообщений
    15

    По умолчанию Re: 500-700W Сетевой импульсник

    SAB 2, схема та, которая здесь обсуждалась: на 3525 и драйвер 2010.
    Я правильно понял: делаю обмотки общие для +-50 и +-28, как на рисунке,
    ставлю дроссель групповой стабилизации на все 4-е выхода,
    витки пропорционально своему напряжению, и колличество из расчета
    не менее 2витка\вольт.
    Нужно ли в параллель выходных обмоток трансформатора ставить RC цепочку, и каким образом, две относительно общего и на выходы максимального напряжения?

  5. #1164
    Завсегдатай Аватар для SAB 2
    Регистрация
    15.12.2008
    Адрес
    Арзамас
    Возраст
    42
    Сообщений
    1,412

    По умолчанию Re: 500-700W Сетевой импульсник

    SergeyRus, ты всё правильно понял!
    DYK DAC v1.1; УМЗЧ "STALKER", "ПараФинн"; акустика - проф НЧ "MARK" DO82C18; СЧ 6ГДШ-5-8; ВЧ "НОЭМА" 25NH-03-8.

  6. #1165
    Новичок
    Регистрация
    13.06.2009
    Адрес
    Столица,но не москва
    Возраст
    55
    Сообщений
    18

    По умолчанию Re: 500-700W Сетевой импульсник

    Цитата Сообщение от SergeyRus Посмотреть сообщение
    ставлю дроссель групповой стабилизации на все 4-е выхода,
    витки пропорционально своему напряжению, и колличество из расчета
    не менее 2витка\вольт.
    а Вы прикинули на что будет похож ваш дроссель? и на чем его мотать? ферит вам встанет дороже чем сам ПН, прикинте 260 витков, 1 мм провод?

  7. #1166
    Завсегдатай Аватар для SAB 2
    Регистрация
    15.12.2008
    Адрес
    Арзамас
    Возраст
    42
    Сообщений
    1,412

    По умолчанию Re: 500-700W Сетевой импульсник

    The Ego, там феррит можно только с распилом применять. А кольца есть хоть 45мм в диаметре, так что ничего криминального тут нет, мож он сделал уже?
    DYK DAC v1.1; УМЗЧ "STALKER", "ПараФинн"; акустика - проф НЧ "MARK" DO82C18; СЧ 6ГДШ-5-8; ВЧ "НОЭМА" 25NH-03-8.

  8. #1167
    Старый знакомый Аватар для aif.66
    Регистрация
    11.04.2008
    Адрес
    Пермь
    Сообщений
    585

    По умолчанию Re: 500-700W Сетевой импульсник

    To all.
    Никто не пробовал применять в сетевом полумосту FQP12N60C? По параметрам вроде очень даже ничего.
    http://www.fairchildsemi.com/ds/FQ/FQPF12N60C.pdf

  9. #1168
    Новичок
    Регистрация
    13.06.2009
    Адрес
    Столица,но не москва
    Возраст
    55
    Сообщений
    18

    По умолчанию Re: 500-700W Сетевой импульсник

    Цитата Сообщение от SAB 2 Посмотреть сообщение
    там феррит можно только с распилом применять
    Я обобщал, я знаю что надо с малой проницаемостью и большой индукцией материалы применять, но и так дросселек будет большой, 260 витков меди 1 мм, по минимуму, это не мало

  10. #1169
    Частый гость
    Регистрация
    10.03.2006
    Адрес
    Нижний Новгород
    Возраст
    52
    Сообщений
    173

    По умолчанию Re: 500-700W Сетевой импульсник

    Цитата Сообщение от SAB 2 Посмотреть сообщение
    SergeyRus, как на рисунке- придётся мотать вдвое больше витков вторички на каждое напряжение, но это оправдывает, т.к. требуется меньше диодов (и денег на них ). Стабилизацию лучше делать с помощью дросселя групповой стабилизации, при этом напряжение лучше брать с более мощных каналов, менее мощные будут стабилизироваться косвенно, но если на ДГС намотать примерно 2 витка на вольт, то приемлемо. И хорошо-бы увидеть схему
    Из каких заповедей 2 витка на вольт? Дроссель в первую очередь индуктивный элемент, у которого определяющее значение индуктивность, а не количество витков на вольт! Для расчета ДГС нужно знать минимальный и максимальный ток нагрузки, напряжение, а уже потом определяться с минимальной индуктивностью при минимальном токе и габаритами сердечника при максимальном токе, причем не обязательно использовать сердечники с низкой проницаемостью или всякие "микрометалл" и т.п. прилично получается с ферритом м2000 с зазором.К примеру при U 50v, частоте пульсаций 200кгц и минимальном токе 0,2А нужна индуктивность 70 микрогенри, количество витков будет зависит от габаритов сердечника, начальной магнитной проницаемости и зазора ну и т.д.
    Последний раз редактировалось leonidos; 15.06.2009 в 00:39.

  11. #1170
    Завсегдатай Аватар для SAB 2
    Регистрация
    15.12.2008
    Адрес
    Арзамас
    Возраст
    42
    Сообщений
    1,412

    По умолчанию Re: 500-700W Сетевой импульсник

    leonidos, конкретной методики расчёта ДГС не знаю, просто так в комповых делается, а мощность у них от 200 до 500Вт (которые я ковырял), и во всех около 2х витков на вольт выходного напряжения, подозреваю, для "потокосцепления эл.магн. полей" разных выходных напруг, для косвенной стабилизации
    Цитата Сообщение от The Ego Посмотреть сообщение
    но и так дросселек будет большой, 260 витков меди 1 мм, по минимуму, это не мало
    Ну а куда деваться, зато какая-никакая стабилизация
    DYK DAC v1.1; УМЗЧ "STALKER", "ПараФинн"; акустика - проф НЧ "MARK" DO82C18; СЧ 6ГДШ-5-8; ВЧ "НОЭМА" 25NH-03-8.

  12. #1171
    Частый гость
    Регистрация
    10.03.2006
    Адрес
    Нижний Новгород
    Возраст
    52
    Сообщений
    173

    По умолчанию Re: 500-700W Сетевой импульсник

    Цитата Сообщение от SAB 2 Посмотреть сообщение
    leonidos, конкретной методики расчёта ДГС не знаю, просто так в комповых делается, а мощность у них от 200 до 500Вт (которые я ковырял), и во всех около 2х витков на вольт выходного напряжения, подозреваю, для "потокосцепления эл.магн. полей" разных выходных напруг, для косвенной стабилизации

    Ну а куда деваться, зато какая-никакая стабилизация
    Да тут конкретная методика то и не нужна, главное определиться с индуктивностью для самого малого потребления тока, а количество витков остальных обмоток будет пропорционально напряжению.
    Последний раз редактировалось leonidos; 15.06.2009 в 11:34.

  13. #1172
    Частый гость
    Регистрация
    10.03.2006
    Адрес
    Нижний Новгород
    Возраст
    52
    Сообщений
    173

    По умолчанию Re: 500-700W Сетевой импульсник

    Цитата Сообщение от SergeyRus Посмотреть сообщение
    Помогите разобраться со вторичкой ИБП:
    для питания многоканального УНЧ требуется +-50V-300W, +-28V-200W,
    и прочие мелочи.
    Если стабилизировать выход, то с какого напряжения брать обратную связь,
    есть ли смысл ставить общий выравнивающий дроссель на +-50 и+-28.
    (как при этом схема будет себя вести на реальном сигнале).
    Может организовать вторичку как показано на фрагменте схемы ниже?
    И как в этом случае стабилизировать выход и нужен ли выравнивающий
    дроссель?
    Какой ток потребления минимальный и максимальный?
    На разные напряжения лучше поставить отдельные дроссели т.е. один +- 28 другой +-50. Стабилизация с сильноточного выхода.

  14. #1173
    Завсегдатай Аватар для pokos
    Регистрация
    18.08.2005
    Сообщений
    1,357

    По умолчанию Re: 500-700W Сетевой импульсник

    leonidos
    Спасибо за отличную статью. Написано всё, что нужно человеку.

  15. #1174
    Новичок
    Регистрация
    21.06.2009
    Сообщений
    14

    По умолчанию Re: 500-700W Сетевой импульсник

    Заканчиваю собирать вот эту схему SMPS_500W_FINAL неподскажите номиналы с11, c12, с22, TC1. TC2. L2. L3?

  16. #1175
    Старый знакомый Аватар для eclipsevl
    Регистрация
    31.01.2009
    Адрес
    Гаага
    Возраст
    31
    Сообщений
    514

    По умолчанию Re: 500-700W Сетевой импульсник

    TC1 и TC2 наматываются на одном ферритовом кольце 10х6х3. 60 и 1 витков соответственно. L2 и L3 желательно мотать на одном кольце в два провода, "на глаз" - 10-20 микрогенри. С11, 12, 22 есть на схеме, повнимательнее

    kRolig, R5 следует заменить на резистор 220к 0,5Вт
    Последний раз редактировалось eclipsevl; 27.06.2009 в 02:24.

  17. #1176
    Частый гость Аватар для kret74
    Регистрация
    03.01.2008
    Адрес
    Челябинск
    Сообщений
    268

    По умолчанию Re: 500-700W Сетевой импульсник

    Срочно нужна помощь!!! Понимаю что совсем не в тему, но умных людей всё меньше и меньше. последние здесь остались видимо. В неком питателе сгорела(взорволась) микра. Толи двутактный ШИМ, толи драйвер. Схема двутактная на выходе два полевика, от микры осталось 16 ног и последние цифры "8D", корпус планар. Мне на память не приходят ни ШИМы двутактные , ни драйвера с последней "8". Предлагайте всё подряд, я по разводке и даташиту посмотрю что именно. Спасибо за помощь.

  18. #1177
    Регистрация не подтверждена Аватар для witali
    Регистрация
    21.02.2005
    Адрес
    Владимир
    Возраст
    49
    Сообщений
    880

    По умолчанию Re: 500-700W Сетевой импульсник

    Цитата Сообщение от kret74 Посмотреть сообщение
    Срочно нужна помощь
    фото с 2х сторон платы

  19. #1178
    Частый гость Аватар для kret74
    Регистрация
    03.01.2008
    Адрес
    Челябинск
    Сообщений
    268

    По умолчанию Re: 500-700W Сетевой импульсник

    Не факт что поможет. Это питатель от LCD Loewe, там ещё с десяток микрух и пара контроллеров. В питатель прилетело 380, пока дохлый этот узел, остальное рассматривать даже смысла нет. Но фотку позже выложу. Спасибо за ответ.

  20. #1179
    Частый гость Аватар для kret74
    Регистрация
    03.01.2008
    Адрес
    Челябинск
    Сообщений
    268

    По умолчанию Re: 500-700W Сетевой импульсник

    вот фотки.На второй фотке на радиаторе два крайних правых транзистора взорваны, они работают от ШИМа с дыркой на мощный трансформатор справа. Ёмкость естественно вздутая.
    Сжимать фотки не стал, что бы лучше было видно.
    Миниатюры Миниатюры Нажмите на изображение для увеличения. 

Название:	PICT0027.jpg 
Просмотров:	1491 
Размер:	319.6 Кб 
ID:	56300   Нажмите на изображение для увеличения. 

Название:	PICT0031.jpg 
Просмотров:	629 
Размер:	406.7 Кб 
ID:	56301  

  21. #1180
    Частый гость Аватар для kret74
    Регистрация
    03.01.2008
    Адрес
    Челябинск
    Сообщений
    268

    По умолчанию Re: 500-700W Сетевой импульсник

    Мощное питание организованно по двутактной схеме.ШИМ на прямую нагружен (без драйверов) на мощные полевики. У ШИМа 16 ног, планар, осталась последняя цифра 8. Один затвор на 15 ногу, второй на 11. Минус питания 9 нога, плюс на 12 ноге.
    Возможно что это SG3528, но на неё не нашёл даташита.

Страница 59 из 98 Первая ... 49575859606169 ... Последняя

Социальные закладки

Социальные закладки

Ваши права

  • Вы не можете создавать новые темы
  • Вы не можете отвечать в темах
  • Вы не можете прикреплять вложения
  • Вы не можете редактировать свои сообщения
  •