
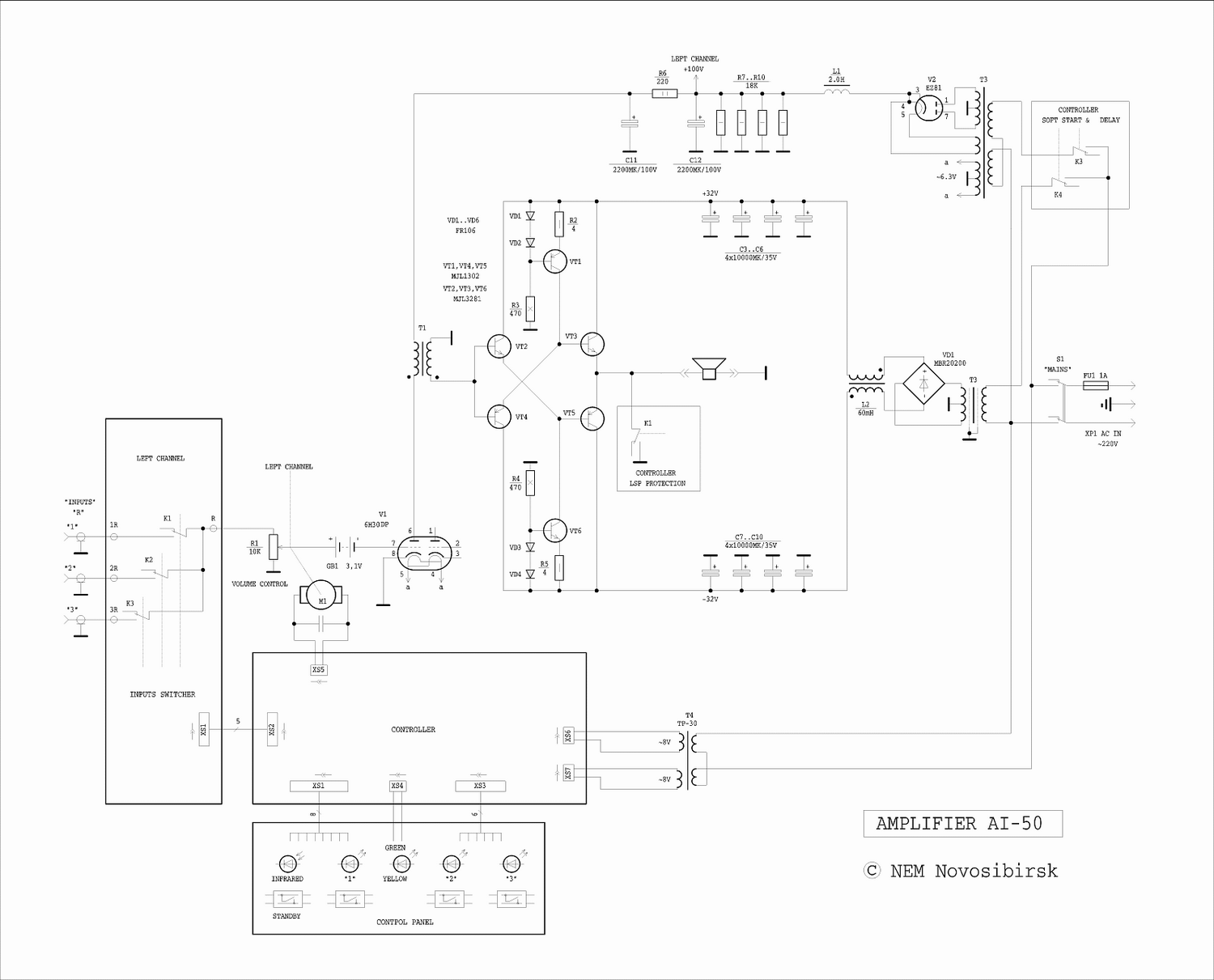
Сообщение от
georg1727
Да, Геннадий. Это точно. И желательно, чтобы этот источник смещения был помощнее...
+1, я лично очень доволен примененным дополнительным источником смещения...Причем по симулятору характеристики(с источником и без него) равны, а при субъективном восприянии - как "небо и земля"

Сообщение от
georg1727
...Добрый день! Как Ваши успехи?
Offтопик:
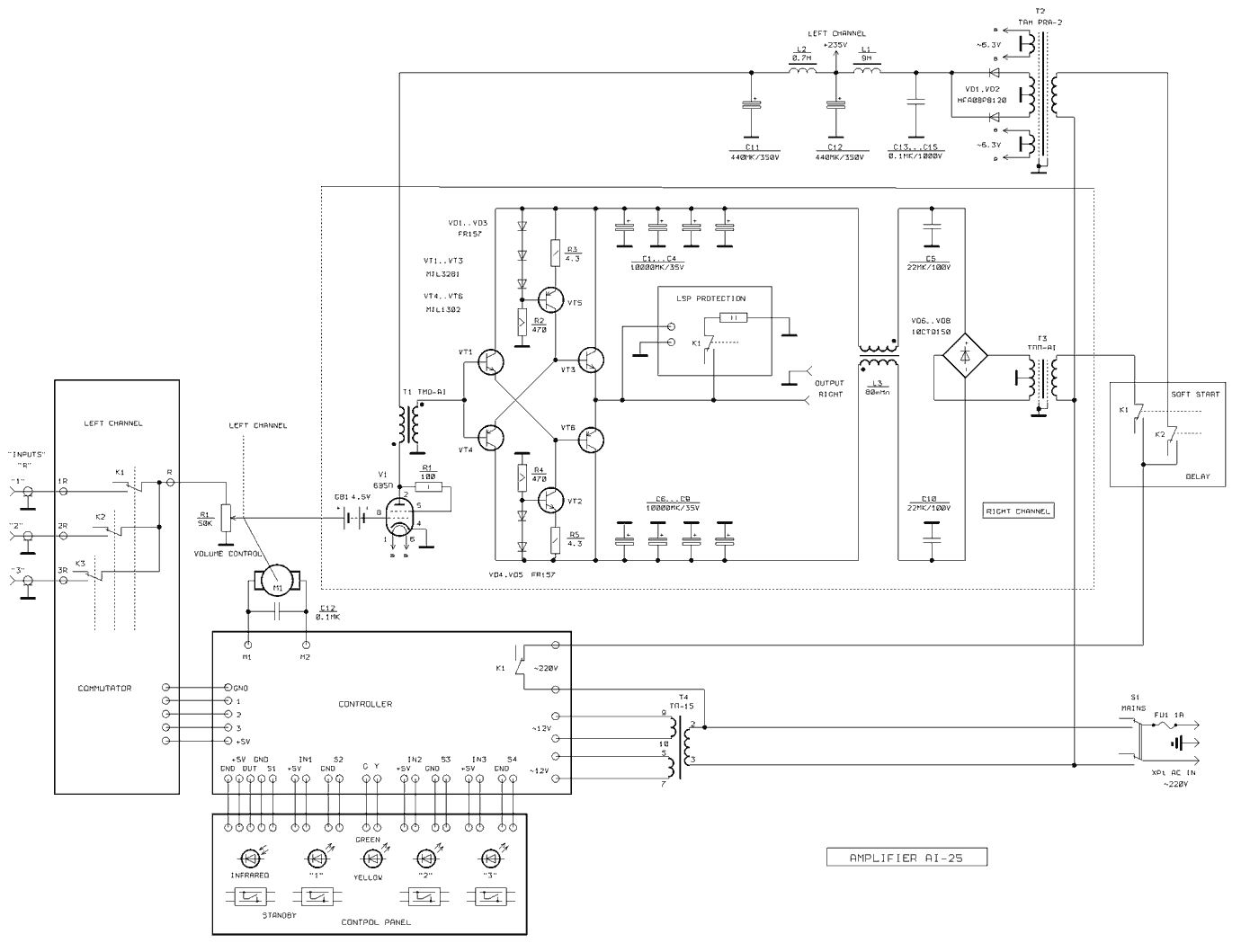
Добрый день! Георгий. Да автотранс получился хороший

. Пробовал на входе только не в качестве повышающего, а в качестве понижающего - в таком включении он подойдет ко всем ДВД без переделки. Его влияние(причем положительное) очень слышно - исчезает "крикливость" усилителя на транзисторах на мощностях ближе к максимальным, а какой "мясистый бас" получился при этом, у меня записи Ван Бюрена сейчас практически не выключаются, при этом шкаф стал "дрожать" даже на минимальных громкостях... В общем тема эта хорошая, если вас интересует мое мнение по вариантам применения данного автотранса - пишите в личку, я более подробно опишу свои идеи...
Добавлено через 1 минуту

Сообщение от
sherif
укажите ссылку на статью или где она напечатана.
Offтопик:
Дома "пороюсь" у себя - найду и выложу...
Социальные закладки