Страница 3 из 98 Первая 1234513 ... Последняя
Показано с 41 по 60 из 1945

Тема: 500-700W Сетевой импульсник

  1. #1 Показать/скрыть первое сообщение.
    Частый гость
    Автор темы

    Регистрация
    01.03.2006
    Адрес
    Литва, Вильнюс
    Возраст
    41
    Сообщений
    175

    По умолчанию 500-700W Сетевой импульсник

    Давно почитываю сей форум, и вот надумал слепить собственный импульсник для усилов. Это полумостовая стабилизированная схема на LM5030 и IR2110, есть ограничения по току, мягкий запуск. Надо еще допроектировать обратную связь и посчитать трансформатор.
    Жду общих коментариев по топологии.
    Миниатюры Миниатюры Нажмите на изображение для увеличения. 

Название:	offline_psu_big2.GIF 
Просмотров:	31545 
Размер:	33.0 Кб 
ID:	15589  

  2. #41
    Регистрация не подтверждена
    Регистрация
    22.11.2005
    Адрес
    Москва
    Возраст
    45
    Сообщений
    185

    По умолчанию Re: 500-700W Сетевой импульсник

    Симпатично набросал платку

  3. #42
    Частый гость
    Автор темы

    Регистрация
    01.03.2006
    Адрес
    Литва, Вильнюс
    Возраст
    41
    Сообщений
    175

    По умолчанию Re: 500-700W Сетевой импульсник

    Пое^Wпотрахался, намотал всю магнетику за сегодня, блин работы просто офонареть

    На картинках главный траф, дроссель и трансформатор тока, на двух других как говорится *в процессе*.
    Миниатюры Миниатюры Нажмите на изображение для увеличения. 

Название:	06-12-06_0330.jpg 
Просмотров:	1292 
Размер:	48.7 Кб 
ID:	16678   Нажмите на изображение для увеличения. 

Название:	05-12-06_1901.jpg 
Просмотров:	1154 
Размер:	48.2 Кб 
ID:	16679   Нажмите на изображение для увеличения. 

Название:	05-12-06_2355.jpg 
Просмотров:	1302 
Размер:	51.3 Кб 
ID:	16680  

  4. #43
    Новичок Аватар для Bender
    Регистрация
    28.12.2005
    Адрес
    Красногорск
    Сообщений
    1,595

    По умолчанию Re: 500-700W Сетевой импульсник

    Цитата Сообщение от VEC7OR Посмотреть сообщение
    блин работы просто офонареть
    браток, разве это работа, мотать на каркас? Вот попробуй косу квадратов этак на 3-5, уложить па пару, другую колец

    зы: смотриться симпотно, дело за малым!

  5. #44
    Частый гость
    Регистрация
    16.08.2005
    Адрес
    Киев
    Возраст
    45
    Сообщений
    105

    По умолчанию Re: 500-700W Сетевой импульсник

    Bender, Класивый БП!
    Схемку можна?

  6. #45
    Новичок Аватар для Bender
    Регистрация
    28.12.2005
    Адрес
    Красногорск
    Сообщений
    1,595

    По умолчанию Re: 500-700W Сетевой импульсник

    AndyS, в схеме ничего примечательного нет, практически даташитная для 2155 (2153). Я бы посоветовал, что-нибудь с защитой по току.

    Есть свои соображения по поводу 100-150Вт-ного БП на основе 2153, время будет, соберу обнародую.

    зы: посмотрите на сайте TDA удачные реализации с печатями и схемами.
    Последний раз редактировалось Bender; 06.12.2006 в 18:25.

  7. #46
    Новичок
    Регистрация
    07.12.2006
    Сообщений
    3

    По умолчанию Re: 500-700W Сетевой импульсник

    здраству! у меня к тебе будет такой вопрос! мне нужно двуполярное питания 2х50 можна както домотать трансформатор чтоди получить 2х50 по твоей схеме????

  8. #47
    Регистрация не подтверждена
    Регистрация
    22.11.2005
    Адрес
    Москва
    Возраст
    45
    Сообщений
    185

    По умолчанию Re: 500-700W Сетевой импульсник

    VEC7OR хочу тебя обрадовать схема работать не будет Защиту по току отключайте)))) когжа соберёте поймёте почему.....

  9. #48
    Частый гость
    Автор темы

    Регистрация
    01.03.2006
    Адрес
    Литва, Вильнюс
    Возраст
    41
    Сообщений
    175

    По умолчанию Re: 500-700W Сетевой импульсник

    Цитата Сообщение от Алижан Посмотреть сообщение
    хочу тебя обрадовать схема работать не будет
    Чего то я в упор не пойму почему

  10. #49
    Регистрация не подтверждена
    Регистрация
    22.11.2005
    Адрес
    Москва
    Возраст
    45
    Сообщений
    185

    По умолчанию Re: 500-700W Сетевой импульсник

    Перекос полумоста, да и с мостом тоже самое. токовую петлю отключиш перекоса не будет

  11. #50
    Частый гость
    Автор темы

    Регистрация
    01.03.2006
    Адрес
    Литва, Вильнюс
    Возраст
    41
    Сообщений
    175

    По умолчанию Re: 500-700W Сетевой импульсник

    Цитата Сообщение от adidas5 Посмотреть сообщение
    здраству! у меня к тебе будет такой вопрос! мне нужно двуполярное питания 2х50 можна както домотать трансформатор чтоди получить 2х50 по твоей схеме????
    Пожжи пока, я еще не гарантую что это все заведется как надо
    А так можно, потом правда обратку надо буде пересчитать немного.

    Цитата Сообщение от Алижан Посмотреть сообщение
    Перекос полумоста, да и с мостом тоже самое. токовую петлю отключиш перекоса не будет
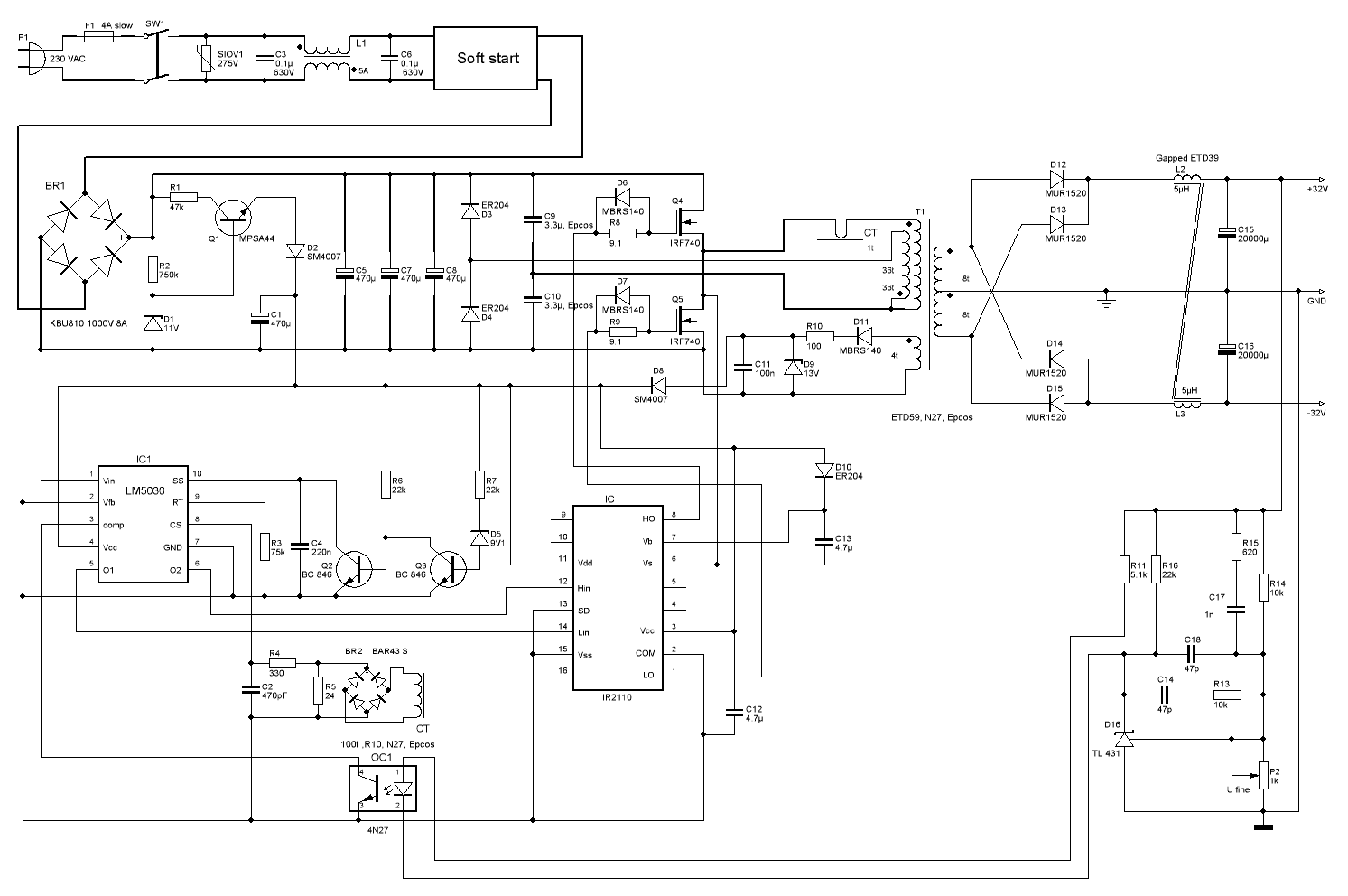
    Кстати спасибо что обратил внимание, я об этом как то и не подумал, потом уже дошло, вспомнил в аппнотах юнитрода есть решение этого косяка с помощью выравнивающей обмотки и 2 диодов. Подкорректированный вариант пристегнут.
    Миниатюры Миниатюры Нажмите на изображение для увеличения. 

Название:	offline_psu_big_rev.1.7.GIF 
Просмотров:	1414 
Размер:	40.5 Кб 
ID:	16892  

  12. #51
    Старый знакомый Аватар для strannicmd
    Регистрация
    28.04.2006
    Адрес
    Modena (I)
    Возраст
    62
    Сообщений
    903

    По умолчанию Re: 500-700W Сетевой импульсник

    Цитата Сообщение от VEC7OR Посмотреть сообщение
    Кстати спасибо что обратил внимание, я об этом как то и не подумал, потом уже дошло, вспомнил в аппнотах юнитрода есть решение этого косяка с помощью выравнивающей обмотки и 2 диодов. Подкорректированный вариант пристегнут.
    А нельзя ли об этом поподробней? Чтото я не въехал...

  13. #52
    Частый гость
    Автор темы

    Регистрация
    01.03.2006
    Адрес
    Литва, Вильнюс
    Возраст
    41
    Сообщений
    175

    По умолчанию Re: 500-700W Сетевой импульсник

    Можно, идея отсюдова http://focus.ti.com/lit/ml/slup083/slup083.pdf
    Там подробно описано как рулить полумостом в токовом режиме.

    А корректор этот работает на удивление просто - пока кондеры держат середину диоды закрыты, так как на обоих полуволнах на главной и дополнительной обмотках одинаковое напряжение, если точка уползла вниз и если открыт верхний ключ, то напруга на трафе больше половины питания, и соотвественно на доп обмотке тоже, следовательно откроется нижний диод и остаток напруги сольется на нижний кондер, тем самым приподняв серединку.

  14. #53
    Старый знакомый Аватар для strannicmd
    Регистрация
    28.04.2006
    Адрес
    Modena (I)
    Возраст
    62
    Сообщений
    903

    По умолчанию Re: 500-700W Сетевой импульсник

    Цитата Сообщение от Алижан Посмотреть сообщение
    Перекос полумоста, да и с мостом тоже самое
    Отчего это может произойти с мостом..?

  15. #54
    Регистрация не подтверждена
    Регистрация
    22.11.2005
    Адрес
    Москва
    Возраст
    45
    Сообщений
    185

    По умолчанию Re: 500-700W Сетевой импульсник

    Я не думаю что дело состоит в уходе напряжения на средней точке, допустим ёмкости неограниченно большие, и параллельно электролитам стоит хорошая плёнка. Ну допустим отклонение от Uп/2 составляет 1 процент, но почему ширина верхнего импульса 80% а нижнего 20%? Не думаю что диоды и обмотка чем то помогут, потом расскажите что получилось Дело в неправильной внутренней схеме микросхемы. Токовый вход позволяет раздельно ограничивать ширину верхнего и нижнего плеча (в отличии от схемы приведённой в даташите), соответственно если напряжение ограничения импульсов верхнего и нижнего будет разным и усиление токовой петли будет большое, то перекос может быть очень огромным. В мосте будет тоже самое.

  16. #55
    Частый гость
    Автор темы

    Регистрация
    01.03.2006
    Адрес
    Литва, Вильнюс
    Возраст
    41
    Сообщений
    175

    По умолчанию Re: 500-700W Сетевой импульсник

    Цитата Сообщение от Алижан Посмотреть сообщение
    Я не думаю что дело состоит в уходе напряжения на средней точке, допустим ёмкости неограниченно большие, и параллельно электролитам стоит хорошая плёнка. Ну допустим отклонение от Uп/2 составляет 1 процент, но почему ширина верхнего импульса 80% а нижнего 20%? Не думаю что диоды и обмотка чем то помогут, потом расскажите что получилось Дело в неправильной внутренней схеме микросхемы. Токовый вход позволяет раздельно ограничивать ширину верхнего и нижнего плеча (в отличии от схемы приведённой в даташите), соответственно если напряжение ограничения импульсов верхнего и нижнего будет разным и усиление токовой петли будет большое, то перекос может быть очень огромным. В мосте будет тоже самое.
    С полумостом в токовом управлении проблема как раз и состоит в уходе средней точки - токовое управление обрывает импульс как только ток достигает устанновленное значение, в полумосте если средня точка уплыла, то чтоб достичь того-же значения тока требуется импульс еще большей длительности, а это в свою очередь еще более ухудшает ситуацию, и так до тех пор пока делитель не приклеится к одной из шин. Были б емкости бесконечными проблема бы не существовала бы. Придерживая среднюю точку мы не как раз и не даем развиваться асимметрии в управлении.

    Вообщето при токовом управлении не делается скидок на верхний/нижний, там ограничивается каждый импульс, отсюда и встроенная защита от КЗ. Согласен что каждый импульс будет разной скважности при регулировании, но в общем это по барабану, трансформатор все равно возвращается ближе не середине В/Н кривой, но тоже самое происходит и при управлении напряжением.

    В мосте перекосов не бывает по определению, разве что поле чуть гуляет по В/Н кривой.

    И с микросхемой в принципе все нормально тоже.

  17. #56
    Старый знакомый Аватар для strannicmd
    Регистрация
    28.04.2006
    Адрес
    Modena (I)
    Возраст
    62
    Сообщений
    903

    По умолчанию Re: 500-700W Сетевой импульсник

    Цитата Сообщение от Алижан Посмотреть сообщение
    Дело в неправильной внутренней схеме микросхемы. Токовый вход позволяет раздельно ограничивать ширину верхнего и нижнего плеча
    Почему Вы решили что это Ваше заявление справедливо лишь для токового входа? Посмотрите структуру МС, разве сигнал сброса триггера не идёт на одну и ту же ножку триггера и от защиты по току и от управления шириной импульса? А значит и перекос может пролизойти и например от резкого сброса нагрузки, или наоборот, от большого токового импульса потребления... Так построен ШИМ...

    Цитата Сообщение от Алижан Посмотреть сообщение
    ...соответственно если напряжение ограничения импульсов верхнего и нижнего будет разным...
    ..то защита на следующем полутакте скомпенсирует перекос ограничением... Или не так..? (я говорю про мост).

    Добавлено через 10 минут
    A от перекоса с насыщением обычные фокусы с защитой практически не спасают от аварии (быстродействие), народ использует для этого "пояс Роговского", или ещё придуманное народными "умельцами" фишку с дополнительным трансформатором тока для измерения этого самого насыщения с перекосом что я пытаюсь внедрить у себя в своём ИИП
    STR600, (описание фичи в соседней ветке).
    Последний раз редактировалось strannicmd; 12.12.2006 в 19:20. Причина: Добавлено сообщение

  18. #57
    Частый гость
    Автор темы

    Регистрация
    01.03.2006
    Адрес
    Литва, Вильнюс
    Возраст
    41
    Сообщений
    175

    По умолчанию Re: 500-700W Сетевой импульсник

    Цитата Сообщение от strannicmd Посмотреть сообщение
    то защита на следующем полутакте скомпенсирует перекос ограничением
    Именно!

    Кстати насчет насыщения, разве его так трудно определить ? вроде щас у всех ферритов довольно мягко происходит завал в насыщение, думаю токовая защита должна это дело легко ловить по увеличивающемуся току. Кстати катушка Роговского тут причем ?

  19. #58
    Старый знакомый Аватар для strannicmd
    Регистрация
    28.04.2006
    Адрес
    Modena (I)
    Возраст
    62
    Сообщений
    903

    По умолчанию Re: 500-700W Сетевой импульсник

    Цитата Сообщение от VEC7OR Посмотреть сообщение
    Кстати катушка Роговского тут причем
    Не катушка Роговского, а Пояс Роговского, (например здесь http://forum.ixbt.com/topic.cgi?id=48:4162 ),наберите в гугле Пояс Роговского, и найдёте кучу ответов.
    Цитата Сообщение от VEC7OR Посмотреть сообщение
    Именно!
    Забыл написать: если успеет...
    Вот ещё раз координаты:
    Сущность этой пипы (как выразился сам автор) находится здесь: http://e.foto.radikal.ru/0608/a4a3decc3d86.jpg http://www.set.ru/srs/board/read.cgi...4&message=6394 а также здесь :http://www.fips.ru/cdfi/reestr_rupat.htm
    описание к патенту 2035833.

  20. #59
    Частый гость
    Автор темы

    Регистрация
    01.03.2006
    Адрес
    Литва, Вильнюс
    Возраст
    41
    Сообщений
    175

    По умолчанию Re: 500-700W Сетевой импульсник

    Все почитал, интересно конечно, но надо феррит с дыркой, пилить/сверлить желания нет абсолютно, водой порезать можно, но как то все это через жо, так что понадеемся на скорость защиты, как никак на работе полумостов этих настроил наверно вагон и ни один так особо не ругался на перекосы.

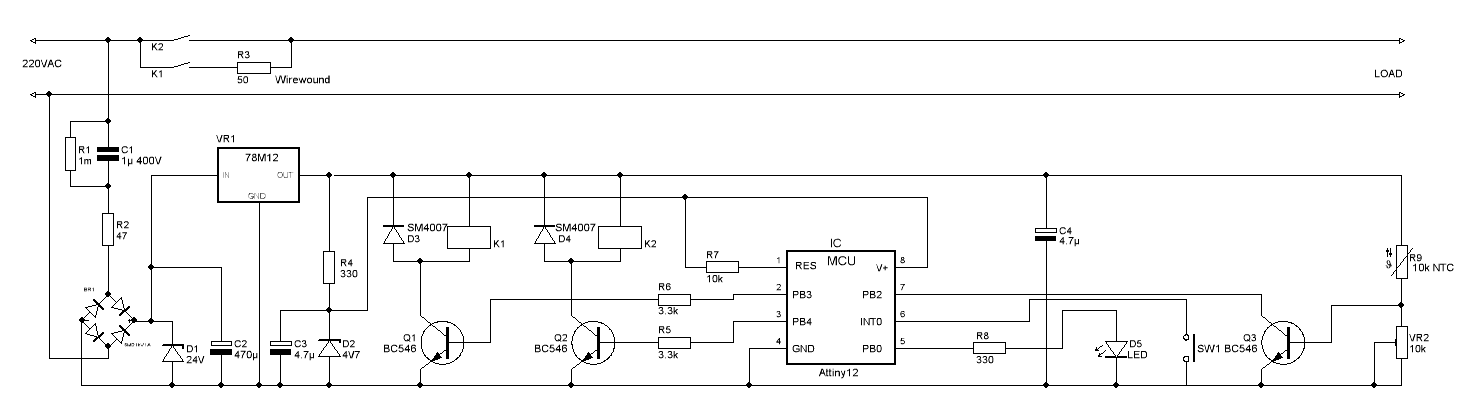
    Кстати думаю тему про мягкий запуск (софт-старт) продолжить тут.
    Думал сделать субж на тиристоре, но выходит, что как тонко не рубить - импульсные токи больше допустимых выходят, так что отказался от этого и вернулся к истокам - резисторам и реле, только на этот раз управление на микроконтроллере мелком, встроил защиту от перегрева (мало ли чего), подлючил реле так, что выход любого из них из строя не приводит к фатальным последствиям в виде ошметков резаков, максимум горелый предохранитель. Плюс сделал управление одной кнопкой - нажал врубилось, нажал еще - вырубилось.
    Миниатюры Миниатюры Нажмите на изображение для увеличения. 

Название:	S_S_vega.GIF 
Просмотров:	1419 
Размер:	14.2 Кб 
ID:	17236  

  21. #60
    Частый гость
    Автор темы

    Регистрация
    01.03.2006
    Адрес
    Литва, Вильнюс
    Возраст
    41
    Сообщений
    175

    По умолчанию Re: 500-700W Сетевой импульсник

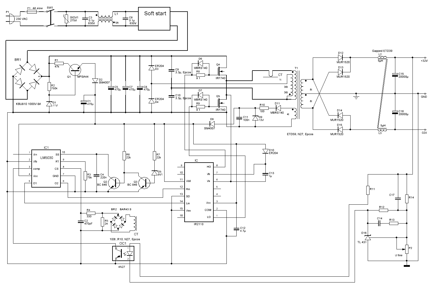
    Закончил последний вариант схемы, думаю это и буду собирать.
    Наконец откомпенсировал обратную связь, в симе выход чуть-чуть болтается при изменении нагрузки, бум смореть как оно в реале будет.
    П.С. Проверьте кто на наличие тупых ошибок.
    Миниатюры Миниатюры Нажмите на изображение для увеличения. 

Название:	SMPS_final_vega.GIF 
Просмотров:	1155 
Размер:	41.5 Кб 
ID:	17417  

Страница 3 из 98 Первая 1234513 ... Последняя

Социальные закладки

Социальные закладки

Ваши права

  • Вы не можете создавать новые темы
  • Вы не можете отвечать в темах
  • Вы не можете прикреплять вложения
  • Вы не можете редактировать свои сообщения
  •