Страница 3 из 3 Первая 123
Показано с 41 по 43 из 43

Тема: Еще один с радиотехникой у-101

  1. #1 Показать/скрыть первое сообщение.
    Давно не заходил
    Автор темы

    Регистрация
    31.05.2013
    Сообщений
    29

    Сообщение Еще один с радиотехникой у-101

    Здаврствуйте.
    Прошу не ругаться что типа "та вы задолбали постить темы об одном и том же" =)
    Но посоветуйте пожалуйста еще одному "грамотею" разобраться в возможных причинах неисправности.

    Если много читать впадлу - суть вопроса ниже жирным выделена.

    Прикупил всего за 100грн(в рублях это где то 400 руб ) такой усь 84 года рождения(мой ровесник =) ). По словам продовца он рабочий и в нем не лазили, ну только в каком то канале менялись выходные транзы но менялись четко по схеме и на те что указано в схеме. Включил - да работает но как то так себе смазано и сп3-33 надо в гучке громкости менять и индикация только один канал работает.
    Думаю ну хорошо сейчас вскрою и все электролиты поменяю и ручку громкости посмотрю. И тут я подразочаровался - оба УНЧ-50-8 ковырялись. Там не просто менялись транзы а понапаяно с обратной стороны платы кондеров, резюков и просто перемычек а так же в одном канале почему то не все транзы на месте(нет тех что поменьше которые к радиатору крепяться). В общем решил восстановить все до первоначальной схемы.

    Тут вдруг вспомнил что когдато давно мне подарили(потому что просто выкидывали) какой то усь который сильно фонил высокочастотными помехами и работал только один канал. Его я использовал чтобы саб качать(высокие фильтрами порезаны а для саба 1 канал с головой же) Но он "попукивал" прилично в динамик если его рукой слегка похлопать а потом и вовсе потух и я его закинул на гараж на полку.
    Пошел разрыл его и о чудо это оказался такой же усь =). Вернее немного другой тот что 84 года он СТЕРЕО называется а с гаража hi-fi.
    Вскрыл новую-старую находку и удвился - в этом экземпляре никто не ковырялся никогда. Причина "попукивания" была в том что один из предохранителей что между банками огромных кондеров и трансорматором почти не держался на месте. Решил я что лучше восстанлю этот экземпляр чем "копаный"



    Прошу прощения за лирическое отступление =)
    В общем симптомы такие. Левый канал работает и вполне норм выдает по мощности - 35 ватный динамик подключеный без всяких фильтров и не в корпусе АС плюется дифузором очень активно при этом ручки тембра работают и при большой громкости даже не проявляются искажения по низким частотам. Индикация при этом к сожалению молчит. Если переключаю дин в правый канал то там тишина и если кручу ручку громкости на максимум то динамик начинает очень прилично фонить но никакого намека на воспроизведение нет. Индикация кстати при этом начинает показывать вполне адекватную активность но почему то именно левого канала и только его. Если же включить МОНО то в правом канале появляется звук но по мошности он явно тише чем без моно в левом(что в левом при этом не проверял, может при моно это норм явление).
    То есть такое подозрение что сам оконечник то живой и проблема где то до него. Подскажите пожалуйста с такими симптомами по какому алгоритму лучше пойти в поиске места несиправности. Из приборов пока только мультиметр. Думал еще попробовать поменять местами оконечники чтобы точно убедиться что проблема не в них, но после того как сначала вытащил из "копанного" уся "копанный" оконечник, включил его и он сразу зашипел одним из резисторов выпуская дымок(наверно накопали там прилично). Вот думаю может сначала промерять какието напряжения на входах оконечников а то вдруг пропалю все что есть. Те копанные то не жалко - я думаю их попробовать выкинуть и на ТДАшках что то поэксперементировать как много кто пробует делать.


    За грамматику в великом и могучем прошу прощения и за грамонтность в схемотехнике и радиоэлектронике тоже =) Но очень хочется восстановить усь именно своими руками(да я понимаю что самый нормальный совет - отнеси тому кто разбирается). Опыт работы с паяльником есть ну и как работают те или иные элементы представление имеется. Изучая кучу материала что я нашел по ремонту я то со временем найду причины Но с вашей помошью надеюсь сделать это быстрее.

    Спасибо всем

  2. #41
    Давно не заходил
    Автор темы

    Регистрация
    31.05.2013
    Сообщений
    29

    По умолчанию Re: Еще один с радиотехникой у-101

    В общем подключил так :
    +-31 подключаем к питанию схемы на ТДА7293
    на вход подаем с темброблока
    выход + с платы на ТДАшке подаем туда же на плату защиты куда и со штатного оконечника подавался, минус при этом с платы на ТДАшке не подключаем вообще
    Все работает на ура

    Оценил качество звучания родных оконечников у-101 и мастеркитовского набора ВМ2042 - мастеркит звучит хуже, как то более смазано все, в родном как бы больше резкости и дескретизации.
    Ну на мастеркитовскую схему многие говорят что она так себе и советуют плату от аудиокиллера соберать(погуглить по словам "аудиокиллер tda7293")

    В общем для второго усилка в котором паленые оба оконечника они пройдут аж бегом вместо того чтобы усилок выкидывать тупо(БП работает, только кондеры надо будет заменить). Поедет на дачу колонки романтика 25ватные играть(которые еще тоже до ума надо будет довести)

    Что дальше буду делать с усилком:
    1. Поменяю темброблок на вот такой http://www.masterkit.ru/main/set.php?code_id=24614 не знаю что с этого получиться но родной фонит хрепит и издает еще много звуков как композитор прямо =) Не исключено что мастеркитовский не будет фонить, потому что вот на днях спаял вот такую штуку http://www.masterkit.ru/main/set.php?code_id=37723 работать то вроде работает и прикольно работает(умеет вращать фазу) но фонит ужасно(на сайте мастеркита обсуждения на 16 страниц и многие на это жалуются правда есть и советы как избавиться от фона но сам пока не добрался до этого)

    2. Установлю гнездо для наушников типа джек(не мини) на переднюю панель. Как подключить уже разобрался. Вставляя штекер в гнездо реле шелкает и АС отключается и играют только уши - очень хотел чтоб так было =). Есть один только нюанс - при отключении питания в ушах происходят скачки, которых нет в АС как раз за счет того что плата защиты отключает их. Т.е. лучше перед выключение усилка уши вынимать. Похоже так уж схема разработана, что уши не защищаются, ну пока и так сойдет.

    3. Т.к. выкинул селектор фонов входов то там достаточно осталось места для того чтобы вставить усилитель на тда7293(который уже протестировал как работает) с радиатором. Так же на переднюю панель будут выведены ручки управления этой штукой http://www.masterkit.ru/main/set.php...id=37723(проще говоря это активный фильтр для саба с предусилителем). На задней панели будет отдельный выход для саба(саб есть самодельный пока и играет весьма убого само собой =) но тем не менее низа отыгрывает которых нет в обычных АС). Таким образом можно будет отдельно управлять сабом и выставлять нужную его мошность по сравнению с общей картиной. Скорее всего выход с основного темброблока будет идти на оконечники и на вход сабовского фильтра, что позволит основным темброблоком регулировать одновременно мошность АС и саба а отдельным сабовским фильтро-пердусилителем регулировать его мошность по отношению к АС(благо такой режим работы предусмотрен в этой пока изрядно фоняшей штуковине). По питанию кстати - тда7293 будет питаться от того питания что было предусмотрено для селектора входов - там +-31В, вот только не уверен не вылезет ли каких проблем. По мошности там вроде бы достаточно - подключал на этом питании к тда7293 динамик 35 ваттный и на максимум уровень вывести не мог ибо он уже начинал прыгать по столу(стоя на магните диффузором вверх). Не знаю правда что скажет на это
    блок питания при продолжительном использовании.
    А вот для питания филтра этого сабовского нужно однополярное в максимуме 30В. В усилке есть вроде ж два напряжения -+26 и -+31 вот 31 давать не надо понятное дело т.к. это будет превышение а от куда можно взять +26В так чтобы не навредить? или лучше запихнуть блок питания 12 вольтовый в корпус еще(ваялется тут ненужный), мошности то много не надо сюда. Сейчас оно питается от кроны =) и ему более чем достаточно.

    Вот как это все заработает более менее без проблем и фонов так и оставлю, более из него городить что то помоему нет смысла.

  3. #42
    Добрый Аватар для Gudronov
    Регистрация
    12.11.2009
    Адрес
    Брянск
    Возраст
    57
    Сообщений
    12,318

    По умолчанию Re: Еще один с радиотехникой у-101

    Цитата Сообщение от Valentin_fly Посмотреть сообщение
    А вот для питания филтра этого сабовского нужно однополярное в максимуме 30В. В усилке есть вроде ж два напряжения -+26 и -+31
    Возьмите 26 вольт и поставьте 7815 или КР142ЕН8В.

  4. #43
    Давно не заходил
    Автор темы

    Регистрация
    31.05.2013
    Сообщений
    29

    По умолчанию Re: Еще один с радиотехникой у-101

    Цитата Сообщение от Gudronov Посмотреть сообщение
    Возьмите 26 вольт и поставьте 7815 или КР142ЕН8В.
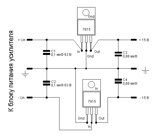
    Это всмысле такое вот сделать?
    Нажмите на изображение для увеличения. 

Название:	m7815.gif 
Просмотров:	539 
Размер:	6.0 Кб 
ID:	192284

Страница 3 из 3 Первая 123

Социальные закладки

Социальные закладки

Ваши права

  • Вы не можете создавать новые темы
  • Вы не можете отвечать в темах
  • Вы не можете прикреплять вложения
  • Вы не можете редактировать свои сообщения
  •