Страница 247 из 317 Первая ... 237245246247248249257 ... Последняя
Показано с 4,921 по 4,940 из 6324

Тема: DC-DC преобразователи напряжения (для авто)

  1. #1 Показать/скрыть первое сообщение.
    Новичок
    Автор темы
    Аватар для WARIOR
    Регистрация
    19.01.2005
    Сообщений
    66

    По умолчанию Re: Импульсные источники питания и преобразователи.

    Здравствуйте !

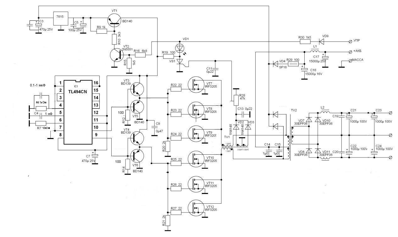
    Я решил возвратиться к статье "АВТО 400", а именно к ПН. Я заканчиваю сборку по той схеме и хотел спросить нет ли там каких-либо ошибок или недостатков, недочётов, неохото получать negative consequences. (Пытался связаться с автором, чтоб узнать у него - не получилось). Может кто-нибудь собитал подобный ПН ?
    Заранее огромное спасибо !
    https://www.vegalab.ru/index.php?opt...=184&Itemid=52
    Миниатюры Миниатюры Нажмите на изображение для увеличения. 

Название:	pic002-1.gif 
Просмотров:	37512 
Размер:	37.4 Кб 
ID:	19604  

  2. #4921
    Завсегдатай Аватар для Plex61
    Регистрация
    21.07.2010
    Адрес
    Красноярск
    Возраст
    64
    Сообщений
    1,521

    По умолчанию Re: DC-DC преобразователи напряжения (для авто)

    Цитата Сообщение от Starichok Посмотреть сообщение
    R12 и R14 уменьши до 100 Ом.
    маловато будет , я 1к всегда ставил .

  3. #4922
    Новичок
    Регистрация
    04.06.2010
    Адрес
    Днепропетровск
    Возраст
    41
    Сообщений
    29

    По умолчанию Re: DC-DC преобразователи напряжения (для авто)

    Если у меня две одинаковые вторички, а дроссели насыщения я поцеплю только на одну из них, эффект должен себя как-нибудь проявить?
    Поцепил ради эксперимента колечки на одно плече, на второе плата пока не позволяет, эффект абсолютно нулевой, выбросы везде идентичны что с колечками, что без.
    Стоит ли теперь кромсать плату для экспериментального внедрения колечек на вторую вторичку?

    Применимы ли для этих целей ферритовые бусины (если удастся найти подходящий размер)?
    Последний раз редактировалось Yorik; 09.05.2011 в 10:26. Причина: Назрел вопрос

  4. #4923
    Старый стал, ленивый Аватар для Starichok
    Регистрация
    02.05.2010
    Адрес
    Псков
    Возраст
    74
    Сообщений
    3,293

    По умолчанию Re: DC-DC преобразователи напряжения (для авто)

    Цитата Сообщение от Plex61 Посмотреть сообщение
    маловато будет , я 1к всегда ставил .
    многовато будет. пересчитай ток базы в ток коллектора при 1 кОм.
    Фарш невозможно провернуть назад,
    И мяса из котлет не восстановишь...

  5. #4924
    Завсегдатай Аватар для Plex61
    Регистрация
    21.07.2010
    Адрес
    Красноярск
    Возраст
    64
    Сообщений
    1,521

    По умолчанию Re: DC-DC преобразователи напряжения (для авто)

    Цитата Сообщение от Starichok Посмотреть сообщение
    многовато будет. пересчитай ток базы в ток коллектора
    100ом Вов закипит 494 , пересчитал при Н 100 -1,3А , согласен можно меньше 680 ом .

  6. #4925
    Старый знакомый
    Регистрация
    22.03.2011
    Адрес
    Москва
    Сообщений
    761

    По умолчанию Re: DC-DC преобразователи напряжения (для авто)

    Starichok,
    Plex61, да хрен с этой всей мондулой, с праздником Вас соотечественники !!!!!!

  7. #4926
    Старый стал, ленивый Аватар для Starichok
    Регистрация
    02.05.2010
    Адрес
    Псков
    Возраст
    74
    Сообщений
    3,293

    По умолчанию Re: DC-DC преобразователи напряжения (для авто)

    с праздником всех поздравил в своей теме. и выложил новые версии 3 программ.
    Фарш невозможно провернуть назад,
    И мяса из котлет не восстановишь...

  8. #4927
    Завсегдатай Аватар для Plex61
    Регистрация
    21.07.2010
    Адрес
    Красноярск
    Возраст
    64
    Сообщений
    1,521

    По умолчанию Re: DC-DC преобразователи напряжения (для авто)

    Цитата Сообщение от Slavik-65 Посмотреть сообщение
    да хрен с этой всей мондулой, с праздником Вас соотечественники !!!!!!
    Ну дак и 7 мая никто не заметил

  9. #4928
    Старый знакомый
    Регистрация
    22.03.2011
    Адрес
    Москва
    Сообщений
    761

    По умолчанию Re: DC-DC преобразователи напряжения (для авто)

    Цитата Сообщение от Plex61 Посмотреть сообщение
    7 мая
    да уж, лоханулись по полной

  10. #4929
    Новичок
    Регистрация
    07.04.2010
    Адрес
    Санкт-Петербург
    Сообщений
    67

    По умолчанию Re: DC-DC преобразователи напряжения (для авто)

    Приветствую всех и поздравляю с прошедшими праздниками!!!
    Сегодня перепаял все с учетом вышеупомянутых рекомендаций.
    С4 - 1 нФ не было, поставил пленку 1,5 нФ
    R6 - зашунтировал пленкой 0,22 мкФ
    R12 и R14 на 680 кОм не было, поставил 1 кОм.
    С9 пока не разделял.
    Защиту запитал от первички. Работает!
    Включил, на вторичке имею в одном плече переменку 87,6, во втором 96,8, при включении. Затем напряжение ползет вверх. Предел не знаю, отключил от греха подальше.
    Вот сижу и думаю, что при таких напряжениях не стоит подключать диодный мост и емкости, ведь выпрямленное напряжение будет больше 130 В Я так понимаю транс отматывать надо?
    Что скажете? Должна ли переменка вверх ползти?
    Нажмите на изображение для увеличения. 

Название:	pr011_new2.JPG 
Просмотров:	535 
Размер:	86.9 Кб 
ID:	122658

  11. #4930
    Завсегдатай Аватар для Plex61
    Регистрация
    21.07.2010
    Адрес
    Красноярск
    Возраст
    64
    Сообщений
    1,521

    По умолчанию Re: DC-DC преобразователи напряжения (для авто)

    Три вопроса ,ты чем мерил , можешь померить ток хх и последи за ним немного, осциллограф есть ???

  12. #4931
    Старый знакомый
    Регистрация
    22.03.2011
    Адрес
    Москва
    Сообщений
    761

    По умолчанию Re: DC-DC преобразователи напряжения (для авто)

    Supernatural, твои сообщения, как сводки из района боевых действий - с каждым днем все ужаснее и ужаснее
    Цитата Сообщение от Supernatural Посмотреть сообщение
    R12 и R14 на 680 кОм не было, поставил 1 кОм.
    это что такое ?

  13. #4932
    Завсегдатай Аватар для Plex61
    Регистрация
    21.07.2010
    Адрес
    Красноярск
    Возраст
    64
    Сообщений
    1,521

    По умолчанию Re: DC-DC преобразователи напряжения (для авто)

    Цитата Сообщение от Slavik-65 Посмотреть сообщение
    это что такое ?
    опечатка ,видимо 680ом.

  14. #4933
    Старый знакомый
    Регистрация
    22.03.2011
    Адрес
    Москва
    Сообщений
    761

    По умолчанию Re: DC-DC преобразователи напряжения (для авто)

    Цитата Сообщение от Supernatural Посмотреть сообщение
    не стоит подключать диодный мост и емкости
    вроде говорилось, что без нагрузки вообще включать не рекомендуется

  15. #4934
    Новичок
    Регистрация
    07.04.2010
    Адрес
    Санкт-Петербург
    Сообщений
    67

    По умолчанию Re: DC-DC преобразователи напряжения (для авто)

    Цитата Сообщение от Plex61 Посмотреть сообщение
    Три вопроса ,ты чем мерил , можешь померить ток хх и последи за ним немного, осциллограф есть ???
    Мерил мультиметром. Ток сегодня вечером померю. Осцилографа нет.
    Цитата Сообщение от Plex61 Посмотреть сообщение
    опечатка ,видимо 680ом.
    Да, очепятка. Имелось в виду 680 оМ.

  16. #4935
    Новичок
    Регистрация
    04.06.2010
    Адрес
    Днепропетровск
    Возраст
    41
    Сообщений
    29

    По умолчанию Re: DC-DC преобразователи напряжения (для авто)

    Натурал, если это напряжения на вторичках без диодов (если я правильно понял), то не в управлении дело. Смотри как после КЗ чувствуют себя мосфеты.

    А у меня вот такое творится на ключах. На гейтах все ровно и красиво.
    Снабберами ни на первичке ни на вторичке не лечится. С шоттками на выходе было сильно красивее. Будут у кого-нибудь по этому поводу идеи?
    Миниатюры Миниатюры Нажмите на изображение для увеличения. 

Название:	07-05-11_2146.jpg 
Просмотров:	166 
Размер:	67.6 Кб 
ID:	122690   Нажмите на изображение для увеличения. 

Название:	08-05-11_0043.jpg 
Просмотров:	188 
Размер:	92.0 Кб 
ID:	122691  

  17. #4936
    Старый стал, ленивый Аватар для Starichok
    Регистрация
    02.05.2010
    Адрес
    Псков
    Возраст
    74
    Сообщений
    3,293

    По умолчанию Re: DC-DC преобразователи напряжения (для авто)

    Цитата Сообщение от Supernatural Посмотреть сообщение
    Да, очепятка. Имелось в виду 680 оМ.
    еще одна очепятка. должно быть 680 Ом.
    Фарш невозможно провернуть назад,
    И мяса из котлет не восстановишь...

  18. #4937
    Старый знакомый
    Регистрация
    22.03.2011
    Адрес
    Москва
    Сообщений
    761

    По умолчанию Re: DC-DC преобразователи напряжения (для авто)

    Цитата Сообщение от Yorik Посмотреть сообщение
    На гейтах все ровно и красиво
    А ГДЕ ОНА, КРАСОТА ТО

  19. #4938
    Завсегдатай Аватар для Plex61
    Регистрация
    21.07.2010
    Адрес
    Красноярск
    Возраст
    64
    Сообщений
    1,521

    По умолчанию Re: DC-DC преобразователи напряжения (для авто)

    Цитата Сообщение от Yorik Посмотреть сообщение
    Снабберами ни на первичке ни на вторичке не лечится.
    Куда такой дт бедный йорик ,чтоже вы такое спаяли , уж не интерлавка ли опять ?

  20. #4939
    Новичок
    Регистрация
    07.04.2010
    Адрес
    Санкт-Петербург
    Сообщений
    67

    По умолчанию Re: DC-DC преобразователи напряжения (для авто)

    Цитата Сообщение от Yorik Посмотреть сообщение
    (если я правильно понял),
    Да, так и есть.

    Цитата Сообщение от Yorik Посмотреть сообщение
    Смотри как после КЗ чувствуют себя мосфеты.
    Мосфеты проверял, рабочие.

  21. #4940
    Старый знакомый
    Регистрация
    22.03.2011
    Адрес
    Москва
    Сообщений
    761

    По умолчанию Re: DC-DC преобразователи напряжения (для авто)

    Yorik, а это вообще то ПН, может че-нить другое

Страница 247 из 317 Первая ... 237245246247248249257 ... Последняя

Социальные закладки

Социальные закладки

Ваши права

  • Вы не можете создавать новые темы
  • Вы не можете отвечать в темах
  • Вы не можете прикреплять вложения
  • Вы не можете редактировать свои сообщения
  •