Страница 216 из 226 Первая ... 206214215216217218 ... Последняя
Показано с 4,301 по 4,320 из 4505

Тема: Качественный немецкий усилитель

  1. #1 Показать/скрыть первое сообщение.
    Регистрация не подтверждена
    Автор темы

    Регистрация
    23.06.2008
    Адрес
    Москва
    Сообщений
    1,791

    По умолчанию Качественный немецкий усилитель

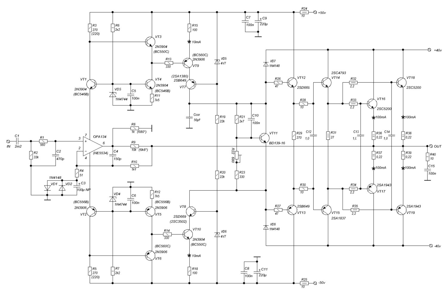
    Собрал немецкий усилитель - очень достойный аппарат, высокий уровень детализации, приличный объем звучания, так называемая сцена - в общем, грамотный усь, по качеству (на мой слух) явно лучше Шушурина и Стоунколда. Рекомендую.
    Выкладываю несколько измененную схему и ПП https://forum.vegalab.ru/showpost.ph...&postcount=150 , практика повторения усилителя показала, что AD797AN капризные ОУ, вместо них лучше использовать ОРА134, получается очень стабильный результат, без необходимости подстройки "0" на выходе усилителя. Добавлен вариант усилителя с раздельным питанием УН и ВК, предложенный vadim65 https://forum.vegalab.ru/showpost.ph...&postcount=215 Рекомендуемый предварительный усилитель и темброблок Матюшкина https://forum.vegalab.ru/showthread....=1#post1008903
    Добавил улучшенный вариант немецкого усилителя с раздельным питанием УН и ВК, и с каскодами в УН.
    Добавил порядок настройки усилителя https://forum.vegalab.ru/showthread....=1#post1071076
    Перезалил схемы с учетом опыта повторения форумчанами, подстроечный резистор установки тока покоя выходных транзисторов применять только многооборотный.
    Digital-Cj предложил вариант на smd https://forum.vegalab.ru/showthread....=1#post1172343 по - моему, все получилось очень хорошо.
    Искажения усилителя 0,015% вплоть до номинальной мощности. Спасибо .Ден. https://forum.vegalab.ru/showthread....=1#post1157060 за измерения.
    Добавил готовую плату разработки В.Лепехина собранную и отлаженную 1950 https://forum.vegalab.ru/showthread....=1#post1247113
    .Дeн. предложил схему стабилизатора для УН разработки Л.Зуева https://forum.vegalab.ru/showthread....=1#post1163533 проверено .Ден. и 1950.
    Расчет мощности от напряжения питания и сопротивления нагрузки см. в приложении.
    Немецкий усилитель изготовленный Alex1961 https://forum.vegalab.ru/showthread....=1#post1320591
    Миниатюры Миниатюры Нажмите на изображение для увеличения. 

Название:	Немецкий1.jpg 
Просмотров:	47520 
Размер:	107.7 Кб 
ID:	117328   Нажмите на изображение для увеличения. 

Название:	Немецкий2.jpg 
Просмотров:	38110 
Размер:	117.7 Кб 
ID:	117329   Нажмите на изображение для увеличения. 

Название:	Немецкий1.jpg 
Просмотров:	25880 
Размер:	193.6 Кб 
ID:	117488   Нажмите на изображение для увеличения. 

Название:	Alex1961.jpg 
Просмотров:	23493 
Размер:	304.7 Кб 
ID:	126322  

    Вложения Вложения
    Последний раз редактировалось Shurik; 06.07.2015 в 14:40.

  2. #4301
    Новичок
    Регистрация
    31.03.2018
    Адрес
    Москва и МО
    Сообщений
    21

    По умолчанию Re: Качественный немецкий усилитель

    Цитата Сообщение от MAXIM_A Посмотреть сообщение
    После такой доработки, унч стал очень медленным....
    а что поделать

    ---------- Сообщение добавлено 20:34 ---------- Предыдущее сообщение было 20:24 ----------

    Нее...мужик не пойдет...при вкл и выкл хлопок с шипением в динамике , поработал 30 сек . и пошли какие то жуткие искажения 😵

    ---------- Сообщение добавлено 23:01 ---------- Предыдущее сообщение было 20:34 ----------

    Вобщем вернул 150 пик на место , сделал замеры и акуел...все четко . Оба канала . Прикуручу радиатор на 2 ой канал , подпаяю провода по человечески и выложу замеры.


    А можете подсказать , на 46 V резисторы для стабилитрона , поставить вместо 1.5кОм какое ? было много версий 1.8Ком /2.7кОм или 6.8 кОм

  3. #4302
    Завсегдатай Аватар для Alex1961
    Регистрация
    23.10.2009
    Адрес
    Россия МО Клин
    Сообщений
    1,035

    По умолчанию Re: Качественный немецкий усилитель

    Нажмите на изображение для увеличения. 

Название:	IMG_0302.JPG 
Просмотров:	999 
Размер:	1.49 Мб 
ID:	317528 Нажмите на изображение для увеличения. 

Название:	IMG_0302.JPG 
Просмотров:	999 
Размер:	1.49 Мб 
ID:	317528 Специально выковырял с антрисоли старый ящик 150пф, запускался, регулировался ток покоя, без проблем. Да и меандр на 20кГц был с приличными фронтами.

  4. #4303
    Частый гость Аватар для ntechmen
    Регистрация
    03.03.2012
    Адрес
    Кемерово
    Сообщений
    249

    По умолчанию Re: Качественный немецкий усилитель

    Цитата Сообщение от MAXIM_A Посмотреть сообщение
    После такой доработки, унч стал очень медленным....
    Да, но конденсатор в 1000пф был выбран с запасом, что бы посмотреть переходной процесс, его можно уменьшить и до 150 пф.
    В оригинальной схеме, фаза на диаграмме боде убегает за 180 град на частоте среза, а это не есть хорошо, отсюда и колебательный процесс в п.х. на меандре и прочие прелести.

    В том, что я хотел и частично предлагал по коррекции афчх сделать, там все в рамках теории.
    По быстродействию, предполагаю можно добиться время становления в районе 2-3 мкСек. на размахе 50 Вп-п для НЕ5534. Быстродействие для данной схемы усилителя в первую очередь оу определяет.

  5. #4304
    Завсегдатай Аватар для Alex1961
    Регистрация
    23.10.2009
    Адрес
    Россия МО Клин
    Сообщений
    1,035

    По умолчанию Re: Качественный немецкий усилитель

    С данной топологией применить скоростной опер проблематично. Вот в ПП В.Лепехина встает более шустрый.

  6. #4305
    Частый гость Аватар для ntechmen
    Регистрация
    03.03.2012
    Адрес
    Кемерово
    Сообщений
    249

    По умолчанию Re: Качественный немецкий усилитель

    Цитата Сообщение от Alex1961 Посмотреть сообщение
    С данной топологией применить скоростной опер проблематично. Вот в ПП В.Лепехина встает более шустрый.
    Сложно, но можно, вопрос коррекции. Когда в усилителе применяешь скорректированный оу, то возможности по коррекции общей афчх усилителя существенно уменьшаются.

    По поводу пп не соглашусь, правильно скорректированный усилитель в плане устойчивости не чувствителен к качеству пп (в разумных пределах конечно),
    а вот когда усилитель методом тыка скорректирован, то естественно любая лишняя емкость генерацию может вызвать.

  7. #4306
    Иногдауменявыгибаютсяруки Аватар для Merstan
    Регистрация
    24.05.2008
    Адрес
    Бердянск
    Возраст
    45
    Сообщений
    13,891

    По умолчанию Re: Качественный немецкий усилитель

    Цитата Сообщение от ntechmen Посмотреть сообщение
    правильно скорректированный
    вусмерть скорректированный?

  8. #4307
    Завсегдатай Аватар для Alex1961
    Регистрация
    23.10.2009
    Адрес
    Россия МО Клин
    Сообщений
    1,035

    По умолчанию Re: Качественный немецкий усилитель

    Цитата Сообщение от ntechmen Посмотреть сообщение

    По поводу пп не соглашусь, правильно скорректированный усилитель в плане устойчивости не чувствителен к качеству пп (в разумных пределах конечно),
    а вот когда усилитель методом тыка скорректирован, то естественно любая лишняя емкость генерацию может вызвать.
    Правильность теории может подтвердить только практика. Пример в студию

  9. #4308
    Частый гость Аватар для ntechmen
    Регистрация
    03.03.2012
    Адрес
    Кемерово
    Сообщений
    249

    По умолчанию Re: Качественный немецкий усилитель

    Цитата Сообщение от Merstan Посмотреть сообщение
    вусмерть скорректированный?
    Цитата Сообщение от Alex1961 Посмотреть сообщение
    Правильность теории может подтвердить только практика. Пример в студию
    Смотрим:
    модель оригинала:
    Нажмите на изображение для увеличения. 

Название:	Оригинал работ&#10.PNG 
Просмотров:	539 
Размер:	94.5 Кб 
ID:	317677
    видим что на резистивную нагрузку работает.

    Open loop gain (д. боде, разомкнутая петля ооос)
    Нажмите на изображение для увеличения. 

Название:	Open_loop_gain_orgn.PNG 
Просмотров:	473 
Размер:	76.3 Кб 
ID:	317676
    Close loop gain (д. боде, замкнутая петля ооос)
    Нажмите на изображение для увеличения. 

Название:	Close_loop_gain_orgn.PNG 
Просмотров:	463 
Размер:	77.5 Кб 
ID:	317674
    Видим из диаграмм, что фаза на частоте среза убежала за 180 градусов.
    Согласно критериям устойчивости по Найквисту, такая САР не может быть признана устойчивой.

    Проверяем, подключая реактивную нагрузку, в виде конденсатора:
    Нажмите на изображение для увеличения. 

Название:	Оригинал работ&#10.PNG 
Просмотров:	505 
Размер:	105.0 Кб 
ID:	317678
    возникла генерация, соответственно система (сар) не является устойчивой.


    А теперь меняем тип коррекции, пере подключаем C8, чтобы удовлетворить критерии устойчивости:

    Open loop gain (д. боде, разомкнутая петля ооос)

    Нажмите на изображение для увеличения. 

Название:	Open_loop_gain.PNG 
Просмотров:	444 
Размер:	76.9 Кб 
ID:	317675

    Close loop gain (д. боде, замкнутая петля ооос)
    Нажмите на изображение для увеличения. 

Название:	Close_loop_gain.PNG 
Просмотров:	457 
Размер:	76.1 Кб 
ID:	317673

    Из диаграмм видим, что критерии устойчивости соблюдены.

    проверяем
    Нажмите на изображение для увеличения. 

Название:	Схема изменена&#11.PNG 
Просмотров:	774 
Размер:	78.3 Кб 
ID:	317679
    работа на реактивную нагрузку - генерация отсутствует, работает нормально, хотя в схеме присутствую множество близко расположенных полюсов образованных каскадами усиления, и не получается сформировать доминирующий полюс(надо лезть в первые каскады усиления которые расположены в ОУ), переходной процесс скорее всего имеет колебательный характер, но т.к. теоретические критерии устойчивости соблюдены, то и система остается устойчивой.

    Что бы обеспечить устойчивость усилителя с ооос относительно простыми методами в большинстве случаев приходится жертвовать его быстродействием. При большом количестве каскадов усиления (в том числе композиты), соответственно большом к.у. и набегом фазы обеспечить выполнение критериев устойчивости крайне затруднительно, а порой без с специальных мер невозможно, а зачастую и в принципе невозможно.

  10. #4309
    Завсегдатай Аватар для Alex1961
    Регистрация
    23.10.2009
    Адрес
    Россия МО Клин
    Сообщений
    1,035

    По умолчанию Re: Качественный немецкий усилитель

    Выкладками и симуляциями сыт не будешь Пример в студию, материализованный.

    Напоминаю-" По поводу пп не соглашусь, правильно скорректированный усилитель в плане устойчивости не чувствителен к качеству пп

  11. #4310
    Новичок
    Регистрация
    21.06.2010
    Адрес
    с Луны
    Возраст
    48
    Сообщений
    41

    По умолчанию Re: Качественный немецкий усилитель

    ---------- Сообщение добавлено 01:10 ---------- Предыдущее сообщение было 01:08 ----------

    Цитата Сообщение от Николай32 Посмотреть сообщение
    амплитуду чуть добавил, вот здесь лучше видно, куда копать? Вложение 312089

    ---------- Сообщение добавлено 20:23 ---------- Предыдущее сообщение было 20:22 ----------
    О, у меня такие свистозвенелки были при работе на АС. Причём с другой печаткой. Собственно, поняв, что этот усь нетолерантен к нагрузке, так его и не доделал. Название обещало - КАЧЕСТВЕННЫЙ НЕМЕЦКИЙ!

  12. #4311
    Завсегдатай Аватар для MAXIM_A
    Регистрация
    13.11.2007
    Адрес
    МО Салтыковка
    Возраст
    77
    Сообщений
    12,213

    По умолчанию Re: Качественный немецкий усилитель

    И у меня такая-же хрень...
    Добавляешь уровень, начинает подзвякивать на верхушка.
    Чего только не пробовал, не помогает, закинул куда подальше...

  13. #4312
    Завсегдатай Аватар для .Васильев
    Регистрация
    04.04.2007
    Адрес
    новгородская обл Пестово на Мологе
    Сообщений
    10,818

    По умолчанию Re: Качественный немецкий усилитель

    ну а коррекцию изменить сложно что ли. и выбросить лишнее из него
    С уважением Максим.

  14. #4313
    Завсегдатай Аватар для Alex1961
    Регистрация
    23.10.2009
    Адрес
    Россия МО Клин
    Сообщений
    1,035

    По умолчанию Re: Качественный немецкий усилитель

    А у меня даже на этих ПП не звенел. Нагрузка не легкая была. даже допускал опустить с 150 до 100пф. Три года отбарабанил в нашей нелегкой действительности


    OPA134

  15. #4314
    Старый знакомый
    Регистрация
    09.11.2010
    Адрес
    Волжане мы
    Возраст
    63
    Сообщений
    770

    По умолчанию Re: Качественный немецкий усилитель

    Цитата Сообщение от Alex1961 Посмотреть сообщение
    Три года отбарабанил в нашей нелегкой действительности
    тоже ничего не звенело, печатка своей разработки была, по типу Лепехинской, но в итоге забраковал- вроде чистенько все, но удовольствия от прослушки не доставляет, остановился на Зуевском- не намного сложнее, а по звуку небо и земля

  16. #4315
    Новичок
    Регистрация
    21.03.2018
    Сообщений
    2

    По умолчанию Re: Качественный немецкий усилитель

    Доброго времени суток, уважаемые)) Простите, если вопрос покажется глупым, когда- то был начинающим радиолюбителем, сейчас что то опять потянуло)) Собираю унч, схему предусилителя взял из этой темы (opa134). Собрал - играет и очень прилично, нравится . Теперь по существу, имею трансформатор с обмотками 2*18 В (будет питание УМ) и 2*9 В - с них хотелось бы запитать этот самый пред. Посмотрел даташит, ОУ работает с 2,5 - т.е. "ему хватит". Вопрос, не скажется ли такое питание отрицательно на звуке? Само собой ток покоя транзисторов подстроим.

  17. #4316
    Частый гость Аватар для OksidAluminiya
    Регистрация
    19.05.2016
    Возраст
    37
    Сообщений
    151

    По умолчанию Re: Качественный немецкий усилитель

    Готово! Собрал на базе старого Амфитон У-101. Звуком доволен!Нажмите на изображение для увеличения. 

Название:	20180409_165626.jpg 
Просмотров:	698 
Размер:	2.51 Мб 
ID:	318254Нажмите на изображение для увеличения. 

Название:	20180421_122327.jpg 
Просмотров:	662 
Размер:	2.77 Мб 
ID:	318255Нажмите на изображение для увеличения. 

Название:	20180421_122556.jpg 
Просмотров:	603 
Размер:	2.39 Мб 
ID:	318256Нажмите на изображение для увеличения. 

Название:	20180421_145359.jpg 
Просмотров:	844 
Размер:	2.47 Мб 
ID:	318257

  18. #4317
    Завсегдатай Аватар для MAXIM_A
    Регистрация
    13.11.2007
    Адрес
    МО Салтыковка
    Возраст
    77
    Сообщений
    12,213

    По умолчанию Re: Качественный немецкий усилитель

    Классные фото!
    Професиональная зеркалка?

  19. #4318
    Завсегдатай Аватар для msgkras
    Регистрация
    18.05.2006
    Сообщений
    1,839

    По умолчанию Re: Качественный немецкий усилитель

    Дошли руки до сборки давно лежащих плат, вот что получилось

    Нажмите на изображение для увеличения. 

Название:	IMG_20180422_132303.jpg 
Просмотров:	673 
Размер:	1.18 Мб 
ID:	318297 Нажмите на изображение для увеличения. 

Название:	Немецкий2.jpg 
Просмотров:	652 
Размер:	117.7 Кб 
ID:	318298

    Есть транс с обмотками
    на 30,3 В и 33,1В, который хотелось бы применить. Соответственно 43В и 47 В постоянного напряжения, не маловата разница ?
    Acer Aspire V > ATDAC-12E > DH Labs Air Matrix > Yes-3U/4-SAB/5 > Analysis-Plus Oval 12 > Nostalgia
    Raptor By > Supra EFF-IX > УМЗЧ Л.Зуева > Chord Odyssey 2 > Nostalgia 3

  20. #4319
    Завсегдатай Аватар для MAXIM_A
    Регистрация
    13.11.2007
    Адрес
    МО Салтыковка
    Возраст
    77
    Сообщений
    12,213

    По умолчанию Re: Качественный немецкий усилитель

    Цитата Сообщение от msgkras Посмотреть сообщение
    Есть транс с обмотками
    на 30,3 В и 33,1В, который хотелось бы применить. Соответственно 43В и 47 В постоянного напряжения, не маловата разница ?
    Маловато будет... желательно, трансик на 36-40 вольт, он маломощный и будет просадка...
    Приезжай, у меня есть лишний 4х40в
    Андрей Константинович

  21. #4320
    Завсегдатай Аватар для LepekhinV
    Регистрация
    20.02.2007
    Адрес
    г.Рязань
    Возраст
    66
    Сообщений
    4,444

    По умолчанию Re: Качественный немецкий усилитель

    По-моему Л.Зуев писал, что в Немецком не так важна разница в питании УН и Вк в 10В. Точно не помню.

Страница 216 из 226 Первая ... 206214215216217218 ... Последняя

Социальные закладки

Социальные закладки

Ваши права

  • Вы не можете создавать новые темы
  • Вы не можете отвечать в темах
  • Вы не можете прикреплять вложения
  • Вы не можете редактировать свои сообщения
  •