Страница 20 из 24 Первая ... 101819202122 ... Последняя
Показано с 381 по 400 из 462

Тема: У кого есть Кубики Салтыкова

  1. #1 Показать/скрыть первое сообщение.
    Частый гость
    Автор темы

    Регистрация
    18.06.2008
    Адрес
    Москва (Красногорск)
    Сообщений
    171

    По умолчанию У кого есть Кубики Салтыкова

    Кубики это - Малогабаритный громкоговоритель Салтыкова, очень неплохое акустическое оформление, собрали такой на пробу на работе, правда динамик использовали из колонки Вега 25ас-101 незнаю точно какой там стоит нч динамик, но помоему чуток помощьнее чем у салтыкова, 10 гд-34 , результат конечно ошеломляющий, такие маленькие, а так басят, чума просто, как мини-сабвуфер...
    Вот задумался над такой вот темой,

    может ктонибудь эксперементировал данные корпуса с разными динамиками непробывали? Просто есть идея засунуть в эти корпуса автомобильные коаксиальные динамики с пищалками по центру, но вставиф пионеровские коаксеалы, при прослушивании бас конечно не тот уже, может они маломощьные...

    Короче кто собирал и эксперементировал с разными динамиками, поделитесь опытом? больно уж нехочется загромаждать внутреннюю площадь фильтрами.
    Миниатюры Миниатюры Нажмите на изображение для увеличения. 

Название:	DSC00026.JPG 
Просмотров:	11683 
Размер:	53.9 Кб 
ID:	39759  
    Вложения Вложения

  2. #381

    По умолчанию Re: У кого есть Кубики Салтыкова

    Одна из вариаций на тему кубика Салтыкова в виде комбика с блоком усиления с двумя микрофонными и одним линейным входом под караоке и прочие глупости, усиление на ТДА7492. На улицу под всякие мероприятия, где не требуется большая мощность, очень хорошо себя зарекомендовала.
    Миниатюры Миниатюры Нажмите на изображение для увеличения. 

Название:	IMG_2252-1.JPG 
Просмотров:	391 
Размер:	284.0 Кб 
ID:	309106   Нажмите на изображение для увеличения. 

Название:	IMG_2393-1.JPG 
Просмотров:	334 
Размер:	359.5 Кб 
ID:	309107  
    Последний раз редактировалось Aleksey_Kul; 03.01.2018 в 12:36.

  3. #382
    Старший pioneerовожатый Аватар для Vinni
    Регистрация
    24.07.2012
    Сообщений
    2,551

    По умолчанию Re: У кого есть Кубики Салтыкова

    Цитата Сообщение от Aleksey_Kul Посмотреть сообщение
    Одна из вариаций
    Прикольно!

    Искал информацию по автору кубиков, Олегу Салтыкову - не нашёл.
    Если у кого есть, выложите пожалуйста.

    Нажмите на изображение для увеличения. 

Название:	o1_0001.jpg 
Просмотров:	416 
Размер:	854.5 Кб 
ID:	309114 Обложка журнала в которой появились "кубики".

  4. #383
    Частый гость Аватар для vadykaF
    Регистрация
    12.05.2010
    Адрес
    Новосибирск
    Сообщений
    470

    По умолчанию Re: У кого есть Кубики Салтыкова

    Вот ссылка на этот номер https://yadi.sk/d/WIkgoFLq3R9vkX

  5. #384

    По умолчанию Re: У кого есть Кубики Салтыкова

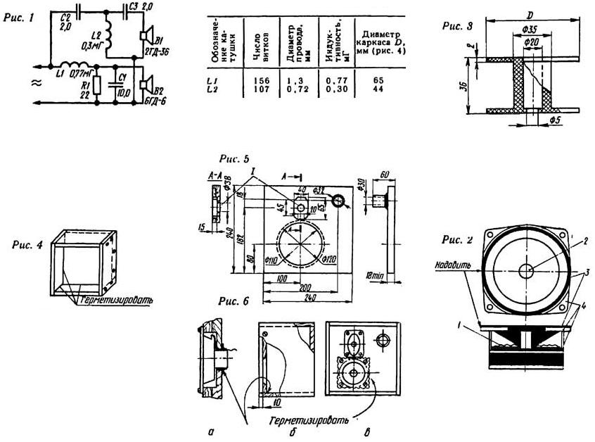
    Статья:

    ---------- Сообщение добавлено 18:32 ---------- Предыдущее сообщение было 18:30 ----------

    Дополнения

    ---------- Сообщение добавлено 18:33 ---------- Предыдущее сообщение было 18:32 ----------

    В журналах дополнения к первоначальной статье.
    Миниатюры Миниатюры Нажмите на изображение для увеличения. 

Название:	p0003-sel.jpg 
Просмотров:	655 
Размер:	178.6 Кб 
ID:	309133   Нажмите на изображение для увеличения. 

Название:	p0002-sel.jpg 
Просмотров:	563 
Размер:	185.9 Кб 
ID:	309132   Нажмите на изображение для увеличения. 

Название:	p0001-sel.jpg 
Просмотров:	467 
Размер:	178.1 Кб 
ID:	309131   Нажмите на изображение для увеличения. 

Название:	saltukov-as.jpg 
Просмотров:	598 
Размер:	82.6 Кб 
ID:	309134  

    Вложения Вложения

  6. #385
    Завсегдатай Аватар для .Васильев
    Регистрация
    04.04.2007
    Адрес
    новгородская обл Пестово на Мологе
    Сообщений
    10,818

    По умолчанию Re: У кого есть Кубики Салтыкова

    А на первой стр что?
    С уважением Максим.

  7. #386
    Завсегдатай
    Регистрация
    27.09.2012
    Адрес
    Мариуполь
    Возраст
    66
    Сообщений
    1,035

    По умолчанию Re: У кого есть Кубики Салтыкова

    Цитата Сообщение от .Васильев Посмотреть сообщение
    А на первой стр что?
    Ответы на вопросы по статье Салтыкова

  8. #387
    Новичок
    Регистрация
    28.09.2016
    Адрес
    Нижний Новгород
    Сообщений
    79

    По умолчанию Re: У кого есть Кубики Салтыкова

    Может быть кто нибудь подскажет? Отдали две колонки Вега 15 ас-109 4х омные, корпуса, один расслоился, вообщем в ужасном состоянии. Что если динамики и фильтра запихать в кубики Салтыкова или фильтра по Салтыкову это принципиально. Стоит ли браться за работу?

  9. #388
    Частый гость Аватар для Радис
    Регистрация
    13.02.2006
    Адрес
    Казань
    Возраст
    51
    Сообщений
    289

    По умолчанию Re: У кого есть Кубики Салтыкова

    Цитата Сообщение от ахалай-махалай Посмотреть сообщение
    Может быть кто нибудь подскажет? Отдали две колонки Вега 15 ас-109 4х омные, корпуса, один расслоился, вообщем в ужасном состоянии. Что если динамики и фильтра запихать в кубики Салтыкова или фильтра по Салтыкову это принципиально. Стоит ли браться за работу?
    Лучше найти статью Шорова в инете " улучшение 15ас409" и сделать по этому принципу ( увеличенный объем корпуса+ щелевой фазик и низкий раздел фильтров) , будут играть очень хорошо.

  10. #389
    Завсегдатай Аватар для Alexander
    Регистрация
    30.08.2008
    Адрес
    РФ Саратов
    Сообщений
    4,371

    По умолчанию Re: У кого есть Кубики Салтыкова

    Цитата Сообщение от Радис Посмотреть сообщение
    и низкий раздел фильтров
    Если не ошибаюсь там пищалка менялась на ШП, 3ГД31 на 1ГД50.

  11. #390
    Добрый Аватар для Gudronov
    Регистрация
    12.11.2009
    Адрес
    Брянск
    Возраст
    57
    Сообщений
    11,976

    По умолчанию Re: У кого есть Кубики Салтыкова

    Цитата Сообщение от ахалай-махалай Посмотреть сообщение
    Может быть кто нибудь подскажет? Отдали две колонки Вега 15 ас-109 4х омные, корпуса, один расслоился, вообщем в ужасном состоянии. Что если динамики и фильтра запихать в кубики Салтыкова или фильтра по Салтыкову это принципиально. Стоит ли браться за работу?
    Есть смысл проверить TSP и по ним спроектировать новые ящики без накладок, сеток и решеток. И заменить пищалку на что-то цивильное. На Вифу, например, у нее бюджетка 4-омная.

  12. #391
    Частый гость Аватар для Радис
    Регистрация
    13.02.2006
    Адрес
    Казань
    Возраст
    51
    Сообщений
    289

    По умолчанию Re: У кого есть Кубики Салтыкова

    Цитата Сообщение от Alexander Посмотреть сообщение
    Если не ошибаюсь там пищалка менялась на ШП, 3ГД31 на 1ГД50.
    Именно так. Я когда-то делал, но с другими динамиками- 25ГД26 и 2ГД40. Остались только хорошие впечатления

  13. #392
    Новичок
    Регистрация
    09.03.2015
    Адрес
    Estonia
    Возраст
    58
    Сообщений
    80

    По умолчанию Re: У кого есть Кубики Салтыкова

    Вот хотел бы спросить вашего мнения .
    Если использовать кубики как сч вч а звуковоспроводящий комплекс Салтыкова и Сырицо
    как нч.На импортных тётках.

  14. #393
    Частый гость Аватар для Радис
    Регистрация
    13.02.2006
    Адрес
    Казань
    Возраст
    51
    Сообщений
    289

    По умолчанию Re: У кого есть Кубики Салтыкова

    Цитата Сообщение от miklblak Посмотреть сообщение
    Вот хотел бы спросить вашего мнения .
    Если использовать кубики как сч вч а звуковоспроводящий комплекс Салтыкова и Сырицо
    как нч.На импортных тётках.
    Можно то можно.... Будет куча коробок .

  15. #394

    По умолчанию Re: У кого есть Кубики Салтыкова

    Есть пара 10ГД-34-80 и пара 3ГД31. Стоит на них собрать кубики? Или может есть еще какие варианты для этих динамиков?

  16. #395
    Завсегдатай Аватар для U.L.F.
    Регистрация
    29.09.2005
    Адрес
    Тула
    Возраст
    57
    Сообщений
    1,030

    По умолчанию Re: У кого есть Кубики Салтыкова

    Цитата Сообщение от Morkovkinator Посмотреть сообщение
    Есть пара 10ГД-34-80 и пара 3ГД31. Стоит на них собрать кубики?
    Нет, на 3ГД-31 точно не стоит. Ну это же совсем мусор, а не головка. Купите уж лучше наибюджетнейшие альфардики, они по крайней мере ВЧ умеют играть. http://www.svet-zvuk.ru/view.php?id=4252
    Лампы не цель, а средство для получения хорошего звука. Моя рукодельная кладовка: http://ulfdiysound.ucoz.ru/

  17. #396

    По умолчанию Re: У кого есть Кубики Салтыкова

    То Morkovkinator - В кубиках неплохо звучали 3ГД-2 с фенольной (желтой) мембраной.

    Нажмите на изображение для увеличения. 

Название:	3ГД-2.jpg 
Просмотров:	396 
Размер:	107.2 Кб 
ID:	347852 Нажмите на изображение для увеличения. 

Название:	IMG_2252-1.JPG 
Просмотров:	515 
Размер:	284.0 Кб 
ID:	347853

  18. #397
    Завсегдатай Аватар для .Васильев
    Регистрация
    04.04.2007
    Адрес
    новгородская обл Пестово на Мологе
    Сообщений
    10,818

    По умолчанию Re: У кого есть Кубики Салтыкова

    6гд-11 из старья. новые визатончики недороги
    С уважением Максим.

  19. #398

    По умолчанию Re: У кого есть Кубики Салтыкова

    Цитата Сообщение от .Васильев Посмотреть сообщение
    новые визатончики недороги
    На что стоит посмотреть. А то на том же авито, например, старье стоит дороже, чем
    U.L.F., чуть выше ссылку привел.

  20. #399
    Частый гость Аватар для Sergey
    Регистрация
    14.04.2005
    Сообщений
    183

    По умолчанию Re: У кого есть Кубики Салтыкова

    Попробуйте прочесть всю ветку, 20 страниц не так уж и много. Может что-то полезное еще увидите.

  21. #400
    Завсегдатай
    Регистрация
    13.12.2004
    Адрес
    Юг Украины
    Возраст
    48
    Сообщений
    2,554

    По умолчанию Re: У кого есть Кубики Салтыкова

    Цитата Сообщение от Aleksey_Kul Посмотреть сообщение
    То Morkovkinator - В кубиках неплохо звучали 3ГД-2 с фенольной (желтой) мембраной.

    Нажмите на изображение для увеличения. 

Название:	3ГД-2.jpg 
Просмотров:	396 
Размер:	107.2 Кб 
ID:	347852
    Не могли они там нормально звучать.
    В "кубиках" стык на 4кГц, а 3ГД-2 имеют официальную резонансную что-то около 3,5кГц, на самом деле - больше.

    В "кубики" пищь без сносного подвеса не пойдет, а это все купольные ГДВ.
    У них прямой подвес, притом сразу заклиненный фланцем, т.е. резонансная очень высокая.
    Нужны с резонансной около 2кГц.

Страница 20 из 24 Первая ... 101819202122 ... Последняя

Социальные закладки

Социальные закладки

Ваши права

  • Вы не можете создавать новые темы
  • Вы не можете отвечать в темах
  • Вы не можете прикреплять вложения
  • Вы не можете редактировать свои сообщения
  •