Страница 2 из 2 Первая 12
Показано с 21 по 39 из 39

Тема: Ура, товарищи! Никитин раскололся:)

  1. #1 Показать/скрыть первое сообщение.
    Завсегдатай
    Автор темы

    Регистрация
    04.10.2004
    Сообщений
    1,531

    По умолчанию Ура, товарищи! Никитин раскололся:)

    Собственно вот
    http://www.ant-audio.co.uk/Theory/Parametric_Rus2.htm

    Осталось только допереть, какие именно типы транзисторов он использовал и как именно он производит подбор нужных пар

  2. #21
    Регистрация не подтверждена Аватар для Alex Nikitin
    Регистрация
    03.01.2005
    Адрес
    London UK
    Сообщений
    4,388

    По умолчанию Re: Ура, товарищи! Никитин раскололся:)

    Цитата Сообщение от PSV
    Зачем по ней "ползать",когда можно работать практически в одной точке по оси напряжений на кривой ток стока - напряжение сток-исток(выходной характеристики) в случае с биполяром.
    Именно "ползание" по характеристике верхнего транзистора позволяет в определённой ситуации удерживать нижний транзистор в режиме постоянной крутизны, то есть линейной передаточной характеристики. Недостаточно загнать нижний транзистор в активный режим, надо ещё суметь использовать возможность управления его крутизной в этом режиме с целью уменьшить до минимума зависимость крутизны от тока. Эту функцию и выполняет верхний транзистор. При увеличении тока напряжение сток-исток нижнего транзистора "сползает" вниз по передаточной характеристике верхнего и при правильном подборе транзисторов и рабочей точки именно это "сползание" способно поддержать крутизну примерно постоянной, тогда как без этой компенсации крутизна увеличивалась бы с увеличением тока.

    Алексей

  3. #22
    Завсегдатай Аватар для PSV
    Регистрация
    07.05.2004
    Адрес
    Моск.обл.Черноголовка
    Возраст
    60
    Сообщений
    3,541

    По умолчанию Re: Ура, товарищи! Никитин раскололся:)

    Алексей,спасибо за разьяснения.Понятно,компенсируем изменение крутизны от тока зависимостью крутизны от напряжения.Мне думалось что последняя линейна,как в триодах,на рабочих участках.К сожалению мне не попадались в даташитах графики зависимости крутизны от напряжения для активной области полевиков.Можно ли их где-то посмотреть?
    Последний раз редактировалось PSV; 11.01.2005 в 17:09.

  4. #23
    Регистрация не подтверждена Аватар для Alex Nikitin
    Регистрация
    03.01.2005
    Адрес
    London UK
    Сообщений
    4,388

    По умолчанию Re: Ура, товарищи! Никитин раскололся:)

    Цитата Сообщение от PSV
    К сожалению мне не попадались в даташитах графики зависимости крутизны от напряжения для активной области полевиков.Можно ли их где-то посмотреть?
    Хе-хе, сам бы с удовольствием посмотрел, но, увы, до сих пор это никого не интересовало .

    Алексей

  5. #24
    Завсегдатай Аватар для PSV
    Регистрация
    07.05.2004
    Адрес
    Моск.обл.Черноголовка
    Возраст
    60
    Сообщений
    3,541

    По умолчанию Re: Ура, товарищи! Никитин раскололся:)

    до сих пор это никого не интересовало .
    Это точно.
    Сам снимаешь?Надо для начала попробовать в симуляторе,интересно насколько совпадут с реальностью?По крайней мере выходные х-ки неплохо совпадают с даташитными.

  6. #25
    Регистрация не подтверждена Аватар для Alex Nikitin
    Регистрация
    03.01.2005
    Адрес
    London UK
    Сообщений
    4,388

    По умолчанию Re: Ура, товарищи! Никитин раскололся:)

    Цитата Сообщение от PSV
    Сам снимаешь?
    Да .

    Алексей

  7. #26
    Завсегдатай Аватар для Semigor
    Регистрация
    21.01.2004
    Адрес
    Ижевск
    Возраст
    68
    Сообщений
    3,734

    По умолчанию Re: Ура, товарищи! Никитин раскололся:)

    Всем привет.

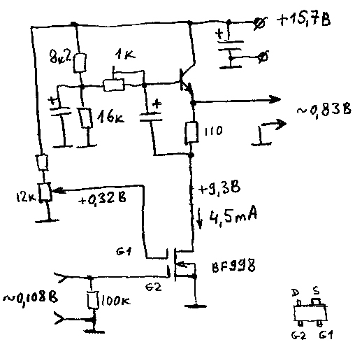
    Попробовал идею с полупроводниковым тетродом (BF998), см. пост 15.
    Все работает, результаты похожие. Позже напишу подробней.

  8. #27
    Завсегдатай Аватар для Semigor
    Регистрация
    21.01.2004
    Адрес
    Ижевск
    Возраст
    68
    Сообщений
    3,734

    По умолчанию Re: Ура, товарищи! Никитин раскололся:)

    Вот картинки
    Миниатюры Миниатюры Нажмите на изображение для увеличения. 

Название:	sch.jpg 
Просмотров:	468 
Размер:	58.9 Кб 
ID:	423   Нажмите на изображение для увеличения. 

Название:	dmf1.jpg 
Просмотров:	344 
Размер:	94.2 Кб 
ID:	424   Нажмите на изображение для увеличения. 

Название:	dmf2.jpg 
Просмотров:	300 
Размер:	107.8 Кб 
ID:	425   Нажмите на изображение для увеличения. 

Название:	dmf3.jpg 
Просмотров:	342 
Размер:	111.7 Кб 
ID:	426  


  9. #28
    Регистрация не подтверждена Аватар для Alex Nikitin
    Регистрация
    03.01.2005
    Адрес
    London UK
    Сообщений
    4,388

    По умолчанию Re: Ура, товарищи! Никитин раскололся:)

    Игорь, привет!

    Забавно, что я сейчас на работе как раз собираюсь использовать BF908, хотя и совсем в других целях. В данных на 908 и 998 есть графики зависимости крутизны от тока стока для разных напряжений на втором затворе. Видно, что при определённом напряжении график имеет перегиб, то есть точку минимальных искажений. "Линейный" участок, правда, не очень длинный... .

    Алексей

  10. #29
    Завсегдатай Аватар для Semigor
    Регистрация
    21.01.2004
    Адрес
    Ижевск
    Возраст
    68
    Сообщений
    3,734

    По умолчанию Re: Ура, товарищи! Никитин раскололся:)

    Привет, Алексей!

    Именно этот эффект я и хотел использовать.
    Причем, лучшая линейность получается при подаче сигнала на второй затвор.
    При точной установке смещения остается практически только третья гармоника (средний график).
    При небольшом отклонении от этой точки в любую сторону вылезает 2-я гармоника (верхний график)
    Нижний график - то же что и средний, но при входном сигнале на 10дб меньше.
    Искажения источника сигнала были порядка 0,02%, F=1кГц.

  11. #30
    Завсегдатай Аватар для shkal
    Регистрация
    30.11.2004
    Адрес
    Москва, Russia
    Возраст
    58
    Сообщений
    1,997

    По умолчанию Re: Ура, товарищи! Никитин раскололся:)

    А КП322 ты не мучал случайно?

  12. #31
    Завсегдатай Аватар для Semigor
    Регистрация
    21.01.2004
    Адрес
    Ижевск
    Возраст
    68
    Сообщений
    3,734

    По умолчанию Re: Ура, товарищи! Никитин раскололся:)

    Цитата Сообщение от shkal
    А КП322 ты не мучал случайно?
    Нет, но думаю, что этот способ лианеризации будет работать и для КП322.

  13. #32
    Завсегдатай Аватар для PSV
    Регистрация
    07.05.2004
    Адрес
    Моск.обл.Черноголовка
    Возраст
    60
    Сообщений
    3,541

    По умолчанию Re: Ура, товарищи! Никитин раскололся:)

    Игорь,а как оно звучит,не пробовал?MOSFETы в звуковом применении вроде не есть гуд.Дмитрий тут много писал об этом...

  14. #33
    Завсегдатай Аватар для Semigor
    Регистрация
    21.01.2004
    Адрес
    Ижевск
    Возраст
    68
    Сообщений
    3,734

    По умолчанию Re: Ура, товарищи! Никитин раскололся:)

    Цитата Сообщение от PSV
    Игорь,а как оно звучит,не пробовал?MOSFETы в звуковом применении вроде не есть гуд.Дмитрий тут много писал об этом...
    До этого пока не дошло, но думаю, что тут многое от типа транзистора будет зависеть. КП902, напремер, звучат прекрасно.

    А Алексей ушной усилитель делал на depletion MOSFETе и даже винил-корректор грозился на нем соорудить

  15. #34
    Завсегдатай Аватар для PSV
    Регистрация
    07.05.2004
    Адрес
    Моск.обл.Черноголовка
    Возраст
    60
    Сообщений
    3,541

    По умолчанию Re: Ура, товарищи! Никитин раскололся:)

    Цитата Сообщение от Semigor
    depletion MOSFETе
    А какой конкретно,не знаешь?

  16. #35
    Регистрация не подтверждена Аватар для Alex Nikitin
    Регистрация
    03.01.2005
    Адрес
    London UK
    Сообщений
    4,388

    По умолчанию Re: Ура, товарищи! Никитин раскололся:)

    Цитата Сообщение от PSV
    А какой конкретно,не знаешь?
    Не знает он . Я пока держу тип этого транзистора в секрете.

    Алексей

  17. #36
    Завсегдатай Аватар для PSV
    Регистрация
    07.05.2004
    Адрес
    Моск.обл.Черноголовка
    Возраст
    60
    Сообщений
    3,541

    По умолчанию Re: Ура, товарищи! Никитин раскололся:)

    Цитата Сообщение от Alex Nikitin
    Не знает он . Я пока держу тип этого транзистора в секрете.
    Я то думал ты используешь JFETы.

  18. #37
    Регистрация не подтверждена Аватар для Alex Nikitin
    Регистрация
    03.01.2005
    Адрес
    London UK
    Сообщений
    4,388

    По умолчанию Re: Ура, товарищи! Никитин раскололся:)

    Цитата Сообщение от PSV
    Я то думал ты используешь JFETы.
    В том, что я делаю сейчас - да. Но Игорь вспомнил о более раннем проекте, который пока в серию не пошёл. Там я использовал совершенно другую идею построения линейного усилителя без ООС.

    Алексей

  19. #38
    Завсегдатай Аватар для PSV
    Регистрация
    07.05.2004
    Адрес
    Моск.обл.Черноголовка
    Возраст
    60
    Сообщений
    3,541

    По умолчанию Re: Ура, товарищи! Никитин раскололся:)

    Понятно,извините,немного запутался .Алексей,а как ты относишся к проблеме модуляционных шумов в MOSFETах ,и в связи с этим целесообразностью их применения ,особенно в малосигнальнах цепях?

  20. #39
    Завсегдатай Аватар для Semigor
    Регистрация
    21.01.2004
    Адрес
    Ижевск
    Возраст
    68
    Сообщений
    3,734

    По умолчанию Re: Ура, товарищи! Никитин раскололся:)

    Цитата Сообщение от PSV
    А какой конкретно,не знаешь?
    Цитата Сообщение от Alex Nikitin
    Не знает он . Я пока держу тип этого транзистора в секрете.
    Я конечно не знаю, какой транзистор применил Алексей, но можно поиграться, например, с BSS169 и другими BSS1xx, BSP1xx фирмы Infineon.
    Depletion mod MOSFETы средней мощности производят также фирмы: Clare, Supertex и др.
    Последний раз редактировалось Semigor; 18.01.2005 в 12:35.

Страница 2 из 2 Первая 12

Социальные закладки

Социальные закладки

Ваши права

  • Вы не можете создавать новые темы
  • Вы не можете отвечать в темах
  • Вы не можете прикреплять вложения
  • Вы не можете редактировать свои сообщения
  •