Страница 2 из 2 Первая 12
Показано с 21 по 21 из 21

Тема: Индикатор уровня на ИН-13. Как лучше сделать?

  1. #1 Показать/скрыть первое сообщение.
    Частый гость
    Автор темы
    Аватар для radio-technics
    Регистрация
    07.10.2017
    Адрес
    Москва
    Сообщений
    474

    По умолчанию Индикатор уровня на ИН-13. Как лучше сделать?

    Всем привет!

    Строю усилитель и очень хочется в него внедрить индикатор уровня на ИН-13.

    Усилитель высококачественный, с максимально короткими входными проводами (регулятор громкости стоит непосредственно у терминалов RCA). А индикатор на ИН13 соответственно будет стоять на передней панели. Значит к нему нужно тянуть через весь корпус сигнальные провода.

    Вопрос: это как-то повлияет на звук в теории? Длина этого провода получится 30-40см.

    Нажмите на изображение для увеличения. 

Название:	Безымянный.jpg 
Просмотров:	206 
Размер:	68.5 Кб 
ID:	412374 Нажмите на изображение для увеличения. 

Название:	26575429.jpg 
Просмотров:	589 
Размер:	386.5 Кб 
ID:	412375

  2. #21
    Завсегдатай
    Регистрация
    20.04.2016
    Адрес
    Minsk
    Возраст
    22
    Сообщений
    5,588

    По умолчанию Re: Индикатор уровня на ИН-13. Как лучше сделать?

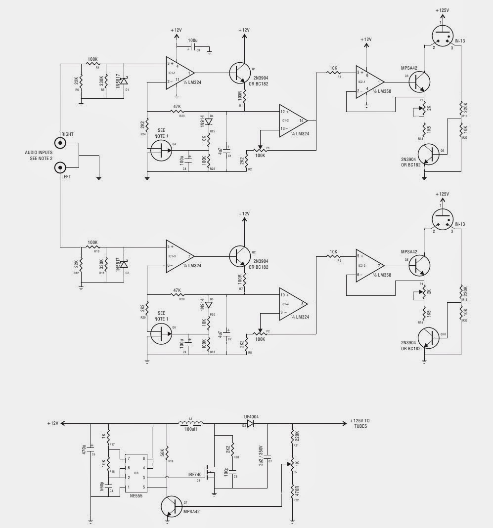
    Транзисторы Q9, Q10 в этой схеме - это альтернатива полному зажиганию индикатора при включении питания?

    Нажмите на изображение для увеличения. 

Название:	shem.jpg 
Просмотров:	222 
Размер:	91.9 Кб 
ID:	415848

Страница 2 из 2 Первая 12

Социальные закладки

Социальные закладки

Ваши права

  • Вы не можете создавать новые темы
  • Вы не можете отвечать в темах
  • Вы не можете прикреплять вложения
  • Вы не можете редактировать свои сообщения
  •