Страница 2 из 2 Первая 12
Показано с 21 по 35 из 35

Тема: Усилитель для наушников. Внезапно

  1. #1 Показать/скрыть первое сообщение.
    Старый знакомый
    Автор темы
    Аватар для Konstantin Kuzmenko
    Регистрация
    21.06.2006
    Адрес
    Ukraine
    Возраст
    49
    Сообщений
    697

    Идея! Усилитель для наушников. Внезапно

    Выдумываем велосипед. Очередной.
    Тут вот что подумалось.. ведь у той же TDA7265 ток покоя примерно 50-60 мА на канал (стерео ИС). Этим можно воспользоваться, получив класс-А усилитель для наушников с типовым сопротивление 32+ Ом (99,9% продаваемых ныне моделей). На разумной громкости (10-50 мВт) точно будет держаться в классе-А.
    Кто что думает об этом?
    Никаких схем не привожу, гуглите даташит.

    PS у той же LM1876 (тоже стерео ИС) ток покоя поменьше, хуже подходит

  2. #21
    Частый гость Аватар для jn79
    Регистрация
    24.04.2006
    Адрес
    Омская обл.
    Сообщений
    209

    По умолчанию Re: Усилитель для наушников. Внезапно

    .Васильев, можно выкладывать в .lay ... одобряем
    какие диоды использовали, конденсаторы ?

  3. #22
    Частый гость Аватар для VR.j
    Регистрация
    27.12.2012
    Адрес
    Сочи
    Сообщений
    114

    По умолчанию Re: Усилитель для наушников. Внезапно


    Offтопик:
    Видеообзор Внутренности лампового наушникового уся. Может не в тему - а может и пригодится

    http://www.youtube.com/watch?v=rLfL2...layer_embedded
    Последний раз редактировалось VR.j; 13.11.2013 в 19:18.

  4. #23
    Завсегдатай
    Регистрация
    20.04.2008
    Адрес
    Украина. Одесса.
    Сообщений
    2,096

    По умолчанию Re: Усилитель для наушников. Внезапно

    Цитата Сообщение от sael83 Посмотреть сообщение
    Кому нужно, могу плату скинуть.
    А можно мне плату? vodoley_1@pochta.ru Спасибо заранее...

  5. #24
    Завсегдатай Аватар для .Васильев
    Регистрация
    04.04.2007
    Адрес
    новгородская обл Пестово на Мологе
    Сообщений
    10,818

    По умолчанию Re: Усилитель для наушников. Внезапно

    Цитата Сообщение от jn79 Посмотреть сообщение
    .Васильев, можно выкладывать в .lay ... одобряем
    какие диоды использовали, конденсаторы ?
    Где то примерно так.Верхний слой не травится,отверствия.неимеющие контакта с верхним слоем зенкуюися сверлом 3мм . После лужения , зенковки и пропайки межслойных переходов плату можно покрыть зеленым акриловым слоем из автомагазина .И потом монтировать детали.
    Вложения Вложения
    С уважением Максим.

  6. #25
    Частый гость Аватар для jn79
    Регистрация
    24.04.2006
    Адрес
    Омская обл.
    Сообщений
    209

    По умолчанию Re: Усилитель для наушников. Внезапно

    Спасибо за плату
    а схему с номиналами и фото готовой платы/устройства ?

  7. #26
    Завсегдатай Аватар для .Васильев
    Регистрация
    04.04.2007
    Адрес
    новгородская обл Пестово на Мологе
    Сообщений
    10,818

    По умолчанию Re: Усилитель для наушников. Внезапно

    Цитата Сообщение от jn79 Посмотреть сообщение
    Спасибо за плату
    а схему с номиналами и фото готовой платы/устройства ?
    А это я пацанам рисовал плату для домашнего изготовления.Чисто ради спортивного антиресу.
    Плата даташитная .Добавлен резистор и конденсатор фнч на входе.Ориентировочно 1ком и 500-1000пф.Элементы цобеля и катушка с резистором LR фильтра на плате защиты.Можно использовать бриговскую защиту.
    С уважением Максим.

  8. #27
    Старый знакомый
    Автор темы
    Аватар для Konstantin Kuzmenko
    Регистрация
    21.06.2006
    Адрес
    Ukraine
    Возраст
    49
    Сообщений
    697

    По умолчанию Re: Усилитель для наушников. Внезапно

    Собрал на TDA7265 наконец-то в корпусе Звук радует, идея явно не тупиковая и главное - легкодостижимый результат. На импульсном БП звучит ЛУЧШЕ чем на трансформаторном. И на минимально допустимом напряжении (12В сммарно) звучит лучше чем на суммарном 20-25В. Явно какой-то бок в разводке ноги "stand by", казалось уж где невозможно ошибиться - а поди ж ты! Пока выяснял что там со стендбаем и слушал конструкцию - спалил блок питания Китайское г**но хватило на полчаса прослушки. Зато как играло!
    Параллельно попробовал TDA2822 оригинал ST. Отстой я вам скажу! 24 Ом нагрузку тянет как интегрированый на мать кодек, даже чуть хуже (смысл в таком "усилителе" ?). Какие-то непонятные щелчки 1-2Гц (возбуд по субНЧ?).
    В общем, к чему я пришел: виртуальная земля не нужна. Однополярное питание и разделительные конденсаторы - то что надо! И что-нить попроще надо, в ТО-220-5 кузове (TDA2030, TDA2050, LM1875). Была у меня где-то поделка такая, найду - стряхну пыль и расскажу как оно. Кстати, для TDA2030 вроде нельзя делать сильно маленький Ку - может возбуд пойти. Вот и проверим

  9. #28
    Старый знакомый Аватар для MiSol62
    Регистрация
    03.09.2009
    Адрес
    Россия.Москва.
    Сообщений
    904

    По умолчанию Re: Усилитель для наушников. Внезапно

    Цитата Сообщение от Konstantin Kuzmenko Посмотреть сообщение
    Собрал на TDA7265 наконец-то...
    ...а схемка отличается чем-нибудь от даташита?

  10. #29
    PaX PALANTiRA Аватар для EDDiE
    Регистрация
    13.02.2006
    Адрес
    GAZ-A-LAGO
    Сообщений
    13,250

    По умолчанию Re: Усилитель для наушников. Внезапно

    Цитата Сообщение от Konstantin Kuzmenko Посмотреть сообщение
    Собрал на TDA7265 наконец-то в корпусе Пока выяснял что там со стендбаем и слушал конструкцию - спалил блок питания Китайское г**но хватило на полчаса прослушки. Зато как играло!
    Я так и не понял - TDA7265 целая осталась?

  11. #30
    Старый знакомый
    Автор темы
    Аватар для Konstantin Kuzmenko
    Регистрация
    21.06.2006
    Адрес
    Ukraine
    Возраст
    49
    Сообщений
    697

    По умолчанию Re: Усилитель для наушников. Внезапно

    Целая. Там в даташите эти засранцы из ST бяку сделали - указали уровни Vstdby относительно +Uпит, причем заметил я эту фигню только когда очень присмотрелся.. Я уж не помню как я стендбай реализовал, возможно в этом и был косяк. Но ведь работало!
    Как бы там ни было, я не остановился на достигнутом и попробовал еще TDA2004 в упрощенном включении - без вольтдобавки (т.е. соотв. ноги замкнуты на питание). Ессно, проиграл в размахе на выходе (а кого это волнует на наушниках?) но зато выиграл в детальности на малой громкости.
    При питании 12В для TDA2004 и наушниками в виде нагрузки радиатор не требуется. ООС сделал более глубокую - уменьшил Ку со 100 до 10 - ничего не завелось и не сгорело
    Вцелом неплохо получилось, счас пока так и оставил.
    Схему приводить смысла не вижу, см. референс TDA2004. Элементы ООС = 100 Ом, 10 Ом, 100 мкФ. На выходе после разделительных 1000 мкФ стоит резистивный делитель 100 Ом/50 Ом или около того (напомню, наушники у меня счас низкоомные - 24 Ом).

  12. #31
    PaX PALANTiRA Аватар для EDDiE
    Регистрация
    13.02.2006
    Адрес
    GAZ-A-LAGO
    Сообщений
    13,250

    По умолчанию Re: Усилитель для наушников. Внезапно

    Цитата Сообщение от Konstantin Kuzmenko Посмотреть сообщение
    наушники у меня счас низкоомные - 24 Ом).
    Для таких наушников есть схема Nicka (S-Audio) на LT1210 http://www.stalker-lab.ru/forum/showthread.php?t=1225

  13. #32
    Старый знакомый
    Автор темы
    Аватар для Konstantin Kuzmenko
    Регистрация
    21.06.2006
    Адрес
    Ukraine
    Возраст
    49
    Сообщений
    697

    По умолчанию Re: Усилитель для наушников. Внезапно

    EDDiE, давать ссылки на какой-то сталкер.ру (который для просмотра аттачей требует регистрации) - по меньшей мере некрасиво. Да и нафиг оно надо?! TDA2004 - "автомобильный" SE с номинальной нагрузкой от 2 Ом и выше. Думаю, с 24 Ом наушниками как-то справится
    Кроме того:
    1) цена
    2) необходимость где-то найти и купить LT1210 (продаваны на рынке 100% скажут "а что это?")
    3) pcb делать, а тут готовой воспользовался

  14. #33

    По умолчанию Re: Усилитель для наушников. Внезапно

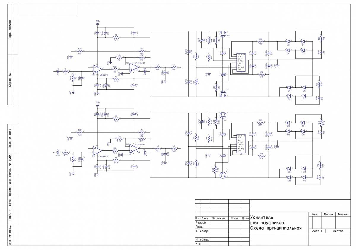
    На LT1210 есть вариант такой ПП ушника. http://forum.cxem.net/index.php?showtopic=134151
    Миниатюры Миниатюры Нажмите на изображение для увеличения. 

Название:	headamp.jpg 
Просмотров:	803 
Размер:	93.7 Кб 
ID:	202405  

  15. #34
    Старый знакомый
    Автор темы
    Аватар для Konstantin Kuzmenko
    Регистрация
    21.06.2006
    Адрес
    Ukraine
    Возраст
    49
    Сообщений
    697

    По умолчанию Re: Усилитель для наушников. Внезапно

    Кто что думает о таком..? Насколько я понимаю, сдесь была попытка вывести оконечный транзистор в режим с постоянными Iк и Vкэ. А там где ничего не меняется,- ничего и не искажается Копирайты не указываю - все есть на рисунке. На номиналы внимание не обращайте - это концепт с опечатками.
    Нажмите на изображение для увеличения. 

Название:	headamp_classa_6v.jpg 
Просмотров:	806 
Размер:	53.0 Кб 
ID:	204786
    Что-то похожее предлагал MikeB на diyaudio
    Нажмите на изображение для увеличения. 

Название:	MikeB Buffer 1.png 
Просмотров:	758 
Размер:	19.6 Кб 
ID:	204787
    т.е. убивается наповал эффект Эрли, но для входного (он же предвыходной) транзистора.

    ---------- Сообщение добавлено 21:04 ---------- Предыдущее сообщение было 20:40 ----------

    Чуток подчистил для лучшего восприятия
    Нажмите на изображение для увеличения. 

Название:	headamp_classa_6v_c copy.gif 
Просмотров:	761 
Размер:	9.8 Кб 
ID:	204794

  16. #35
    Завсегдатай Аватар для fakel
    Регистрация
    30.11.2007
    Адрес
    Оренбург
    Возраст
    42
    Сообщений
    11,267

    По умолчанию Re: Усилитель для наушников. Внезапно

    И миллер и вх емкость. И ошибка базового тока выходников

Страница 2 из 2 Первая 12

Социальные закладки

Социальные закладки

Ваши права

  • Вы не можете создавать новые темы
  • Вы не можете отвечать в темах
  • Вы не можете прикреплять вложения
  • Вы не можете редактировать свои сообщения
  •