Приветствую!
Раньше помоему тут небыло темы в которой обсуждались бы только ИБП и преобразователи напряжения.
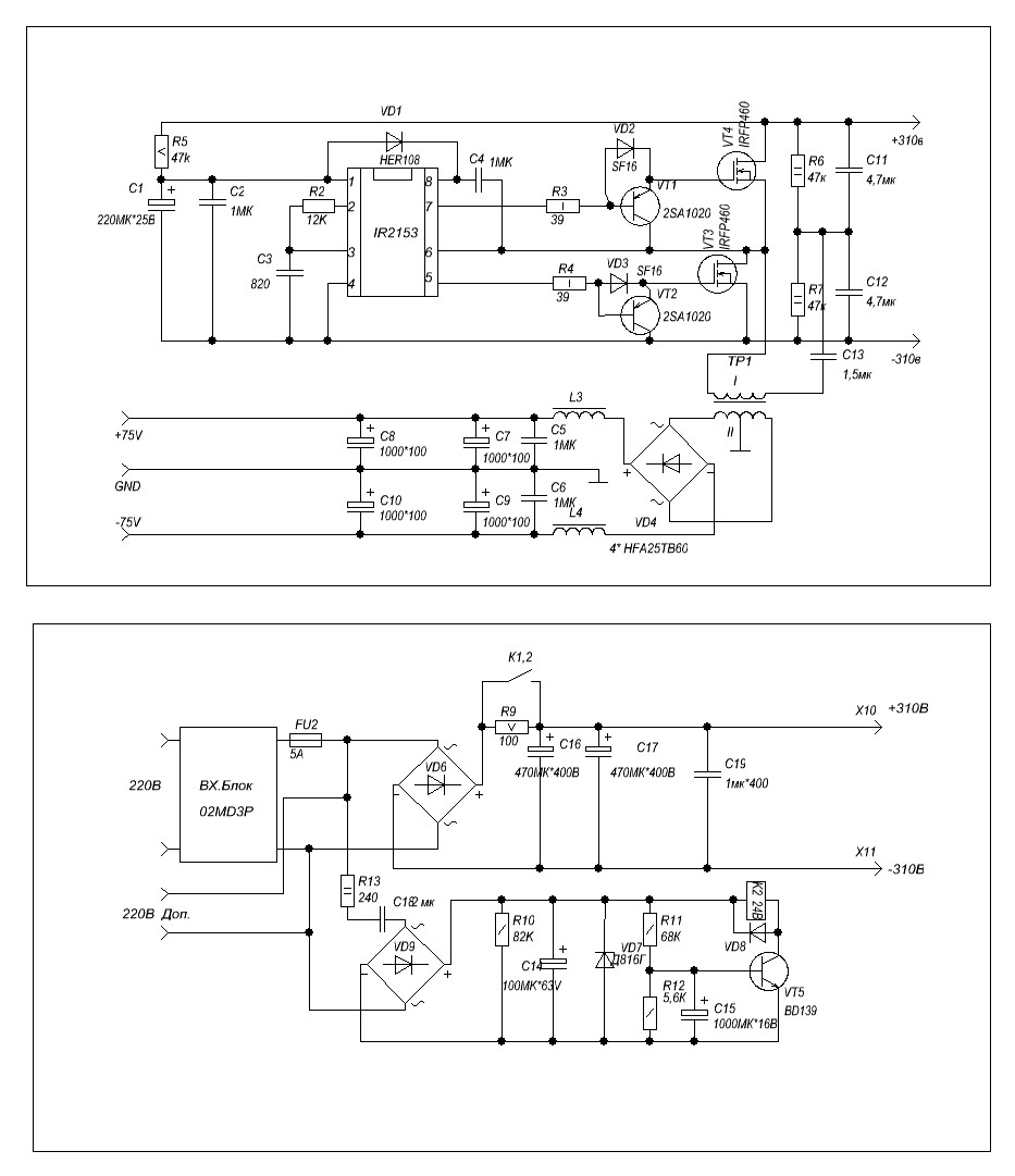
Щас меня интересует эта схема полумостового ИБП
Приветствую!
Раньше помоему тут небыло темы в которой обсуждались бы только ИБП и преобразователи напряжения.
Щас меня интересует эта схема полумостового ИБП
Последний раз редактировалось лысый; 09.03.2007 в 19:59.
Хорошая сборка, только напряжение маленькое. А по сути вопроса - на какую частоту переключений ты это прикидываешь? 70-50 кгц для полевиков реально, выше сложнее, но там биполяры в теме. Может я заблуждаюсь? И где-то я уже подобное читал...
Алекс, в изготовлении я новичок. Значит, моя идея с выбросом резисторов - крамольная, все-таки нужно ограничить время заряда и разряда. Но в форуме я встречал, что разряд должен быть активнее заряда, это так?
---------- Добавлено в 20:12 ---------- Предыдущее сообщение в 20:09 ----------
Александр, да, частота 45 кГц, уже ШИМ на нее настроен. Напряжения достаточно для драйвера. В драйвере, как правило, не более 10 Вольт управление.
Всегда проблема быстро закрыть переход полевика, т.е. разрядить емкость затвора. Выход только один - создание отрицательного сопротивления в момент разряда - т.е закрывать обратным импульсом (обратной полярности) при этом получить на сток-исток выброс с амплитудой в два и более раза больше питания, с которым надо бороться...
Александр, про отрицательное напряжение я знаю, что лучше, но городить дополнительный минус - трудоемко, на форуме реальных схем не встречал с минусом. На счет выброса сток-исток - не понял ,по-моему все как раз борются с паразитными выбросами.
Парни, ответьте пожалуйста кто нибудь на пост 3791 ! Очень надо .
Alex, меня гложут сомнения... На форуме ты давно, по твоим сообщениям ясно, что и на работе ты ты занимаешься импульсниками, а все выдаешь себя за новичка! Как это понять?
Нет, я там исправил на просто Alex
Понял, спасибо ! Уже переношу,только не понятно насчёт реле, на схемах которые я видел , оно после моста перед ёмкостями.
Последний раз редактировалось spiridonoff; 16.05.2010 в 21:58.
"Замполит, чайку?"(с)"Охота за Красным Октябрем".
"Да мне-то что, меняйтесь!"(с)анек.
<-- http://altor1.narod.ru --> Вопросы - в личку, е-мейл, скайп.
Alex, а на мой последний вопрос ты так и не ответил.
"Замполит, чайку?"(с)"Охота за Красным Октябрем".
"Да мне-то что, меняйтесь!"(с)анек.
<-- http://altor1.narod.ru --> Вопросы - в личку, е-мейл, скайп.
Вот развёл пока плату драйвера, проверьте пожалуйста кто нибудь на грубые косяки. Хотя компоновка получилась как на схеме, но...
![]()
Последний раз редактировалось spiridonoff; 17.05.2010 в 02:19.
Offтопик:
Может правильно не "Л_Е_Дима", а например "Леди_ма"?
Offтопик:
"вырастет - само определится" (ц) анекдот
Социальные закладки