Страница 151 из 546 Первая ... 141149150151152153161 ... Последняя
Показано с 3,001 по 3,020 из 10911

Тема: Импульсные источники питания и преобразователи.

  1. #1 Показать/скрыть первое сообщение.
    Регистрация не подтверждена
    Автор темы
    Аватар для TDA
    Регистрация
    30.10.2004
    Адрес
    Люберцы
    Возраст
    40
    Сообщений
    1,190

    По умолчанию Импульсные источники питания и преобразователи.

    Приветствую!
    Раньше помоему тут небыло темы в которой обсуждались бы только ИБП и преобразователи напряжения.
    Щас меня интересует эта схема полумостового ИБП
    Последний раз редактировалось лысый; 09.03.2007 в 19:59.

  2. #3001
    Частый гость Аватар для rw4pir
    Регистрация
    25.09.2009
    Адрес
    Альметьевск
    Возраст
    35
    Сообщений
    250

    По умолчанию Re: Импульсные источники питания и преобразователи.

    vitttali,
    слушай вот эта схема https://forum.vegalab.ru/showpost.ph...&postcount=788
    она мне приглянулась, я её соберу для холтона, но тут ещё вопросик как её переделать на бп мощность которого будет в районе 2х киловат

  3. #3002
    Новичок
    Регистрация
    13.07.2009
    Адрес
    Кишинев
    Возраст
    51
    Сообщений
    52

    По умолчанию Re: Импульсные источники питания и преобразователи.

    rw4pir,эта одна из схем, которую я беру за основу для своего проекта, только не на такую мощность-это будет не просто
    ну если ты уже окончательно определился -ищи подходящий ферритовый сердечник для начала , а вообще то лучше рассмотри вопрос сборки два бп по одному кило-правильней будет для звука однозначно и надежней в эксплуатации усилителя Что касается данной схемы -то я бы изменил схему питания ши-контроллера и драйвера .Лично у меня будет несколько другая схема стабилизации выходного напряга -обратная связь с +55 В и через опторазвязку.Просмотри ветку примерно с 100 го поста там есть информация которая поможет уменьшить ошибки и в печатке и в самой схеме , а в том что они будут можешь не сомневаться

  4. #3003
    Частый гость Аватар для rw4pir
    Регистрация
    25.09.2009
    Адрес
    Альметьевск
    Возраст
    35
    Сообщений
    250

    По умолчанию Re: Импульсные источники питания и преобразователи.

    vitttali,
    спасибо за совет обязательно почитаю пост100
    мне бп 2 киловата надо на лампы напряжение будет 1000 вольт 8 ламп ток около 1,5 ампера будет

  5. #3004
    Новичок
    Регистрация
    13.07.2009
    Адрес
    Кишинев
    Возраст
    51
    Сообщений
    52

    По умолчанию Re: Импульсные источники питания и преобразователи.

    rw4pir, так еще не готова схема питателя для Холтона ,а ты уже питатель для ламп пытаешься лепить

  6. #3005
    Новичок
    Регистрация
    13.07.2009
    Адрес
    Кишинев
    Возраст
    51
    Сообщений
    52

    По умолчанию Re: Импульсные источники питания и преобразователи.

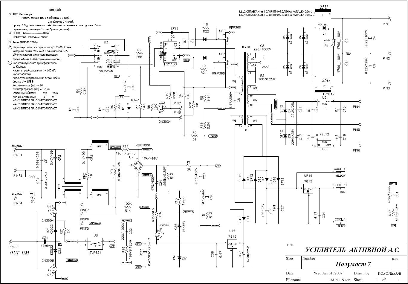
    пытай теперь авторов
    Миниатюры Миниатюры Нажмите на изображение для увеличения. 

Название:	2000.jpg 
Просмотров:	969 
Размер:	155.8 Кб 
ID:	65923  
    Вложения Вложения
    • Тип файла: pdf 3000.pdf (249.2 Кб, Просмотров: 454)
    • Тип файла: rar 2kW.rar (258.2 Кб, Просмотров: 455)

  7. #3006
    Частый гость Аватар для rw4pir
    Регистрация
    25.09.2009
    Адрес
    Альметьевск
    Возраст
    35
    Сообщений
    250

    По умолчанию Re: Импульсные источники питания и преобразователи.

    vitttali,
    да уж холтон проще раз в 10 это я собирать буду целую неделю

    Добавлено через 2 минуты
    vitttali,
    на лампах у меня собраный только анодное напряжение дать и все
    ток он не нч а дра радио передатчика сб диапазона на лампах гу 50

    Добавлено через 1 минуту
    чуть не забыл диодики нектоне посоветует на 2 а не менее 1500 вольт
    Последний раз редактировалось rw4pir; 26.10.2009 в 00:52. Причина: Добавлено сообщение

  8. #3007
    Частый гость Аватар для manowar
    Регистрация
    06.06.2005
    Адрес
    Мск/Сочи
    Возраст
    48
    Сообщений
    452

    По умолчанию Re: Импульсные источники питания и преобразователи.

    Цитата Сообщение от rw4pir Посмотреть сообщение
    диодики нектоне посоветует на 2 а не менее 1500 вольт
    шустрые небось нужны? набирай из "низковольтных"..
    хер308 3 шт последовательно?есть и покрепче,hfa06(8)tb120 ...
    зайди на сайт какого нить производителя,а лучше поставщика деталек и подбери по параметрам...

  9. #3008
    Частый гость Аватар для rw4pir
    Регистрация
    25.09.2009
    Адрес
    Альметьевск
    Возраст
    35
    Сообщений
    250

    По умолчанию Re: Импульсные источники питания и преобразователи.

    Цитата Сообщение от manowar Посмотреть сообщение
    шустрые небось нужны? набирай из "низковольтных"..
    хер308 3 шт последовательно?есть и покрепче,hfa06(8)tb120 ...
    зайди на сайт какого нить производителя,а лучше поставщика деталек и подбери по параметрам...
    ну кд213 можно было б набрать но не логично заавс тока какой
    а вот если паралельно и последовательно кд212 ими набрать они вроде да 100кгц и 200в 1а если не ошобаюсь

  10. #3009
    Частый гость Аватар для manowar
    Регистрация
    06.06.2005
    Адрес
    Мск/Сочи
    Возраст
    48
    Сообщений
    452

    По умолчанию Re: Импульсные источники питания и преобразователи.

    можно то оно можно,только гирлянды больше 3-х шт обычно не улыбаеться ваять.ничего что по напруге 1 кд213=6 hfa или 5 хер308?+не забываем выравнивающие резюки.
    и эта..учимся читать даташиты да такое искать самому уж,на гугле вроде не банят ещеда и магазины есть с подбором..ццц.платан.ру и сиди-выбирай себе наздоровье

  11. #3010
    Новичок
    Регистрация
    13.07.2009
    Адрес
    Кишинев
    Возраст
    51
    Сообщений
    52

    По умолчанию Re: Импульсные источники питания и преобразователи.

    rw4pir,
    [QUOTE]да уж холтон проще раз в 10 это я собирать буду целую неделю [QUOTE] -
    а через неделю будет фейерверк в честь Холтона?

  12. #3011
    Старый знакомый
    Регистрация
    22.02.2007
    Адрес
    Россия, ЛНР
    Возраст
    50
    Сообщений
    614

    По умолчанию Re: Импульсные источники питания и преобразователи.

    Цитата Сообщение от vitttali Посмотреть сообщение
    пытай теперь авторов
    Первая схема - автор Корольков. Схема рабочая. Собирал. Работает в Холтоне с 2 этажами питания - +-45 +-90.

    Вторая - Блок питания усилка фирмы QSC. Тоже собирал.

    Третья - творение ИНТЕРЛАВКИ.

  13. #3012
    Частый гость Аватар для rw4pir
    Регистрация
    25.09.2009
    Адрес
    Альметьевск
    Возраст
    35
    Сообщений
    250

    По умолчанию Re: Импульсные источники питания и преобразователи.

    manowar, приходится обычно выбирать не из того что надо , из того что есть

  14. #3013
    Частый гость Аватар для manowar
    Регистрация
    06.06.2005
    Адрес
    Мск/Сочи
    Возраст
    48
    Сообщений
    452

    По умолчанию Re: Импульсные источники питания и преобразователи.


    Offтопик:
    rw4pir, тебе решать.но имха лучше было б
    заказать почтой мешок хер308 или то что нужно(у многих инетмагазинов есть доставка почтой).

  15. #3014
    Частый гость Аватар для rw4pir
    Регистрация
    25.09.2009
    Адрес
    Альметьевск
    Возраст
    35
    Сообщений
    250

    По умолчанию Re: Импульсные источники питания и преобразователи.

    manowar,
    заказать я могу но денег пока нету

  16. #3015
    Новичок
    Регистрация
    13.07.2009
    Адрес
    Кишинев
    Возраст
    51
    Сообщений
    52

    По умолчанию Re: Импульсные источники питания и преобразователи.

    rw4pir, первым делом ищи транс из нужного тебе материала и расчетных данных по мощности, думаю, что все выше перечисленные схемы сделаны на ЭПКОСЕ .

  17. #3016
    Частый гость Аватар для rw4pir
    Регистрация
    25.09.2009
    Адрес
    Альметьевск
    Возраст
    35
    Сообщений
    250

    По умолчанию Re: Импульсные источники питания и преобразователи.

    vitttali,
    транс я куплю думаю дороже 200 руб не стоит

  18. #3017
    Старый знакомый
    Регистрация
    01.10.2006
    Адрес
    Беларусь г.Солигорск
    Возраст
    44
    Сообщений
    927

    По умолчанию Re: Импульсные источники питания и преобразователи.

    Добрый день. Объясните один момент. Имеются 2 одинаковых компьютерных АТХ БП. Но разница в том, что один из них при той же нагрузке греется значительно больше. И ладно бы просто транс и силовые транзисторы, так ведь и диодные зборки в низковльтной части.
    Ну с трансом и силовыми,боль-менее понятно. Китайцы недомотали транс, или ещё чего. А вот с диодами неочень. Ведь с них снимается та же нагрузка что и с другого БП. Те же токи, чего им больше греться?

  19. #3018
    Старый знакомый Аватар для strannicmd
    Регистрация
    28.04.2006
    Адрес
    Modena (I)
    Возраст
    62
    Сообщений
    903

    По умолчанию Re: Импульсные источники питания и преобразователи.

    Цитата Сообщение от Sheeck Посмотреть сообщение
    Те же токи, чего им больше греться?
    Проверь частоту, может она сильно различается...

  20. #3019
    Старый знакомый
    Регистрация
    01.10.2006
    Адрес
    Беларусь г.Солигорск
    Возраст
    44
    Сообщений
    927

    По умолчанию Re: Импульсные источники питания и преобразователи.

    Судя по обвязке TL494-й частота одинаковая. ТЛку менял, обвязку всю прозвонил. Всё соответствует номиналам.
    Вопрос не в этом. Вопрос почему диоды при той же нагрузке сильнее греются.

  21. #3020
    Новичок
    Регистрация
    13.07.2009
    Адрес
    Кишинев
    Возраст
    51
    Сообщений
    52

    По умолчанию Re: Импульсные источники питания и преобразователи.

    Sheeck,верить надо показаниям приборов

Страница 151 из 546 Первая ... 141149150151152153161 ... Последняя

Социальные закладки

Социальные закладки

Ваши права

  • Вы не можете создавать новые темы
  • Вы не можете отвечать в темах
  • Вы не можете прикреплять вложения
  • Вы не можете редактировать свои сообщения
  •