Страница 145 из 227 Первая ... 135143144145146147155 ... Последняя
Показано с 2,881 по 2,900 из 4525

Тема: Усилители на STK

  1. #1 Показать/скрыть первое сообщение.
    https://dzen.ru/sivolobov
    Автор темы
    Аватар для Black_Panther
    Регистрация
    07.06.2004
    Адрес
    Москва, Бибирево.
    Возраст
    46
    Сообщений
    2,397

    По умолчанию Усилители на STK

    В данной теме будем обсуждать все, что связано с STK.

    Для начала вводная - это не микросхема, это гибридная интегральная схема. Толстоплёночная. Конских размеров.

    Since 1970, SANYO has offered the STK series of IMST hybrid ICs for audio power amplifiers onto the market, and the reliability and performance of these ICs have won a high market share for the company.

    Снятые с производства ИМС можно посмотреть тут:
    alldatasheet.com

    Официально STK производились Sanyo, есть непроверенные лично мной источники, уверяющие, что их также выпускала SanKen. STK серия с надписями Technics, Yamaha, Kenwood, Strasser, Ulvac и прочих брендов - это тоже Sanyo, но OEM.

    В данный момент Sanyo Semiconductors перешла под крыло Panasonic, затем последняя отфутболила всё это к ONSEMI, которой выпускаются самые свежие серии: 433-ххх (стерео и многоканальные) и 404-ххх (моно).


    Возьмите за правило: сначала почитали эту ветку, хотя бы первый пост, потом побежали покупать какую-либо STK. В противном случае велик риск нарваться на новодел (неоригинал) или махровую подделку, особенно если покупаете старые популярные серии ИМС, снятые с производства!
    Проектировать новое устройство на ИМС 3-значных, 4-значных и заказных серий можно только в том случае, если на руках уже имеется заведомо работоспособный оригинал.


    И еще: без фото или возможности повертеть в руках при заказе через интернет или по телефону рискуете купить подделку. Не уверены полностью в оригинальности - не покупайте, откажитесь, если нету фото - попросите сказать что написано в верхнем правом углу морды и нет ли яркой однотонной "зелени" в щели между выводов и какого цвета спинка и цвет надписи на ней.

    Как различать оригинал , новодел и подделку:
    Вкратце: ярко-синяя или ярко-зеленая надпись на спинке и серия на морде имеет буквы ET = НЕ БРАТЬ!

    В щели между выводов видно ДВА цвета: плата и маска. Подложка приклеена к радиатору ровно и надписи на подложке (спинка микры) не яркие. Могут быть как бы стершиеся или недопечатанные. Это нормально.
    Щель - это пространство откуда
    ноги (выводы) растут где видно крепление начала выводов к плате интегральной схемы. У старых серий эта щель может быть залита компаундом, похожим на стекло. По ссылке ниже - то самое место:
    https://forum.vegalab.ru/attachment....7&d=1266525585


    Видите текстуру корпуса? Блики, шероховатости - у оригиналов обычно есть.
    https://forum.vegalab.ru/attachment....2&d=1266525017

    Вот такая надпись сзади, как бы стершаяся местами:

    https://forum.vegalab.ru/attachment....3&d=1266525026


    В щели видно сплошную яркую зелень, серия написана с ЕТ: 0AET, 5BET, 2GET, 2LET и т.п., надписи на спинке яркие или легко стираются - АХТУНГ! Перед нами - новодел - неоригинал. Скажем так - работать в номинальном режиме оно будет (50\50, лотерея), звучание же, как у оригинала совершенно не гарантируется.

    Однотонный маслянисто-чёрный цвет морды и яркая синяя надпись на спинке - подделка.


    Как опознать конкретный лютый махровый винтаж:

    https://forum.vegalab.ru/attachment....6&d=1266524167
    Смотрите на STK043.

    https://forum.vegalab.ru/attachment....0&d=1266526095

    Надписи нанесены краской, которую легко смыть или соскрести даже ногтем. Корпус обычно черного маслянистого цвета, как уголь, шероховатый.


    Огромная подборка материалов, включающая информацию о местах приобретения, отличий оригиналов от подделок,редких и "заказных" ОЕМ-ИМС STK серии, фото, ссылки на даташиты и рисунки плат находится в этой ветке, если не полениться ее прочесть.Тут есть 99% ответов на вопросы по STK.

    На сегодняшний момент можно использовать современные серии:

    Одноканальная: STK404-xxx (404-050, 404-070, 404-090, 404-100, 404-120, 404-130, 404-140).
    Двухканальные и многоканальные: STK433-xxx. Подделок не встречал, сведений о таковых нет.
    Важно! 433 серия в непривычном сером корпусе с выштамповкой и надписью Sanyo, вот такая:

    https://forum.vegalab.ru/attachment....4&d=1266525129

    (ширина корпуса и количество ножек варьируется!)

    По статистике, исходя из наблюдения оптимальное соотношение стоимость\мощность согласно efind.ru и прайсам Митинского радиорынка имеют STK404-130, STK404-140
    Введите в строке поиска STK404 и найдете ее фото внутри и снаружи, где купить платы под нее и ее саму,рисунки плат, особенности и обсуждение.
    Также можно купить, по крайней мере, в Москве, самую мощную на данный момент ИМС из линейки 404-ххх: STK404-140. Она продается (напишу позже, забыл номер места), это находится на Митинском радиорынке. Там же можно купить и 404-130. 404-130 также есть на Митинском радиорынке в www.winner-s.ru ,побродив хорошо по рынку можете хоть всю коллекцию 404 серии собрать и сидеть на нее любоваться.

    Если радиорынок или Москва от Вас далеко, поищите, где купить STK вот на этом ресурсе:
    www.efind.ru


    Кроме того, вот список официальных дистрибьюторов On Semiconductors:
    http://www.onsemi.ru.com/PowerSolutions/locateSalesSupport.do

    даташиты на 404 и 433 серию на сайте On Semiconductors:

    http://www.onsemi.ru.com/PowerSolutions/search.do?query=stk4&tabbed=Y&clearFilters=Y&searchType=others&perPage=100

    Прикрепляю файлы:
    Статья по сборке уся на серии 41хх...42хх - stereo18.rar
    Указаны нюансы, как подпаивать регулятор, немного про земли и источник питания и прочее.

    Добавляю старый материал "В питании - сила!" с источником питания для усилителей.

    Эволюция плат моей разработки:

    (в ближайшее время, со схемами и рисунками)

    Все коммерческие вопросы строго в личку.

    апдейт дополню скоро: где купить в Москве 404 и 433 серии выгодней и заведомо аутентичные. А также: причешу галерею, чтобы влезли рисунки плат и схемы с пояснениями.

    ДА, 404-140 В МОСКВЕ НИГДЕ НЕТ В НАЛИЧИИ, САМ ИЩУ.
    Миниатюры Миниатюры Нажмите на изображение для увеличения. 

Название:	STK043 and STK404-070.JPG 
Просмотров:	25533 
Размер:	48.9 Кб 
ID:	77326   Нажмите на изображение для увеличения. 

Название:	STK459_vintage_top.jpg 
Просмотров:	20454 
Размер:	547.3 Кб 
ID:	77332   Нажмите на изображение для увеличения. 

Название:	STK459_vintage_rear.jpg 
Просмотров:	19444 
Размер:	573.9 Кб 
ID:	77333   Нажмите на изображение для увеличения. 

Название:	STK433-070_original.JPG 
Просмотров:	21693 
Размер:	194.8 Кб 
ID:	77334  

    Нажмите на изображение для увеличения. 

Название:	STK1050_vintage_original.JPG 
Просмотров:	15017 
Размер:	263.2 Кб 
ID:	77335   Нажмите на изображение для увеличения. 

Название:	STK404-070_original_ TOP.JPG 
Просмотров:	21289 
Размер:	76.4 Кб 
ID:	77337   Нажмите на изображение для увеличения. 

Название:	STK404-070_original_ REAR.JPG 
Просмотров:	6393 
Размер:	107.5 Кб 
ID:	77338   Нажмите на изображение для увеличения. 

Название:	STK404-070_original_ inside.JPG 
Просмотров:	13328 
Размер:	240.7 Кб 
ID:	77339  

    Нажмите на изображение для увеличения. 

Название:	STK090 - древняя огромная лютая экзотика_естественно_оригинал.jpg 
Просмотров:	17615 
Размер:	56.5 Кб 
ID:	77340   Нажмите на изображение для увеличения. 

Название:	Чип и Дип отжёг_кстати_на фото_все_микры_оригиальные.JPG 
Просмотров:	7820 
Размер:	69.9 Кб 
ID:	77341   Нажмите на изображение для увеличения. 

Название:	STK4132_original.JPG 
Просмотров:	6460 
Размер:	490.1 Кб 
ID:	77342   Нажмите на изображение для увеличения. 

Название:	STK4152_original.JPG 
Просмотров:	17267 
Размер:	261.9 Кб 
ID:	77343  

    Нажмите на изображение для увеличения. 

Название:	STK4152-II_original_top and inside.jpg 
Просмотров:	12027 
Размер:	286.8 Кб 
ID:	77344   Нажмите на изображение для увеличения. 

Название:	Series_mark.jpg 
Просмотров:	8343 
Размер:	72.6 Кб 
ID:	77345  
    Вложения Вложения
    Последний раз редактировалось Black_Panther; 21.06.2016 в 01:58. Причина: Апдейты!
    Моя религия:
    Люблю комфортное, окрашенное приятное звучание.
    STK и дискрет.
    No IRF, no TDA, no class D\T\H.
    DC Servo - must die.
    Мостовой УНЧ - suxx.
    Трансформатора и радиатора много не бывает.
    Импульсные БП - от лукавого.
    За нулями в Кг не гонюсь.

  2. #2881
    Частый гость Аватар для Maxim_Sed
    Регистрация
    30.01.2009
    Адрес
    Северодонецк Луганская обл.
    Сообщений
    428

    По умолчанию Re: Усилители на STK

    Цитата Сообщение от hornet Посмотреть сообщение
    ... потом замерял напряжение в состоянии спокойствия да динамиках. Так на левый идет 10мВ а в правый 65 мВ! Так быть не должно.
    это напряжение смещения по выходу
    10 мВ - в пределах нормы
    65 мВ - да, многовато

    Цитата Сообщение от hornet Посмотреть сообщение
    ... померял сопротивление динамиков (когда ставил было одинаковое по 6,5-6,7 Ом на каждом, тобиш 8Ом-ники) на левом, тот что громче играл как и было 6,5 Ом, а на правом 7,8-8 Ом. Вот теперь думаю что не так, где может быть собака зарыта? динамики 35ГДН-1-8.
    динамики могут иметь различное сопротивление (в пределах допусков ессно)
    главное, чтобы их чувствительность не сильно различалась

    это можно проверить микрофоном (в идеале - калиброванным микрофоном)

  3. #2882
    Частый гость
    Регистрация
    22.10.2006
    Сообщений
    229

    По умолчанию Re: Усилители на STK

    Цитата Сообщение от hornet Посмотреть сообщение
    Все работает правда шумав многовато (без музики большой фон), потом через какокто время заметил что правый канал играет тише левого, что я не делал (думал трабл в тембер блоке или настройках баланса) не помогло, потом замерял напряжение в состоянии спокойствия да динамиках. Так на левый идет 10мВ а в правый 65 мВ!
    Фон однозначно от неправильной разводки земли в усилителе. Напряжения меряют не на динамиках, а на включенных вместо них эквивалентных сопротивлениях. И на вход надо подать одинаковый (один и тот же сигнал). Померьте напряжения на входах STK, если на входах одинаковые, а на выходе нет, то проблема в них.

  4. #2883
    Новичок
    Регистрация
    30.04.2015
    Сообщений
    9

    По умолчанию Re: Усилители на STK

    kolbasNIC - сейчас померяю напряжения на входах STK, как эквивалент динамиков использовал старые кирамические резисторы на 10 Вт.

    ---------- Сообщение добавлено 14.54 ---------- Предыдущее сообщение было 14.24 ----------

    kolbasNIC - на оба входа поступает 3мВ, я даже их местами менял на входе всеровно на левом 10-12 на правом 65-75 мВ

  5. #2884
    Новичок
    Регистрация
    30.04.2015
    Сообщений
    9

    По умолчанию Re: Усилители на STK

    В общем нашол у себя в загашнике еще 2 STK4172 ІІ, одну разобрал, вот внутрености. Нажмите на изображение для увеличения. 

Название:	175854.jpg 
Просмотров:	1015 
Размер:	133.7 Кб 
ID:	235740
    Оригинал, не?

  6. #2885
    Частый гость
    Регистрация
    22.10.2006
    Сообщений
    229

    По умолчанию Re: Усилители на STK

    Цитата Сообщение от hornet Посмотреть сообщение
    В общем нашол у себя в загашнике еще 2 STK4172 ІІ, одну разобрал, вот внутрености. Нажмите на изображение для увеличения. 

Название:	175854.jpg 
Просмотров:	1015 
Размер:	133.7 Кб 
ID:	235740
    Оригинал, не?
    Это 100% подделка. Увы.

  7. #2886
    Новичок
    Регистрация
    30.04.2015
    Сообщений
    9

    По умолчанию Re: Усилители на STK

    я уже понял =), из оригов у меня есть только 4181, снята со старого центра, вроде и две такие подделки, п
    Пдскажите плата пантера мк5 которые в архиве в первом посте у Уважаемого пантеры можно брать? как они себя зарекомендовали? И в плете питания мк2 разве не нужны шунтирующие кандеры?
    и еще один вопрос подскажите по поводу тембер блока с предуселителем

  8. #2887
    Частый гость
    Регистрация
    22.10.2006
    Сообщений
    229

    По умолчанию Re: Усилители на STK

    Цитата Сообщение от hornet Посмотреть сообщение
    я уже понял =), из оригов у меня есть только 4181, снята со старого центра, вроде и две такие подделки, п
    Пдскажите плата пантера мк5 которые в архиве в первом посте у Уважаемого пантеры можно брать? как они себя зарекомендовали? И в плете питания мк2 разве не нужны шунтирующие кандеры?
    и еще один вопрос подскажите по поводу тембер блока с предуселителем
    Дружок, я не топикстартер. Ничего не знаю про Пантер. И насчет "кандеров" я не смогу помочь. На мой взгляд, лучше было бы с русским языком подтянуться, чем пантерами баловаться:=)
    Так что придется достучаться до Black_Panther

  9. #2888
    Новичок
    Регистрация
    23.01.2011
    Адрес
    Братск
    Возраст
    64
    Сообщений
    18

    По умолчанию Re: Усилители на STK

    Доброго времени суток всем.

    Вопрос мой по раздельному питанию. В STK УН питается через резисторы номиналом 100R. Если питание на УН подается от отдельного стабилизатора нужны ли эти резисторы , и если нужны, не уменьшить ли их сопротивление ?
    Если топикстартер ответит ,то полагаю всем заинтересованным людям это будет полезно знать.

  10. #2889
    Частый гость
    Регистрация
    22.10.2006
    Сообщений
    229

    По умолчанию Re: Усилители на STK

    Цитата Сообщение от kanado Посмотреть сообщение
    Доброго времени суток всем.

    Вопрос мой по раздельному питанию. В STK УН питается через резисторы номиналом 100R. Если питание на УН подается от отдельного стабилизатора нужны ли эти резисторы , и если нужны, не уменьшить ли их сопротивление ?
    Если топикстартер ответит ,то полагаю всем заинтересованным людям это будет полезно знать.
    Этот резистор является элементом фильтра, если приглядитесь, там еще и электролит есть после него.
    При питании УН от отдельного стабилизированного источника, конечно никаких резисторов не нужно. Обычно ИП для УН должен быть стабилизированным с напряжением питания превышающим напряжение выходного каскада на несколько вольт. Все подробности надо искать в книжках по построению УНЧ. В книжках этот момент неоднократно и подробно разжеван. Только не спрашивайте меня в каких книжках, т.к. сейчас я читаю совсем другие книжки, а искать мне также лень как и Вам.
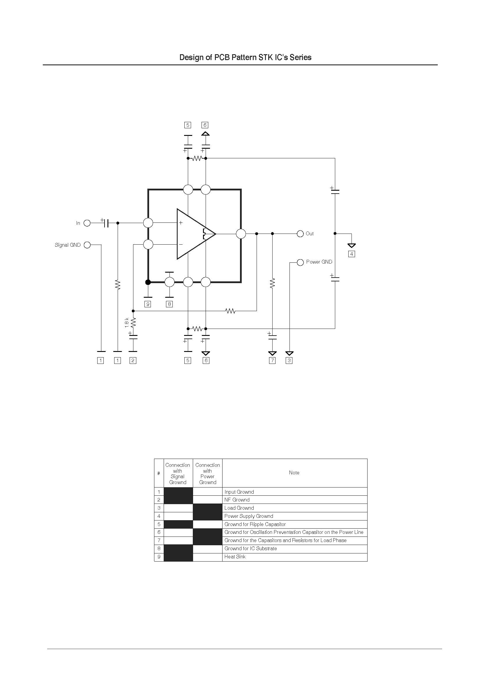
    Единственное от чего хочу предостеречь, это от неправильного подключения к общей точке, т.е. "земле". На этом кончаются проекты большинства новичков. Включат свое детище, услышат гул в колонках и энтузиазм моментально пропадает. Я уже выкладывал рекомендации от Sanyo по поводу подключения земли и питания к STK. Выкладываю еще раз:
    Нажмите на изображение для увеличения. 

Название:	STK GND.jpg 
Просмотров:	942 
Размер:	111.4 Кб 
ID:	237563
    И зачем, собственно, городить раздельное питание? Теоретически это "лучше", но уловить влияние раздельного питания на звук все равно не удастся. По крайней мере не на схеме с STK.

  11. #2890
    Частый гость Аватар для vadykaF
    Регистрация
    12.05.2010
    Адрес
    Новосибирск
    Сообщений
    470

    По умолчанию Re: Усилители на STK

    А что сигнальные и силовые земли никак не соединяются?

  12. #2891
    Частый гость
    Регистрация
    22.10.2006
    Сообщений
    229

    По умолчанию Re: Усилители на STK

    Цитата Сообщение от vadykaF Посмотреть сообщение
    А что сигнальные и силовые земли никак не соединяются?
    Обязательно соединяются, только в одной точке, которую не так просто выбрать.

  13. #2892
    Частый гость Аватар для vadykaF
    Регистрация
    12.05.2010
    Адрес
    Новосибирск
    Сообщений
    470

    По умолчанию Re: Усилители на STK

    Вот новичок посмотрит на эту схему без комментариев, и, не соединив эти самые земли между собой, спалит СТКшку

  14. #2893
    Частый гость
    Регистрация
    22.10.2006
    Сообщений
    229

    По умолчанию Re: Усилители на STK

    Цитата Сообщение от vadykaF Посмотреть сообщение
    Вот новичок посмотрит на эту схему без комментариев, и, не соединив эти самые земли между собой, спалит СТКшку
    И что тут такого? Задача новичков как раз и состоит в том, чтобы палить все подряд. СТКшки для этого просто идеальный вариант. Зато запомнит навсегда, что так неправильно. Педагогика! А некоторые после этого и в книжки заглянут. А те, которые не заглянут, отсеются. Естественный отбор.
    И надо привыкать, что в Интернете, как правило, готовых советов нет. Мало ли чего там дядя напишет. Дядя никакой ответственности за написанное не несет. Тем более, что все написанное правда. Только не вся...
    Последний раз редактировалось kolbasNIC; 23.05.2015 в 00:17.

  15. #2894
    Частый гость Аватар для And69
    Регистрация
    03.09.2013
    Адрес
    Магадан
    Возраст
    56
    Сообщений
    301

    По умолчанию Re: Усилители на STK

    Подделки без педагогики дохнут..Офф

  16. #2895
    Частый гость
    Регистрация
    22.10.2006
    Сообщений
    229

    По умолчанию Re: Усилители на STK

    Цитата Сообщение от And69 Посмотреть сообщение
    Подделки без педагогики дохнут..Офф
    Это да. Я где-то уже писал, что схемотехника подделок отличается от оригиналов. В подделках все подчинено одному принципу - дешевизне, поэтому используются самые дешевые транзисторы одной проводимости. Для этого китайцам приходится изменять схему и ни о каких режимах или качестве говорить тут не приходится, лишь бы как-то работало. Как правило, голимый режим В.
    Поэтому, прежде чем применять СТК, надо её сначала вскрыть и просто посмотреть, что внутри. Инструкция по вскрытию здесь есть. Подделки буквально ногтем открываются. А затем СТК закрываем и в зависимости от результата: подделки в помойку, а оригиналы в работу. Некоторые пытаются возвращать подделки продавцу. На замену или манибэк. По моему это не благородно, т.к. продавец всучит подделку кому-нибудь другому, а на замену у него есть только такие же подделки. Я обычно требовал возврата денег и нанесения контрафактному товару необратимых повреждений в присутствии продавца, угрожая оглаской самого факта торговли контрафактами в печати или интернет площадках. Возможно потому, что я покупал помногу, это проходило. Даже с китайцами. По скайпу перед камерой дробил молотком подделки, а деньги возвращали на счет. Но к таким актам надо серьезно готовиться, заранее договариваться с журналами, тщательно выбирать площадки для публикаций и т.п. Пару штук подделок проще в помойку выбросить.

  17. #2896
    Новичок
    Регистрация
    30.04.2015
    Сообщений
    9

    По умолчанию Re: Усилители на STK

    Рябята подскажите в какую сторну копать? Ситуация такая: собрал усиль по схеме Багира 5 и БП к ней по схеме поверст 2 (80к МкФ в плече, как и рекомендовалось) все собрал один в одни как написано. Звук получился исключилельно чистый и приятный как для этой микрухи (собрал на той китайской микрухе фото вилаживал выше). Но есть одна фигня которая мне спокойствия не даёт, когда сигнальный кабель полследенён к ПК и ПК включен все идеально, но как только стоит выключить пк или вытянуть кабель с гнезда начинается дикий шум и гул =(((((((((((((((((((((. Что может быть?

  18. #2897
    Частый гость Аватар для vadykaF
    Регистрация
    12.05.2010
    Адрес
    Новосибирск
    Сообщений
    470

    По умолчанию Re: Усилители на STK

    Плохой аудио-кабель. Возможно экран у кабеля в обрыве, либо напутали землю с сигнальным проводом при подключении

  19. #2898
    Новичок
    Регистрация
    30.04.2015
    Сообщений
    9

    По умолчанию Re: Усилители на STK

    вот еще заметил такую особенность, если усиль вкл раньше источника звука (пк, сд) то мега гул и непонятно еще какие звуки, как только вкл источник звука все ок, шум и игул пропадает и тишина идеальная, и если после вкл источника звука вытянуть сигнальный кабель все ок и гула и шума нет!
    ладно будем копать

  20. #2899
    Новичок
    Регистрация
    30.04.2015
    Сообщений
    9

    По умолчанию Re: Усилители на STK

    В общем после очередного эксперимента все погорело =((((((( да еще и знатно, предполагаю фон был из-за не заземленного корпуса унч. Корпус металлический, думаю он и наводки давал.

  21. #2900
    Новичок
    Регистрация
    22.10.2014
    Сообщений
    55

    По умолчанию Re: Усилители на STK

    Цитата Сообщение от hornet Посмотреть сообщение
    В общем после очередного эксперимента все погорело =((((((( да еще и знатно, предполагаю фон был из-за не заземленного корпуса унч. Корпус металлический, думаю он и наводки давал.
    Выгорело, скорее всего, по двум причинам:
    1. Первая и главная - китайщина грешит нестабильной работой и легко срывается в самовозбуждение. Отсюда и бабах ВК
    2. Плохо поработали с "землёй". Причём, как вы упомянули, металлический корпус не был связан с ней. При таких условиях даже фирменная может сорваться в самовозбуждение и, как следствие, бабах ВК.

Страница 145 из 227 Первая ... 135143144145146147155 ... Последняя

Социальные закладки

Социальные закладки

Ваши права

  • Вы не можете создавать новые темы
  • Вы не можете отвечать в темах
  • Вы не можете прикреплять вложения
  • Вы не можете редактировать свои сообщения
  •