Страница 135 из 546 Первая ... 125133134135136137145 ... Последняя
Показано с 2,681 по 2,700 из 10911

Тема: Импульсные источники питания и преобразователи.

  1. #1 Показать/скрыть первое сообщение.
    Регистрация не подтверждена
    Автор темы
    Аватар для TDA
    Регистрация
    30.10.2004
    Адрес
    Люберцы
    Возраст
    40
    Сообщений
    1,190

    По умолчанию Импульсные источники питания и преобразователи.

    Приветствую!
    Раньше помоему тут небыло темы в которой обсуждались бы только ИБП и преобразователи напряжения.
    Щас меня интересует эта схема полумостового ИБП
    Последний раз редактировалось лысый; 09.03.2007 в 19:59.

  2. #2681
    Завсегдатай Аватар для SAB 2
    Регистрация
    15.12.2008
    Адрес
    Арзамас
    Возраст
    42
    Сообщений
    1,412

    По умолчанию Re: Импульсные источники питания и преобразователи.

    Atheist, У меня этот БП работает совместно с 8924. Левые диоды на плате разверни, поставь все 4 на один радиатор. А чем печать ТДА не нравиться?
    DYK DAC v1.1; УМЗЧ "STALKER", "ПараФинн"; акустика - проф НЧ "MARK" DO82C18; СЧ 6ГДШ-5-8; ВЧ "НОЭМА" 25NH-03-8.

  3. #2682
    Частый гость
    Регистрация
    29.01.2009
    Адрес
    Липецк
    Возраст
    38
    Сообщений
    284

    По умолчанию Re: Импульсные источники питания и преобразователи.

    SAB 2,
    Мне просто нужно под размеры (продолгаватую плату), а у ТДА она квадратная
    Так как по поводу шума??? Есть???

  4. #2683
    Частый гость
    Регистрация
    18.05.2005
    Адрес
    Новосибирск
    Сообщений
    107

    По умолчанию Re: Импульсные источники питания и преобразователи.

    Люди-человеки..... подскажите пожалуйста програмку, которой трансформатор для обратноходового (Fly-Back) преобразователя можно расчитать. Хочу сделать БП на UC3843. На выходе напряжение/ток должны быть 54В/2,5А.
    Сердечник из компового БП, вроде как ETD 29/16/10. Частота преобразования 130кГц
    Если считаю сам - то получается что первичка должна быть 37 витков, вторичка 8 витков
    Если считаю программкой от Power Integrations - PIExpert, то первичка получается примерно такой же - 34 витка, а вторичка практически в два раза больше - 14 витков.
    В чем прикол-то?

  5. #2684
    Новичок
    Регистрация
    30.10.2008
    Сообщений
    6

    По умолчанию Re: Импульсные источники питания и преобразователи.

    Цитата Сообщение от FlashSighter Посмотреть сообщение
    Если считаю сам - то получается что первичка должна быть 37 витков, вторичка 8 витков
    Скорее всего считаете без коэффициента заполнения импульсов (где-то 0,5 при питающем Umin) для Fly-Back, PIExpert считает правильно.

  6. #2685
    Частый гость
    Регистрация
    18.05.2005
    Адрес
    Новосибирск
    Сообщений
    107

    По умолчанию Re: Импульсные источники питания и преобразователи.

    Цитата Сообщение от serbl Посмотреть сообщение
    Скорее всего считаете без коэффициента заполнения импульсов (где-то 0,5 при питающем Umin) для Fly-Back, PIExpert считает правильно.
    Первичку как раз так и считаю, с учтом коэф заполнения 0.5 для минимального напряжения питания. Она-то как раз совпадает с тем, что PIExpert насчитывает. Вторичку считаю как количество витков первички умноженное на коэффициент трансформации. (выходное напряжение/Umin). Тут еще надо на коэфф. заполнения делить?

  7. #2686
    Завсегдатай Аватар для SAB 2
    Регистрация
    15.12.2008
    Адрес
    Арзамас
    Возраст
    42
    Сообщений
    1,412

    По умолчанию Re: Импульсные источники питания и преобразователи.

    Цитата Сообщение от Atheist Посмотреть сообщение
    Так как по поводу шума??? Есть???
    Да нет вроде, правда она на саб качает, но на всю полосу сначала пробовал, нормально. А с каким усилом хочешь?
    DYK DAC v1.1; УМЗЧ "STALKER", "ПараФинн"; акустика - проф НЧ "MARK" DO82C18; СЧ 6ГДШ-5-8; ВЧ "НОЭМА" 25NH-03-8.

  8. #2687
    Частый гость
    Регистрация
    29.01.2009
    Адрес
    Липецк
    Возраст
    38
    Сообщений
    284

    По умолчанию Re: Импульсные источники питания и преобразователи.

    SAB 2,
    С усилом Алексея Королькова на 2104

    А вообще чего гадать, у меня уже есть собранный по печатке ТДА импульсник. В четверг диоды МУРы приедут, там и видно будет
    Если будет норма, то соберу по переделанной печатке

  9. #2688
    Частый гость
    Регистрация
    29.01.2009
    Адрес
    Липецк
    Возраст
    38
    Сообщений
    284

    Улыбка Re: Импульсные источники питания и преобразователи.

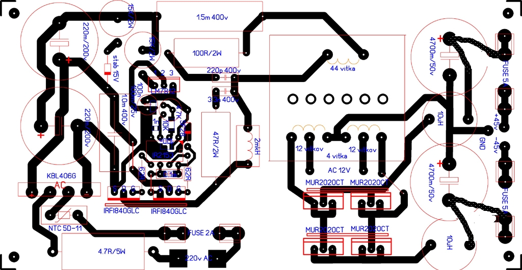
    Уважаемые Гуру!
    Укоротил длинные дороги к трансу.
    Получилось два варианта печатки.
    Какая на Ваш взгляд лучшая??? В какой будет меньше помех на выходе???
    Миниатюры Миниатюры Нажмите на изображение для увеличения. 

Название:	IR2153 my new.JPG 
Просмотров:	470 
Размер:	394.6 Кб 
ID:	47660   Нажмите на изображение для увеличения. 

Название:	IR2153 my new 2.JPG 
Просмотров:	474 
Размер:	395.8 Кб 
ID:	47661  

  10. #2689
    Новичок
    Регистрация
    30.10.2008
    Сообщений
    6

    По умолчанию Re: Импульсные источники питания и преобразователи.

    Цитата Сообщение от FlashSighter Посмотреть сообщение
    Тут еще надо на коэфф. заполнения делить?
    Вторичку и надо делить на 0,5. Ссылка на наглядный калькулятор:
    http://schmidt-walter.eit.h-da.de/sm...pw_smps_e.html
    Последний раз редактировалось serbl; 10.03.2009 в 23:23.

  11. #2690
    Новичок
    Регистрация
    30.10.2008
    Сообщений
    6

    По умолчанию Re: Импульсные источники питания и преобразователи.

    Цитата Сообщение от Atheist Посмотреть сообщение
    Какая на Ваш взгляд лучшая??? В какой будет меньше помех на выходе???
    Единственное пожелание по разводке конденсаторов выходного фильтра:
    Миниатюры Миниатюры Нажмите на изображение для увеличения. 

Название:	IR2153%20my%20new%202.JPG 
Просмотров:	399 
Размер:	352.1 Кб 
ID:	47674  

  12. #2691
    Частый гость
    Регистрация
    29.01.2009
    Адрес
    Липецк
    Возраст
    38
    Сообщений
    284

    По умолчанию Re: Импульсные источники питания и преобразователи.

    В связи с различными мнениями, совсем меня запутали
    Как будет правильней? В выходной части поставить после диодов сначала индуктивность, а потом конденсатор, или наоборот?

  13. #2692
    Регистрация не подтверждена Аватар для witali
    Регистрация
    21.02.2005
    Адрес
    Владимир
    Возраст
    49
    Сообщений
    880

    По умолчанию Re: Импульсные источники питания и преобразователи.

    Цитата Сообщение от Atheist Посмотреть сообщение
    В выходной части поставить после диодов сначала индуктивность

  14. #2693
    Завсегдатай Аватар для Станислафф
    Регистрация
    18.10.2007
    Адрес
    Тольятти
    Возраст
    47
    Сообщений
    1,661

    По умолчанию Re: Импульсные источники питания и преобразователи.

    Цитата Сообщение от Atheist Посмотреть сообщение
    В связи с различными мнениями, совсем меня запутали
    Как будет правильней? В выходной части поставить после диодов сначала индуктивность, а потом конденсатор, или наоборот?
    Сначала индуктивность, потом конденсатор.

    Почти офф-топ: у меня в импульсном зарядном случился пробой по поверхности платы - на расстоянии 5 мм 400 В (поленился залить лаком со стороны деталей). Правда это в гараже было, в декабре - конденсат выпал или иней.
    Это я к тому, что немного можно поправить разводку силовой части - не переделывать топологию, а просто увеличить зазоры.

  15. #2694
    Частый гость Аватар для FOLKSDOICH
    Регистрация
    01.01.2008
    Сообщений
    172

    По умолчанию Re: Импульсные источники питания и преобразователи.

    А про мой вариант печатки 2153 какие будут мнения, господа?
    Миниатюры Миниатюры Нажмите на изображение для увеличения. 

Название:	2153.JPG 
Просмотров:	464 
Размер:	300.0 Кб 
ID:	47703  

  16. #2695
    Частый гость
    Регистрация
    18.05.2005
    Адрес
    Новосибирск
    Сообщений
    107

    По умолчанию Re: Импульсные источники питания и преобразователи.

    Цитата Сообщение от serbl Посмотреть сообщение
    Вторичку и надо делить на 0,5. Ссылка на наглядный калькулятор:
    http://schmidt-walter.eit.h-da.de/sm...pw_smps_e.html
    Нда.... Сколько программ - столько и мнений.
    Эта прога первичку раза в 2 больше насчитывает, а отношение вторички к первичке получается еще меньше чем у меня...

  17. #2696
    Новичок
    Регистрация
    30.10.2008
    Сообщений
    6

    По умолчанию Re: Импульсные источники питания и преобразователи.

    Цитата Сообщение от FlashSighter Посмотреть сообщение
    Эта прога первичку раза в 2 больше насчитывает, а отношение вторички к первичке получается еще меньше чем у меня
    Эта прога считает с приличным запасом по индукции. Как-то тоже столкнулся для обратнохода с нестыковками в расчётах. В симуляторе работают оба варианта, собирал с бОльшей вторичкой. Делайте по PIExpert.

    Добавлено через 15 минут
    Цитата Сообщение от Atheist Посмотреть сообщение
    Как будет правильней? В выходной части поставить после диодов сначала индуктивность, а потом конденсатор, или наоборот?
    В моём пожелании по индуктивностям изменений нет. При разводке конденсаторов фильтра стараться чтобы ток шёл через последнии, а не в обход по дорожкам.
    Последний раз редактировалось serbl; 11.03.2009 в 14:38. Причина: Добавлено сообщение

  18. #2697
    Частый гость
    Регистрация
    18.05.2005
    Адрес
    Новосибирск
    Сообщений
    107

    По умолчанию Re: Импульсные источники питания и преобразователи.

    Цитата Сообщение от serbl Посмотреть сообщение
    собирал с бОльшей вторичкой. Делайте по PIExpert.
    А вы на какой микросхеме собирали? Я вот думаю, может в микросхемах ТОР какая-то специфика есть, из-за которой вторичку надо больше делать. Ну там например импульсы через раз идут или не прямоугольные они...
    Поигрался повнимательнее с он-лайн калькулятором, описание к нему почитал - разобрался где у меня несовпадалки были. В общем можно считать вопрос закрытым. Спасибо за помощь

  19. #2698

    По умолчанию Re: Импульсные источники питания и преобразователи.

    Доброе время суток.
    Пожалуйста подскажите на чем можно собрать импульсный источник питания
    на входе 3-6в (гальванический элемент или аккумулятор)
    на выходе +/-5в 100-200мА желательна хотя бы грубая стабилизация от снижения напряжения при разряде батареи
    Желательно на не дорогих и не дефицитных элементах.

  20. #2699
    Частый гость Аватар для kret74
    Регистрация
    03.01.2008
    Адрес
    Челябинск
    Сообщений
    268

    По умолчанию Re: Импульсные источники питания и преобразователи.

    Yura питающие напряжения маленькие, наверно на дискрете придётся делать если надо дёшево.

  21. #2700
    Частый гость Аватар для FOLKSDOICH
    Регистрация
    01.01.2008
    Сообщений
    172

    По умолчанию Re: Импульсные источники питания и преобразователи.

    Где-то пробегала подобная тема, то ли на Казусе, Паяльнике или Радиокоте.

Страница 135 из 546 Первая ... 125133134135136137145 ... Последняя

Социальные закладки

Социальные закладки

Ваши права

  • Вы не можете создавать новые темы
  • Вы не можете отвечать в темах
  • Вы не можете прикреплять вложения
  • Вы не можете редактировать свои сообщения
  •