Страница 13 из 15 Первая ... 31112131415 Последняя
Показано с 241 по 260 из 289

Тема: 6АС-2

  1. #1 Показать/скрыть первое сообщение.
    Старший pioneerовожатый
    Автор темы
    Аватар для Vinni
    Регистрация
    24.07.2012
    Сообщений
    2,552

    По умолчанию 6АС-2

    Жизнь идёт и диктует свои требования.
    В новой квартире места для хобби совсем мало.
    Поэтому весь сетап переделываю с 5" на 4".
    Концепция остаётся старой - внешне корпуса СССР, внутри полная модернизация.
    Из фото сетапа должно быть понятно, почему выбраны эти АС для модернизации.
    Даже при размерах АС S-30, на ТВ смотришь, как на 1 ряду широкоэкранного кинотеатра.
    Нажмите на изображение для увеличения. 

Название:	20210503_131657.jpg 
Просмотров:	2466 
Размер:	860.0 Кб 
ID:	396500 С чего начинал в 1977 году на том наверное и закончу.

    Это основные АС.
    Динамики закуплены:
    ВЧ - AMT Mini-8
    НЧ - TB W4-1337SDF

    Динамики механически и акустически "как тут и были".
    Естественно стараюсь выдержать одинаковыми хотя-бы НЧ-СЧ.
    Будет фазоинвертор bi-amp с пассивным разделом ~5кГц.
    Без bi-amp клеммы АС надо будет перемкнуть 1-м или 2-я резисторами.
    Опять рассчитываю на эквалайзер и фазолинейность ресивера.
    Ресивер НЧ/СЧ играет бесподобно, но ВЧ хорошему усилителю сильно проигрывают.
    AMT Mini-8 по импедансу просто резистор, т.е. нагрузка ВЧ УМ - RC цепочка 3.3мкФ и 8Ом.
    Уже изучаю и симулирую УМы с нано % THD.

    Предварительно сведение выглядит так:
    Нажмите на изображение для увеличения. 

Название:	1st.png 
Просмотров:	1401 
Размер:	65.0 Кб 
ID:	396503 Получается 3-й акустический (серая - теоретическая кривая)

    Искажухи пищалки не увеличиваются с понижением частоты.
    Будем пробовать при таком разделе, тем более, что уровень ВЧ относительно НЧ просится -5дБ.
    Нажмите на изображение для увеличения. 

Название:	image_38035.jpg 
Просмотров:	1288 
Размер:	549.4 Кб 
ID:	396505

  2. #241
    Старый знакомый Аватар для serglukas
    Регистрация
    15.03.2015
    Сообщений
    756

    По умолчанию Re: 6АС-2

    Цитата Сообщение от Vinni Посмотреть сообщение
    Вложение 453815
    Жена тихенько смотрит фигню, деточки спят, а меня распирает
    До чего доводит 10 полосный эквалайзер животворящий! Может стоило докупить 32 полосный? И тогда наступит полная нирвана - исчезнет реверберация, стены комнаты растворятся... и распираться можно до бесконечности.

  3. #242
    Старший pioneerовожатый
    Автор темы
    Аватар для Vinni
    Регистрация
    24.07.2012
    Сообщений
    2,552

    По умолчанию Re: 6АС-2

    Для настроения - воздух АС.
    Нажмите на изображение для увеличения. 

Название:	V.png 
Просмотров:	130 
Размер:	923.1 Кб 
ID:	454371
    Название: 3-D-Glasses.png
Просмотров: 398

Размер: 6.0 Кб
    НЧ - ровно 3Л
    СЧ - ровно 1Л
    Последний раз редактировалось Vinni; 09.05.2024 в 22:50. Причина: Сменил картинку на анаглиф. Уточнял объём, ничего не изменилось :) Объём необх. заполнения=макс.

  4. #243
    Старый знакомый Аватар для Alto
    Регистрация
    14.01.2020
    Адрес
    Подмосковье
    Возраст
    52
    Сообщений
    812

    По умолчанию Re: 6АС-2

    Цитата Сообщение от Vinni Посмотреть сообщение
    Для настроения - воздух АС.
    Эх, сторонники линейности! Меняйте боковой динамик на магнитодинамический с грузом. Если не хотите пассивный диффузор. Проблема колонок которые не басят в том, что их делают честными, когда весь мир давно отказался от честных басов заменив узкой настройкой на взрыв при ударных. И заметно, очень заметно, продвинулся в этом направлении. У меня китайский приемник с пачку сигарет "басит" лучше S-30/ Настоятельно рекомендую вместо бокового динамика пассивный диффузор с грузом. Хотябы попробуйте
    Последний раз редактировалось Alto; 23.05.2024 в 00:08.

  5. #244
    Старый знакомый Аватар для serglukas
    Регистрация
    15.03.2015
    Сообщений
    756

    По умолчанию Re: 6АС-2

    Цитата Сообщение от Alto Посмотреть сообщение
    И заметно, очень заметно, продвинулся в этом направлении. У меня китайский приемник с пачку сигарет "басит" лучше S-30/ Настоятельно рекомендую вместо бокового динамика пассивный диффузор с грузом. Хотябы попробуйте
    Это никогда не было проблемой. Наушники еще лучше басят. Попробуйте проделать это громко с "пачкой сигарет".

  6. #245
    Добрый Аватар для Gudronov
    Регистрация
    12.11.2009
    Адрес
    Брянск
    Возраст
    57
    Сообщений
    12,020

    По умолчанию Re: 6АС-2

    Цитата Сообщение от Alto Посмотреть сообщение
    Хотябы попробуйте
    А началось все с цикория с сахарином.

    Offтопик:
    В школе биологичка местами заговаривалась, и говорила - цирконий.

  7. #246
    Старший pioneerовожатый
    Автор темы
    Аватар для Vinni
    Регистрация
    24.07.2012
    Сообщений
    2,552

    По умолчанию Re: 6АС-2

    Цитата Сообщение от Alto Посмотреть сообщение
    "басит" лучше
    А я рекомендую послушать любой оркестр без подзвучки.
    Хотябы попробуйте.
    Там нет "баса", никакого, совсем нет.
    Есть пара-тройка низко играющих инструментов.
    Ну нравится людям искусственный инструмент "бас", ну и флаг им в руки.
    Я не
    Цитата Сообщение от Alto Посмотреть сообщение
    сторонники линейности!
    Я сторонник реалистичности.

    Сейчас звучит, нравится, звук не привязан - голограмма, богатство тембров, детальность.
    Ничего корректировать не хочется.
    Дело идёт к финалу.

  8. #247
    Иногдауменявыгибаютсяруки Аватар для Merstan
    Регистрация
    24.05.2008
    Адрес
    Бердянск
    Возраст
    45
    Сообщений
    14,023

    По умолчанию Re: 6АС-2

    Да, согласен. Баса не существует в природе, как и верхов. Если они слышны, то всё идёт не так.

    Телега: https://t.me/zhenatyi_papochka
    Скатывание в цифроактив — расписка в безграничной некомпетенции и глухоте

  9. #248
    Старый знакомый Аватар для serglukas
    Регистрация
    15.03.2015
    Сообщений
    756

    По умолчанию Re: 6АС-2

    Цитата Сообщение от Merstan Посмотреть сообщение
    Да, согласен. Баса не существует в природе, как и верхов. Если они слышны, то всё идёт не так.



    Что-то здесь не так. В консерватории нужно что-то поправить(с)

    ПС Кстати...бас не отстает? В ноты попадает?

  10. #249
    Иногдауменявыгибаютсяруки Аватар для Merstan
    Регистрация
    24.05.2008
    Адрес
    Бердянск
    Возраст
    45
    Сообщений
    14,023

    По умолчанию Re: 6АС-2

    А смысл с глухим говорить о музыке?

    Телега: https://t.me/zhenatyi_papochka
    Скатывание в цифроактив — расписка в безграничной некомпетенции и глухоте

  11. #250
    Старый знакомый Аватар для serglukas
    Регистрация
    15.03.2015
    Сообщений
    756

    По умолчанию Re: 6АС-2

    Цитата Сообщение от Merstan Посмотреть сообщение
    А смысл с глухим говорить о музыке?
    А что, давно в консерваторию берут глухих?

  12. #251
    Иногдауменявыгибаютсяруки Аватар для Merstan
    Регистрация
    24.05.2008
    Адрес
    Бердянск
    Возраст
    45
    Сообщений
    14,023

    По умолчанию Re: 6АС-2

    Так а смысл тебе нам доказывать? Мы тут так слышим. Баса быть не должно, должны быть живые инструменты. У кого нормальный звук, тот и без твоих роликов понимает о чем речь. У тебя другая школа звука, нам оно и даром не нужно. Мазня на басу слышна, я в любом слепом тесте 10 из 10 укажу где есть саб и высокие порядки снизу, были бы в материале эти частоты.
    И нас таких тут достаточно, чтобы глухие валили подальше со своей школой избыточного давления за счет резонансов и задержек.

    Телега: https://t.me/zhenatyi_papochka
    Скатывание в цифроактив — расписка в безграничной некомпетенции и глухоте

  13. #252
    Старый знакомый Аватар для serglukas
    Регистрация
    15.03.2015
    Сообщений
    756

    По умолчанию Re: 6АС-2

    Цитата Сообщение от Merstan Посмотреть сообщение
    Так а смысл тебе нам доказывать? Мы тут так слышим. Баса быть не должно, должны быть живые инструменты. У кого нормальный звук, тот и без твоих роликов понимает о чем речь. У тебя другая школа звука, нам оно и даром не нужно. Мазня на басу слышна, я в любом слепом тесте 10 из 10 укажу где есть саб и высокие порядки снизу, были бы в материале эти частоты.
    И нас таких тут достаточно, чтобы глухие валили подальше со своей школой избыточного давления за счет резонансов и задержек.
    Пока тех, которым достаточно - на пальцах одной руки на всю вегу. И не тут вы слышите, а где-то там глубоко у себя. Всякие тесты это отчетливо показали.
    И простирается это "вы так слышите в своей школе" от 4 дюймов до двух лапухов по 18 дюймов. И кто тут глухой?

  14. #253
    Иногдауменявыгибаютсяруки Аватар для Merstan
    Регистрация
    24.05.2008
    Адрес
    Бердянск
    Возраст
    45
    Сообщений
    14,023

    По умолчанию Re: 6АС-2

    В наушниках.

    Телега: https://t.me/zhenatyi_papochka
    Скатывание в цифроактив — расписка в безграничной некомпетенции и глухоте

  15. #254
    Старший pioneerовожатый
    Автор темы
    Аватар для Vinni
    Регистрация
    24.07.2012
    Сообщений
    2,552

    По умолчанию Re: 6АС-2

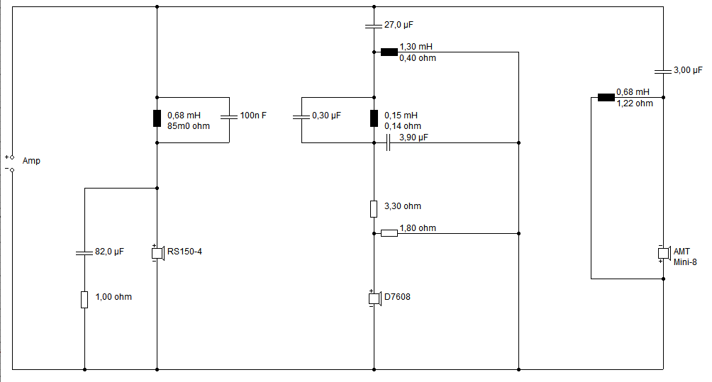
    Зафиксирую статус проекта.
    Со времени последнего поста с графиками, выслушивал и менял некоторые номиналы деталей.
    Сейчас командировки и отпуск, некогда.
    Звук нравится, но есть недостатки, которые на макете уже не устраняются.
    Надо делать кросс и демпфирование АС штатно.
    Но и после этого подбор некоторых номиналов на слух продолжится.

    Текущая схема
    Нажмите на изображение для увеличения. 

Название:	V3 p shd.png 
Просмотров:	102 
Размер:	9.2 Кб 
ID:	456765
    Напряжение кроссовера
    Нажмите на изображение для увеличения. 

Название:	V3 p vk.png 
Просмотров:	84 
Размер:	45.2 Кб 
ID:	456766
    АЧХ голубой с места прослушивания ~2m, оранжевый - 1m по оси.
    Расположение АС в нише, как на фото в шапке, свитпот ~30гр по горизонтали и вертикали.
    Нажмите на изображение для увеличения. 

Название:	V3 p SPL.png 
Просмотров:	99 
Размер:	29.7 Кб 
ID:	456767
    Искажухи громко, дребезжит всё.
    Нажмите на изображение для увеличения. 

Название:	V3 p thd.png 
Просмотров:	95 
Размер:	50.4 Кб 
ID:	456768
    Искажухи комфортно
    Нажмите на изображение для увеличения. 

Название:	V3 p thd-6.png 
Просмотров:	83 
Размер:	49.5 Кб 
ID:	456769
    Степ оригинальный
    Нажмите на изображение для увеличения. 

Название:	V3 p stp.png 
Просмотров:	524 
Размер:	24.8 Кб 
ID:	456770
    Степ фазолинейный. Так и слушаю. Эквалайзер только для кина.
    Нажмите на изображение для увеличения. 

Название:	V3 p PH stp.png 
Просмотров:	543 
Размер:	23.6 Кб 
ID:	456771

  16. #255
    Nizhlogger
    Гость

    По умолчанию Re: 6АС-2

    Цитата Сообщение от Vinni Посмотреть сообщение
    Степ фазолинейный. Так и слушаю. Эквалайзер только для кина.
    А ФЧХ на картинке показать можете?

    У меня фазолинейный степ выглядит немного иначе.

    Нажмите на изображение для увеличения. 

Название:	Step response.PNG 
Просмотров:	83 
Размер:	87.4 Кб 
ID:	457152

  17. #256
    Старший pioneerовожатый
    Автор темы
    Аватар для Vinni
    Регистрация
    24.07.2012
    Сообщений
    2,552

    По умолчанию Re: 6АС-2

    Цитата Сообщение от Nizhlogger Посмотреть сообщение
    У меня фазолинейный степ выглядит немного иначе.
    Степ 1м по оси
    Нажмите на изображение для увеличения. 

Название:	Step 1m.png 
Просмотров:	75 
Размер:	21.0 Кб 
ID:	457154
    Фаза
    Нажмите на изображение для увеличения. 

Название:	Ph 1m.png 
Просмотров:	84 
Размер:	39.8 Кб 
ID:	457158

    Степ 2м 30гр (место прослушки)
    Нажмите на изображение для увеличения. 

Название:	Step 2m.png 
Просмотров:	50 
Размер:	24.9 Кб 
ID:	457157
    Фаза
    Нажмите на изображение для увеличения. 

Название:	Ph 2m.png 
Просмотров:	74 
Размер:	42.3 Кб 
ID:	457155

  18. #257
    Иногдауменявыгибаютсяруки Аватар для Merstan
    Регистрация
    24.05.2008
    Адрес
    Бердянск
    Возраст
    45
    Сообщений
    14,023

    По умолчанию Re: 6АС-2

    Цитата Сообщение от Nizhlogger Посмотреть сообщение
    фазолинейный степ
    это не фазолинейный
    фазолинейный -- симметрично выглядит

    Телега: https://t.me/zhenatyi_papochka
    Скатывание в цифроактив — расписка в безграничной некомпетенции и глухоте

  19. #258
    Nizhlogger
    Гость

    По умолчанию Re: 6АС-2

    Цитата Сообщение от Vinni Посмотреть сообщение
    Степ 1м по оси
    СЧ немного отстаёт. НЧ на очень нескорый поезд похож. Непонятно откуда импульс вниз перед основным. Фильтры?


    Цитата Сообщение от Vinni Посмотреть сообщение
    Фаза
    На 150 Гц фаза уходит на 120 градусов. С соответствующей реакцией на АЧХ. На АЧХ выше 2 кГц до 10 дБ расколбас.


    Цитата Сообщение от Vinni Посмотреть сообщение
    Степ 2м 30гр (место прослушки)
    Степ красивее. Но НЧ как был сзади так и остался. Работа ДСП?


    Цитата Сообщение от Vinni Посмотреть сообщение
    Фаза
    АЧХ красивее. Тоже работа ДСП? Хотя выше 2 кГц всё по прежнему. Динамик что ли не очень качественный?

    ---------- Сообщение добавлено 14:22 ---------- Предыдущее сообщение было 14:19 ----------

    Цитата Сообщение от Merstan Посмотреть сообщение
    это не фазолинейный
    фазолинейный -- симметрично выглядит

    Нажмите на изображение для увеличения. 

Название:	image_2024-07-04_142043349.png 
Просмотров:	64 
Размер:	94.0 Кб 
ID:	457195

    Комментарий к картинке: В результате все продукты SurroundTec демонстрируют хорошее приближение к теоретическому идеалу и почти идеальную реакцию на скачок напряжения.


    ---------- Сообщение добавлено 14:40 ---------- Предыдущее сообщение было 14:22 ----------

    Для сравнения степ одного голого 25ГД-26 в 10 см и всей колонки целиком на 0,9 м.

    Нажмите на изображение для увеличения. 

Название:	Сравнение степ 25ГД и АС.png 
Просмотров:	61 
Размер:	100.1 Кб 
ID:	457196

  20. #259
    Иногдауменявыгибаютсяруки Аватар для Merstan
    Регистрация
    24.05.2008
    Адрес
    Бердянск
    Возраст
    45
    Сообщений
    14,023

    По умолчанию Re: 6АС-2

    Цитата Сообщение от Nizhlogger Посмотреть сообщение
    Комментарий
    минимальнофазовый это

    Телега: https://t.me/zhenatyi_papochka
    Скатывание в цифроактив — расписка в безграничной некомпетенции и глухоте

  21. #260
    Nizhlogger
    Гость

    По умолчанию Re: 6АС-2

    Цитата Сообщение от Merstan Посмотреть сообщение
    минимальнофазовый это
    Минимальнофазовый степ респонс? Такое бывает?

Страница 13 из 15 Первая ... 31112131415 Последняя

Социальные закладки

Социальные закладки

Ваши права

  • Вы не можете создавать новые темы
  • Вы не можете отвечать в темах
  • Вы не можете прикреплять вложения
  • Вы не можете редактировать свои сообщения
  •