Страница 1 из 2 12 Последняя
Показано с 1 по 20 из 27

Тема: Превращение Оптики в Коаксиал

  1. #1
    Новичок
    Автор темы

    Регистрация
    04.06.2008
    Сообщений
    11

    Улыбка Превращение Оптики в Коаксиал

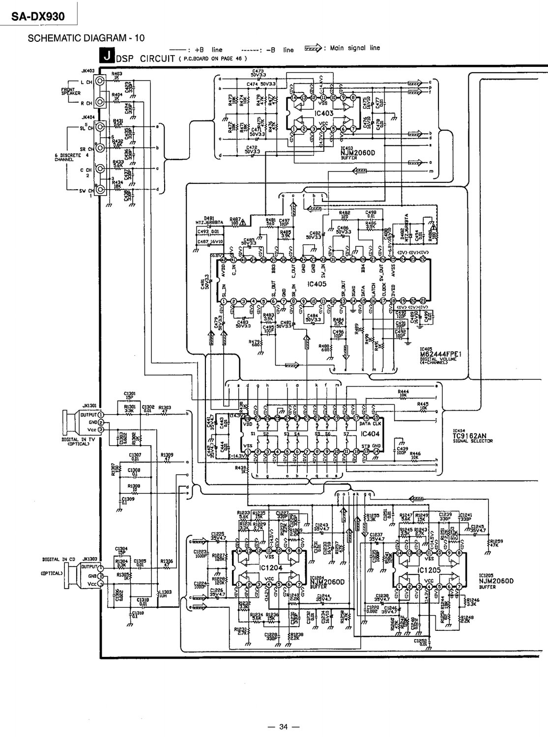
    Возникла нужда подключить своего старичка Technics SA-DX930 по коаксиалу.Но у него только два оптических входа...Есть вся его схема.Выложил в файловый архив.Тут только часть с DSP частью...

    Нажмите на изображение для увеличения. 

Название:	Безымянный.jpg 
Просмотров:	1713 
Размер:	282.8 Кб 
ID:	121924

    Можно ли простыми манипуляциями в схеме получить коаксиальный вход?

    Полная схема.

    С уважением, Андрей ;)

  2. #2
    Забанен (навсегда) Аватар для Phlanger
    Регистрация
    14.04.2007
    Сообщений
    1,753

    По умолчанию Re: Превращение Оптики в Коаксиал

    смутно помню, что надо просто оторвать фотоприёмник и поставить вместо него входной трансформатор+согласующий резистор
    но я в этом месте ни разу не специалист

  3. #3
    Завсегдатай Аватар для BC
    Регистрация
    27.10.2003
    Адрес
    деревня Гадюкино
    Сообщений
    3,111

    По умолчанию Re: Превращение Оптики в Коаксиал

    В соседней ветке ссылочка. http://altor.sytes.net/Books_Docs/spdif0.pdf
    ремонт Hi-Fi/Hi-End аппаратуры.

  4. #4
    Завсегдатай Аватар для Alemoke
    Регистрация
    24.05.2008
    Адрес
    Инта
    Возраст
    52
    Сообщений
    1,239

    По умолчанию Re: Превращение Оптики в Коаксиал

    Вот пример входного интерфейса
    Вложения Вложения
    Небо голубое, вода мокрая, жизнь г...но.(с)

  5. #5
    Новичок
    Регистрация
    16.09.2012
    Сообщений
    1

    По умолчанию Re: Превращение Оптики в Коаксиал

    Цитата Сообщение от Drooney Посмотреть сообщение
    Возникла нужда подключить своего старичка Technics SA-DX930 по коаксиалу.Но у него только два оптических входа...Есть вся его схема.Выложил в файловый архив.Тут только часть с DSP частью...

    Нажмите на изображение для увеличения. 

Название:	Безымянный.jpg 
Просмотров:	1713 
Размер:	282.8 Кб 
ID:	121924

    Можно ли простыми манипуляциями в схеме получить коаксиальный вход?

    Полная схема.

    С уважением, Андрей ;)
    интересно...вышло что нибудь

  6. #6
    Частый гость
    Регистрация
    05.04.2012
    Адрес
    Москва
    Сообщений
    119

    По умолчанию Re: Превращение Оптики в Коаксиал

    А какой трансформатор можно использовать?

  7. #7
    Старый знакомый Аватар для Ст.Мельник
    Регистрация
    04.08.2006
    Адрес
    Вологда - Плесецк
    Возраст
    62
    Сообщений
    966

    По умолчанию Re: Превращение Оптики в Коаксиал

    Есть стандартный транс PE-65612NL. При отсутствии готового, на ферритовом колечке с внешним диаметром 10-12 мм намотать трансформатор 1:1, по 10 витков в первичке и вторичке проводом диаметром 0,1...0,3 мм. последовательно с первичкой конденсатор 0,1 мкф, параллельно вторичке - резистор 75 Ом. Как то так.

  8. #8
    Завсегдатай
    Регистрация
    24.01.2009
    Сообщений
    3,233

    По умолчанию Re: Превращение Оптики в Коаксиал

    Цитата Сообщение от Ст.Мельник Посмотреть сообщение
    Есть стандартный транс PE-65612NL. При отсутствии готового, на ферритовом колечке с внешним диаметром 10-12 мм намотать трансформатор 1:1, по 10 витков в первичке и вторичке проводом диаметром 0,1...0,3 мм. последовательно с первичкой конденсатор 0,1 мкф, параллельно вторичке - резистор 75 Ом. Как то так.
    Добавлю:
    Если использовать с CS8412 сотоварищи - транс лучше намотать повышающий (более 1:1), и соответственно изменить номинал терминирующего резистора. Это делается, чтобы вложиться по чувствительности (мин. 0.2Вп-п) в требования стандарта.

  9. #9
    Завсегдатай Аватар для Борисыч44
    Регистрация
    03.08.2005
    Адрес
    Киров
    Возраст
    66
    Сообщений
    6,252

    По умолчанию Re: Превращение Оптики в Коаксиал

    Для кольца 10мм надо хотя бы витков 30-40 на первичку - джиттер от несимметрии меньше получается

  10. #10
    Новичок
    Регистрация
    11.11.2012
    Возраст
    55
    Сообщений
    20

    По умолчанию Re: Превращение Оптики в Коаксиал

    Чтобы не плодить новых тем, спрошу здесь: есть CD с оптическим выходом. Есть ЦАП с приёмником на AK4113.
    1) Можно ли "по простому" сделать у CD выход S/PDIF на коаксиал? Если да, то пункт 2 не рассматриваем;
    2) Если дошли до сюда, то как отправить цифру с ноги 39 (DOUT) IC301 на AK4113? И какой вход (SPD1 или SPD2) для этого используем?
    Нажмите на изображение для увеличения. 

Название:	CD.png 
Просмотров:	796 
Размер:	46.3 Кб 
ID:	170621Нажмите на изображение для увеличения. 

Название:	DAC.png 
Просмотров:	922 
Размер:	25.1 Кб 
ID:	170622

  11. #11
    Завсегдатай Аватар для BC
    Регистрация
    27.10.2003
    Адрес
    деревня Гадюкино
    Сообщений
    3,111

    По умолчанию Re: Превращение Оптики в Коаксиал

    1- можно. Ищите схемы серийных аппаратов и смотрите, как там сделано. Но я предпочитаю ставить буфер на мелкосхеме. Без транса.
    ремонт Hi-Fi/Hi-End аппаратуры.

  12. #12
    Новичок
    Регистрация
    11.11.2012
    Возраст
    55
    Сообщений
    20

    По умолчанию Re: Превращение Оптики в Коаксиал

    А разве нельзя через 0.1 мкФ и потом 75 ом на землю отправить сигнал с 39-й ноги (после ёмкости) на RCA-разъём?

  13. #13
    Завсегдатай Аватар для BC
    Регистрация
    27.10.2003
    Адрес
    деревня Гадюкино
    Сообщений
    3,111

    По умолчанию Re: Превращение Оптики в Коаксиал

    Вряд-ли у выхода ДСП такая нагрузочная способнотсь. И есть риск грохнуть выход статикой.
    ремонт Hi-Fi/Hi-End аппаратуры.

  14. #14
    Новичок
    Регистрация
    11.11.2012
    Возраст
    55
    Сообщений
    20

    По умолчанию Re: Превращение Оптики в Коаксиал

    Может тупо взять такой конвертер? http://www.ebay.com/itm/221158208736 Воткнуть в коробку с ЦАПом и будет со всякими входами, универсал.
    Сильно он плох или норм.?

  15. #15
    Завсегдатай Аватар для BC
    Регистрация
    27.10.2003
    Адрес
    деревня Гадюкино
    Сообщений
    3,111

    По умолчанию Re: Превращение Оптики в Коаксиал

    Это же вход. А тебе выход нужен. Это в моём Кенвуде, недавно поставил. Могу сделать. Все вопросы через личку.
    Миниатюры Миниатюры Нажмите на изображение для увеличения. 

Название:	выход.jpg 
Просмотров:	1359 
Размер:	179.0 Кб 
ID:	170624  
    ремонт Hi-Fi/Hi-End аппаратуры.

  16. #16
    Новичок
    Регистрация
    11.11.2012
    Возраст
    55
    Сообщений
    20

    По умолчанию Re: Превращение Оптики в Коаксиал

    Цитата Сообщение от BC Посмотреть сообщение
    Это же вход. А тебе выход нужен.
    Если ЦАПу сделаю со всякими входами, с помощью этого конвертора, тогда и выход коакс. у CD не нужен, заюзаю оптику. К тому же я из KZ (на счёт сделать). Что скажешь по этому модулю с ебэя?

  17. #17
    Завсегдатай Аватар для BC
    Регистрация
    27.10.2003
    Адрес
    деревня Гадюкино
    Сообщений
    3,111

    По умолчанию Re: Превращение Оптики в Коаксиал

    Думаю, нормальный модуль. А по оптике звук хуже. Субъективно 100-баксовый оптический кабель соответствует 5-баксовому коаксиалу (не всякому).
    ремонт Hi-Fi/Hi-End аппаратуры.

  18. #18
    Новичок
    Регистрация
    11.11.2012
    Возраст
    55
    Сообщений
    20

    По умолчанию Re: Превращение Оптики в Коаксиал

    Спасибо, бро!

  19. #19
    Новичок
    Регистрация
    21.06.2013
    Адрес
    Москва
    Сообщений
    2

    По умолчанию Re: Превращение Оптики в Коаксиал

    Уважаемые профи ! Можно-ли у WD live streaming wi-fi оптический выход переделать в коаксиал ? и стоит ли.....Хочется сделать нормальный выход на цап .

  20. #20
    Завсегдатай Аватар для Deemon1970
    Регистрация
    19.02.2013
    Адрес
    Нефтекумск
    Возраст
    54
    Сообщений
    1,330

    По умолчанию Re: Превращение Оптики в Коаксиал

    BC,
    Цитата Сообщение от BC Посмотреть сообщение
    А по оптике звук хуже. Субъективно 100-баксовый оптический кабель соответствует 5-баксовому коаксиалу
    А можете объяснить это, как инженер инженеру? Или ссылку на статью. Я понимаю, что если данные побитово совпадают, то и результат должен совпадать.

    С уважением. Deemon1970.

Страница 1 из 2 12 Последняя

Социальные закладки

Социальные закладки

Ваши права

  • Вы не можете создавать новые темы
  • Вы не можете отвечать в темах
  • Вы не можете прикреплять вложения
  • Вы не можете редактировать свои сообщения
  •