Страница 12 из 282 Первая ... 2101112131422 ... Последняя
Показано с 221 по 240 из 5621

Тема: Усилитель мощности ZD-50

  1. #1 Показать/скрыть первое сообщение.
    Завсегдатай
    Автор темы
    Аватар для Nick
    Регистрация
    28.03.2005
    Адрес
    NY, USA
    Возраст
    48
    Сообщений
    3,606

    По умолчанию Усилитель мощности ZD-50

    В общем я думаю эта ветка будет для вопросов по конструкции и наладке данного усилителя (cтатья тут, схема тут).
    Размер плат 57x190mm. Плата 4-х слойная, в целях уменьшения индуктивности цепей питания питания ВК и соответсвенно конструктивных искажений.
    Замечания по сборке:
    1. Резисторы R44, R45 необходимо устанавливать над платой, на расстоянии около 5...10мм, т.е. корпуса резисторов не должны касаться платы, и ближайших элементов тоже.
    2. R71 не запаивается.
    3. Блок питания должен быть отдельный на каждый канал, как например смотрите тут.
    4. На схеме нет выходного фильтра - я использовал 18 витков на 8 мм оправе провод 1.5 мм и параллельно 10 ом резистор, они были размещены прямо на выходных клемах. Также параллельно выходным клемам желательно поставить последовательную цепочку из плёночного 0.1μF и 2Вт 10 Ohm резистора.
    Ошибки:
    1. В BOM-е: R4, C4 и R6 - не устанавливаются - их нет на схеме и плате; Q1, Q2, Q3 - MMBTA06; Q4, Q5, Q6 - MMBTA56.
    2. В статье: подбирать по минимуму напряжения на выходе U2 нужно R23 (80k6), а не R22 как указано в статье.
    Ссылки на другие ветки:
    1. Как разрабатывался усилитель тут
    2. Про сравнения с другими усилителями тут

    Герберы можно взять тут

    Платы возможно можно заказать тут

    FAQ
    (спасибо ANHO) - тут
    Миниатюры Миниатюры Нажмите на изображение для увеличения. 

Название:	pcb-d712107.jpg 
Просмотров:	23848 
Размер:	94.0 Кб 
ID:	43108   Нажмите на изображение для увеличения. 

Название:	pcb-d7121072.jpg 
Просмотров:	23203 
Размер:	31.3 Кб 
ID:	43110   Нажмите на изображение для увеличения. 

Название:	pcb-d7121074.jpg 
Просмотров:	25276 
Размер:	46.4 Кб 
ID:	43111  
    Вложения Вложения
    Последний раз редактировалось Nick; 20.03.2018 в 18:51. Причина: Update

  2. #221
    Завсегдатай Аватар для aal
    Регистрация
    04.11.2004
    Адрес
    пос. Краснообск, Новосибирская область
    Возраст
    53
    Сообщений
    2,854

    По умолчанию Re: Усилитель мощности ZD-50

    Странный совет.... Покрайней мере, в импульсниках это противопоказанно, как мне один товарищь сказал, хотя я тоже паралелить надумывал.....

  3. #222
    Джем
    Регистрация
    10.08.2008
    Адрес
    Харьков
    Возраст
    63
    Сообщений
    2,165

    По умолчанию Re: Усилитель мощности ZD-50

    Цитата Сообщение от aal Посмотреть сообщение
    в импульсниках это противопоказанно
    Сполошь и рядом... это во- первых, во- вторых здесь ведь не импульсник. В третьих- кристалл любого мало мальски мощного диода состоитиз нескольких диодных структур, включенных параллельно.

  4. #223
    маньяк-теоретик Аватар для Ulis
    Регистрация
    29.01.2007
    Адрес
    Санкт-Петербург
    Возраст
    50
    Сообщений
    2,807

    По умолчанию Re: Усилитель мощности ZD-50

    Так мощные шоттки,- это массив запараллеленных диодов.
    А эти на одном кристалле, значит схожи по параметрам.

    Параллелю шоттки давно - никакого криминала не наблюдаю.

    Опоздал
    Абсолютным чувством вкуса обладал только Прокруст
    У всех остальных людей оно относительное

  5. #224
    Частый гость
    Регистрация
    14.01.2006
    Сообщений
    321

    По умолчанию Re: Усилитель мощности ZD-50

    Понял - спасибо за советы

    Теперь бы придумать - где бы в корпусе разместить этот выпрямитель с конденсаторами... Было бы их два - было бы проще...

    Завтра постараюсь нарисовать корпус с расположением плат в нем...

  6. #225
    Частый гость Аватар для McCulic
    Регистрация
    23.10.2006
    Адрес
    Москва
    Возраст
    38
    Сообщений
    133

    По умолчанию Re: Усилитель мощности ZD-50

    Собрал сей усилитель на платах devisangela, пока в виде макета и одним БД на 2 канала - играет очень хорошо, даже слишком хорошо
    Остается сказать Nick*у спасибо и ждать авторских плат

  7. #226
    Частый гость
    Регистрация
    14.01.2006
    Сообщений
    321

    По умолчанию Re: Усилитель мощности ZD-50

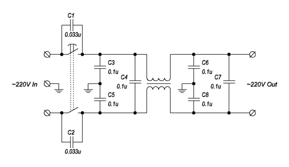
    Вот - набросал вариант компоновки плат в корпусе...
    Задумался - куда б приткнуть регулятор громкости (таки нужен он мне...)

    И еще - насчет блока питания: хочу сделать простенький входной фильтр (дроссель и несколько конденсаторов - "а-ля Пилот"), а то сейчас при запуске холодильника щелчки в колонках слышны - неприятно... (кстати - а спасет ли такой фильтр от таких щелчков?...)
    Миниатюры Миниатюры Нажмите на изображение для увеличения. 

Название:	Filtr.jpg 
Просмотров:	652 
Размер:	25.5 Кб 
ID:	44977   Нажмите на изображение для увеличения. 

Название:	rev.01.png 
Просмотров:	1688 
Размер:	573.8 Кб 
ID:	44978  

  8. #227
    Завсегдатай Аватар для aal
    Регистрация
    04.11.2004
    Адрес
    пос. Краснообск, Новосибирская область
    Возраст
    53
    Сообщений
    2,854

    По умолчанию Re: Усилитель мощности ZD-50

    ослабит только....

  9. #228
    Частый гость
    Регистрация
    14.01.2006
    Сообщений
    321

    По умолчанию Re: Усилитель мощности ZD-50

    Цитата Сообщение от aal Посмотреть сообщение
    ослабит только....
    Ну... уже лучше, имхо.
    Или овчинка не стоит выделки?... - просто лежит несколько ферритов из старых компьютерных БП - вот и думал их пристроить с пользой для дела.

    Offтопик:
    Кстати - если делать такую схему - на какое напряжение нужно брать конденсаторы?

  10. #229
    Ветеран Аватар для Prophetmaster
    Регистрация
    23.08.2005
    Адрес
    Москва
    Возраст
    55
    Сообщений
    3,600

    По умолчанию Re: Усилитель мощности ZD-50

    Selin,
    В оконечнике, чтобы звук не испортить, катушки на феррите лучше не использовать, поставить только довольно большой кондер - 1 мкФ/600В (или RC цепь, с проходным резистором 0.1 Ом), причем не на землю, а между вводами питания 220 В. В сетевом питании нельзя ничего на общюю землю сажать.

  11. #230
    Частый гость
    Регистрация
    14.01.2006
    Сообщений
    321

    По умолчанию Re: Усилитель мощности ZD-50

    Цитата Сообщение от Prophetmaster Посмотреть сообщение
    В оконечнике, чтобы звук не испортить, катушки на феррите лучше не использовать
    Ага...
    А, простите за глупый вопрос, в чем будет заключаться порча звука?...
    Просто почитал, что такая простенькая схема позволяет немного снизить импульсные помехи из сети... - Вот и решил ее поставить на входе питания.
    А раз такая петрушка - тогда не буду заморачиваться. Спасибо за подсказку.
    Кстати - еще некоторые рекомендуют цеплять на сетевой провод "бублик" из двух половинок ферритовой трубки... Или очередная "мурзилка"?

    Цитата Сообщение от Prophetmaster Посмотреть сообщение
    В сетевом питании нельзя ничего на общюю землю сажать.
    В данном случае имеется ввиду "земля", которая идет третьим контактом в розетках. С землей питания усилителя она не будет соединяться.

  12. #231
    Частый гость
    Регистрация
    11.12.2008
    Адрес
    Украина ,Полтава
    Возраст
    45
    Сообщений
    348

    По умолчанию Re: Усилитель мощности ZD-50

    Добрый день Всем!
    Скажите с какими усилителями сравнивался данный проект по звучанию?
    Offтопик:

    Просто я 2 года слушаю "Холтон",но на днях сделал вот что.Взял и сравнил Холтон,тда7294,ресивер Pioneer vsh514(250$)?и стерео ус Маранц модель не помню -не мой,но 750$.
    Акустика полочники Focal Electra 1007 Be, транспорт CEC, ЦАП-Manley.
    Вывод-1место Маранц и ТДА 7294(как ни странно),2е-ресивер Пионер,3последнее-Холтон,хотя он сделан серьезно.
    Мне стало смешно но ТДА играет лучше,а стоит 3 у.е.?
    Думаю какой усилитель сделать теперь???Мощность 10вт достаточна.(p.s мой Холтон 240Вт на канал на 4 ом)
    Спасибо всем участвующим .
    Последний раз редактировалось Nick; 02.02.2009 в 22:18. Причина: OFF

  13. #232
    Завсегдатай Аватар для A.R.
    Регистрация
    02.01.2005
    Адрес
    Калуга
    Возраст
    47
    Сообщений
    1,262

    По умолчанию Re: Усилитель мощности ZD-50

    Цитата Сообщение от Selin Посмотреть сообщение
    И еще - насчет блока питания: хочу сделать простенький входной фильтр (дроссель и несколько конденсаторов - "а-ля Пилот"), а то сейчас при запуске холодильника щелчки в колонках слышны - неприятно... (кстати - а спасет ли такой фильтр от таких щелчков?...)
    Я бы поставил сразу после тумблера сетевой предохранитель, C1, C2 не обязательны. После 220 out желательно поставить варистор где-то 275В эфф. или порядка 400В пик, они маркируются по-разному. Холодильник, в принципе, не должен влиять, возможно что-то не то в разводке питания.

    Добавлено через 2 минуты
    Цитата Сообщение от Prophetmaster Посмотреть сообщение
    Selin,
    В оконечнике, чтобы звук не испортить, катушки на феррите лучше не использовать, поставить только довольно большой кондер - 1 мкФ/600В (или RC цепь, с проходным резистором 0.1 Ом), причем не на землю, а между вводами питания 220 В. В сетевом питании нельзя ничего на общюю землю сажать.
    Хы-хы. Сколько людей, столько мнений А по мне, и конденсатор 1Мкф великоват, и шасси надо сажать на защитную землю, и ферриты только на пользу
    Последний раз редактировалось A.R.; 02.02.2009 в 16:03. Причина: Добавлено сообщение

  14. #233
    Частый гость
    Регистрация
    14.01.2006
    Сообщений
    321

    По умолчанию Re: Усилитель мощности ZD-50

    Цитата Сообщение от A.R. Посмотреть сообщение
    Я бы поставил сразу после тумблера сетевой предохранитель
    Это само собой. Я просто хочу взять разъем с местом для предохранителя или его отдельно в корпусе закрепить.
    А нарисованное будет уже на плате.

    Цитата Сообщение от A.R. Посмотреть сообщение
    и ферриты только на пользу
    О, блин!
    Тек-с... снова начинаю заплутываться.
    Так что - таки есть польза от такой постановки на входе питания?

    А насчет холодильника - старенький он у меня - типа "Минск"-а (однокамерный). И когда его компрессор стартует из колонок слышатся как бы щелчки... Потом все нормально дальше играет.
    Я так понял - это импульсная помеха пролазит где-то... вот и решил попытаться немного придавить такие штуки "не отходя от кассы".

    Кстати - на Украине кто-то в ближайшем будущем не планирует собирать сей усилок? - просто буду скоро заказывать детальки на DigiKey - может с кем-то скооперироваться получится...

  15. #234
    Завсегдатай Аватар для A.R.
    Регистрация
    02.01.2005
    Адрес
    Калуга
    Возраст
    47
    Сообщений
    1,262

    По умолчанию Re: Усилитель мощности ZD-50

    Цитата Сообщение от Selin Посмотреть сообщение
    Это само собой. Я просто хочу взять разъем с местом для предохранителя или его отдельно в корпусе закрепить.
    А нарисованное будет уже на плате.


    О, блин!
    Тек-с... снова начинаю заплутываться.
    Так что - таки есть польза от такой постановки на входе питания?
    Ну, допустим, если от той же розетки будет питаться телевизор, то ВЧ-помеха от его источника питания будет ослаблена. А это всяко на пользу. А насчет холодильника, то по своему опыту знаю: если есть глюк в разводке питания усилителя, то он реагирует на включение электроприборов, касание рукой радиатора и вообще каждый чих.

  16. #235
    Частый гость
    Регистрация
    20.01.2006
    Адрес
    Москва
    Сообщений
    163

    По умолчанию Re: Усилитель мощности ZD-50

    Цитата Сообщение от A.R. Посмотреть сообщение
    А насчет холодильника, то по своему опыту знаю: если есть глюк в разводке питания усилителя, то он реагирует на включение электроприборов, касание рукой радиатора и вообще каждый чих.

    Offтопик:

    Холодильники бывают разные . У меня при вкл./откл. холодильника помехи на ТВ и ни какие "пилоты" тут не помогут. Просто проводка, как и ее качество, оставляет желать лучшего.

  17. #236
    Ветеран Аватар для Prophetmaster
    Регистрация
    23.08.2005
    Адрес
    Москва
    Возраст
    55
    Сообщений
    3,600

    По умолчанию Re: Усилитель мощности ZD-50

    Selin,
    Цитата Сообщение от Selin Посмотреть сообщение
    А, простите за глупый вопрос, в чем будет заключаться порча звука?...
    Оконечнику ток нужен в пиках, а катушки его сожрут, потому что чем больше ток, тем больше сопротивление катушек по переменному току. И емкости тут не помогут - им тоже большой ток для быстрого заряда нужен.
    Цитата Сообщение от Selin Посмотреть сообщение
    В данном случае имеется ввиду "земля", которая идет третьим контактом в розетках. С землей питания усилителя она не будет соединяться.
    Да, а если заземления в розетке нет, то какой с них толк?
    A.R.,
    Цитата Сообщение от A.R. Посмотреть сообщение
    А по мне, и конденсатор 1Мкф великоват
    В самый раз.

  18. #237
    Частый гость Аватар для SemiLex
    Регистрация
    10.01.2009
    Адрес
    Краснодарский край
    Сообщений
    294

    По умолчанию Re: Усилитель мощности ZD-50


    Offтопик:
    Цитата Сообщение от Subvender Посмотреть сообщение
    Вывод-1место Маранц и ТДА 7294(как ни странно),2е-ресивер Пионер,3последнее-Холтон,хотя он сделан серьезно.
    Холтон играет хуже пионера!? Это же жесть просто! Этот ресивер Пионер вообще не может играть в принципе Причем по вполне понятным причинам. Гляньте схему и реализацию. Да там от звука не останется ничего только из-за 10 (даже больше, вроде) проходных элеткролитов!

    п.с.: Холтона не слушал, но вот Пионеров - вдоволь наслушался
    Последний раз редактировалось Nick; 02.02.2009 в 22:17. Причина: OFF

  19. #238
    Ветеран Аватар для Prophetmaster
    Регистрация
    23.08.2005
    Адрес
    Москва
    Возраст
    55
    Сообщений
    3,600

    По умолчанию Re: Усилитель мощности ZD-50

    Selin,
    Цитата Сообщение от Selin Посмотреть сообщение
    Кстати - еще некоторые рекомендуют цеплять на сетевой провод "бублик" из двух половинок ферритовой трубки... Или очередная "мурзилка"?
    Это работает, как фильтр, на высокочастотные помехи сети.
    A.R.,
    Цитата Сообщение от A.R. Посмотреть сообщение
    шасси надо сажать на защитную землю, и ферриты только на пользу
    Нельзя шасси сажать на эту землю, потому что аппаратура имеет соединения земли между собой через межблочные кабели, а если земля еще и через сетевые шнуры соединена в сетевом удлиннителе, то это уже петля. Ферритовые катушки на пользу в блоке питания слаботочной конструкции, где потом все питание стабилизировано.
    Цитата Сообщение от Selin Посмотреть сообщение
    когда его компрессор стартует из колонок слышатся как бы щелчки... Потом все нормально дальше играет.
    Тут поможет только замена реле в компрессоре или включение аппаратуры в розетку из другого "луча" разводки по квартире, обычно на противоположной стене.

  20. #239
    Частый гость
    Регистрация
    14.01.2006
    Сообщений
    321

    По умолчанию Re: Усилитель мощности ZD-50

    Цитата Сообщение от Prophetmaster Посмотреть сообщение
    Да, а если заземления в розетке нет, то какой с них толк?
    Ну... как минимум остальная техника будет тоже соединена с этой "землей".
    Например - компьютер и усилитель, через который компьютер будет играть музыку...
    Думаю - это всяко лучше будет.
    Хотя бы провода не будут бить током, если чего вздумаеться отключить-подключить... А то была пара неприятных моментов.

    Добавлено через 4 минуты
    Цитата Сообщение от Prophetmaster Посмотреть сообщение
    Ферритовые катушки на пользу в блоке питания слаботочной конструкции, где потом все питание стабилизировано.
    А можно "на пальцах", пожалуйста...
    Просто в моем случае, как я понимаю, все питание и так будет стабилизировано. Вот только слаботочными я их назвать не могу...

    А насчет феритов на входе ~220В... - возможно я и не прав, но стоят такие штуки в хороших компьютерных БП. Я так понимаю. что бы "не выпускать" помеху от импульсного БП наружу - в электросеть.
    Следовательно (моя мысля) - если в плохих БП такие штуки не ставят (экономят китайцы), и таких (плохих) БП - большинство, то может имеет смысл поставить такой фильтр на своем входе ~220В? - т.е. по сети пусть эти помехи гуляют - я с ними уже ничего не сделаю. А вот внутр моего усилителя пусть не лазят
    Последний раз редактировалось Selin; 02.02.2009 в 20:31. Причина: Добавлено сообщение

  21. #240
    Частый гость
    Регистрация
    11.12.2008
    Адрес
    Украина ,Полтава
    Возраст
    45
    Сообщений
    348

    По умолчанию Re: Усилитель мощности ZD-50


    Offтопик:
    Цитата Сообщение от SemiLex Посмотреть сообщение
    Холтон играет хуже пионера!? Это же жесть просто! Этот ресивер Пионер вообще не может играть в принципе Причем по вполне понятным причинам. Гляньте схему и реализацию. Да там от звука не останется ничего только из-за 10 (даже больше, вроде) проходных элеткролитов!

    п.с.: Холтона не слушал, но вот Пионеров - вдоволь наслушался
    Мне незачем Вас обманывать, но факт остается фактом. Разница между звуком всех этих усилов есть, и не нужно говорить ,что она очень колоссальная.Состав тракта Вы видели--все эти уси слабое место такой системы.
    Хотя в Пионере в БП стоят две банки по 4700*50в,а в Холтоне 50000мкф*63в "полураздельные" БП (общий тор 600вт,мосты ,обмотки вторички,у каждого свои,кстати стоит ALPS,и электролиты в Оос Elna Silmic 2,на входе метализир. полипропилены Филипс,да в БП стоят дешевые электролиты,но шунты есть.
    В ТДА ничего этого нет.Вот и парадокс!!!
    Помогите с выбором схемы нового усилителя.
    Повторю вопрос для Всех с чем кто сравнивал.Если не ответите прийдется делать калорифер Пасса.
    Последний раз редактировалось Nick; 02.02.2009 в 22:19.

Страница 12 из 282 Первая ... 2101112131422 ... Последняя

Метки этой темы

Социальные закладки

Социальные закладки

Ваши права

  • Вы не можете создавать новые темы
  • Вы не можете отвечать в темах
  • Вы не можете прикреплять вложения
  • Вы не можете редактировать свои сообщения
  •