Показано с 1 по 8 из 8

Тема: Борьба с помехами и фоном в системе ЦАП + усилитель (не решенная проблема)....

  1. #1
    Старый знакомый
    Автор темы
    Аватар для Mickhail
    Регистрация
    26.04.2010
    Адрес
    Москва
    Возраст
    70
    Сообщений
    787

    По умолчанию Борьба с помехами и фоном в системе ЦАП + усилитель (не решенная проблема)....

    Здравствуйте...
    Поскольку тут комплекс проблем и он во всей конструкции то решил отнести сюда. Прошу не кидаться .... чем не попадя. Непросто оказалось все.
    Имеем 2 корпуса( металл). В первом ЦАП и вся трехомудия ,во втором 4 канала усилителеq YES-3 (СЧ + ВЧ)
    Каждая плата УМ работает от источника идеально,те помех в виде фона и искажений модулированных нет.
    Питается сие чудо от транса (ТОР) с 8 обмотками. Все в одном корпусе. Усь чистый оконечник. Две двухканальные платы защиты гальванически развязаны от УМ.
    Разводка по феньшую ,в разных вариантах была сделана. Усь с открытыми входами молчит как проклятый. На выходе ни на ОСЦ, ни на слух (акустика 95-98 дб чутья) тихо. Не фонит и не кипит.

    ЦАП скажем это не совсем и не только, цап. В корпусе аманера(питается снаружи от своего источника) и развязана с компом.
    ЦАП АК4497 питается от 2 источников со своими трансами Ш транс.с выходом ~9в -цифра и ТОР на аналоговую часть +-15в (схемы Lynx) .(платы сам разводил)
    От этого транса и тех же обмоток(используется отдельный стаб. +-15) питается предусилитель с ку=3, с него сигнал на никитинский РГ, Далее активные 3 полосные фильтры (питается от этого же стаба)
    Все выходит на разьем db15 далее на оконечники УМ.
    Естественно дежурное питание со своим трансом, никитинский РГ и блок управления питается от этого транса.
    Раньше конструкция была простая с пассивом в АС на СЧ-ВЧ , те фильтр актив на мид и фильтр на СЧ ВЧ. Все было тихо. Как только сделал 3 полосы со своими УМ ,понеслась душа в рай.

    УМ молчат насмерть, но стоит соединить с предварительным блоком, фон.Сделал по феньшую без земельных петель как предлагали уважаемые соконфетники, Еле успел выключить,волшебный дым от резисторов в цобеле.
    Земли на стороне ЦАП обьеденил у DB15 и на корпус рядом с разъёмом. Фон стал сильней. Пришлось отсоединить.

    Хочу взяться за питание сначала проработать ЦАП, а потом усилитель. А может и параллельно все пробовать.
    По Оконечнику. Если питать от одного транса все 4 ум, худо? Или 2 транса на каждую пару УМ?

    По ЦАП, сколько трансов, R core или обойтись Ш,стабилизаторы( вроде мои тоже не плохи),откуда земли и куда предпочтительно на корпус сажать. Может быть есть что почитать? Для усилителей все рекомендации есть.
    Наверное уже и на форуме есть,но просто лопатить сил нет.
    Ребята , желательно без поддевок, смеяться на домной будем когда все будет тихо и играть
    Честно говоря и на эти работы сил не очень, как бы спокойно пройти эту беду
    С уважением Михаил

  2. #2
    Завсегдатай Аватар для stratov
    Регистрация
    16.06.2020
    Адрес
    г. Сальск
    Сообщений
    1,193

    По умолчанию Re: Борьба с помехами и фоном в системе ЦАП + усилитель (не решенная проблема)....

    Здравствуйте Михаил, тут наверное лучше и фотографировать и рисовать по блочно, что да как соединяется. А дымящийся резистор в цобеле, это возбуд, больше, чем фон .

  3. #3
    Завсегдатай Аватар для Оллема
    Регистрация
    11.09.2005
    Сообщений
    3,871

    По умолчанию Re: Борьба с помехами и фоном в системе ЦАП + усилитель (не решенная проблема)....

    Выхлоп цапа надо вообще изолировать от всей земли цапа. Там же дифф выход с микросхемы.

  4. #4
    Старый знакомый
    Автор темы
    Аватар для Mickhail
    Регистрация
    26.04.2010
    Адрес
    Москва
    Возраст
    70
    Сообщений
    787

    По умолчанию Re: Борьба с помехами и фоном в системе ЦАП + усилитель (не решенная проблема)....

    Создание документации это труд офигенный. На усилитель рисовал диаграмму земель. Попробую из Ватсапп перенести.

  5. #5
    Завсегдатай Аватар для stratov
    Регистрация
    16.06.2020
    Адрес
    г. Сальск
    Сообщений
    1,193

    По умолчанию Re: Борьба с помехами и фоном в системе ЦАП + усилитель (не решенная проблема)....

    Цитата Сообщение от Mickhail Посмотреть сообщение
    Создание документации это труд офигенный. На усилитель рисовал диаграмму земель. Попробую из Ватсапп перенести.
    О каких документах речь идет?) По блокам же можно нарисовать, и как сделаны силовые и сигнальные/ выходные провода

  6. #6
    Старый знакомый
    Автор темы
    Аватар для Mickhail
    Регистрация
    26.04.2010
    Адрес
    Москва
    Возраст
    70
    Сообщений
    787

    По умолчанию Re: Борьба с помехами и фоном в системе ЦАП + усилитель (не решенная проблема)....

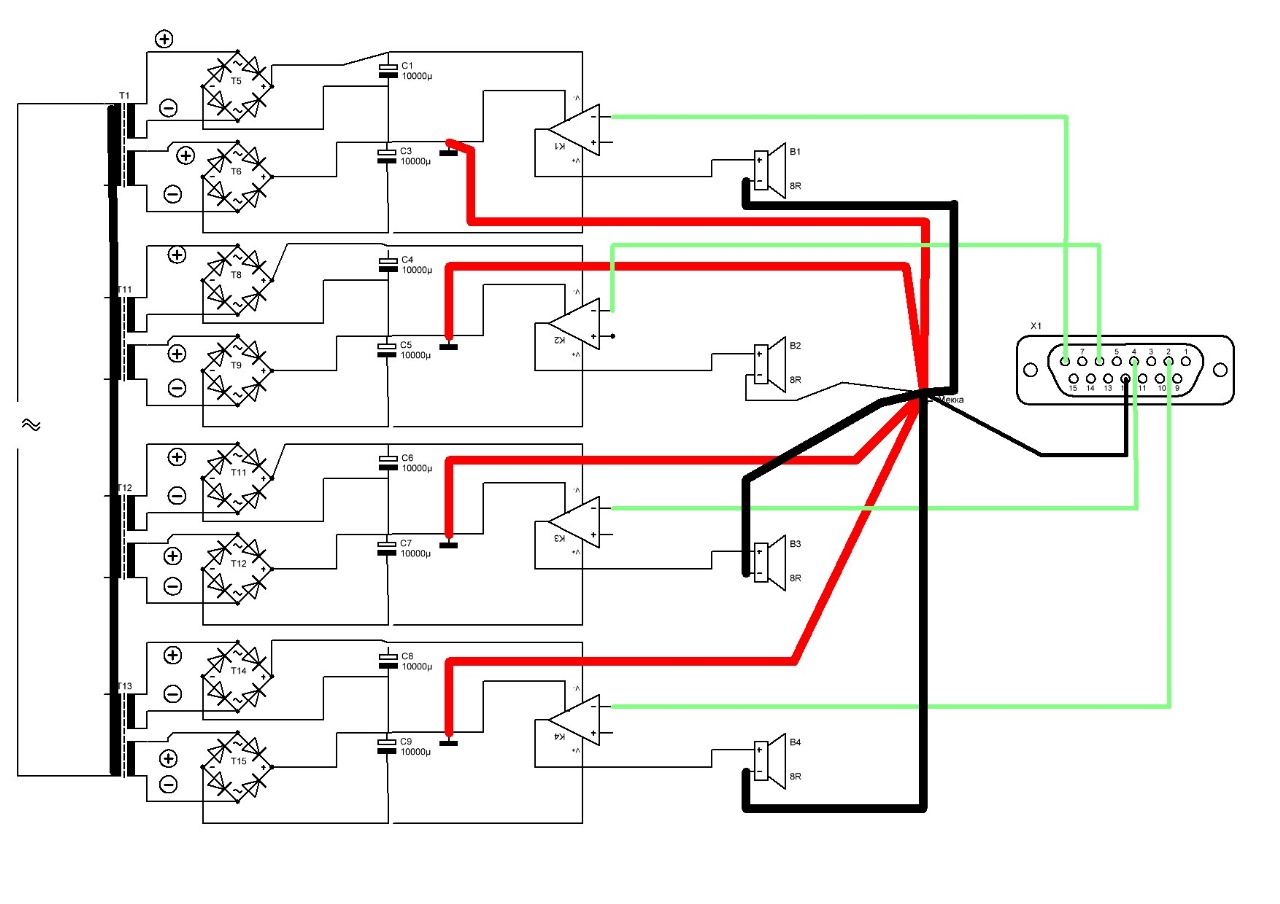
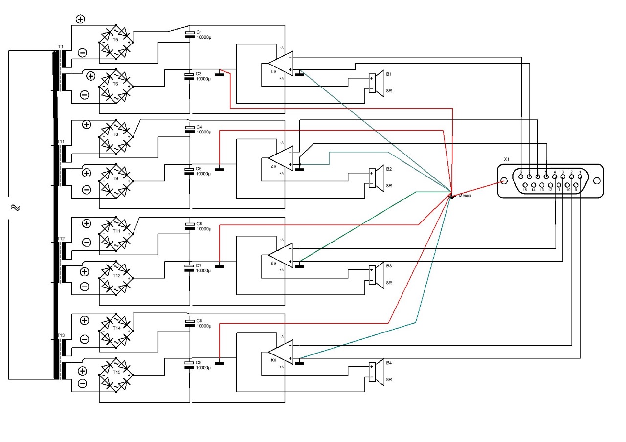
    Вот так возбуд. 1 фото

    ---------- Сообщение добавлено 20:09 ---------- Предыдущее сообщение было 20:07 ----------

    По ЦАП разрисовываю.

    ---------- Сообщение добавлено 20:14 ---------- Предыдущее сообщение было 20:09 ----------

    А во так нет и работает (вторая картинка)
    Миниатюры Миниатюры Нажмите на изображение для увеличения. 

Название:	IMG-20251013-WA0000.jpg 
Просмотров:	13 
Размер:	161.3 Кб 
ID:	479241   Нажмите на изображение для увеличения. 

Название:	IMG-20251009-WA0001(1).jpg 
Просмотров:	12 
Размер:	161.6 Кб 
ID:	479242  

  7. #7
    Завсегдатай Аватар для stratov
    Регистрация
    16.06.2020
    Адрес
    г. Сальск
    Сообщений
    1,193

    По умолчанию Re: Борьба с помехами и фоном в системе ЦАП + усилитель (не решенная проблема)....

    Цитата Сообщение от Mickhail Посмотреть сообщение
    Вот так возбуд. 1 фото

    ---------- Сообщение добавлено 20:09 ---------- Предыдущее сообщение было 20:07 ----------

    По ЦАП разрисовываю.

    ---------- Сообщение добавлено 20:14 ---------- Предыдущее сообщение было 20:09 ----------

    А во так нет и работает (вторая картинка)
    Для начала: а зачем у вас СИЛОВЫЕ земли соединяются? входные(сигнальные - да), а силовые то зачем? у вас же для их "отделения" СВОИ обмотки на каждый канал

    ---------- Сообщение добавлено 20:28 ---------- Предыдущее сообщение было 20:18 ----------

    Цитата Сообщение от Mickhail Посмотреть сообщение
    Вот так возбуд. 1 фото

    ---------- Сообщение добавлено 20:09 ---------- Предыдущее сообщение было 20:07 ----------

    По ЦАП разрисовываю.

    ---------- Сообщение добавлено 20:14 ---------- Предыдущее сообщение было 20:09 ----------

    А во так нет и работает (вторая картинка)
    на двух каналах нарисовал , как надо: земли силовые между каналами не соединяете, сигнальные тоже не соединяете, сигнальные земли соединяете ТОЛЬКО на входном разъеме , примерно так: Нажмите на изображение для увеличения. 

Название:	памы.jpg 
Просмотров:	7 
Размер:	236.6 Кб 
ID:	479243

    ---------- Сообщение добавлено 20:39 ---------- Предыдущее сообщение было 20:28 ----------

    Цитата Сообщение от Mickhail Посмотреть сообщение
    Вот так возбуд. 1 фото

    ---------- Сообщение добавлено 20:09 ---------- Предыдущее сообщение было 20:07 ----------

    По ЦАП разрисовываю.

    ---------- Сообщение добавлено 20:14 ---------- Предыдущее сообщение было 20:09 ----------

    А во так нет и работает (вторая картинка)
    Нажмите на изображение для увеличения. 

Название:	пам3.jpg 
Просмотров:	5 
Размер:	76.6 Кб 
ID:	479244 на примере двух каналов(у вас 4, не суть). Силовая и сигнальная земля у вас на плате вроде соединяются( я не знаю какие у вас платы). Т е земли должны соединяться ТОЛЬКО на входном разъеме. Вроде все.

  8. #8
    Завсегдатай Аватар для В.М.Полесов
    Регистрация
    23.11.2006
    Сообщений
    946

    По умолчанию Re: Борьба с помехами и фоном в системе ЦАП + усилитель (не решенная проблема)....

    Когда-то в юности я отвязывал сигнальную землю в УМ от земли питания малоомным резистором (так учил журнал "Wireless world" в 70-х

Социальные закладки

Социальные закладки

Ваши права

  • Вы не можете создавать новые темы
  • Вы не можете отвечать в темах
  • Вы не можете прикреплять вложения
  • Вы не можете редактировать свои сообщения
  •