Страница 1 из 2 12 Последняя
Показано с 1 по 20 из 24

Тема: Дополнение к теме LESART-17

  1. #1
    Частый гость
    Автор темы
    Аватар для scorpin
    Регистрация
    10.12.2011
    Сообщений
    467

    По умолчанию Дополнение к теме LESART-17

    Начало здесь: https://forum.vegalab.ru/showthread.php?t=97231&page=4
    Изготовил комплекс полного биампинга на основе двух усилителей УМЗЧ и приставки — активного входного двухполосного фильтра — кроссовера.
    Нажмите на изображение для увеличения. 

Название:	Комплекс биамп.png 
Просмотров:	171 
Размер:	1.07 Мб 
ID:	478406
    Для канала НЧ полосы, применен усилитель с максимальной выходной мощностью — 70 Ватт.
    Нажмите на изображение для увеличения. 

Название:	LES7 биамп.GIF 
Просмотров:	394 
Размер:	96.1 Кб 
ID:	478407
    Для канала ВЧ полосы, применен усилитель с максимальной выходной мощностью — 30 Ватт.
    Нажмите на изображение для увеличения. 

Название:	ВЧ Радиотехника LES-3.GIF 
Просмотров:	322 
Размер:	111.9 Кб 
ID:	478408
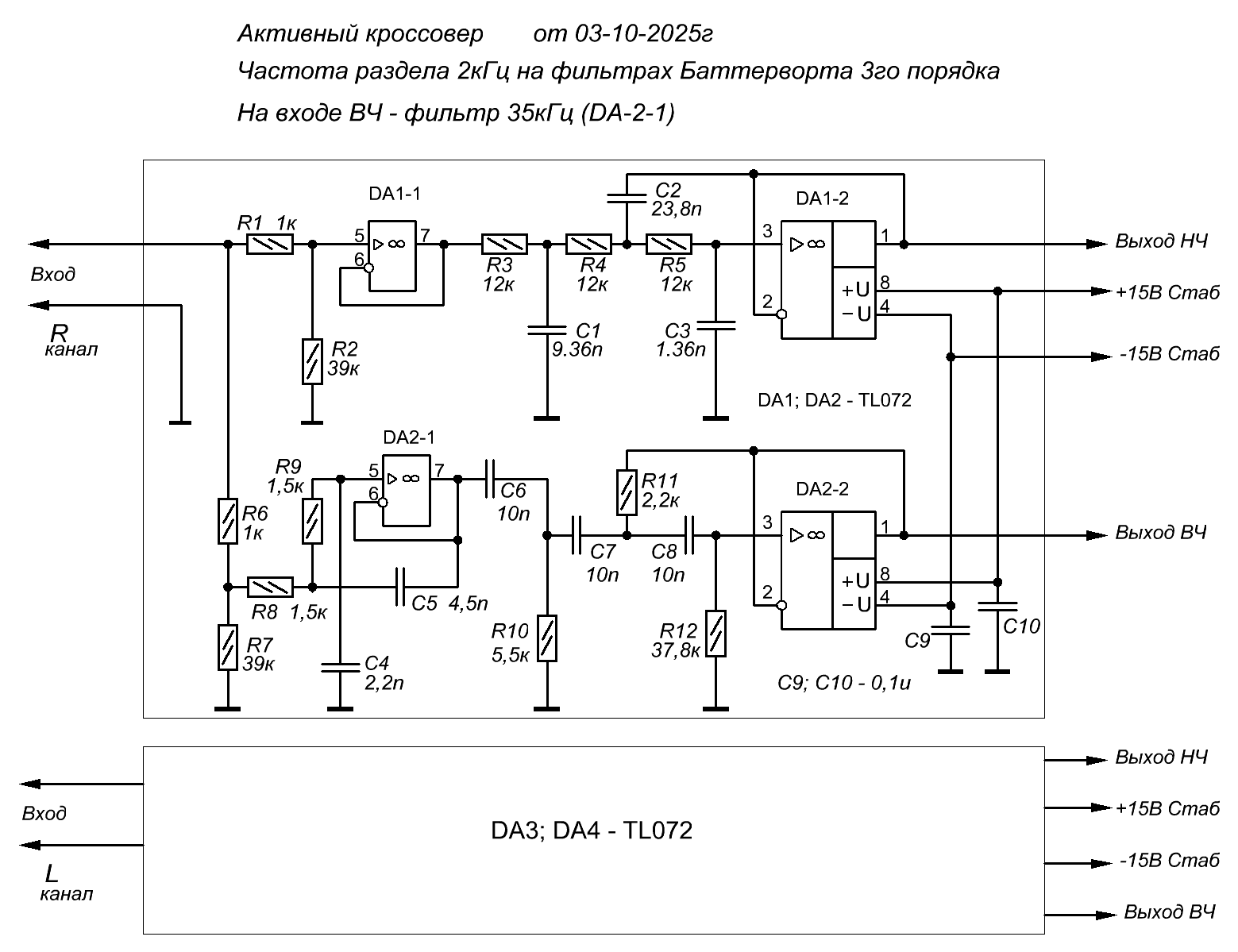
    Приставка с фильтрами изготовлена в небольшом корпусе, в котором установлены стабилизированный БП и схема с четырьмя микросхемами.
    Нажмите на изображение для увеличения. 

Название:	кросс биамп.GIF 
Просмотров:	278 
Размер:	44.8 Кб 
ID:	478409
    Схема взята из статьи; https://electroclub.info/twick/biamp...iverov-pioneer
    В этой же статье показана удобная программка для расчета полосы и номиналов фильтров; см вложение
    filtr3nd.zip
    Произвёл изменение монтажа в колонках, подвел отдельные провода на ВЧ динамики. Затем провёл прослушивание.
    Сразу стало понятно, что есть отличия между предыдущим звучанием и настоящим.
    Высокие частоты — четкие, разборчивые (прозрачные)
    Низкие частоты — бас — ёмкий, сочный.
    Моментально определяется музыкальный оригинал — качество записи и качество проигрывателя.
    Такой системой можно тестировать, на качественные параметры, НЧ и ВЧ динамики.
    Могу сказать, что для меня, это вершина моего любительского творчества.
    Мои многолетние труды и ожидания — оправдались.
    Однако, ещё есть задумка, которая ждёт воплощения.

    С уважением SCORPIN

  2. #2
    Частый гость
    Автор темы
    Аватар для scorpin
    Регистрация
    10.12.2011
    Сообщений
    467

    По умолчанию Re: Дополнение к теме LESART-17

    Провёл небольшую модернизацию:
    Дело в том что, при включении — выключении, в любой последовательности, происходит щелчок по ушам. Поставил сетевой фильтр в БП кроссовера от импульсника. Проблема осталась только по включению кроссовера — в последнюю очередь. Надо делать плавное включение кроссовера.
    Также, установил ограничивающий фильтр на 35кГц, для устранения ВЧ шумов от компьютерного ЦАПа. Зарождаемые, скорее всего, в БП компьютера. (небольшая шумовая помеха, с частотой преобразования импульсника, синхронная 100Гц амплитудой 5-10мВ) А, усилитель с выходным-R, реагирует на неслышимые частоты. Поэтому, возможны, амплитудные искажения.
    Нажмите на изображение для увеличения. 

Название:	кросс биамп.GIF 
Просмотров:	67 
Размер:	50.7 Кб 
ID:	478656
    Но это мелочи…
    Продолжая свою главную тему — оптимального выходного сопротивления, замечу, что некоторые заблуждаются в том что ставят равенство между получением выходного сопротивления с помощью токовой ОС и с помощью дополнительного последовательного резистора.
    Связи с этим, показываю измерительную схему с помощью которой можно доказать уменьшение искажений при токовой ОС.
    Нажмите на изображение для увеличения. 

Название:	схема измерения.GIF 
Просмотров:	58 
Размер:	41.4 Кб 
ID:	478657
    Ставим приборы и подключаем их к «выходу» и к точке А.
    Измеряя гармонические искажения, могу утверждать что в точке А, искажения будут выше чем на выходе. Потому что, в точке А, всегда будут токовые артефакты возникающие в электромеханической системе динамика.
    Но, дело в том что у меня нет приборов для измерения искажений и поэтому не провёл натурных измерений.
    Прислушаюсь к Вашим советам.
    С уважением SCORPIN

  3. #3
    Завсегдатай Аватар для Alexander
    Регистрация
    30.08.2008
    Адрес
    РФ Саратов
    Сообщений
    4,377

    По умолчанию Re: Дополнение к теме LESART-17

    Чем-то он напоминает YES-7 не?

  4. #4
    Частый гость
    Автор темы
    Аватар для scorpin
    Регистрация
    10.12.2011
    Сообщений
    467

    По умолчанию Re: Дополнение к теме LESART-17

    Цитата Сообщение от Alexander Посмотреть сообщение
    Чем-то он напоминает YES-7 не?
    Если ВЫ смотрели мои предыдущие темы, то там есть моя переделка YES-7 Геннадия Брагина, в целях проверки в моих конструкциях.
    Ссылка переделку - пост 66
    https://forum.vegalab.ru/showthread.php?t=94679&page=4
    Последний раз редактировалось scorpin; 04.10.2025 в 11:15.

  5. #5
    Иногдауменявыгибаютсяруки Аватар для Merstan
    Регистрация
    24.05.2008
    Адрес
    Бердянск
    Возраст
    45
    Сообщений
    14,100

    По умолчанию Re: Дополнение к теме LESART-17

    Построение фильтров АС без учёта ФЧХ и АЧХ головок в корпусе — признак...

    Телега: https://t.me/zhenatyi_papochka
    Скатывание в цифроактив — расписка в безграничной некомпетенции и глухоте

  6. #6
    Частый гость
    Автор темы
    Аватар для scorpin
    Регистрация
    10.12.2011
    Сообщений
    467

    По умолчанию Re: Дополнение к теме LESART-17

    Цитата Сообщение от Merstan Посмотреть сообщение
    Построение фильтров АС
    Для усилителей со стандартными выходными характеристиками, фильтры, в акустических системах — необходимы. Они необходимы для разделения частотного диапазона на полосы — для каждого динамического излучателя, свой частотный диапазон.

  7. #7
    Злой Аватар для _Ру_
    Регистрация
    25.05.2015
    Возраст
    43
    Сообщений
    2,215

    По умолчанию Re: Дополнение к теме LESART-17

    Цитата Сообщение от scorpin Посмотреть сообщение
    Для усилителей со стандартными выходными характеристиками, фильтры, в акустических системах — необходимы. Они необходимы для разделения частотного диапазона на полосы — для каждого динамического излучателя, свой частотный диапазон.
    Ничоси... Давай еще!

  8. #8
    Частый гость
    Автор темы
    Аватар для scorpin
    Регистрация
    10.12.2011
    Сообщений
    467

    По умолчанию Re: Дополнение к теме LESART-17

    Цитата Сообщение от _Ру_ Посмотреть сообщение
    Ничоси... Давай еще!
    Цитата Сообщение от Merstan Посмотреть сообщение
    АЧХ головок в корпусе — признак.
    Для Вас это - "открытие америки"

  9. #9
    Злой Аватар для _Ру_
    Регистрация
    25.05.2015
    Возраст
    43
    Сообщений
    2,215

    По умолчанию Re: Дополнение к теме LESART-17

    Цитата Сообщение от scorpin Посмотреть сообщение
    Для Вас это - "открытие америки"

  10. #10
    Частый гость
    Автор темы
    Аватар для scorpin
    Регистрация
    10.12.2011
    Сообщений
    467

    По умолчанию Re: Дополнение к теме LESART-17

    Обладая интеллектом разбираясь в технических вопросах - возникает вопрос - почему не отвечаете на тематические вопросы? Это высокомерие, лицемерие или не понимание темы.

  11. #11
    Иногдауменявыгибаютсяруки Аватар для Merstan
    Регистрация
    24.05.2008
    Адрес
    Бердянск
    Возраст
    45
    Сообщений
    14,100

    По умолчанию Re: Дополнение к теме LESART-17

    Покажите ФЧХ головок без фильтров и с фильтрами.

    Телега: https://t.me/zhenatyi_papochka
    Скатывание в цифроактив — расписка в безграничной некомпетенции и глухоте

  12. #12
    Частый гость
    Автор темы
    Аватар для scorpin
    Регистрация
    10.12.2011
    Сообщений
    467

    По умолчанию Re: Дополнение к теме LESART-17

    Цитата Сообщение от Merstan Посмотреть сообщение
    Покажите ФЧХ
    Снова расплывчатый вопрос. (всегда получаю такие вопросы от Merstan)
    Насколько мне известно ФЧХ (фаза-частотная характеристика) это временная характеристика и относится к электрической величине А — АЧХ (амплитудно-частотная характеристика) это величина звукового давления.
    Поэтому, измерения ФЧХ применяют при конструировании акустических систем, замеряя, отставание или опережение тех или иных частот между динамиками НЧ, СЧ, ВЧ динамиков. При этом делаются замеры звукового давления. Тем самым определяют качество акустической системы.
    Но дело в том что в моих темах ни одна из этих характеристик — не упоминается.
    В моей теме говорится, в основном, о поведении звуковой катушки, индуктивность которой меняется в процессе колебаний в магнитном зазоре.
    При углублении в зазор, индуктивность увеличивается, при выходе из зазора, индуктивность уменьшается.
    Также на катушку влияет и подаваемая, на неё, частота, что влияет на импеданс индуктивности.
    Импеданс увеличивается при резонансе колебаний механической системы.
    Также увеличивается при увеличении частоты, если частота находится выше частоты колебаний механической системы — равно неподвижной катушки.

  13. #13
    Иногдауменявыгибаютсяруки Аватар для Merstan
    Регистрация
    24.05.2008
    Адрес
    Бердянск
    Возраст
    45
    Сообщений
    14,100

    По умолчанию Re: Дополнение к теме LESART-17

    Цитата Сообщение от scorpin Посмотреть сообщение
    Снова расплывчатый вопрос.
    Покажите акустическую ФЧХ динамиков (1) без кроссоверов и (2) с вашими кроссоверами.
    Обязательно привязать точку временного отсчёта к более высокочастотному динамику или к тому динамику, у которого акустический центр высших полезных частот ближе к микрофону.

    Телега: https://t.me/zhenatyi_papochka
    Скатывание в цифроактив — расписка в безграничной некомпетенции и глухоте

  14. #14
    Частый гость
    Автор темы
    Аватар для scorpin
    Регистрация
    10.12.2011
    Сообщений
    467

    По умолчанию Re: Дополнение к теме LESART-17

    Цитата Сообщение от Merstan Посмотреть сообщение
    Покажите акустическую ФЧХ
    Продолжаете задавать вопросы на которые у меня нет ответов. Я не занимаюсь акустикой и не провожу измерения акустических систем.

  15. #15
    Иногдауменявыгибаютсяруки Аватар для Merstan
    Регистрация
    24.05.2008
    Адрес
    Бердянск
    Возраст
    45
    Сообщений
    14,100

    По умолчанию Re: Дополнение к теме LESART-17

    Это
    Цитата Сообщение от scorpin Посмотреть сообщение
    Схема взята из статьи; https://electroclub.info/twick/biamp...iverov-pioneer
    В этой же статье показана удобная программка для расчета полосы и номиналов фильтров; см вложение
    filtr3nd.zip
    без этого
    Цитата Сообщение от scorpin Посмотреть сообщение
    не провожу измерения акустических систем.
    невозможно изготовить.
    Иначе у вас ящик с динамиками, которому не помогут хорошие УМЗЧ, оно плохо играет, и это слышно (должно быть, если есть слух).

    Это база.

    Телега: https://t.me/zhenatyi_papochka
    Скатывание в цифроактив — расписка в безграничной некомпетенции и глухоте

  16. #16
    Злой Аватар для _Ру_
    Регистрация
    25.05.2015
    Возраст
    43
    Сообщений
    2,215

    По умолчанию Re: Дополнение к теме LESART-17

    Цитата Сообщение от scorpin Посмотреть сообщение
    Схема взята из статьи; https://electroclub.info/twick/biamp...iverov-pioneer
    В этой же статье показана удобная программка для расчета полосы и номиналов фильтров
    Также, в той статье черным по белому написано, что нельзя вот так просто взять и взять.

  17. #17
    Иногдауменявыгибаютсяруки Аватар для Merstan
    Регистрация
    24.05.2008
    Адрес
    Бердянск
    Возраст
    45
    Сообщений
    14,100

    По умолчанию Re: Дополнение к теме LESART-17

    И как доверять мнению глухого, что усилитель хороший?
    Зачем это всё?

    Телега: https://t.me/zhenatyi_papochka
    Скатывание в цифроактив — расписка в безграничной некомпетенции и глухоте

  18. #18
    Частый гость
    Автор темы
    Аватар для scorpin
    Регистрация
    10.12.2011
    Сообщений
    467

    По умолчанию Re: Дополнение к теме LESART-17

    Цитата Сообщение от Merstan Посмотреть сообщение
    Зачем это всё?
    Перевели в область флейма и пытаетесь что доказать без доказательств.

  19. #19
    Частый гость
    Автор темы
    Аватар для scorpin
    Регистрация
    10.12.2011
    Сообщений
    467

    По умолчанию Re: Дополнение к теме LESART-17

    Каждый день, с утра включаю приятную музыку на средней громкости.
    Одним словом — восхитительно.
    Прихожу к выводу, что надо делать (полный биампинг) в одном корпусе.
    Кроме того, ставить регулятор громкости только на ВЧ канал (иногда, приходится регулировать)
    Необходимо ставить эффективный сетевой фильтр помех. Иначе, через ВЧ канал, проходит импульс включения аппаратов, в любой последовательности, стоящих в одном розеточном блоке.
    Так-же необходимо ограничить наивысшие частоты ВЧ канала до 20-25кГц.
    Необходимость обусловлена присутствием шумов и помех находящихся выше звуковых частот, которые могут влиять на сигнал воспроизведения звука.
    Дополнительно, в цепи питания ОУ фильтров, поставил плавную подачу напряжения (1,5 секунд) для исключения резких переходных процессов по включению.Нажмите на изображение для увеличения. 

Название:	БП актив фильтра.png 
Просмотров:	84 
Размер:	108.1 Кб 
ID:	479317

  20. #20
    PaX PALANTiRA Аватар для EDDiE
    Регистрация
    13.02.2006
    Адрес
    GAZ-A-LAGO
    Сообщений
    13,336

    По умолчанию Re: Дополнение к теме LESART-17

    1 А что так величину емкости пожалели на С7С10С14?
    2 Насколько полевики на выходе увеличивают Rвых стаба?
    3 Кстати, на этих полевиках ожн организовать "виртуальную" батарейку для дополнительной фильтрации питания ОУ



    Цитата Сообщение от scorpin Посмотреть сообщение
    Необходимость обусловлена присутствием шумов и помех находящихся выше звуковых частот, которые могут влиять на сигнал воспроизведения звука.
    Откуда они там ?

Страница 1 из 2 12 Последняя

Социальные закладки

Социальные закладки

Ваши права

  • Вы не можете создавать новые темы
  • Вы не можете отвечать в темах
  • Вы не можете прикреплять вложения
  • Вы не можете редактировать свои сообщения
  •