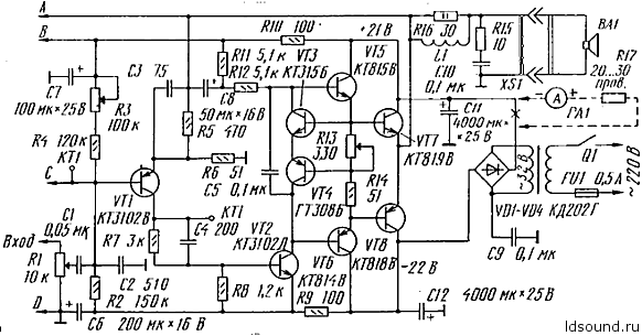
Всем привет. Собираю УМЗЧ Акулиничева с широкополосной ООС. По схеме стоят КТ814\15 и КТ818\19. Проблема в том, что их качество исполнения поражает. Мало того что все кривые (выпуклая подложка), так и разброс hfe от 20 до 120.
Что конкретно в эту схему можно поставить на их замену?
2SC4793-2SA1837 на пред?
А что на выход в корпусе ТО-220? TIP41\42 пойдут?




Социальные закладки