Показано с 1 по 6 из 6

Тема: Carver TFM-45

  1. #1
    Давно не заходил
    Автор темы

    Регистрация
    24.05.2010
    Адрес
    Украина, Киев
    Сообщений
    498

    По умолчанию Carver TFM-45

    Carver TFM-45 магнетик фиелд?

    Что за зверь? В чем фишка/ подвох?

    ---------- Сообщение добавлено 23:58 ---------- Предыдущее сообщение было 23:32 ----------

    "МногоЭтажное питание? "...
    Или есть что хорошего?

    ---------- Сообщение добавлено 23:59 ---------- Предыдущее сообщение было 23:58 ----------

    Нажмите на изображение для увеличения. 

Название:	IMG_20220103_215743.jpg 
Просмотров:	449 
Размер:	372.7 Кб 
ID:	413489
    Нажмите на изображение для увеличения. 

Название:	IMG_20220103_232606.jpg 
Просмотров:	192 
Размер:	283.6 Кб 
ID:	413495
    Последний раз редактировалось Алексей L; 05.01.2022 в 12:10.

  2. #2
    Завсегдатай Аватар для audiomun
    Регистрация
    31.08.2011
    Адрес
    Санкт-Петербург
    Возраст
    71
    Сообщений
    3,901

    По умолчанию Re: Carver TFM-45

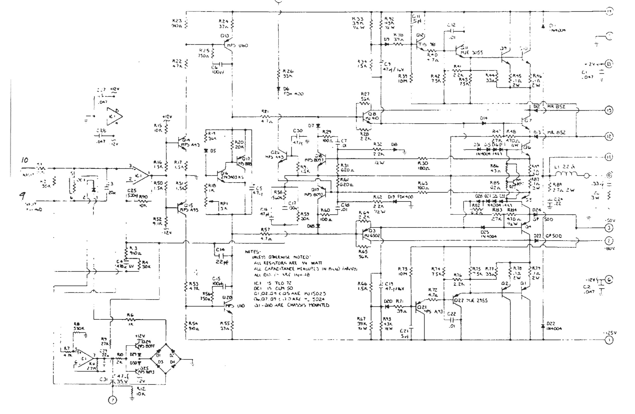
    Весьма сложно судить по такого качества схеме, она практически не читаема ...

  3. #3
    Давно не заходил
    Автор темы

    Регистрация
    24.05.2010
    Адрес
    Украина, Киев
    Сообщений
    498

    По умолчанию Re: Carver TFM-45

    А если так?

  4. #4
    Завсегдатай Аватар для 25602
    Регистрация
    07.07.2006
    Адрес
    Украина, Балта
    Возраст
    41
    Сообщений
    2,046

    По умолчанию Re: Carver TFM-45

    Цитата Сообщение от Алексей L Посмотреть сообщение
    В чем фишка/ подвох?
    Класс G, снижение тепловыделения

  5. #5
    Давно не заходил
    Автор темы

    Регистрация
    24.05.2010
    Адрес
    Украина, Киев
    Сообщений
    498

    По умолчанию Re: Carver TFM-45

    И все? А что там с " Малой обратной связью"?..
    Что за " Магнетик Фиелд"?

  6. #6
    Иногдауменявыгибаютсяруки Аватар для Merstan
    Регистрация
    24.05.2008
    Адрес
    Бердянск
    Возраст
    45
    Сообщений
    14,434

    По умолчанию Re: Carver TFM-45

    Нажмите на изображение для увеличения. 

Название:	Carver-TFM-45.jpg 
Просмотров:	176 
Размер:	964.4 Кб 
ID:	414032

    Телега: https://t.me/zhenatyi_papochka
    Скатывание в цифроактив — расписка в безграничной некомпетенции и глухоте

Социальные закладки

Социальные закладки

Ваши права

  • Вы не можете создавать новые темы
  • Вы не можете отвечать в темах
  • Вы не можете прикреплять вложения
  • Вы не можете редактировать свои сообщения
  •