Показано с 1 по 1 из 1

Тема: LC генератор

  1. #1
    Частый гость
    Автор темы
    Аватар для Lapasso
    Регистрация
    11.11.2008
    Адрес
    Дзержинск
    Сообщений
    181

    По умолчанию LC генератор

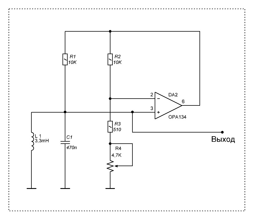
    Собрал LC генератор на микросхеме OPA134. Достаточно большой уровень гармоник. Кто может посоветовать в каком направлении двигаться для снижения уровня гармоник?
    Вместо R4 используется узел стабилизации амплитуды на оптроне H11F1. При уменьшении выходного напряжения уровень гармоник уменьшается. Минимальный уровень при сигнале 500 мв. Индуктивность намотана на стержне без магнитного экранирования. Поставил индуктивность с магнитным экранированием результат не изменился.

    Нажмите на изображение для увеличения. 

Название:	LC_генератор.JPG 
Просмотров:	127 
Размер:	52.9 Кб 
ID:	379787

    2 рисунка с выходным напряжением 2500 и 250 мв соответственно.
    Нажмите на изображение для увеличения. 

Название:	u_2500mv.png 
Просмотров:	115 
Размер:	155.4 Кб 
ID:	379788 Нажмите на изображение для увеличения. 

Название:	u_250mv.png 
Просмотров:	134 
Размер:	148.1 Кб 
ID:	379789

    Форма сигналов на выводах 3 и 6 микросхемы.

    Нажмите на изображение для увеличения. 

Название:	Pin_3.png 
Просмотров:	110 
Размер:	20.5 Кб 
ID:	379790Нажмите на изображение для увеличения. 

Название:	Pin_6.png 
Просмотров:	84 
Размер:	18.3 Кб 
ID:	379791
    Последний раз редактировалось Lapasso; 09.09.2020 в 08:37.

Социальные закладки

Социальные закладки

Ваши права

  • Вы не можете создавать новые темы
  • Вы не можете отвечать в темах
  • Вы не можете прикреплять вложения
  • Вы не можете редактировать свои сообщения
  •