Показано с 1 по 4 из 4

Тема: Трансформаторы выходные для двухтакта на Гу 29 - на БДС 10965-73

  1. #1
    Старый знакомый
    Автор темы
    Аватар для Lukasarts
    Регистрация
    19.10.2013
    Адрес
    Город Герой Донецк!!!
    Сообщений
    540

    По умолчанию Трансформаторы выходные для двухтакта на Гу 29 - на БДС 10965-73

    Добрый день дорогие форумчане !

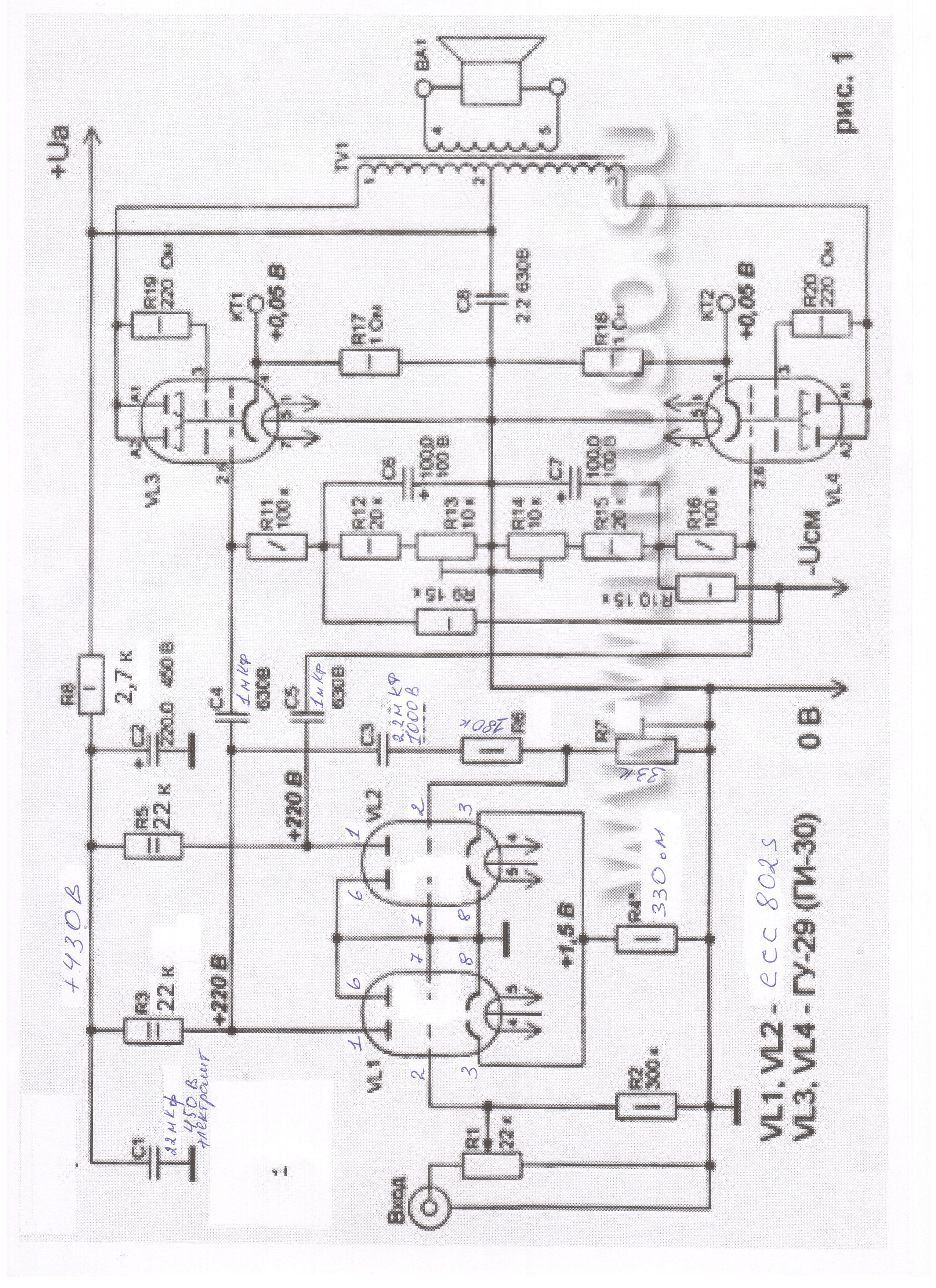
    Подвернулись сегодня на местной толкучке два транса БДС 10965 как на фото.

    Хочу использовать их с прилагаемой схемой в качестве выходных для двухтакта !

    Кто имел опыт работы на таком железе ?

    Покритикуйте .... нужна информация.
    СпасибоНажмите на изображение для увеличения. 

Название:	СХЕМА МОЯ 88 гу 29 ум.jpg 
Просмотров:	339 
Размер:	1.95 Мб 
ID:	379257Нажмите на изображение для увеличения. 

Название:	IMG_20200901_135920.jpg 
Просмотров:	286 
Размер:	2.73 Мб 
ID:	379258Нажмите на изображение для увеличения. 

Название:	IMG_20200901_140142.jpg 
Просмотров:	263 
Размер:	2.95 Мб 
ID:	379259Нажмите на изображение для увеличения. 

Название:	IMG_20200901_140201.jpg 
Просмотров:	223 
Размер:	3.27 Мб 
ID:	379260Нажмите на изображение для увеличения. 

Название:	IMG_20200901_140220.jpg 
Просмотров:	248 
Размер:	3.10 Мб 
ID:	379261

  2. #2
    Завсегдатай
    Регистрация
    12.01.2017
    Сообщений
    2,939

    По умолчанию Re: Трансформаторы выходные для двухтакта на Гу 29 - на БДС 10965-73

    если новичек бери лучше на пл железе с двумя катушками -легче будет симметричную намотку для РР сделать тем более изоляция должна быть хорошая а если пробьет то пи...дец бабке

  3. #3
    Старый знакомый
    Автор темы
    Аватар для Lukasarts
    Регистрация
    19.10.2013
    Адрес
    Город Герой Донецк!!!
    Сообщений
    540

    По умолчанию Re: Трансформаторы выходные для двухтакта на Гу 29 - на БДС 10965-73

    бабка она потому и дожила до бабки, что симметрию по жизни соблюдала )

    мотать буду не я. мотать будут дочери сорокалетних девственниц при свете молодой третьей луны )

    а железо то как ? пробовал кто ?

  4. #4
    Частый гость
    Регистрация
    30.07.2009
    Адрес
    г.Москва
    Возраст
    68
    Сообщений
    130

    По умолчанию Re: Трансформаторы выходные для двухтакта на Гу 29 - на БДС 10965-73

    а железо то как ? пробовал кто ?[/QUOTE]
    Думаю,что железо не очень вкусное,надо подперчить.

    Да и ГУ-29 -отличная лампа.

Социальные закладки

Социальные закладки

Ваши права

  • Вы не можете создавать новые темы
  • Вы не можете отвечать в темах
  • Вы не можете прикреплять вложения
  • Вы не можете редактировать свои сообщения
  •