Показано с 1 по 6 из 6

Тема: Составление схемы по описанию

  1. #1
    Зарегистрировался
    Автор темы

    Регистрация
    06.05.2020
    Сообщений
    2

    По умолчанию Составление схемы по описанию

    Всем здравствуйте, единомышленники! Сможет ли кто помочь в составление схемы по описанию:

    В состав схемы обязательно входят следующие элементы:

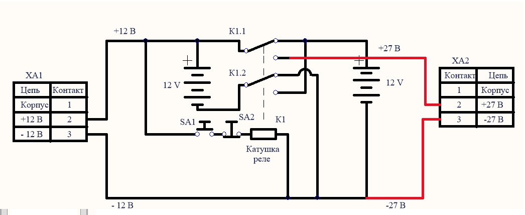
    Есть два аккумулятора по 13,5 вольт и емкостью 17 ампер/час далее по документу “BAT1” и “BAT2”. Есть две кнопки, не фиксируемые, далее по документу “SA1” и “SA2”. Есть два разъема, далее по документу “XA1” и “XA2”.

    Есть 2 основных состояния системы это “выключено” и “включено“. В состоянии “выключено” аккумуляторы подключены параллельно и могут перейти в состоянии заряда при подключении зарядного устройства к разъему XA1. Стоит предусмотреть, чтобы зарядные устройства обладали функцией детектирования наличия нужного аккумулятора. Из состояния “выключено” при кратковременном нажатие кнопки “SA1” схема переходит в режим “включено“ и остается в нем после отпускания этой кнопки. В режиме “включено“ элементы “BAT1” и “BAT2” должны оказаться в последовательном включении. В этом режиме на разъеме XA2 должен присутствовать потенциал напряжением в 27 вольт и током, величиной не меньше, которую способны отдать аккумуляторы. Выход из режима “включено“ производится нажатием на кнопку «SA2». Внимание, в режиме “выключено” уровень потребления от аккумуляторов по току не должен превышать значения 0.1 миллиампер.

  2. #2
    Старый знакомый
    Регистрация
    06.03.2010
    Адрес
    Черновцы, Украина
    Возраст
    77
    Сообщений
    532

    По умолчанию Re: Составление схемы по описанию

    Называйте вещи своими именами - это не "составление" схемы, а разработка устройства, что гораздо дороже.
    Требования к устройству подозрительно напоминают требования к источнику питания систем пожарной сигнализации в соответствии с EN 54-4.
    Кстати, за бесплатно - на заряд аккумуляторы ставятся не параллельно - ток будет идти в один аккумулятор, а каждый к своему зарядному узлу.
    И 100 мкА в режиме контроля - это дурная фантастика, допускается до 1% рабочего тока.
    На выходе не потенциал, а напряжение, раз отбирается ток.

  3. #3
    http://akotov.narod.ru Аватар для Александр Котов
    Регистрация
    19.10.2004
    Адрес
    Ленобласть
    Возраст
    55
    Сообщений
    3,182

    По умолчанию Re: Составление схемы по описанию

    Смысл этого цирка?

  4. #4
    Завсегдатай Аватар для ВаСыЛь
    Регистрация
    19.11.2016
    Адрес
    Херсонская обл. На берегу моря.
    Возраст
    42
    Сообщений
    2,086

    По умолчанию Re: Составление схемы по описанию

    Цитата Сообщение от Александр Котов Посмотреть сообщение
    Смысл этого цирка?

    Offтопик:
    Видимо зачет какой или экзамен.

  5. #5
    Старый знакомый
    Регистрация
    21.01.2018
    Адрес
    Минск
    Сообщений
    859

    По умолчанию Re: Составление схемы по описанию

    Задачка решается двумя реле с кнопками. Через каждое реле постоянно протекает ток ниже тока срабатывания, но выше тока отпускания. Для этого включаются резисторы последовательно с обмоткой каждого реле. Нажатием кнопки на реле подается кратковременно напряжение, переводящее его во включенное состояние. При отпускании кнопки, оно удерживается током (который, как уже писалось, выше тока отпускания). Возможно, потребуется конденсатор где-то включить за задержки включения-выключения, чтобы автоколебания не начались.
    Последний раз редактировалось Сергей Гапоненко; 08.05.2020 в 01:02.

  6. #6
    Зарегистрировался
    Автор темы

    Регистрация
    06.05.2020
    Сообщений
    2

    По умолчанию Re: Составление схемы по описанию

    Цитата Сообщение от Сергей Гапоненко Посмотреть сообщение
    Задачка решается двумя реле с кнопками. Через каждое реле постоянно протекает ток ниже тока срабатывания, но выше тока отпускания. Для этого включаются резисторы последовательно с обмоткой каждого реле. Нажатием кнопки на реле подается кратковременно напряжение, переводящее его во включенное состояние. При отпускании кнопки, оно удерживается током (который, как уже писалось, выше тока отпускания). Возможно, потребуется конденсатор где-то включить за задержки включения-выключения, чтобы автоколебания не начались.

    А так не пойдет? Я просто начинающий в этом деле
    Миниатюры Миниатюры Нажмите на изображение для увеличения. 

Название:	Безымянный1.jpg 
Просмотров:	88 
Размер:	62.4 Кб 
ID:	371794  

Социальные закладки

Социальные закладки

Ваши права

  • Вы не можете создавать новые темы
  • Вы не можете отвечать в темах
  • Вы не можете прикреплять вложения
  • Вы не можете редактировать свои сообщения
  •