Страница 1 из 5 123 ... Последняя
Показано с 1 по 20 из 100

Тема: Усилитель напряжения

  1. #1
    Профиль удален
    Автор темы
    Аватар для bukvarev
    Регистрация
    18.08.2012
    Адрес
    Нижний Новгород
    Возраст
    53
    Сообщений
    1,825

    По умолчанию Усилитель напряжения

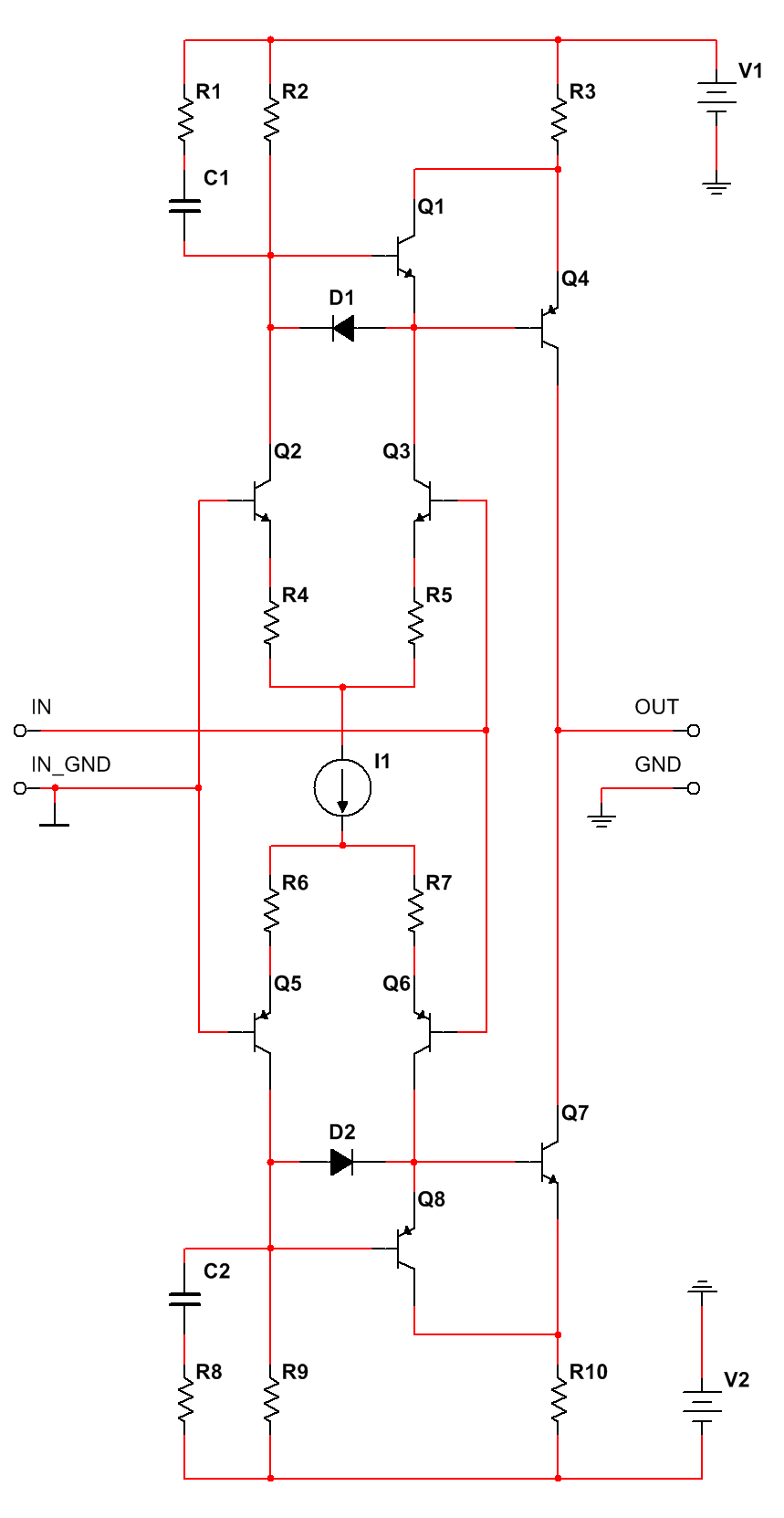
    Нажмите на изображение для увеличения. 

Название:	CSB_VAS_concept.gif 
Просмотров:	2716 
Размер:	22.7 Кб 
ID:	353611
    1. Инвертирующий УН.
    Построен по симметричной схеме на двух дифференциальных каскадах. Прототип плеча - схема с выходным транзистором по схеме "ОЭ" с резисторами в базе и эмиттере, включенным в нагрузку дифференциального каскада (например, "никитинская").

    Отличается введением Q1(Q8) и D1(D2).
    Q1(Q8) совместно с Q4(Q7) образуют пары Баксандала.
    Для тока транзистора Q3, транзистор Q1 включен по схеме с общей базой. Т.е. виртуально, коллектор Q3 подключен к эмиттеру Q4.
    Для напряжения положительной обратной связи в коллектор входного транзистора (с коэффициентом на НЧ ~R2/(R4+R5) ) - по схеме с общим коллектором.
    Диоды служат для обеспечения работы при глубокой перегрузке ДК.
    Включение/выключение/защита производятся управлением единственным источником тока I1.
    Для полезного сигнала, Q2(Q5) включены по схеме с ОБ и нагрузкой на "высокоомную" точку. Транзисторы Q3(Q6) - по схеме с общим эмиттером, с нагрузкой на низкоомную точку и местной положительной обратной связью. Это обеспечивает минимизацию эффекта Миллера.
    Цепи частотной коррекции R1C1(R8C2) - по вкусу.

    2. Для чего это было нужно.
    а) Для улучшения "конструктива". Дело в том, что такая схема условно делится на три "домена", разделенных друг относительно друга высокоомными цепями:
    - ядро источника тока I1 (низковольтное питание входной части усилителя),
    - дифференциальный каскад (малосигнальная "земля"),
    - шины высоковольтного питания УН.
    Это позволяет обеспечить большую свободу проектирования конструкции и провести удобное "разземление" входа и выхода.
    б) Для улучшения PSRR. Схема не содержит источников напряжения смещения и каскодов, привязанных базами к цепям питания.
    в) Для упрощения схемы и использования в дифференциальном каскаде относительно маломощных транзисторов, работающих без каскодов на полное напряжение питания (до +-63 В) при небольшой девиации сигнального тока.
    г) Для получения удобства управления.


    3. Этот УН по широкополосности уступает классической схеме "ОК->ломаный каскод" из-за дополнительного полюса, вносимого на десятках МГц транзисторами Q1(Q8) и отсутствием частотного форсирования в ДК.
    По искажениям такая схема сравнима с классической, и на 6..10 дБ выгоднее прототипа с общим эмиттером.

    Похожая схема использована в усилителе "CSB".
    Последний раз редактировалось bukvarev; 04.09.2019 в 19:17.
    С наилучшими пожеланиями, Евгений.

  2. #2
    Старый знакомый
    Регистрация
    05.05.2006
    Адрес
    Kiev
    Возраст
    61
    Сообщений
    500

    По умолчанию Re: Усилитель напряжения

    НА первый взгляд напряжения Б-Э Q7 недостаточно для работы Q8 ?

  3. #3
    Завсегдатай Аватар для .Васильев
    Регистрация
    04.04.2007
    Адрес
    новгородская обл Пестово на Мологе
    Сообщений
    10,818

    По умолчанию Re: Усилитель напряжения

    Следящее будет?
    С уважением Максим.

  4. #4
    Профиль удален
    Автор темы
    Аватар для bukvarev
    Регистрация
    18.08.2012
    Адрес
    Нижний Новгород
    Возраст
    53
    Сообщений
    1,825

    По умолчанию Re: Усилитель напряжения

    Цитата Сообщение от Peredelkin1 Посмотреть сообщение
    напряжения Б-Э Q7 недостаточно для работы Q8 ?
    Определяется выбором транзисторов и рабочим током Q1(Q8). Если использовать транзисторы, нормированные при Uкэ <=1 V (например, MMBT3904/06, MMBT4124/4126, и т.д.). При необходимости, в эмиттерную цепь Q4(Q4) можно добавить источник дополнительного падения напряжения. Приведенная в заголовке схема не является полной.

    Цитата Сообщение от .Васильев Посмотреть сообщение
    Следящее будет?
    Следящее в данной схеме не требуется.
    Схема предназначена для усилителя мощности с ОУ на входе.
    С наилучшими пожеланиями, Евгений.

  5. #5
    Старый знакомый Аватар для -UST-
    Регистрация
    06.12.2012
    Адрес
    Омск
    Возраст
    41
    Сообщений
    742

    По умолчанию Re: Усилитель напряжения

    Интересно получилось.
    Можно попробовать выравнять токи I1 = IR3. На НЧ использовать левые по схеме плечи ДК, а на ВЧ правые. Или так и предполагается?

    __________
    Прочитал
    Цитата Сообщение от bukvarev Посмотреть сообщение
    использования в дифференциальном каскаде относительно маломощных транзисторов, работающих без каскодов на полное напряжение питания (до +-63 В) при небольшой девиации сигнального тока.
    Значит не так.

    Цитата Сообщение от bukvarev Посмотреть сообщение
    из-за дополнительного полюса, вносимого на десятках МГц транзисторами Q1(Q8)
    А чуть подробнее можно? Это из-за низкого Uкэ? Или из-за коллекторной емкости?
    Последний раз редактировалось -UST-; 31.08.2019 в 22:02.

  6. #6
    Профиль удален
    Автор темы
    Аватар для bukvarev
    Регистрация
    18.08.2012
    Адрес
    Нижний Новгород
    Возраст
    53
    Сообщений
    1,825

    По умолчанию Re: Усилитель напряжения

    Цитата Сообщение от -UST- Посмотреть сообщение
    А чуть подробнее можно? Это из-за низкого Uкэ? Или из-за коллекторной емкости?
    Там все играет роль, и низкое напряжение Uкэ, и рабочий ток транзистора, и его частота единичного усиления, и бетта.
    В целом, из-за частотной зависимости бетта Q1(Q8), выходное сопротивление каскадов Q1(Q8) имеет индуктивный характер. Со входной емкостью выходных каскадов образуется колебательный контур. В большей мере влияние Q1(Q8) проявляется с увеличением емкости нагрузки УН. Можно даже получить выброс на АЧХ. Уменьшить выброс можно установкой "традиционных" резисторов в базы выходных транзисторов (но это ухудшит ФЧХ).

    На практике важно использовать максимально широкополосные транзисторы, работающие при малом Uкэ, с не очень большим бетта на постоянном токе.
    Последний раз редактировалось bukvarev; 01.09.2019 в 10:10.
    С наилучшими пожеланиями, Евгений.

  7. #7
    Завсегдатай Аватар для antonluba
    Регистрация
    12.12.2014
    Адрес
    Сочи, Коломна
    Возраст
    47
    Сообщений
    1,119

    По умолчанию Re: Усилитель напряжения

    А можно более подробно про реализацию источника тока i1?

  8. #8
    Профиль удален
    Автор темы
    Аватар для bukvarev
    Регистрация
    18.08.2012
    Адрес
    Нижний Новгород
    Возраст
    53
    Сообщений
    1,825

    По умолчанию Re: Усилитель напряжения

    Цитата Сообщение от antonluba Посмотреть сообщение
    А можно более подробно про реализацию источника тока i1?
    Возможно, позже. В конце концов, это все - фрагменты коммерческого аппарата, существующего в железе .
    С наилучшими пожеланиями, Евгений.

  9. #9
    Завсегдатай Аватар для fakel
    Регистрация
    30.11.2007
    Адрес
    Оренбург
    Возраст
    42
    Сообщений
    11,277

    По умолчанию Re: Усилитель напряжения

    что-то подобное делал https://forum.vegalab.ru/showthread.php?t=28065

  10. #10
    Особо опасный рецидивист Аватар для belka
    Регистрация
    03.01.2005
    Адрес
    Евродупло
    Сообщений
    3,859

    По умолчанию Re: Усилитель напряжения

    Цитата Сообщение от bukvarev Посмотреть сообщение
    Похожая схема использована в усилителе "CSB
    2 транзистора недорисовал, так видится)
    Хай-эндЪ не терпит суеты.

  11. #11
    Профиль удален
    Автор темы
    Аватар для bukvarev
    Регистрация
    18.08.2012
    Адрес
    Нижний Новгород
    Возраст
    53
    Сообщений
    1,825

    По умолчанию Re: Усилитель напряжения

    Цитата Сообщение от belka Посмотреть сообщение
    2 транзистора недорисовал, так видится)
    Если в сигнальной цепи, то возможно. Тут для производства приходится каждую точку пайки считать

    В целом, еще два транзистора используются для вспомогательного ("запирающего") источника тока Iзап, расположенного между эмиттерами Q1 и Q8, чтобы исключить работу схемы в микротоковом режиме (при плавном нарастании I1).
    Баланс токов ДК и "запирающего" позволяет обеспечить старт УН при токе I1>2*Iзап.
    Но это уже одна из особенностей реализации, связанная с построением самовосстанавливающейся защиты от перегрузки по ОБР. В общем виде, дополнительный источник тока не нужен.

    ЗЫ. Кстати, так выглядит отработка глубокой перегрузки отдельно взятого УН (с отсечкой в ДК):
    Нажмите на изображение для увеличения. 

Название:	Жесткий клип УН с отсечкой ДК.jpg 
Просмотров:	398 
Размер:	42.2 Кб 
ID:	353813
    С наилучшими пожеланиями, Евгений.

  12. #12
    http://akotov.narod.ru Аватар для Александр Котов
    Регистрация
    19.10.2004
    Адрес
    Ленобласть
    Возраст
    56
    Сообщений
    3,183

    По умолчанию Re: Усилитель напряжения

    Искажения еще выше, чем в классической схеме. Нужно компенсировать дополнительный полюс. В чём смысл??

  13. #13
    Профиль удален
    Автор темы
    Аватар для bukvarev
    Регистрация
    18.08.2012
    Адрес
    Нижний Новгород
    Возраст
    53
    Сообщений
    1,825

    По умолчанию Re: Усилитель напряжения

    Цитата Сообщение от Александр Котов Посмотреть сообщение
    Искажения еще выше, чем в классической схеме. Нужно компенсировать дополнительный полюс. В чём смысл??
    Искажения ниже, чем в схеме с общим эмиттером (на 8-13 дБ, в зависимости от номера гармоники), и примерно такие же, как в классической схеме.
    Причину использования написал в первом посту.
    Дополнительно, есть тонкость, что копировать чужие решения (например, СЛА) для использования в коммерческих целях неэтично.
    Ниже - спектры гармоник частоты 25 кГц и интермодов частот 199 и 253 кГц УН из CSB при работе на резистор 15 кОм и размахе напряжения 80 В.
    Графики ограничены двумя гармониками потому, что гармоники более высокого порядка находятся под шумами использованного прибора.
    Для УН до охвата общей ООС этого более, чем достаточно (уровни нелинейных компонентов порядка -63..67 дБн).
    Нажмите на изображение для увеличения. 

Название:	CSB_УН_гармоники 25 кГц 15 кОм нагрузка 40 В амп.gif 
Просмотров:	475 
Размер:	13.3 Кб 
ID:	353853
    Нажмите на изображение для увеличения. 

Название:	CSB_УН_интермоды 15 кОм нагрузка 40 В амп.GIF 
Просмотров:	430 
Размер:	13.5 Кб 
ID:	353854

    Вот для сравнения спектр обычного УН с ОЭ в примерно равных условиях (ток выходного транзистора, сопротивление нагрузки, размах выходного напряжения):
    Нажмите на изображение для увеличения. 

Название:	УН 40 В ампл 12,5 кОм нагр.jpg 
Просмотров:	489 
Размер:	107.9 Кб 
ID:	353855
    С наилучшими пожеланиями, Евгений.

  14. #14
    http://akotov.narod.ru Аватар для Александр Котов
    Регистрация
    19.10.2004
    Адрес
    Ленобласть
    Возраст
    56
    Сообщений
    3,183

    По умолчанию Re: Усилитель напряжения

    Цитата Сообщение от bukvarev Посмотреть сообщение
    спектр обычного УН с ОЭ
    Да я со своим усилителем сравниваю, а не просто с ОЭ.
    http://akotov.narod.ru/amp.html

  15. #15
    Завсегдатай
    Регистрация
    18.07.2005
    Сообщений
    4,004

    По умолчанию Re: Усилитель напряжения

    Данная схемотехника УН имеет как минимум два существенных практических достоинства:
    Первое, это встроенная компенсация выходной емкости выходных транзисторов УН, что позволяет применять на их месте недефицитные и надежные транзисторы с большими Cкб, например, MJE340/350.
    Второе - это простота обеспечения малых потерь напряжения (хорошее использование напряжения питания), что позволяет питать такой УН от того же напряжения, что и выходной каскад (PSRR у этого УН весьма высок).
    Еще тут важно то, что удобно формируется полюсно-нулевая пара, и нет риска "разгона" токов при клиппинге (стандартная проблема УН ОЭ).

  16. #16
    Забанен (навсегда)
    Регистрация
    30.09.2006
    Сообщений
    1,800

    По умолчанию Re: Усилитель напряжения

    Я так понимаю, что Баксандалл, это по сути Хоксфорд, только построенный на другом включении транзисторов, но с той же идеологией и результатом, так? A CSB - умощённый CSA?

  17. #17
    Завсегдатай
    Регистрация
    18.07.2005
    Сообщений
    4,004

    По умолчанию Re: Усилитель напряжения


    Offтопик:
    Хоксфорд к самой этой идее никаким боком, все было изобретено задолго до него, и это документально подтверждено патентом Ларссена (емнис, 1963) и статьей Баксандала (1966). Вклад Хоксфорда - лишь в популяризации. См. https://forum.vegalab.ru/showthread....l=1#post462872.

  18. #18
    Частый гость Аватар для Mexap
    Регистрация
    05.10.2005
    Адрес
    Н.Новгород
    Возраст
    48
    Сообщений
    417

    По умолчанию Re: Усилитель напряжения

    Цитата Сообщение от Dieselboy Посмотреть сообщение
    A CSB - умощённый CSA?
    Они идентичны по идеологии построения.
    Последний раз редактировалось Mexap; 07.09.2019 в 11:31.

  19. #19
    Старый знакомый Аватар для -UST-
    Регистрация
    06.12.2012
    Адрес
    Омск
    Возраст
    41
    Сообщений
    742

    По умолчанию Re: Усилитель напряжения

    Смотрю я на этот кружочек со стрелочкой... для него ведь нужен еще один источник питания, чтобы оно вот так работало, как нарисовано. Или в базы нужно смещение, уже не так красиво получается.

    Как сделано?

  20. #20
    http://akotov.narod.ru Аватар для Александр Котов
    Регистрация
    19.10.2004
    Адрес
    Ленобласть
    Возраст
    56
    Сообщений
    3,183

    По умолчанию Re: Усилитель напряжения

    Схема не рабочая, не парься.

Страница 1 из 5 123 ... Последняя

Социальные закладки

Социальные закладки

Ваши права

  • Вы не можете создавать новые темы
  • Вы не можете отвечать в темах
  • Вы не можете прикреплять вложения
  • Вы не можете редактировать свои сообщения
  •