Страница 1 из 2 12 Последняя
Показано с 1 по 20 из 24

Тема: Фильтр на ОУ

  1. #1
    Давно не заходил
    Автор темы

    Регистрация
    18.01.2005
    Адрес
    Москва
    Сообщений
    22

    По умолчанию Фильтр на ОУ

    Здравствуйте!
    Есть фильтр на ОУ (см. схему). Подскажите, какие изменения нужно в нее внести, чтобы опустить "плечи" слева и справа от пика на первом графике (выровнять и уменьшить амплитуду до и после 2 кГц)?
    Нажмите на изображение для увеличения. 

Название:	схема.jpg 
Просмотров:	202 
Размер:	51.9 Кб 
ID:	352106Нажмите на изображение для увеличения. 

Название:	график.jpg 
Просмотров:	241 
Размер:	36.9 Кб 
ID:	352105

  2. #2
    Не хочу! Аватар для Alex
    Регистрация
    20.03.2003
    Адрес
    Worldwide
    Возраст
    63
    Сообщений
    39,187

    По умолчанию Re: Фильтр на ОУ

    А что, не хватает?

    Ну можно, например - поставить два таких подряд.
    И не дышать....
    "Замполит, чайку?"(с)"Охота за Красным Октябрем".
    "Да мне-то что, меняйтесь!"(с)анек.
    <-- http://altor1.narod.ru --> Вопросы - в личку, е-мейл, скайп.

  3. #3
    Давно не заходил
    Автор темы

    Регистрация
    18.01.2005
    Адрес
    Москва
    Сообщений
    22

    По умолчанию Re: Фильтр на ОУ

    Хватает, но хотелось бы применить и получить что-то подобное (см. схему и график). Только пик, конечно, вверх. Не соображу.
    Нажмите на изображение для увеличения. 

Название:	схема1.jpg 
Просмотров:	182 
Размер:	123.1 Кб 
ID:	352112Нажмите на изображение для увеличения. 

Название:	график1.jpg 
Просмотров:	181 
Размер:	35.2 Кб 
ID:	352113

  4. #4
    Завсегдатай Аватар для Сухоруков Сергей
    Регистрация
    18.02.2011
    Адрес
    Петербург
    Сообщений
    4,865

    По умолчанию Re: Фильтр на ОУ

    Цитата Сообщение от idz Посмотреть сообщение
    Подскажите, какие изменения нужно в нее внести, чтобы опустить "плечи" слева и справа от пика на первом графике
    Нужно повысить эквивалентную добротность моста. Например, за счёт увеличения петлевого усиления (что реализовано на нижней схеме). Или за счёт использования LC-моста вместо RC-моста.

    Цитата Сообщение от Alex Посмотреть сообщение
    И не дышать....

  5. #5
    Давно не заходил
    Автор темы

    Регистрация
    18.01.2005
    Адрес
    Москва
    Сообщений
    22

    По умолчанию Re: Фильтр на ОУ

    Цитата Сообщение от Сухоруков Сергей Посмотреть сообщение
    Или за счёт использования LC-моста вместо RC-моста.


    Такое?
    Нажмите на изображение для увеличения. 

Название:	схема21.jpg 
Просмотров:	163 
Размер:	77.0 Кб 
ID:	352133Нажмите на изображение для увеличения. 

Название:	график2.jpg 
Просмотров:	145 
Размер:	60.4 Кб 
ID:	352134

  6. #6
    Завсегдатай Аватар для Сухоруков Сергей
    Регистрация
    18.02.2011
    Адрес
    Петербург
    Сообщений
    4,865

    По умолчанию Re: Фильтр на ОУ

    Цитата Сообщение от idz Посмотреть сообщение
    Такое?
    Нет, я имел в виду замену резисторов двойного Т-образного моста на индуктивности. Правда, при этом может несколько снизиться температурная стабильность (из-за сердечника). Но это надо считать. Вероятно, можно обойтись материалом с относительно небольшим ТКС.

  7. #7
    Не хочу! Аватар для Alex
    Регистрация
    20.03.2003
    Адрес
    Worldwide
    Возраст
    63
    Сообщений
    39,187

    По умолчанию Re: Фильтр на ОУ

    Цитата Сообщение от idz Посмотреть сообщение
    Хватает, но хотелось бы применить и получить что-то подобное (см. схему и график)
    Насколко можно понять по этим картинкам, в первом случае было лучше - 80дБ/окт. чем во втором - 70дБ/окт,, поэтому неочень понятно, хачем стремиться получить второе? Сделать поУже пичек?

    И лучше наверное State-Variable, чем двойной Т-мост, поусточивее будет, и настраивать проще.
    Последний раз редактировалось Alex; 09.08.2019 в 18:39.
    "Замполит, чайку?"(с)"Охота за Красным Октябрем".
    "Да мне-то что, меняйтесь!"(с)анек.
    <-- http://altor1.narod.ru --> Вопросы - в личку, е-мейл, скайп.

  8. #8
    Давно не заходил
    Автор темы

    Регистрация
    18.01.2005
    Адрес
    Москва
    Сообщений
    22

    По умолчанию Re: Фильтр на ОУ

    Цитата Сообщение от Сухоруков Сергей Посмотреть сообщение
    замену резисторов двойного Т-образного моста на индуктивности.
    Спасибо, буду пробовать.

    Цитата Сообщение от Alex Посмотреть сообщение
    Сделать поУже пичек?

    И лучше наверное State-Varable, чем двойной Т-мост, поусточивее будет, и настраивать проще.
    Да, уменьшить ширину провала.
    Спасибо за подсказку - State Variable Filter.

  9. #9
    Завсегдатай Аватар для .Васильев
    Регистрация
    04.04.2007
    Адрес
    новгородская обл Пестово на Мологе
    Сообщений
    10,818

    По умолчанию Re: Фильтр на ОУ

    Классический 2Т-мост то с подавлением добротности чем не угодил?
    Миниатюры Миниатюры Нажмите на изображение для увеличения. 

Название:	Мост по ХХ ачх.JPG 
Просмотров:	112 
Размер:	259.8 Кб 
ID:	352156   Нажмите на изображение для увеличения. 

Название:	Мост по ХХ.JPG 
Просмотров:	144 
Размер:	230.6 Кб 
ID:	352157   Нажмите на изображение для увеличения. 

Название:	Мост по ХХ плата.jpg 
Просмотров:	89 
Размер:	378.3 Кб 
ID:	352158  
    С уважением Максим.

  10. #10
    Давно не заходил
    Автор темы

    Регистрация
    18.01.2005
    Адрес
    Москва
    Сообщений
    22

    По умолчанию Re: Фильтр на ОУ

    Угодил, он в третьем сообщении. А в чем график получили?

  11. #11
    Завсегдатай Аватар для .Васильев
    Регистрация
    04.04.2007
    Адрес
    новгородская обл Пестово на Мологе
    Сообщений
    10,818

    По умолчанию Re: Фильтр на ОУ

    В микрокапе .
    С уважением Максим.

  12. #12
    Давно не заходил
    Автор темы

    Регистрация
    18.01.2005
    Адрес
    Москва
    Сообщений
    22

    По умолчанию Re: Фильтр на ОУ

    Схему собрал в Multisime, ослабление получил только до -40 дБ, что не так?
    Нажмите на изображение для увеличения. 

Название:	схема3.jpg 
Просмотров:	225 
Размер:	73.6 Кб 
ID:	352159Нажмите на изображение для увеличения. 

Название:	график3.jpg 
Просмотров:	149 
Размер:	49.6 Кб 
ID:	352160

  13. #13
    Завсегдатай Аватар для .Васильев
    Регистрация
    04.04.2007
    Адрес
    новгородская обл Пестово на Мологе
    Сообщений
    10,818

    По умолчанию Re: Фильтр на ОУ

    Цитата Сообщение от idz Посмотреть сообщение
    Схему собрал в Multisime, ослабление получил только до -40 дБ, что не так?
    Нажмите на изображение для увеличения. 

Название:	схема3.jpg 
Просмотров:	225 
Размер:	73.6 Кб 
ID:	352159Нажмите на изображение для увеличения. 

Название:	график3.jpg 
Просмотров:	149 
Размер:	49.6 Кб 
ID:	352160
    все зависит от того,какой процент точности вы выберете. С 1% у меня точно такая же картинка. Вы покрутите настройки.Главное другое, спад 2и 3 гармоник минимален и у вас.
    С уважением Максим.

  14. #14
    Давно не заходил
    Автор темы

    Регистрация
    18.01.2005
    Адрес
    Москва
    Сообщений
    22

    По умолчанию Re: Фильтр на ОУ

    Спасибо.

  15. #15
    Завсегдатай Аватар для .Васильев
    Регистрация
    04.04.2007
    Адрес
    новгородская обл Пестово на Мологе
    Сообщений
    10,818

    По умолчанию Re: Фильтр на ОУ

    Цитата Сообщение от idz Посмотреть сообщение
    Спасибо.
    Да не за что.Я сам не сразу допер о зависимости картинки от точности
    Maximum Change %
    С уважением Максим.

  16. #16
    Старый знакомый Аватар для Mishich
    Регистрация
    13.03.2013
    Адрес
    Орел
    Возраст
    53
    Сообщений
    664

    По умолчанию Re: Фильтр на ОУ

    Цитата Сообщение от .Васильев Посмотреть сообщение
    Классический 2Т-мост то с подавлением добротности чем не угодил?
    Меня тоже заинтересовала ваша схема, только вот не пойму:
    печатка со схемой напрочь не сходится у вас...
    Дмитрий.

  17. #17
    Завсегдатай Аватар для .Васильев
    Регистрация
    04.04.2007
    Адрес
    новгородская обл Пестово на Мологе
    Сообщений
    10,818

    По умолчанию Re: Фильтр на ОУ

    Цитата Сообщение от Mishich Посмотреть сообщение
    Меня тоже заинтересовала ваша схема, только вот не пойму:
    печатка со схемой напрочь не сходится у вас...
    Сходится. Введены элементы подстройки Т-моста. ну классика обвязки оНу и входной делитель с ограничителем
    С уважением Максим.

  18. #18
    Давно не заходил
    Автор темы

    Регистрация
    18.01.2005
    Адрес
    Москва
    Сообщений
    22

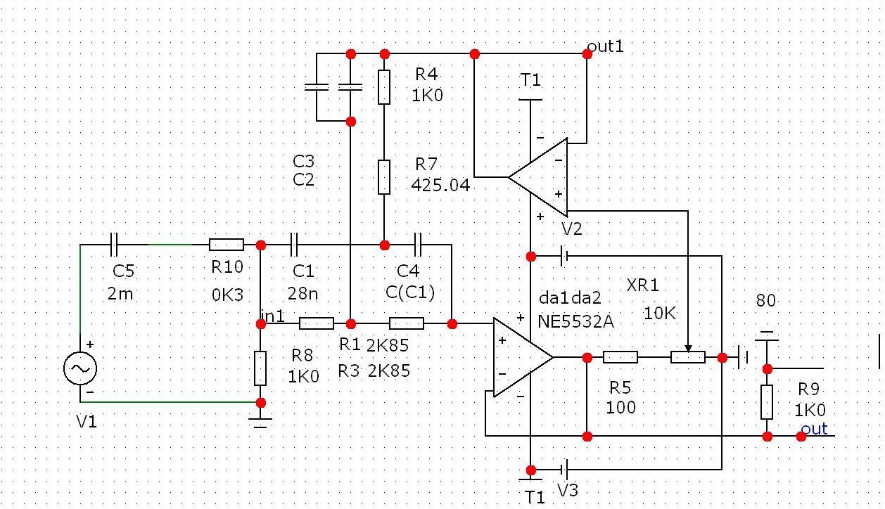
    По умолчанию Re: Фильтр на ОУ

    State Variable Filter.
    Вот, что получилось:
    Нажмите на изображение для увеличения. 

Название:	схема4.jpg 
Просмотров:	146 
Размер:	150.1 Кб 
ID:	352201Нажмите на изображение для увеличения. 

Название:	график4.jpg 
Просмотров:	149 
Размер:	82.0 Кб 
ID:	352202
    Что, примерно, и требовалось.

  19. #19
    Завсегдатай Аватар для .Васильев
    Регистрация
    04.04.2007
    Адрес
    новгородская обл Пестово на Мологе
    Сообщений
    10,818

    По умолчанию Re: Фильтр на ОУ

    Цитата Сообщение от idz Посмотреть сообщение
    State Variable Filter.
    Вот, что получилось:
    Нажмите на изображение для увеличения. 

Название:	схема4.jpg 
Просмотров:	146 
Размер:	150.1 Кб 
ID:	352201Нажмите на изображение для увеличения. 

Название:	график4.jpg 
Просмотров:	149 
Размер:	82.0 Кб 
ID:	352202
    Что, примерно, и требовалось.
    График то должен наоборот быть
    С уважением Максим.

  20. #20
    Давно не заходил
    Автор темы

    Регистрация
    18.01.2005
    Адрес
    Москва
    Сообщений
    22

    По умолчанию Re: Фильтр на ОУ


Страница 1 из 2 12 Последняя

Метки этой темы

Социальные закладки

Социальные закладки

Ваши права

  • Вы не можете создавать новые темы
  • Вы не можете отвечать в темах
  • Вы не можете прикреплять вложения
  • Вы не можете редактировать свои сообщения
  •