Показано с 1 по 2 из 2

Тема: PCM1794A DUAL MONO Цап из китайских плат

  1. #1
    Частый гость
    Автор темы
    Аватар для svadim
    Регистрация
    24.08.2017
    Сообщений
    364

    По умолчанию PCM1794A DUAL MONO Цап из китайских плат

    Здравствуйте, собрал такой комплект:Нажмите на изображение для увеличения. 

Название:	s-l1600.jpg 
Просмотров:	970 
Размер:	277.6 Кб 
ID:	299641Нажмите на изображение для увеличения. 

Название:	s-l1600 (1).jpg 
Просмотров:	847 
Размер:	233.8 Кб 
ID:	299642Нажмите на изображение для увеличения. 

Название:	s-l1600 (2).jpg 
Просмотров:	525 
Размер:	258.0 Кб 
ID:	299643Нажмите на изображение для увеличения. 

Название:	s-l1600 (3).jpg 
Просмотров:	524 
Размер:	238.8 Кб 
ID:	299644Нажмите на изображение для увеличения. 

Название:	s-l1600 (4).jpg 
Просмотров:	766 
Размер:	213.5 Кб 
ID:	299645

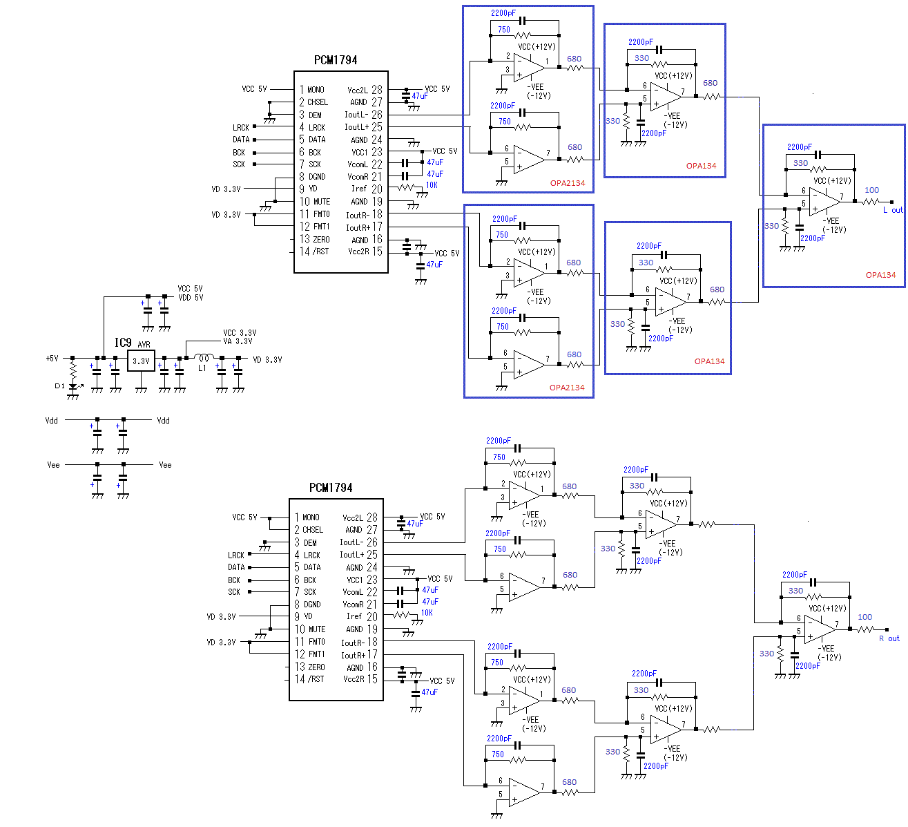
    Качество сборки порадовало и звук в обшем не плох но в орогинальной комплектации шли NE5532, NE5534 операционики и решил заменить на OPA2134, OPA134.
    Удивило то что с BB операми звук стал более детальным но баса стало в разы меньше, вокал стал очень нейтральным - эмоциональность пропала.

    Вопрос может что в обвазке надо модернизировать?
    Буду рад любому совету.
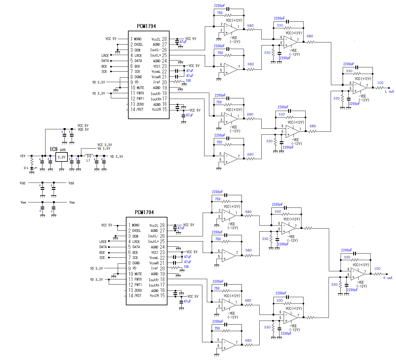
    Миниатюры Миниатюры Нажмите на изображение для увеличения. 

Название:	4c-cs8416-pcm1794dac-v05-kairozu - Copy.gif 
Просмотров:	917 
Размер:	44.3 Кб 
ID:	299647   Нажмите на изображение для увеличения. 

Название:	4c-cs8416-pcm1794dac-v05-kairozu.gif 
Просмотров:	868 
Размер:	35.3 Кб 
ID:	299646  

  2. #2
    Забанен (навсегда)
    Регистрация
    25.03.2009
    Адрес
    Йыхви/Эстония
    Возраст
    42
    Сообщений
    280

    По умолчанию Re: PCM1794A DUAL MONO Цап из китайских плат

    Цитата Сообщение от svadim Посмотреть сообщение
    но баса стало в разы меньше
    это, пожалуй, единственный плюс ne5532 - хлесткий, плотный, мощный бас.
    тоже обратил на это внимание, заменив в одном из устройств на опер от AD.
    в остальном сожалений нет.
    Последний раз редактировалось pautinqch; 25.08.2017 в 00:53.

Социальные закладки

Социальные закладки

Ваши права

  • Вы не можете создавать новые темы
  • Вы не можете отвечать в темах
  • Вы не можете прикреплять вложения
  • Вы не можете редактировать свои сообщения
  •