Показано с 1 по 3 из 3

Тема: подключение ак4490 по i2s

  1. #1
    Новичок
    Автор темы

    Регистрация
    27.02.2017
    Сообщений
    2

    По умолчанию подключение ак4490 по i2s

    Имеется китай цап http://www.ebay.com/itm/Assembled-AK...kAAOSwknJX1oSU
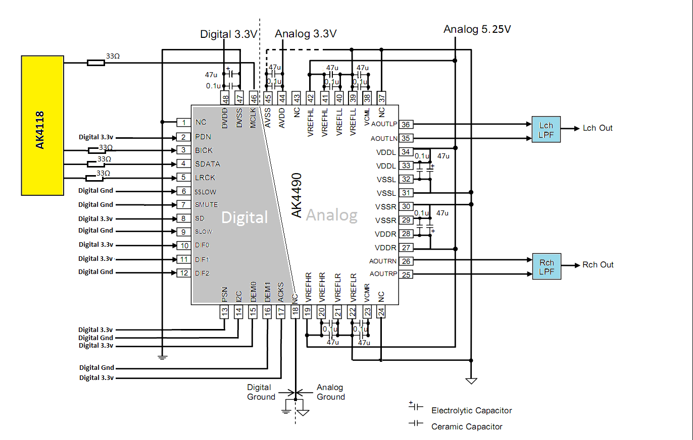
    Схема подключения ак4490 аналогична этой https://forum.vegalab.ru/attachment....2&d=1463941987 Отличие состоит в том, что нет микросхемы ак4118, т.е. входы свободны для подключения по i2s, и другие номиналы электролитов, вместо 47мкф стоят по 10мкф)
    Подключаю цап по i2s к двд плееру pioneer dv565 сервис мануал тут
    к разъему CN601 контакты:
    16(MCLK)
    18(LRCK)
    20(BCLK)
    22(DATA0)
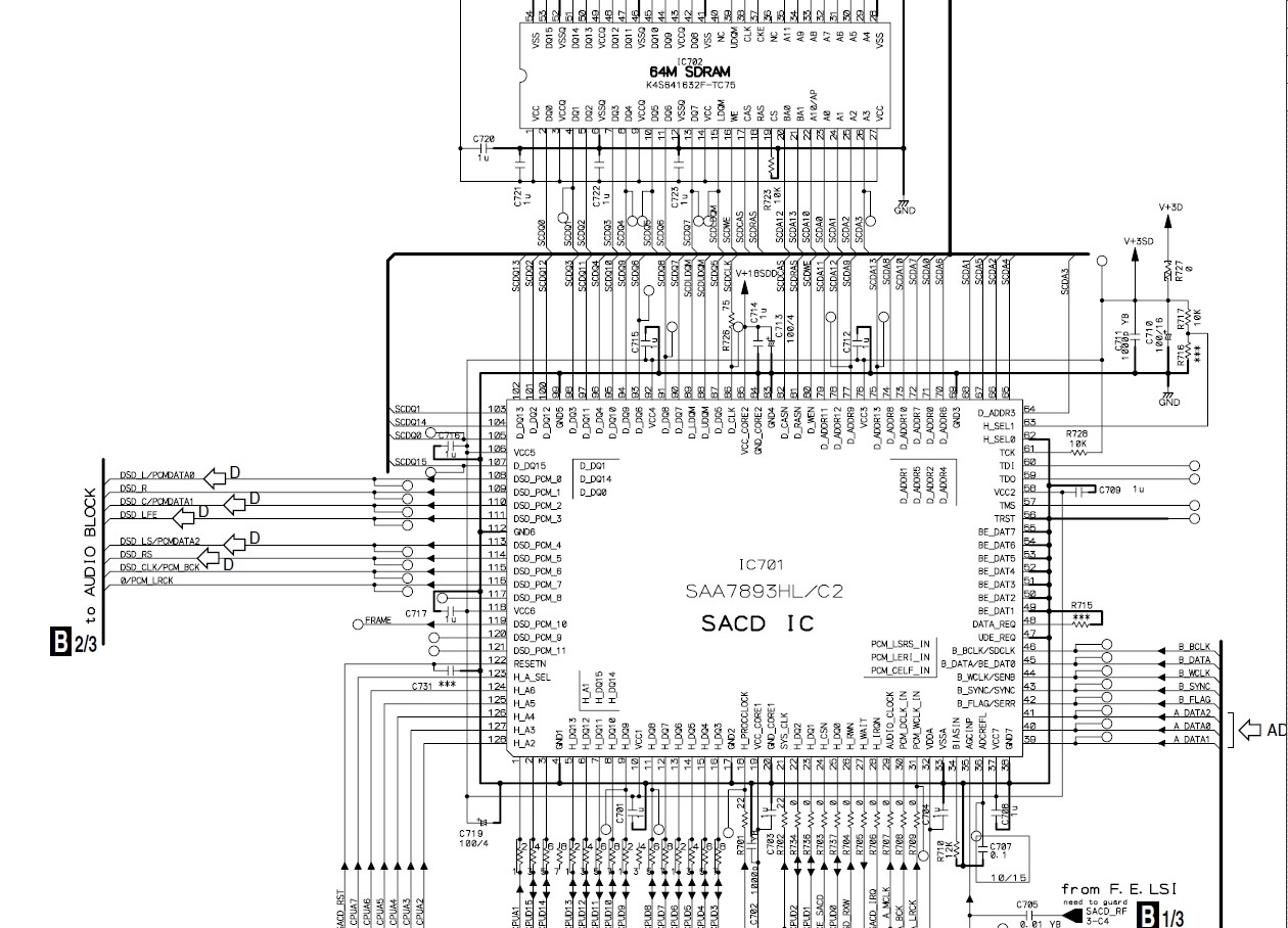
    которые соединены с выходами микросхемы SAA7893HL/C
    ножки SAA7893HL/C:
    108(PCM DATA)
    115(PCM BCK)
    116(PCM LRCK)
    Вроде бы работает, не шумит, сигнал чистый, но очень низкий уровень сигнала на выходе цап, около 15мв, а должен быть около 2в....
    Формат входных данных ак4490 в китайском варианте установлен 24-bit I2S

    Где капать?)

    Нажмите на изображение для увеличения. 

Название:	sa.jpg 
Просмотров:	733 
Размер:	298.3 Кб 
ID:	287819Нажмите на изображение для увеличения. 

Название:	Безымянный.jpg 
Просмотров:	548 
Размер:	94.1 Кб 
ID:	287820
    Последний раз редактировалось mack; 27.02.2017 в 17:33.

  2. #2
    Частый гость Аватар для sergey367
    Регистрация
    20.12.2009
    Адрес
    г.Курск
    Сообщений
    272

    По умолчанию Re: подключение ак4490 по i2s

    А в Двд плеере какой формат установлен. ? Скорее всего форматы входных данных не совпадают.

  3. #3
    Новичок
    Автор темы

    Регистрация
    27.02.2017
    Сообщений
    2

    По умолчанию Re: подключение ак4490 по i2s

    Тоже так думал..... Перепробовал все варианты форматов на китайском цапе, не помогло)
    В формате i2s и MSB justified уровень сигнала низкий, в LSB justified формате вообще нет сигнала)
    Вот и не знаю где капать...

Социальные закладки

Социальные закладки

Ваши права

  • Вы не можете создавать новые темы
  • Вы не можете отвечать в темах
  • Вы не можете прикреплять вложения
  • Вы не можете редактировать свои сообщения
  •