Доброго времени суток, уважаемые форумчане.
Будьте добры, помогите с кроссовером АС «Gemini Xrs-1503».
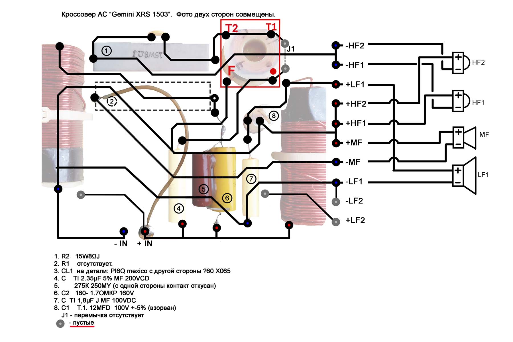
На колонках, не работали пищалки. Вскрытие показало, что ВЧ сгоревшие и без маркировки, надпись только 8ом (ни модели, ни мощности, ни чувствительности нет), а кроссовер, уже был, кем-то ремонтирован, но смущает правильность данной модернизации (на фото).
Переписывался с американским представительством «Gemini», по поводу схемы фильтра и маркировки вч-динамиков, но они, так и не смогли помочь, сославшись, на срок давности АС 1995-1998гг.
Сам в электронике не шарю, и опыта рисования схем не было, поэтому постарался максимально доступно указать всё на фото, совместив детали двух сторон на дорожках.
Я так понимаю, "Когда твитеры замолчали бывший владелец изменил схему фильтра, и мид получился подключен на прямую, причем с нарушенной полярностью.
Пищалки перемотал. И прошу помочь, с подбором необходимых компонентов фильтра, для восстановления по уму, грамотно! Что и на что менять?
Что такое CL1, №3 на фото - бареттер или что? деталь цела и прозванивается.
И подскажите, как сделать, чтобы уже перемотанные пищалки, не пришлось вновь перематывать? Родная защита ВЧ-динамиков данного фильтра, я так понимаю, не очень с этим справлялась, раз пищалки горели или я не прав? И какие возможны варианты?
Заранее, благодарю всех, кто откликнулся.





Социальные закладки