Показано с 1 по 1 из 1

Тема: Выбор CAD для моделирования и построения печатных плат

  1. #1
    Частый гость
    Автор темы
    Аватар для stain3000
    Регистрация
    16.11.2011
    Сообщений
    100

    По умолчанию Выбор CAD для моделирования и построения печатных плат

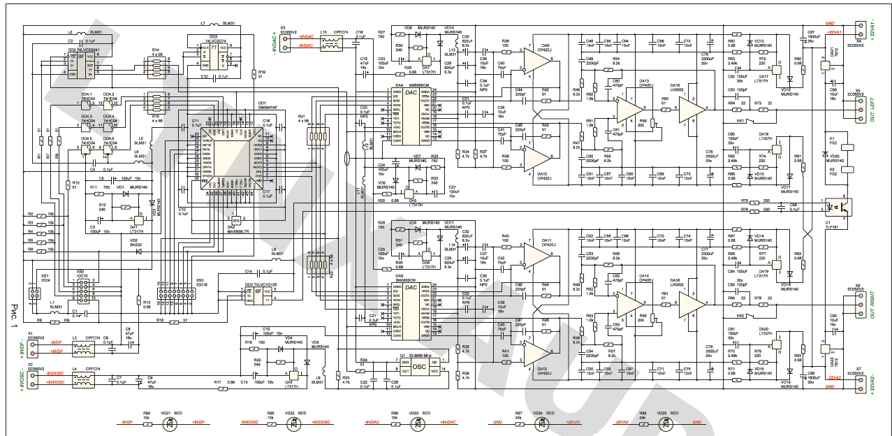
    Здравствуйте. Серьезно увлекся схемотехникой и сейчас во всю изучаю теорию. В планах построение схемы и разводка платы Фильтра низких частот и усилителя для наушников (радиохобби). В данный момент встал выбор CAD системы, которая позволила бы смоделировать сигнал на входе/выходе, АЧХ, переходные процессы и т.д., а также развести печатную плату (2х-4хслойную) с тем, чтобы в последствии отдать ее на производство. Встал вопрос выбора CAD для изучения и последующего моделирования. Основные требования - большая база компонентов, хорошие возможности по моделированию схемы и разводки печатной платы, а также работы с ПЛИС (для этого возможен сторонний софт). Язык не имеет значения (рус/англ). Для себя пока определил - Altium Designer и Proteus.

    PS. кто-нибудь может "по почерку" подсказать в чем выполнена схема (см. вложение).
    Миниатюры Миниатюры Нажмите на изображение для увеличения. 

Название:	DAC.png 
Просмотров:	361 
Размер:	162.4 Кб 
ID:	252759  

Социальные закладки

Социальные закладки

Ваши права

  • Вы не можете создавать новые темы
  • Вы не можете отвечать в темах
  • Вы не можете прикреплять вложения
  • Вы не можете редактировать свои сообщения
  •