Здравствуйте!
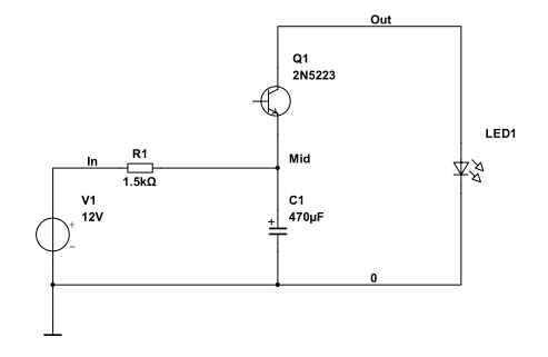
В книжке «Как освоить радиоэлектронику с нуля» самая первая схема для начала работы с паяльником вот такая:
![]()
![]()
У меня появились вопросы. Плюс подается на эмиттер N-P перехода (?), а светодиод должен управляться активным компонентом, у которого нет управления (?).
В Multisim нарисовал схемку и получил графики:
![]()
![]()
На светодиоде напряжение и ток в нулях.
Я не могу понять, как должна работать эта схема. Подскажите, по какой причине светодиод должен мигать?





Социальные закладки