Показано с 1 по 14 из 14

Тема: Тип резисторов

  1. #1
    Забанен (навсегда)
    Автор темы
    Аватар для Владимирович
    Регистрация
    14.03.2013
    Адрес
    СССР
    Сообщений
    492

    По умолчанию Тип резисторов

    Ребятки,подскажите,какой тип резисторов(металооксидные и т.д.) предпочтительнее в эммитерах выходных транзисторов?И вообще,отразится ли их замена на качестве звука?
    Миниатюры Миниатюры Нажмите на изображение для увеличения. 

Название:	111.jpg 
Просмотров:	490 
Размер:	468.3 Кб 
ID:	246692  

  2. #2
    Завсегдатай Аватар для ISIT_14
    Регистрация
    23.12.2006
    Адрес
    Новороссийск
    Возраст
    38
    Сообщений
    1,105

    По умолчанию Re: Тип резисторов

    обычно там проволочные цементирование SPQ стоят, куча мощных смд или толстопленочные конечно лучше в плане индуктивностей и т.п. но тут ничего не повлияет, есть куда более серьёзные проблемы
    HTPC -> Denon PMA-50 -> Illuminati SeHi

  3. #3
    Забанен (навсегда)
    Регистрация
    11.09.2009
    Сообщений
    3,975

    По умолчанию Re: Тип резисторов

    Там реально 3 диффкаскада? Где логика, качество с виду не очень.
    *Понял, второй не усиливает, только сдвиг уровня.

  4. #4
    Забанен (навсегда)
    Автор темы
    Аватар для Владимирович
    Регистрация
    14.03.2013
    Адрес
    СССР
    Сообщений
    492

    По умолчанию Re: Тип резисторов

    Цитата Сообщение от ISIT_14 Посмотреть сообщение
    есть куда более серьёзные проблемы
    Например.

  5. #5
    Завсегдатай Аватар для ISIT_14
    Регистрация
    23.12.2006
    Адрес
    Новороссийск
    Возраст
    38
    Сообщений
    1,105

    По умолчанию Re: Тип резисторов

    ну не проблем, проблем нет - все работает. я о том что не тот случай когда эмиттерные резисторы что-то дадут. есть например куча всяких хреновеньких электролитиков разделительных и тп. тут дохрена коррекций на опережение чтоб не засвистело и глубокая ооос. это вроде усилителя Оталы с тремя дифкаскадами.
    Последний раз редактировалось ISIT_14; 27.09.2015 в 08:20.
    HTPC -> Denon PMA-50 -> Illuminati SeHi

  6. #6
    Частый гость Аватар для DimaMar
    Регистрация
    24.01.2014
    Возраст
    50
    Сообщений
    154

    По умолчанию Re: Тип резисторов

    Цитата Сообщение от Владимирович Посмотреть сообщение
    подскажите,какой тип резисторов(металооксидные и т.д.) предпочтительнее в эммитерах выходных транзисторов?И вообще,отразится ли их замена на качестве звука?
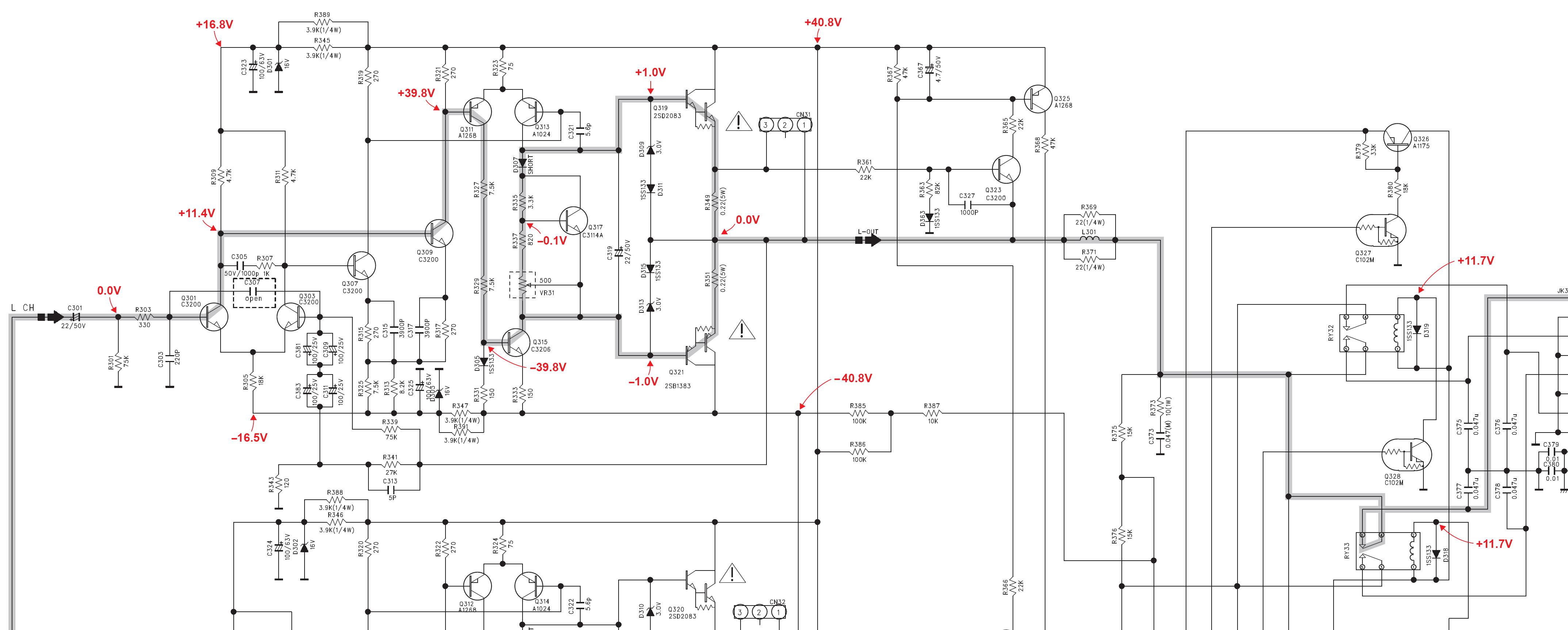
    На мой взгляд на эммитерных резисторах заморачиваться не стоит, т.к. их влияние компенсируется ООС. А вот резисторы в ООС можно выбрать получше, R371 (27k) и аналогичный во втором канале есть смысл поставить с минимальным ТКС, ну или хотя бы по массивнее, т.е. на бОльшую мощность.

  7. #7
    Забанен (навсегда)
    Автор темы
    Аватар для Владимирович
    Регистрация
    14.03.2013
    Адрес
    СССР
    Сообщений
    492

    По умолчанию Re: Тип резисторов

    Цитата Сообщение от ISIT_14 Посмотреть сообщение
    ну не проблем, проблем нет - все работает. просто примитивная схема почти как в автомобильных усилках. я о том что не тот случай когда резисторы эммитерные могут повлиять хоть на что-то. тут куча коррекций, простейшее питание, три дифкаскада и только один гт, куча хреновеньких разделительных электролитов. банально там бп, хоть на этом куске схемы его нет, почти наверняка сделан впритык по музыкальной мощности.
    Согласен,схемотехника простенькая,однако поёт очень даже прилично.А электролиты там приличные везде напихали,Силмик 2,на входе плёнку поставил.В БП тоже хорошие литы стоят,аж 15000 мкф.

    ---------- Сообщение добавлено 10.15 ---------- Предыдущее сообщение было 10.13 ----------

    Цитата Сообщение от DimaMar Посмотреть сообщение
    На мой взгляд на эммитерных резисторах заморачиваться не стоит, т.к. их влияние компенсируется ООС. А вот резисторы в ООС можно выбрать получше, R371 (27k) и аналогичный во втором канале есть смысл поставить с минимальным ТКС, ну или хотя бы по массивнее, т.е. на бОльшую мощность.
    Вы,наверное,ошиблись немного.Не R371,a R341.Я вот смотрю на С319,может туда плёнку мкф на 5 впиндюрить?

  8. #8
    Завсегдатай Аватар для ISIT_14
    Регистрация
    23.12.2006
    Адрес
    Новороссийск
    Возраст
    38
    Сообщений
    1,105

    По умолчанию Re: Тип резисторов

    Владимирович, это я набрехал по пьяне. за исключением БП и резисторов.
    проблемы изначально у этой схемы с устойчивостью поэтому столько коррекций и лучше в нее не лезть.

    кстати в оригинале в схеме Оталы получше было а тут съекономили три транзистора
    Последний раз редактировалось ISIT_14; 27.09.2015 в 08:52.
    HTPC -> Denon PMA-50 -> Illuminati SeHi

  9. #9
    Забанен (навсегда)
    Автор темы
    Аватар для Владимирович
    Регистрация
    14.03.2013
    Адрес
    СССР
    Сообщений
    492

    По умолчанию Re: Тип резисторов

    Цитата Сообщение от ISIT_14 Посмотреть сообщение
    Владимирович, это я набрехал по пьяне. за исключением БП.
    Бывает.

  10. #10
    Завсегдатай Аватар для ИГВИН
    Регистрация
    06.05.2005
    Адрес
    Ростов-на-Дону
    Возраст
    67
    Сообщений
    13,067

    По умолчанию Re: Тип резисторов

    Цитата Сообщение от Владимирович Посмотреть сообщение
    подскажите,какой тип резисторов(металооксидные и т.д.) предпочтительнее в эммитерах выходных транзисторов?
    И вообще,отразится ли их замена на качестве звука?
    1. Вот такие по 0,5 Ом два параллельно.
    2. Вряд ли.
    Игорь. Meridian 507.24 => DAC6 v2+свой выхлоп => Noosfera Master => Celestion A2 + Hand-made cable

  11. #11
    Забанен (навсегда)
    Автор темы
    Аватар для Владимирович
    Регистрация
    14.03.2013
    Адрес
    СССР
    Сообщений
    492

    По умолчанию Re: Тип резисторов

    Ладно,уболтали,не буду трогать.А что скажете на счёт С319?Может плёночку туда?Почему спрашиваю,потому как электролит оный стоит почти впритык к радиатору.

  12. #12
    Завсегдатай Аватар для ISIT_14
    Регистрация
    23.12.2006
    Адрес
    Новороссийск
    Возраст
    38
    Сообщений
    1,105

    По умолчанию Re: Тип резисторов

    я думаю пленка на 22мкф туда просто не влезет. да и на 5 великовата
    HTPC -> Denon PMA-50 -> Illuminati SeHi

  13. #13
    Забанен (навсегда)
    Автор темы
    Аватар для Владимирович
    Регистрация
    14.03.2013
    Адрес
    СССР
    Сообщений
    492

    По умолчанию Re: Тип резисторов

    Ну пару-пяток мкф плёнки впиндюрить можно туда,если это оправдано,поэтому и советуюсь,так скать.

  14. #14
    Частый гость Аватар для DimaMar
    Регистрация
    24.01.2014
    Возраст
    50
    Сообщений
    154

    По умолчанию Re: Тип резисторов

    Цитата Сообщение от Владимирович Посмотреть сообщение
    Вы,наверное,ошиблись немного.Не R371,a R341.Я вот смотрю на С319,может туда плёнку мкф на 5 впиндюрить?
    Да, ошибся, R341 Насчет C319, если сам конденсатор хорошего качества, как вариант можно поставить шунт из хорошей пленки в соотношении 1/100 т.е. 22/100=0,22 мкФ, но можно номинал шунта и помельче.

Социальные закладки

Социальные закладки

Ваши права

  • Вы не можете создавать новые темы
  • Вы не можете отвечать в темах
  • Вы не можете прикреплять вложения
  • Вы не можете редактировать свои сообщения
  •