Всем привет. Нужна Ваша помощь знатоки!!! Прикупил себе б\у ресивер ямаха rx-v395rds ну и естественно полез копаться в потрохах и вот решил обратить свой взор на ненавистный всеми (по заслугам) регулятор тембра. Где то видел испытания этого ресивера и там очень хорошо было видно насколько сильно ухудшает шумовые характеристики в целом усилителя.
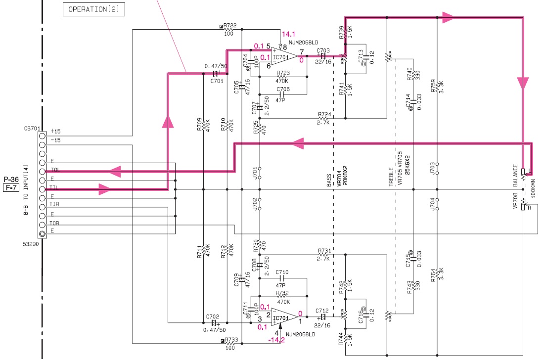
Я не понимаю для чего нужно было делать такой огромный коэффициент усиления ??? на схеме резисторы R723,R725 обратной связи операционного усилителя IC701. получается коэффициент усиления 1000 !!! Вместе с полезным сигналом там же усиливаются и шумы. Поясните пожалуйста для чего такое было наделано и не в этом ли кроется вся пролема темброблока ? Вроде больше ничего криминального в схеме не вижу. Ну разве что электролиты по входу - их номинал какой то странный...![]()
Может предложите какой нибудь вариант решения проблем в данном темброблоке. Просто его наличие очень желательно. Так как источником звука будет CD проигрыватель.
Спасибо.




Социальные закладки