Показано с 1 по 13 из 13

Тема: Усилитель Петрова

  1. #1
    Новичок
    Автор темы
    Аватар для $erega2net
    Регистрация
    23.04.2006
    Адрес
    ВоронежЪ
    Сообщений
    22

    По умолчанию Усилитель Петрова

    ктонить делал, слушал? схема в радио 2004/4

  2. #2
    Завсегдатай Аватар для MikeF
    Регистрация
    04.11.2004
    Адрес
    Кемерово
    Возраст
    42
    Сообщений
    3,108

    По умолчанию Re: Усилитель Петрова

    Делал как-то, норамальный вобщем-то усь, только я не использовал такие выходники как у него поэтому у меня получился несколько другой усилитель. Кстати, у него там реализуется очень высокое, просто избыточное выходное сопротивление - это абсолютно лишнее, на мой взгляд.
    Для связи: Skype и почта на моём сайте в профиле.
    С уважением,
    Михаил.

  3. #3
    Старый знакомый Аватар для RAVe
    Регистрация
    28.10.2004
    Адрес
    Сочи, Москва
    Возраст
    52
    Сообщений
    545

    По умолчанию Re: Усилитель Петрова

    киньте ссылочку где глянуть
    foobar2000, PCM1793, Lm3886 (Mauro), MVV, Lm 1876, Акулиничев с гл. ООС, SE 6Н9C EL34, TA2024

  4. #4
    Завсегдатай Аватар для MikeF
    Регистрация
    04.11.2004
    Адрес
    Кемерово
    Возраст
    42
    Сообщений
    3,108

    По умолчанию Re: Усилитель Петрова

    надо попробовать поисковиком, что-то типа УМЗЧ с бсит или высоким выходным сопротивлением, не помню
    Для связи: Skype и почта на моём сайте в профиле.
    С уважением,
    Михаил.

  5. #5
    Старый знакомый Аватар для RAVe
    Регистрация
    28.10.2004
    Адрес
    Сочи, Москва
    Возраст
    52
    Сообщений
    545

    По умолчанию Re: Усилитель Петрова

    foobar2000, PCM1793, Lm3886 (Mauro), MVV, Lm 1876, Акулиничев с гл. ООС, SE 6Н9C EL34, TA2024

  6. #6
    Завсегдатай Аватар для MikeF
    Регистрация
    04.11.2004
    Адрес
    Кемерово
    Возраст
    42
    Сообщений
    3,108

    По умолчанию Re: Усилитель Петрова

    автор тот, усел другой
    Для связи: Skype и почта на моём сайте в профиле.
    С уважением,
    Михаил.

  7. #7
    Новичок
    Автор темы
    Аватар для $erega2net
    Регистрация
    23.04.2006
    Адрес
    ВоронежЪ
    Сообщений
    22

    По умолчанию Re: Усилитель Петрова

    говорю же... журнал радио номер 4 за 2004 год. гугл юзайте, еще на офсайте журнала есть кажеца...
    вообще он называется ecm на комлиментарных полевиках кажся...
    MikeF по сравнению с другими усями, там 3886 итун, сухов, с чем слушал сравни из более менее известного...

  8. #8
    Старый знакомый Аватар для RAVe
    Регистрация
    28.10.2004
    Адрес
    Сочи, Москва
    Возраст
    52
    Сообщений
    545

    По умолчанию Re: Усилитель Петрова

    Называется УМЗЧ с комплементарными полевыми транзисторами но гугол не дал ссылку на саму схему..на сайте Радио только содержание статьи..
    foobar2000, PCM1793, Lm3886 (Mauro), MVV, Lm 1876, Акулиничев с гл. ООС, SE 6Н9C EL34, TA2024

  9. #9
    Завсегдатай Аватар для MikeF
    Регистрация
    04.11.2004
    Адрес
    Кемерово
    Возраст
    42
    Сообщений
    3,108

    По умолчанию Re: Усилитель Петрова

    сравнивал с НАД314 самодельным и доработанным и Сверхлинейным Агеева. Наверное будет похуже, но сравнение было необъективное - он ведь с оос по току...
    Для связи: Skype и почта на моём сайте в профиле.
    С уважением,
    Михаил.

  10. #10
    Новичок
    Автор темы
    Аватар для $erega2net
    Регистрация
    23.04.2006
    Адрес
    ВоронежЪ
    Сообщений
    22

    По умолчанию Re: Усилитель Петрова

    MikeF панятно. спасибо. в чем выражается
    Цитата Сообщение от MikeF
    похуже
    ???

  11. #11
    Завсегдатай Аватар для MikeF
    Регистрация
    04.11.2004
    Адрес
    Кемерово
    Возраст
    42
    Сообщений
    3,108

    По умолчанию Re: Усилитель Петрова

    Менее чистый звук, больше ВЧ, а НЧ немного бултыхаются, оос по току одним словом
    Для связи: Skype и почта на моём сайте в профиле.
    С уважением,
    Михаил.

  12. #12
    Старый знакомый Аватар для Logger
    Регистрация
    27.10.2005
    Адрес
    Нижний Новгород
    Возраст
    43
    Сообщений
    578

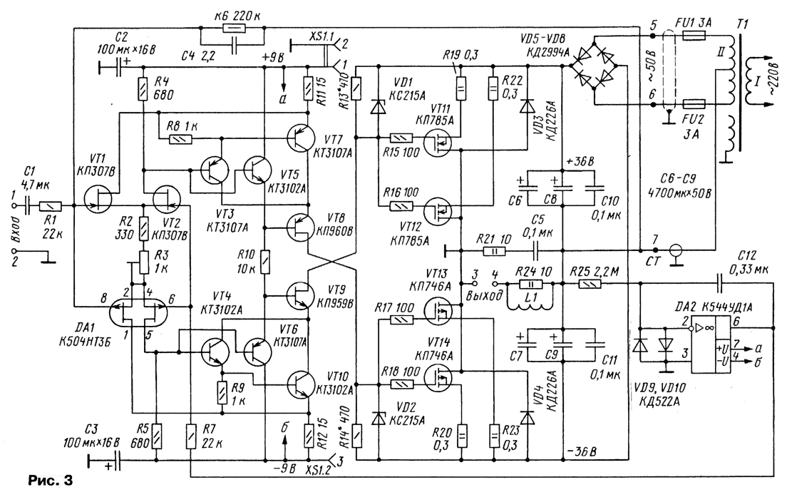
    По умолчанию Re: Усилитель Петрова

    Схемка сабжа
    Миниатюры Миниатюры Нажмите на изображение для увеличения. 

Название:	Petrov.gif 
Просмотров:	1199 
Размер:	156.5 Кб 
ID:	10583  
    Вложения Вложения
    Последний раз редактировалось Logger; 12.05.2006 в 10:06.

  13. #13
    Новичок
    Автор темы
    Аватар для $erega2net
    Регистрация
    23.04.2006
    Адрес
    ВоронежЪ
    Сообщений
    22

    По умолчанию Re: Усилитель Петрова

    MikeF панятно. пасипь.

Социальные закладки

Социальные закладки

Ваши права

  • Вы не можете создавать новые темы
  • Вы не можете отвечать в темах
  • Вы не можете прикреплять вложения
  • Вы не можете редактировать свои сообщения
  •