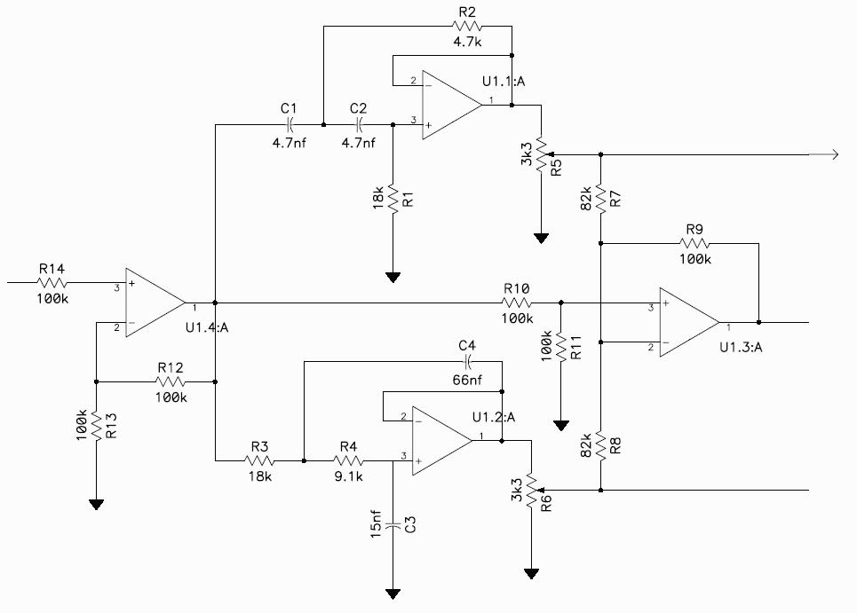
Соорудил тут разностный фильтр,
за основу взял схему А.Чантурия,
http://anklab.pirit.info/Press/Paguo.../art-35__.html немного только поменяв НЧ и ВЧ фильры, и входной буфер. И в качестве ОУ взял TL072.
Часть которая вычитает сигнал я не трогал. В данный момент у меня фильтры настроены на 400Гц, и 4кГц, оба 2-й порядок. В результате на вход подаю 1.3в, 100гЦ, пытаюсь резистором R6, на выходе добиться 0, но загоняя его в крайнее положение на выходе остается 1.3в. Мерею напряжение на обоих входах U1.3 - на каждом 1.2в, мерею между ними 0в, значит по фазе одинаковы, а на выходе 1.3в. Если дать частоту 50гц, или 20гц, результат не меняется. Если на входе повышать частоту, то на выходе разностного фильтра напряжение начинает рости. С ВЧ сигналом тоже самое. Т.е. вроде как разностный фильтр работает, но до конца все не вычитает, почему?




Социальные закладки