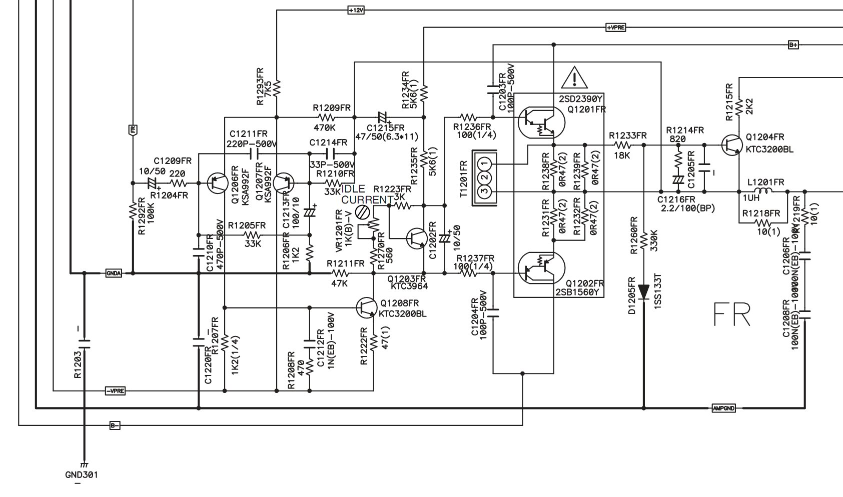
Здравствуйте! Приобрел тут на днях для создания во второй комнате фонового звукового поля усилитель Pioneer A-30-S из новой серии. Подключил на пробу к основной системе, и стало мне грустно... На ВЧ какая-то каша и хочется все это побыстрее выключить. На дубовых колонках с выкрученными тембрами и ТК для фона то пойдет, но я решил снять крышку и посмотреть на кишки, благо пломб не обнаружилось. На вид сборка пристойная. Монтаж однослойный с обилием перемычек. Китайцы немного размазали термопасту по деталям и радиатору. Селектор входов на LC78212. Регулятор громкости - моторизованный переменный резистор. Мощник на паре 2SD2390 x 2SB1560. Питание +-42.5В, банки 10000x63. Замерял ток покоя на резисторах 0.22 Ом - 11мА. Не маловато ли? Есть разъем IDLE_CURRENT и на нем напряжение 6.3мВ против 2.5мВ на резисторе. Радиатор на холостую холодный. Есть регулятор прямо между выходниками - так и просится на роль регулятора тока покоя.
Идя для твика только одна - поднятие тока покоя.
Сервисмануал бы не помешал![]()


Ответить с цитированием







Социальные закладки