Показано с 1 по 11 из 11

Тема: Вопрос по преду для WM61A по схеме linkwitz*a

  1. #1
    Завсегдатай
    Автор темы
    Аватар для mr-marlen
    Регистрация
    03.05.2009
    Адрес
    Москва, Бун.Луга
    Возраст
    38
    Сообщений
    4,026

    По умолчанию Вопрос по преду для WM61A по схеме linkwitz*a

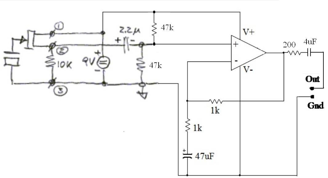
    Хотел написать в эту тему https://forum.vegalab.ru/showthread....82%D0%B5/page2, но она закрыта. Создал новую.
    На данный момент моя связка пред Феникса и микрофон WM61A в стандартном включении не позволяют измерять искажения ниже 0,3-0,5%.
    В связи с этим хочу попробовать схему предложенную на этой страничке http://www.linkwitzlab.com/sys_test.htm#Mic.
    Хотелось бы использовать однополярное питание и если я правильно понял, то в этом случае микрофон после переделки надо подключать тремя проводками. В электротехнике соображаю слабо, поэтому попрошу помощи.
    1) Корректно ли будет работать схема при длине проводов от микрофона до преда в 70-80см?
    2) Можно ли так включать как я нарисовал с питанием от одной батарейки?
    3) Если кто делал, то какое усиление ОУ будет оптимальным для входа зв. карты в 2В при измерении искажений не только с 1м, но и с 10см от динамика?
    4) Или вообще достаточно одной батарейки и включения по этой схеме? http://www.linkwitzlab.com/images/graphics/microph2.gif
    Если правильно понял, то перегрузочная способность WM61A 134дБ и это дает 5Vpp. И одной 9В батарейки хватает.

    Рекомендация Carbon к схеме:
    Цитата Сообщение от Carbon Посмотреть сообщение
    Если кто надумает повторять - два резистора 47к и конденсатор 2.2мкф лучше убрать. Просто соединяем точку 2 капсюля с + ОУ. Резистор 10к подбираем, чтобы получить половину питания на + ОУ.
    Миниатюры Миниатюры Нажмите на изображение для увеличения. 

Название:	Mic amp.JPG 
Просмотров:	1246 
Размер:	37.9 Кб 
ID:	164183  
    Последний раз редактировалось mr-marlen; 16.01.2013 в 13:33.

  2. #2
    Завсегдатай Аватар для mAxSpace
    Регистрация
    19.05.2008
    Адрес
    Москва
    Сообщений
    18,843

    По умолчанию Re: Вопрос по преду для WM61A по схеме linkwitz*a

    Цитата Сообщение от mr-marlen Посмотреть сообщение
    На данный момент моя связка пред Феникса и микрофон WM61A в стандартном включении не позволяют измерять искажения ниже 0,3-0,5%.
    Интересно, а как это выяснилось ? мне всегда казалось что уровень искажений преда по схеме Феникса наоборот непревзойдённо низкие, особенно при огромных давлениях.

  3. #3
    Завсегдатай
    Автор темы
    Аватар для mr-marlen
    Регистрация
    03.05.2009
    Адрес
    Москва, Бун.Луга
    Возраст
    38
    Сообщений
    4,026

    По умолчанию Re: Вопрос по преду для WM61A по схеме linkwitz*a

    Цитата Сообщение от mAxSpace Посмотреть сообщение
    Интересно, а как это выяснилось ?
    У меня у хорошей АС вторая гармоника повторяет АЧХ. При измерении ленточников 2ая гармоника выше 6кГц - прямая линия, которая также повторяет давление, хотя в некоторых журналах она падает вместе с третьей.
    Цитата Сообщение от mAxSpace Посмотреть сообщение
    мне всегда казалось что уровень искажений преда по схеме Феникса наоборот непревзойдённо низкие, особенно при огромных давлениях.
    THD получается около 10-20% при 2,83В и измерении в 10см от излучателя с чувствительностью 90дБ 1м.
    Можно здесь посмотреть кусочек рассуждений https://forum.vegalab.ru/showthread....=1#post1498555

  4. #4
    Завсегдатай Аватар для mAxSpace
    Регистрация
    19.05.2008
    Адрес
    Москва
    Сообщений
    18,843

    По умолчанию Re: Вопрос по преду для WM61A по схеме linkwitz*a

    Кстати, оригинальная схема Феникса имеет очень высокую чувствитльность и помнится мне что пришлось снижать коофициент усиления второго ОУ чтоб при относительно больших уровнях давления второй каскад банально не влетал в клип. mr-marlen, может у тебя при этих условиях так и выходит, есть возможность осциллографом глянуть на выходе ?

  5. #5
    Завсегдатай
    Автор темы
    Аватар для mr-marlen
    Регистрация
    03.05.2009
    Адрес
    Москва, Бун.Луга
    Возраст
    38
    Сообщений
    4,026

    По умолчанию Re: Вопрос по преду для WM61A по схеме linkwitz*a

    Цитата Сообщение от mAxSpace Посмотреть сообщение
    Кстати, оригинальная схема Феникса имеет очень высокую чувствитльность и помнится мне что пришлось снижать коофициент усиления второго ОУ чтоб при относительно больших уровнях давления второй каскад банально не влетал в клип. mr-marlen, может у тебя при этих условиях так и выходит, есть возможность осциллографом глянуть на выходе ?
    Об этом не думал, хотя вполне может быть, что косяк где-то у меня. Осциллографа нету, но могу через кондер звуковой картой посмотреть, но проще будет вместо 100кОм попробовать впаять что-нибудь поменьше.
    Схема у меня вот эта https://forum.vegalab.ru/attachment....4&d=1134417391 .
    При 94дБ давления у микрофона вроде получается 17,78мВ. Как посчитать усиление после первого ОУ не знаю . Но скорее всего вряд-ли при таком давление получается клипинг.
    При 10см и 2,83В там скорее всего клип и есть.
    Последний раз редактировалось mr-marlen; 03.04.2012 в 12:38.

  6. #6
    Завсегдатай Аватар для mAxSpace
    Регистрация
    19.05.2008
    Адрес
    Москва
    Сообщений
    18,843

    По умолчанию Re: Вопрос по преду для WM61A по схеме linkwitz*a

    Цитата Сообщение от mr-marlen Посмотреть сообщение
    Но скорее всего вряд-ли при таком давление получается клипинг.
    Сейчас точно не помню, но ведь что-то меня заставило снизить усиление
    Чуть позжее попробую дать 2.83 в на какую нибудь пищалку и померить с метра, параллельно измеряя выходное напряжение - отпишусь.

  7. #7
    Завсегдатай
    Автор темы
    Аватар для mr-marlen
    Регистрация
    03.05.2009
    Адрес
    Москва, Бун.Луга
    Возраст
    38
    Сообщений
    4,026

    По умолчанию Re: Вопрос по преду для WM61A по схеме linkwitz*a

    Вечером в пятницу паял макетку, немного скорректировав схему их первого поста, там не хватало некоторых деталей и кое-где изменил номинал.
    Взял капсюль и начал курочить. Отрезал дорожку, затем пришлось перочинным ножом аккуратно порезать торец, чтобы запаяться на 3ий контакт. Запаял три проводка, подключил усилитель. Фотки и по какой схеме паял макетку выложу позже.
    Сегодня сделал один предварительный замерчик. Мерил без стула, поэтому в диапазоне 100-400Гц присутствуют сильные отражения от пола.
    Первый график 3В 1м с предом Феникса и стандартном включении микрофона, АС на стуле.
    Второй график 2,76В 1м с новым предом. Снято на Zen9 и есть подозрение, что на 3ью гармонику он уже немного влияет, а в некоторых местах может и на вторую .
    Миниатюры Миниатюры Нажмите на изображение для увеличения. 

Название:	2,83V.JPG 
Просмотров:	1369 
Размер:	138.3 Кб 
ID:	152729   Нажмите на изображение для увеличения. 

Название:	2,76V.jpg 
Просмотров:	1280 
Размер:	331.4 Кб 
ID:	152730  
    Последний раз редактировалось mr-marlen; 31.03.2012 в 21:54.

  8. #8
    Завсегдатай Аватар для Malinovsky D
    Регистрация
    04.04.2005
    Адрес
    Братислава
    Возраст
    51
    Сообщений
    2,788

    По умолчанию Re: Вопрос по преду для WM61A по схеме linkwitz*a

    mr-marlen, а графики искажений в других программах (АРТА, например) так же выглядят?

  9. #9
    Завсегдатай
    Автор темы
    Аватар для mr-marlen
    Регистрация
    03.05.2009
    Адрес
    Москва, Бун.Луга
    Возраст
    38
    Сообщений
    4,026

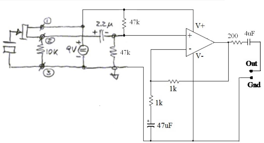
    По умолчанию Re: Вопрос по преду для WM61A по схеме linkwitz*a

    Цитата Сообщение от Malinovsky D Посмотреть сообщение
    mr-marlen, а графики искажений в других программах (АРТА, например) так же выглядят?
    Да, также как и в LSP LAB.
    Вечером скину измерения свипом из Arta. Только в Arta уже вроде было не 2,83В, но поведение гармоник такое-же как и в лабе.
    Собрано по схеме снизу.
    Сейчас сижу ломаю голову по чувствительности микрофона. Хочу примерно подобрать правильный уровень усиления ОУ и определить нужен ли он вообще, а также сделать калибровку по абсолютным уровням.
    Что означает из данных на микрофона –35±4dB (0db = 1V/pa, 1kHz)?
    Правильно понимаю, что данная величина показывает при каком напряжении на микрофоне будет 94дБ=1Па? В данном случае получается, что при 94дБ давления микрофон будет выдавать 0,017783В?
    Линквиц на сайте писал, что у микрофона максимум 134дБ или при пересчете в напряжение 1,7783В эффективного - 2,515 от пика до пика. Вроде совпадает все.
    Получается при усилении напряжения в два раза мы имеем возможность измерять давления до 2В (ограничено зв. картой), что равносильно 1В с микрофона при усилении в два раза и есть 125дБ максимального давления без клипа.
    Получается вроде достаточно и для ближнего поля. Сколько будет давления с 10см от динамика с 90дБ 2,83В? Около 110дБ?
    Миниатюры Миниатюры Нажмите на изображение для увеличения. 

Название:	Mic amp.JPG 
Просмотров:	1205 
Размер:	37.9 Кб 
ID:	152940  
    Последний раз редактировалось mr-marlen; 03.04.2012 в 13:06.

  10. #10
    Завсегдатай
    Автор темы
    Аватар для mr-marlen
    Регистрация
    03.05.2009
    Адрес
    Москва, Бун.Луга
    Возраст
    38
    Сообщений
    4,026

    По умолчанию Re: Вопрос по преду для WM61A по схеме linkwitz*a

    Цитата Сообщение от Malinovsky D Посмотреть сообщение
    а графики искажений в других программах (АРТА, например) так же выглядят?
    График положил. Измерение sine sweep*ом.
    Миниатюры Миниатюры Нажмите на изображение для увеличения. 

Название:	Harm art.jpg 
Просмотров:	854 
Размер:	280.4 Кб 
ID:	153078  

  11. #11
    Частый гость Аватар для Carbon
    Регистрация
    22.02.2007
    Адрес
    Санкт-Петербург
    Сообщений
    411

    По умолчанию Re: Вопрос по преду для WM61A по схеме linkwitz*a

    Цитата Сообщение от mr-marlen Посмотреть сообщение
    Сейчас сижу ломаю голову по чувствительности микрофона.
    Посмотрите http://www.datasheetcatalog.org/data...cs/mXytwvw.pdf
    Там написано как посчитать напряжение с микрофона.

Метки этой темы

Социальные закладки

Социальные закладки

Ваши права

  • Вы не можете создавать новые темы
  • Вы не можете отвечать в темах
  • Вы не можете прикреплять вложения
  • Вы не можете редактировать свои сообщения
  •