Страница 1 из 8 123 ... Последняя
Показано с 1 по 20 из 151

Тема: Мостовые усилители мощности

  1. #1
    без фанатизма
    Автор темы
    Аватар для Nota Bene
    Регистрация
    25.01.2005
    Адрес
    Tartaria
    Возраст
    70
    Сообщений
    4,577

    По умолчанию Мостовые усилители мощности

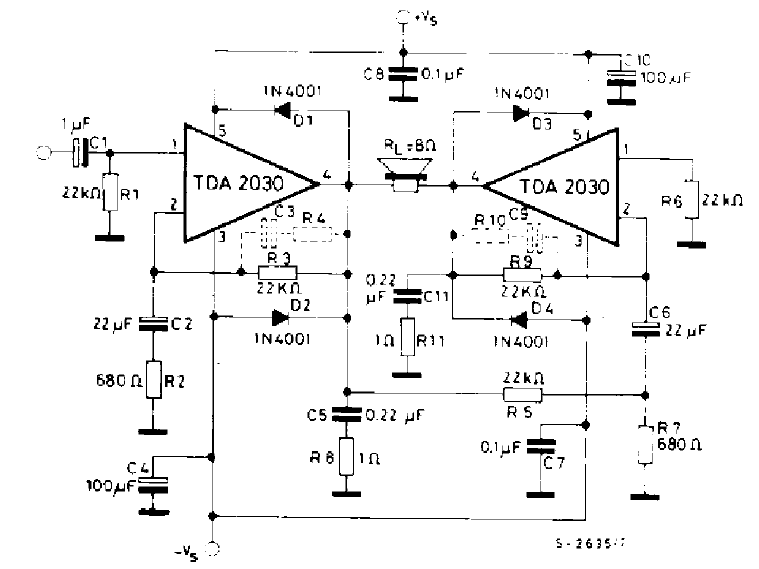
    Приперло - понадобился мощный усилок на 8-ми омную нагрузку. По питанию не хотелось уходить выше +/-22 вольт, решил сделать мост на 2-х TDA2050. Конечная цель - ИТУН для саба. За основу была взята схема усилителя с перекрестно-симметричными связями (по Шкритеку), так как мостовая схема из даташита на TDA2030, ну, совсем не нравилась. Смакетировал то, что намоделировал - и ИНУН и ИТУН - все работает как часы. Иллюстрации прикладываю. В zip-файле схемы под МС7 для любителей.
    Миниатюры Миниатюры Нажмите на изображение для увеличения. 

Название:	bridge_tda.png 
Просмотров:	5920 
Размер:	11.6 Кб 
ID:	5897   Нажмите на изображение для увеличения. 

Название:	pss_inum.png 
Просмотров:	6191 
Размер:	5.4 Кб 
ID:	5898   Нажмите на изображение для увеличения. 

Название:	pss_itun.png 
Просмотров:	5629 
Размер:	6.3 Кб 
ID:	5899  
    Вложения Вложения
    Последний раз редактировалось Nota Bene; 31.03.2013 в 12:45.
    Прежде чем задать вопрос,- подумай, что ты будешь делать с ответом...

  2. #2
    Завсегдатай Аватар для SinteZ
    Регистрация
    23.06.2004
    Адрес
    Russia
    Сообщений
    1,657

    По умолчанию Re: Мостовые усилители мощности

    Nota Bene, И в чём прикол этой пыхтелки?
    .ιlιllιlιॐιlιllιlι.

  3. #3
    без фанатизма
    Автор темы
    Аватар для Nota Bene
    Регистрация
    25.01.2005
    Адрес
    Tartaria
    Возраст
    70
    Сообщений
    4,577

    По умолчанию Re: Мостовые усилители мощности

    off:А в чем прикол "Самонаводящейся ШИЗЫ"?
    В схеме приколов нет. Она просто РАБОТАЕТ.
    Кто понимает, тот поймет.
    Прежде чем задать вопрос,- подумай, что ты будешь делать с ответом...

  4. #4
    Мимо проходил Аватар для Костя Мусатов
    Регистрация
    05.03.2004
    Адрес
    Москва
    Возраст
    59
    Сообщений
    5,529

    По умолчанию Re: Мостовые усилители мощности

    Поздравляю с успешным результатом. Как твой саб с ИТУН-ом, что делаешь с основным резонансом?

  5. #5
    без фанатизма
    Автор темы
    Аватар для Nota Bene
    Регистрация
    25.01.2005
    Адрес
    Tartaria
    Возраст
    70
    Сообщений
    4,577

    По умолчанию Re: Мостовые усилители мощности

    Цитата Сообщение от Костя Мусатов
    саб с ИТУН-ом, что делаешь с основным резонансом?
    Резонанс не волнует - ЭМОС все выпрямит. Об этом позднее...
    Прежде чем задать вопрос,- подумай, что ты будешь делать с ответом...

  6. #6
    Частый гость Аватар для Dimf
    Регистрация
    18.01.2005
    Адрес
    столица нашей Родины
    Сообщений
    439

    По умолчанию Re: Мостовые усилители мощности

    2050 можно без диодов

  7. #7
    Завсегдатай Аватар для SinteZ
    Регистрация
    23.06.2004
    Адрес
    Russia
    Сообщений
    1,657

    По умолчанию Re: Мостовые усилители мощности

    Nota Bene, я думаю что для саба это плохой усь.... Перепёлкина туда бы....былобы ништяк. Для саба восновном моща нужна
    .ιlιllιlιॐιlιllιlι.

  8. #8
    Новичок Аватар для GREY
    Регистрация
    11.04.2005
    Адрес
    Рига, Латвия
    Возраст
    56
    Сообщений
    5,160

    По умолчанию Re: Мостовые усилители мощности


    Offтопик:
    SinteZ, я валяюсь под столом! Ты, тока без обид, не попутал кому советы выдаешь? Посмотри сколько Наилю лет, потом сходи на хи-хи и попробуй прочитать ветку про ИТУН, хотя бы по одному посту со страницы. Еще полезно бы посетить его хоумпэдж, почитать. Может сабик ММ для компа? Откуда нам знать, я не телепат, к примеру.
    Сергей.

  9. #9
    без фанатизма
    Автор темы
    Аватар для Nota Bene
    Регистрация
    25.01.2005
    Адрес
    Tartaria
    Возраст
    70
    Сообщений
    4,577

    По умолчанию Re: Мостовые усилители мощности

    Цитата Сообщение от GREY
    Может сабик ММ для компа? Откуда нам знать, я не телепат, к примеру.
    Сабик на дачу , скворцов пугать
    Цитата Сообщение от SinteZ
    Для саба восновном моща нужна
    Скажи, сколько точно надо граммов? (c)
    off: кто тебе мешает туда засунуть что-то более мощное? Или вообще в дискрете сваять?

    В продолжение и развитие темы (до кучи)- усилитель с отрицательным выходным сопротивлением (не макетировался). Принцип тот же.
    Миниатюры Миниатюры Нажмите на изображение для увеличения. 

Название:	pss_neg.png 
Просмотров:	3348 
Размер:	6.8 Кб 
ID:	5914  
    Прежде чем задать вопрос,- подумай, что ты будешь делать с ответом...

  10. #10
    SMD-n
    Гость

    По умолчанию Re: Мостовые усилители мощности

    Цитата Сообщение от SinteZ
    Для саба восновном моща нужна
    приблизительно 35В амплитуды на 8Ом - сколько мощи получится ?
    Хоть приблизительно ...
    Для саба в машину , для компа , да мало ли для чего ...

  11. #11
    Завсегдатай Аватар для SinteZ
    Регистрация
    23.06.2004
    Адрес
    Russia
    Сообщений
    1,657

    По умолчанию Re: Мостовые усилители мощности

    SMD-n, 55-60вт если вам примерно нужно
    .ιlιllιlιॐιlιllιlι.

  12. #12
    Завсегдатай Аватар для Серый Мыш
    Регистрация
    14.01.2005
    Адрес
    Германия
    Сообщений
    2,005

    По умолчанию Re: Мостовые усилители мощности

    ну если с точностью до запятой, то и за 70 зашкалить может
    Nota Bene, а модели для TDA2050 есть? интересно с какой точностью должны быть резисторы в ИТУНе?
    Сергей
    -------
    Снятся людям иногда
    Дорогие провода...

  13. #13
    Старый знакомый Аватар для Lincor
    Регистрация
    05.01.2004
    Адрес
    Москва. Новогиреево.
    Возраст
    39
    Сообщений
    794

    По умолчанию Re: Мостовые усилители мощности

    Цитата Сообщение от Серый Мыш
    Nota Bene, а модели для TDA2050 есть?
    Кажись LM1875 в Мультисиме была. Я, во всяком случае, ее забиваю на моделирование всегда, когда речь идет про мощный ОУ.

  14. #14
    без фанатизма
    Автор темы
    Аватар для Nota Bene
    Регистрация
    25.01.2005
    Адрес
    Tartaria
    Возраст
    70
    Сообщений
    4,577

    По умолчанию Re: Мостовые усилители мощности

    Цитата Сообщение от Серый Мыш
    а модели для TDA2050 есть? интересно с какой точностью должны быть резисторы в ИТУНе?
    К сожалению, такой модели нет. Для моделирования чего-то мощного я обычно использую сочетание какого-то ОУ и выходного буфера на базе идеального элемента Amp. При таком подходе невозможно промоделировать эффекты, связанные с нелинейностью выходного сопротивления, но АЧХ и характеристики устойчивости усилителя получаются вполне адекватно.
    При макетировании я использовал резисторы с 1% допуском, хотя для некоторых позиций допуск можно расширить.
    В дополнение несколько положительных моментов у усилителя с ПСС - свобода в организации входа - автоматом получается инвертирующее, неинвертирующее, балансное включение. Асимметрия плеч выходных каскадов автоматически компенсируется, отсутствуют силовые токи по "общему" проводу, пульсации питания по "+" и "-" становятся симметричными и "удвоенными" по частоте...
    Прежде чем задать вопрос,- подумай, что ты будешь делать с ответом...

  15. #15
    Завсегдатай Аватар для Ale
    Регистрация
    23.06.2004
    Адрес
    г.Орёл, РФ
    Возраст
    53
    Сообщений
    1,648

    По умолчанию Re: Мостовые усилители мощности

    Цитата Сообщение от Nota Bene
    схема усилителя с перекрестно-симметричными связями (по Шкритеку
    С.Шляхов ее очень хвалил. Я так и не добрался к нему, послушать. Какие есть мнения о ее широкополосном использовании?

  16. #16
    без фанатизма
    Автор темы
    Аватар для Nota Bene
    Регистрация
    25.01.2005
    Адрес
    Tartaria
    Возраст
    70
    Сообщений
    4,577

    По умолчанию Re: Мостовые усилители мощности

    Цитата Сообщение от Ale
    С.Шляхов ее очень хвалил.
    Давайте не будем о грустном Тем более у него "авторский" вариант, сверхсекретный
    off: зря не сходили послушать.
    А по широкополосному использованию - кто же против?
    Прежде чем задать вопрос,- подумай, что ты будешь делать с ответом...

  17. #17
    Завсегдатай Аватар для Серый Мыш
    Регистрация
    14.01.2005
    Адрес
    Германия
    Сообщений
    2,005

    По умолчанию Re: Мостовые усилители мощности

    Nota Bene,
    Если в ИТУНе R9, R10 вместо 47к использовать 2к+45k, то замыкая джампером точку их соединения с выходом соответствующего канала,
    можно ИТУН превращать в ИНУН. я прав? вроде побочных явлений не обнаружено

    [ADDED=Серый Мыш]1132581685[/ADDED]
    воттак
    Миниатюры Миниатюры Нажмите на изображение для увеличения. 

Название:	wottak.gif 
Просмотров:	1776 
Размер:	2.3 Кб 
ID:	5927  
    Последний раз редактировалось Серый Мыш; 21.11.2005 в 17:01.
    Сергей
    -------
    Снятся людям иногда
    Дорогие провода...

  18. #18
    без фанатизма
    Автор темы
    Аватар для Nota Bene
    Регистрация
    25.01.2005
    Адрес
    Tartaria
    Возраст
    70
    Сообщений
    4,577

    По умолчанию Re: Мостовые усилители мощности

    Цитата Сообщение от Серый Мыш
    вроде побочных явлений не обнаружено
    Схема превратится в мощный триггер Шмидта - ПОС будет превалировать над ООС.
    Прежде чем задать вопрос,- подумай, что ты будешь делать с ответом...

  19. #19
    Завсегдатай Аватар для Серый Мыш
    Регистрация
    14.01.2005
    Адрес
    Германия
    Сообщений
    2,005

    По умолчанию Re: Мостовые усилители мощности

    Как раз так не превалирует, вот ежели другой резистор так насиловать, то да - пробовали. А свой вариант проверил на симуляторе - проходит нормально...

    [ADDED=Серый Мыш]1132587491[/ADDED]
    вот схема для отчета

    Корректирую - Nota Bene был прав - надо было другой резистор мучить делением. но принцип работает.
    Миниатюры Миниатюры Нажмите на изображение для увеличения. 

Название:	most-inun.gif 
Просмотров:	2633 
Размер:	20.0 Кб 
ID:	5930  
    Последний раз редактировалось Серый Мыш; 21.11.2005 в 19:06.
    Сергей
    -------
    Снятся людям иногда
    Дорогие провода...

  20. #20
    СамоПисец Аватар для kaskod
    Регистрация
    15.12.2004
    Адрес
    VILNUS
    Возраст
    57
    Сообщений
    2,170

    По умолчанию Re: Мостовые усилители мощности

    Цитата Сообщение от SMD-n
    приблизительно 35В амплитуды на 8Ом
    38,28125 с точностью до запятой на 8 ом

Страница 1 из 8 123 ... Последняя

Социальные закладки

Социальные закладки

Ваши права

  • Вы не можете создавать новые темы
  • Вы не можете отвечать в темах
  • Вы не можете прикреплять вложения
  • Вы не можете редактировать свои сообщения
  •