Показано с 1 по 17 из 17

Тема: усб цап на PCM2705

  1. #1
    Давно не заходил
    Автор темы

    Регистрация
    05.01.2010
    Адрес
    Россия, Киров
    Возраст
    40
    Сообщений
    5

    По умолчанию усб цап на PCM2705

    есть желание прикупить несколько PCM2705 и собрать усб цап.
    Вопрос:
    1-как качество звука получится если сравнивать недорогими аудюгами? 2-есть у кого проверенная печатка?

  2. #2
    Давно не заходил
    Регистрация
    05.01.2005
    Возраст
    48
    Сообщений
    271

    По умолчанию Re: усб цап на PCM2705

    Цитата Сообщение от LonePerson Посмотреть сообщение
    есть желание прикупить несколько PCM2705 и собрать усб цап.
    Вопрос:
    1-как качество звука получится если сравнивать недорогими аудюгами? 2-есть у кого проверенная печатка?
    Судя по характеристикам не лучше Audigy. Больше потратишь времени и средств. 2702 будет получше чуток

  3. #3
    Давно не заходил
    Автор темы

    Регистрация
    05.01.2010
    Адрес
    Россия, Киров
    Возраст
    40
    Сообщений
    5

    По умолчанию Re: усб цап на PCM2705

    Цитата Сообщение от Kolbaskin Посмотреть сообщение
    Судя по характеристикам не лучше Audigy. Больше потратишь времени и средств. 2702 будет получше чуток
    2702 для меня достать проблемно

    т.е. как я понимаю не стоит вообще заморачиваться с постройкой цапа на PCM2705/06/07 а купить простую звуковушку Creative AUDIGY???

  4. #4
    Давно не заходил
    Регистрация
    05.01.2005
    Возраст
    48
    Сообщений
    271

    По умолчанию Re: усб цап на PCM2705

    Цитата Сообщение от LonePerson Посмотреть сообщение
    2702 для меня достать проблемно

    т.е. как я понимаю не стоит вообще заморачиваться с постройкой цапа на PCM2705/06/07 а купить простую звуковушку Creative AUDIGY???
    Качество полученного не оправдает затраченного, скажем так. А 2702 достать здесь несложно. Загляни в толкучку на форуме.

  5. #5
    Давно не заходил
    Автор темы

    Регистрация
    05.01.2010
    Адрес
    Россия, Киров
    Возраст
    40
    Сообщений
    5

    По умолчанию Re: усб цап на PCM2705

    Все же думаю собрать на PCM2705, есть у кого проверенная печатка?

  6. #6
    СамоПисец Аватар для kaskod
    Регистрация
    15.12.2004
    Адрес
    VILNUS
    Возраст
    57
    Сообщений
    2,173

    По умолчанию Re: усб цап на PCM2705

    Цитата Сообщение от LonePerson Посмотреть сообщение
    у кого проверенная печатка?
    Есть у Grey, в том числе у него на сайте, а вообще то поиск по форуму рулит.

  7. #7
    Давно не заходил
    Автор темы

    Регистрация
    05.01.2010
    Адрес
    Россия, Киров
    Возраст
    40
    Сообщений
    5

    По умолчанию Re: усб цап на PCM2705

    Цитата Сообщение от kaskod Посмотреть сообщение
    Есть у Grey, в том числе у него на сайте, а вообще то поиск по форуму рулит.
    под PCM2702 видел у него и на портале разные варианты, под 2705 не одной не видел.

  8. #8
    Давно не заходил
    Регистрация
    05.01.2005
    Возраст
    48
    Сообщений
    271

    По умолчанию Re: усб цап на PCM2705

    Цитата Сообщение от LonePerson Посмотреть сообщение
    Все же думаю собрать на PCM2705, есть у кого проверенная печатка?
    Какой смысл тратить деньги на заведомо неважный результат!? Качество 2705 уровня аудиги1, максимум аудиги2. Единственный плюс - это транспортабельность и удобство подключения.

  9. #9
    Новичок Аватар для ILYA-K
    Регистрация
    13.01.2010
    Адрес
    Санкт-Петербург
    Сообщений
    55

    По умолчанию Re: усб цап на PCM2705

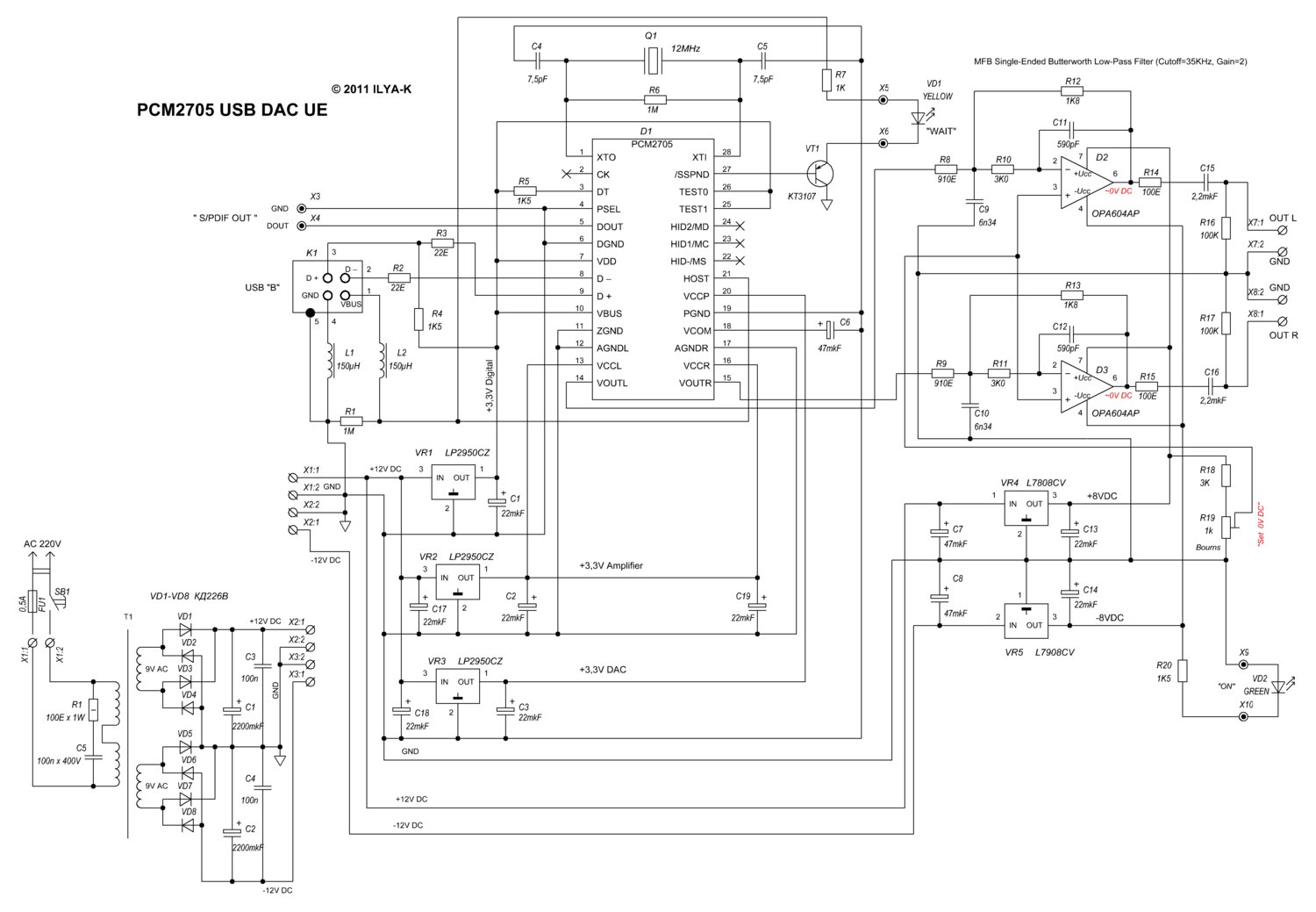
    Идея собрать данный ЦАП на PCM2705 родилась после прослушивания ЦАП "Goldsmith" на PCM2702 с широко известного в узких кругах сайта Звучал он весьма недурно, несмотря на кажущийся схемный и ценовой примитивизм. При этом все дружно "опускали" PCM2705, который был легко покупаем. Было принято решение собрать ЦАП на PCM2705 с внешним питанием, с отдельными стабилизаторами на цифровую, аналоговую часть, выходной буфер PCM2705 и на выходной фильтр-буфер с двухполярным питанием +-8V на OPA604.
    Результат оказался неплох. ЦАП при сравнительном прослушивании с коммутацией "на лету" почти неотличим от винтажного 100-вольтового проигрывателя CD Yamaha CDX-1000 на параллельных (мультибитных ) PCM56J, на котором обычно и слушаю музыку. Задача, а именно оценка скачанного контента в Lossless форматах (flac,ape 16,44) перед записью на болванку, была решена. По сравнению с Audigy2 этот ЦАП звучит чище, к тому-же обладает меньшими шумами. Помимо этого на штырьки выведен выход S/PDIF. Устройство имеет установку многооборотным резистором нуля по постоянному напряжению на выходе. Постоянная составляющая на выходе устанавливается в пределах 15-20mV (можно сделать регулировку отдельно для каждого канала, тогда можно поставить точно в ноль), так что при желании конденсторы С15, С16 можно закоротить. Я их оставил. АЧХ линейна от 20Гц до 20Кгц с завалом на краях диапазона -0,5dB.
    Собственно, схему в splаn 6.0 и печатные платы в Sprint-Layout 4.0 прилагаю, как и фото готового устройства. Конструктивно ЦАП вместе с блоком питания выполнен в виде двух плат "бутербродом" на стойках с заземлённой металлической пластиной-экраном между ними, и помещён в стандартный корпус из Чипа-Дипа (корпус у меня уже был, так что проектировал под него )
    Схема ЦАП и блока питания:
    Нажмите на изображение для увеличения. 

Название:	PCM2705_schematic.jpg 
Просмотров:	4961 
Размер:	147.3 Кб 
ID:	118886
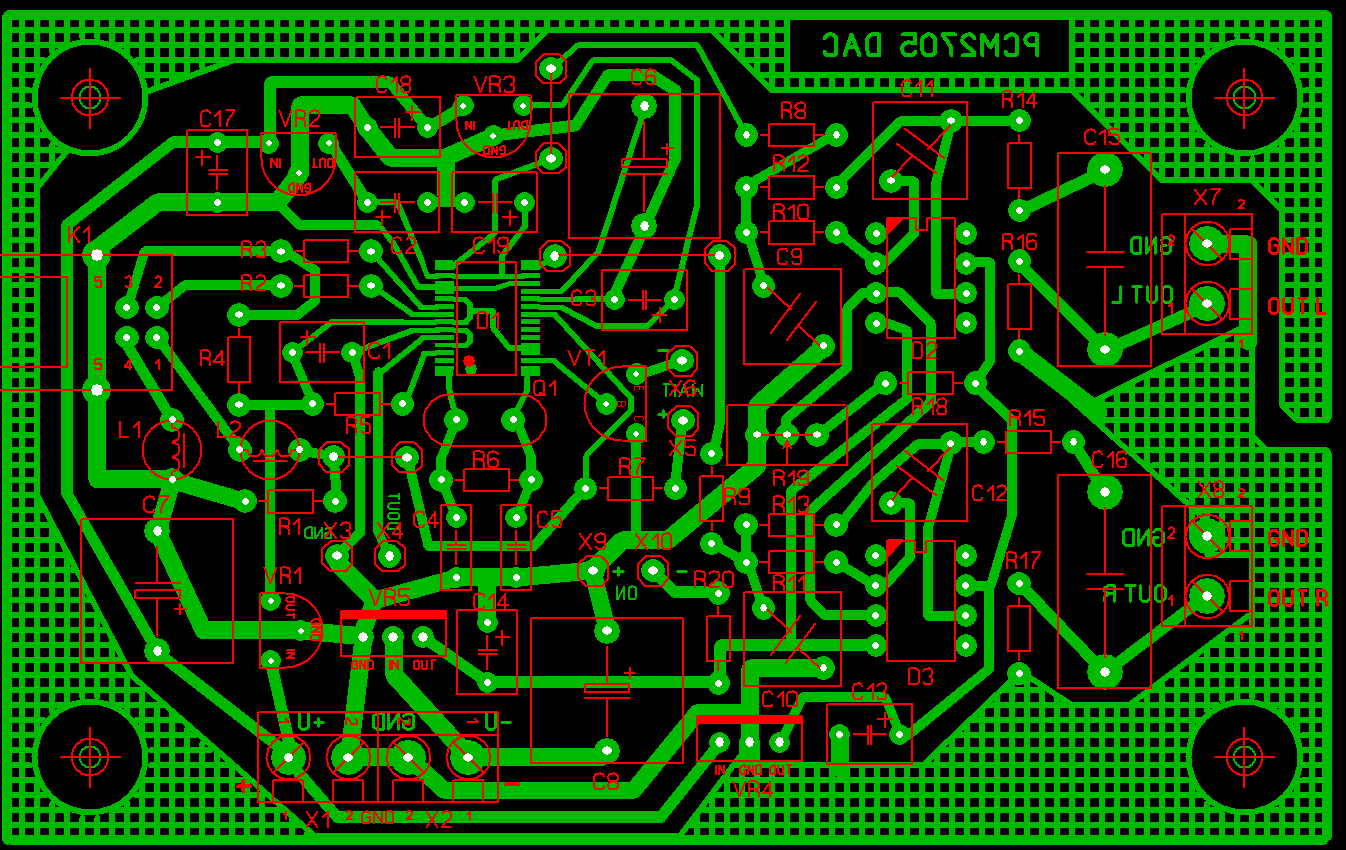
    Печатная плата ЦАП:
    Нажмите на изображение для увеличения. 

Название:	PCM2705_DAC_layout.GIF 
Просмотров:	2020 
Размер:	66.5 Кб 
ID:	118887
    Печатная плата блока питания:
    Нажмите на изображение для увеличения. 

Название:	PCM2705_power_layout.GIF 
Просмотров:	1451 
Размер:	37.8 Кб 
ID:	118888
    Схема в splаn 6.0 и печатные платы в Sprint-Layout 4.0:
    PCM2705UE.ZIP
    И фото устройства:
    Нажмите на изображение для увеличения. 

Название:	1.jpg 
Просмотров:	1668 
Размер:	297.0 Кб 
ID:	118890Нажмите на изображение для увеличения. 

Название:	2.jpg 
Просмотров:	2239 
Размер:	276.3 Кб 
ID:	118891Нажмите на изображение для увеличения. 

Название:	3.jpg 
Просмотров:	1810 
Размер:	280.9 Кб 
ID:	118892Нажмите на изображение для увеличения. 

Название:	4.jpg 
Просмотров:	1568 
Размер:	232.6 Кб 
ID:	118893Нажмите на изображение для увеличения. 

Название:	5.jpg 
Просмотров:	1226 
Размер:	196.3 Кб 
ID:	118894Нажмите на изображение для увеличения. 

Название:	6.jpg 
Просмотров:	1597 
Размер:	428.5 Кб 
ID:	118895Нажмите на изображение для увеличения. 

Название:	7.jpg 
Просмотров:	1428 
Размер:	249.2 Кб 
ID:	118896

    Номиналы конденсаторов в фильтре на выходе ЦАП не догма, просто они поставлены какие были под рукой и под них программой FilterPro рассчитаны резисторы для данной частоты среза.
    Последний раз редактировалось ILYA-K; 03.05.2011 в 20:08. Причина: Добавил про подбор номиналов...

  10. #10

    По умолчанию Re: усб цап на PCM2705

    Интересная работа. комплектация качственная - звуком автор доволен. Респект и уважуха как грится

  11. #11
    Новичок Аватар для ILYA-K
    Регистрация
    13.01.2010
    Адрес
    Санкт-Петербург
    Сообщений
    55

    По умолчанию Re: усб цап на PCM2705

    Да, дай думаю постанУ, может кому ещё пригодится Не всем же монстровые ЦАПы на килобаксы только по комплектухе собирать

  12. #12
    Частый гость Аватар для zmax
    Регистрация
    07.02.2007
    Адрес
    Москва
    Возраст
    48
    Сообщений
    199

    По умолчанию Re: усб цап на PCM2705

    Зачем по килобаксу - цап на ad1853 с приличной обвязкой и платой стабов в 4-10 тыс выйдет. Зато результат будет много приятнее звучать.

  13. #13
    Частый гость Аватар для mobik
    Регистрация
    27.11.2006
    Адрес
    Москва
    Возраст
    38
    Сообщений
    245

    По умолчанию Re: усб цап на PCM2705

    Собирал на 2704 это по идее одно и тоже, что и 2705. Печатку приложил, правда SPDIF не выведен, но кому надо тот сделает я думаю сам=) Работает отлично, звучит вроде неплохо довольно таки по крайней мере явно лучше встроенного в ноутбук звука, да и размером с половину спичечного коробка.
    Вложения Вложения
    • Тип файла: rar 2704.rar (7.3 Кб, Просмотров: 1073)

  14. #14
    Давно не заходил
    Регистрация
    06.07.2008
    Адрес
    Ижевск
    Возраст
    40
    Сообщений
    1,120

    По умолчанию Re: усб цап на PCM2705

    mobik,
    ухты какая малявка
    буду пробовать

    жаль SPDIF не выведен , пригодится он точно
    более качественный цап к нему можно подключить будет

  15. #15
    Давно не заходил
    Регистрация
    13.01.2010
    Сообщений
    8

    По умолчанию Re: усб цап на PCM2705

    @ILYA-K: А почему не использовали VCOM для задания смещения? Там 1,65В. Для получения +4dBu на выходе (что сейчас, как видно из технических характеристик бытовой аппаратуры является стандартом де факто) требуется усиление буфера-фильтра 1,55, если исходить из заявленного размаха выхода 0,55*Vcc p-p. То есть смещение на прямых входах дожно быть около 1В, поделить 3К на 2К -- дело несложное. В чем профит от деления напряжения питания усилителей? Стабильность? Вряд ли. Точность? Да тоже наверное нет.

  16. #16
    Новичок Аватар для yarebel
    Регистрация
    28.06.2010
    Адрес
    Узбекистан. Ташкент
    Сообщений
    96

    По умолчанию Re: усб цап на PCM2705

    Здравствуйте ILYA-K, возможно ли питать звучку от аккумулятора? (может есть выигрыш в качестве)
    Как еще можно обойтись без электролитов на выходе?
    И какие оперы можно еще использовать?
    Есть 2704 в наличии и очень хочу собрать звучку.

  17. #17
    Давно не заходил
    Регистрация
    16.09.2011
    Сообщений
    21

    По умолчанию Re: усб цап на PCM2705

    to:ILYA-K Схема интересная, собираюсь попробовать на 2704.
    Такой вопрос... у Vbus запитано от 3.3Б, а оно надо? Судя по даташиту Vbus питается от +5В в случае если используется внутренний регулятор напряжения н 3.3В, но у нас внешнее раздельное питание? "Connect to USB power (VBUS) for bus-powered operation. Connect to VDD for self-powered operation."
    Так может Vbus просто отсоединить или шунтировать?

    Если, что не так написал строго не судите, только начал изучать этот вопрос.

Социальные закладки

Социальные закладки

Ваши права

  • Вы не можете создавать новые темы
  • Вы не можете отвечать в темах
  • Вы не можете прикреплять вложения
  • Вы не можете редактировать свои сообщения
  •