Показано с 1 по 17 из 17

Тема: переделка разделительного фильтра с70

  1. #1
    Давно не заходил
    Автор темы
    Аватар для Bacha
    Регистрация
    03.02.2005
    Сообщений
    65

    По умолчанию переделка разделительного фильтра с70

    вот схема фильтра колонок с70 (35ас013)
    помогите перестроить фильтр чтобы было два входа (разделение НЧ и ВЧ-СЧ). Сигнал собираюсь подавать с 2х разных усилителей
    Миниатюры Миниатюры Нажмите на изображение для увеличения. 

Название:	фильтр с70.JPG 
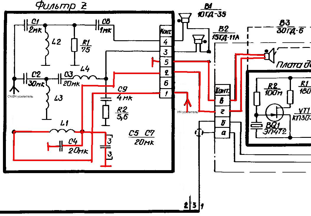
Просмотров:	1230 
Размер:	113.3 Кб 
ID:	3612  

  2. #2
    Был регулярный потпищег.

    Регистрация
    04.05.2005
    Адрес
    Казань
    Сообщений
    3,315

    По умолчанию Re: переделка разделительного фильтра с70

    Видимо, так:
    Миниатюры Миниатюры Нажмите на изображение для увеличения. 

Название:	S70_N.jpg 
Просмотров:	594 
Размер:	106.6 Кб 
ID:	3617  

  3. #3
    Старый знакомый Аватар для Targitay
    Регистрация
    22.06.2004
    Адрес
    РФ г.Тверь
    Возраст
    50
    Сообщений
    508

    По умолчанию Re: переделка разделительного фильтра с70

    Цитата Сообщение от Nagema
    Видимо, так:
    А что, на НЧ-головку сигнал пойдет прямо с выхода УМ?
    Вроде автор темы нигде не писал про активный фильтр ВЧ.
    "Авось не Бог, но пол-бога есть..." (Ю.Никитин)

  4. #4
    Давно не заходил
    Автор темы
    Аватар для Bacha
    Регистрация
    03.02.2005
    Сообщений
    65

    По умолчанию Re: переделка разделительного фильтра с70

    на нч сигнал пойдет с LM3886 через родной фильтр АС

  5. #5
    Был регулярный потпищег.

    Регистрация
    04.05.2005
    Адрес
    Казань
    Сообщений
    3,315

    По умолчанию Re: переделка разделительного фильтра с70

    Цитата Сообщение от Targitay
    А что, на НЧ-головку сигнал пойдет прямо с выхода УМ?
    Вроде автор темы нигде не писал про активный фильтр ВЧ.
    Да, я полагал, что формирование НЧ будет где-то там, около усилителя )…


    "- А кто у нас муж?
    - Волшебник.
    - Виноват. Погорячился. Был неправ."

  6. #6
    Давно не заходил
    Автор темы
    Аватар для Bacha
    Регистрация
    03.02.2005
    Сообщений
    65

    По умолчанию Re: переделка разделительного фильтра с70

    Nagema, наверно тебе несложно будет и такой вариант нарисовать!

    [ADDED=Bacha]1124293134[/ADDED]
    народ подскажите хотябы какие элементы на схеме за что отвечают. А дальше я сам доделаю.
    Последний раз редактировалось Bacha; 17.08.2005 в 19:38.

  7. #7
    Был регулярный потпищег.

    Регистрация
    04.05.2005
    Адрес
    Казань
    Сообщений
    3,315

    По умолчанию Re: переделка разделительного фильтра с70

    Цитата Сообщение от Bacha
    Nagema, наверно тебе несложно будет и такой вариант нарисовать!
    Он давно нарисован /не мною/, монсеньор. Нарисован и где-то лежит в Сетке. И там всё-превсё популярно описано на тему удобства регулирования АЧХ в активном секторе, коррекции выходного сопротивления усилителя в зависимости от частоты и так далее.

    Коль уж вынесли НЧ на отдельный усилитель - чё ж не воспользоваться этими прелестями, м?.. )

    Именно на это я и намекал, к сдержанному раздражению мсьё Таргитая, который как только увидел 15ГД-11А с родимым фильтром - сразу стал грознее тучи.

  8. #8
    Давно не заходил
    Автор темы
    Аватар для Bacha
    Регистрация
    03.02.2005
    Сообщений
    65

    По умолчанию Re: переделка разделительного фильтра с70

    Дело в том что усилители на лм стоят в самих с70 и я их иногда буду использовать как усилители для всей ас а не для только нч звена.

  9. #9
    Завсегдатай Аватар для Zotoff
    Регистрация
    03.02.2005
    Адрес
    Москва
    Сообщений
    1,162

    По умолчанию Re: переделка разделительного фильтра с70

    Что-то я не пойму... У С-70, кажется, в НЧ-динамике есть датчик ЭМОС, а сами колонки активные и басовик уже подключен к отдельному усилителю.

    А пассивные фильтры сделаны для работы от внешнего усилителя. Но от внешнего усилителя будет плохо, т.к. объем маленький и ФИ нет - басов будет мало!

    В активном варианте - недостаток басов компенсирует система ЭМОС...

  10. #10
    Старый знакомый Аватар для Targitay
    Регистрация
    22.06.2004
    Адрес
    РФ г.Тверь
    Возраст
    50
    Сообщений
    508

    По умолчанию Re: переделка разделительного фильтра с70

    Цитата Сообщение от Nagema
    Коль уж вынесли НЧ на отдельный усилитель - чё ж не воспользоваться этими прелестями, м?.. )
    Именно на это я и намекал, к сдержанному раздражению мсьё Таргитая, который как только увидел 15ГД-11А с родимым фильтром - сразу стал грознее тучи.
    Я Ваш намек понял сразу, и ни сколько не был раздражен ни вашим вариантом схемы, ни наличием 15ГД-11А в данной АС. А вот автор темы, как стало далее ясно, - Вашего намека не понял.

    Zotoff
    У меня дома есть схема итих АС и там - по одному каналу УМ в каждой "колонке", и поэтому пассивные фильтры на его выходе нужны обязательно. А ЭМОС работает в очень узкой полосе НЧ.
    Последний раз редактировалось Targitay; 18.08.2005 в 11:47.
    "Авось не Бог, но пол-бога есть..." (Ю.Никитин)

  11. #11
    Старый знакомый Аватар для Targitay
    Регистрация
    22.06.2004
    Адрес
    РФ г.Тверь
    Возраст
    50
    Сообщений
    508

    По умолчанию Re: переделка разделительного фильтра с70

    Цитата Сообщение от Bacha
    Дело в том что усилители на лм стоят в самих с70 и я их иногда буду использовать как усилители для всей ас а не для только нч звена.
    Вы сами их постали вместо родных или "так и было", когда АС к ВАм только попали? Жива ли эмос?
    "Авось не Бог, но пол-бога есть..." (Ю.Никитин)

  12. #12
    Завсегдатай Аватар для Zotoff
    Регистрация
    03.02.2005
    Адрес
    Москва
    Сообщений
    1,162

    По умолчанию Re: переделка разделительного фильтра с70

    Targitay

    Я уже может что-то забыл, но мне кажется, что басовик там подключен к отдельному каналу УМ. Надо посмотреть, где-то в старом журнеле "Радио" было...

  13. #13
    Старый знакомый Аватар для Targitay
    Регистрация
    22.06.2004
    Адрес
    РФ г.Тверь
    Возраст
    50
    Сообщений
    508

    По умолчанию Re: переделка разделительного фильтра с70

    Цитата Сообщение от Zotoff
    Targitay
    Я уже может что-то забыл, но мне кажется, что басовик там подключен к отдельному каналу УМ. Надо посмотреть, где-то в старом журнеле "Радио" было...
    Вот ссылка на файл со схемой: http://radiotech.by.ru/Documentation...AS/35as013.exe
    "Авось не Бог, но пол-бога есть..." (Ю.Никитин)

  14. #14
    Давно не заходил
    Автор темы
    Аватар для Bacha
    Регистрация
    03.02.2005
    Сообщений
    65

    По умолчанию Re: переделка разделительного фильтра с70

    ЭМОС жива, лм ставил сам вместо штатного УНЧ50, сейчас просто хочу чтобы лм усиливала НЧ, а на СЧ-ВЧ с другого усилителя сигнал подавать и всё это через родной фильтр АС.

  15. #15
    Давно не заходил
    Автор темы
    Аватар для Bacha
    Регистрация
    03.02.2005
    Сообщений
    65

    По умолчанию Re: переделка разделительного фильтра с70

    посмотрите верно сделал или нет.
    Миниатюры Миниатюры Нажмите на изображение для увеличения. 

Название:	s7.JPG 
Просмотров:	447 
Размер:	115.9 Кб 
ID:	3640  

  16. #16
    Старый знакомый Аватар для Targitay
    Регистрация
    22.06.2004
    Адрес
    РФ г.Тверь
    Возраст
    50
    Сообщений
    508

    По умолчанию Re: переделка разделительного фильтра с70

    Цитата Сообщение от Bacha
    посмотрите верно сделал или нет.
    Почти. Общие выводы B1 и B2 тоже надо на землю (контакт №5) посадить, а лучше - все "земляные" выводы фильтров СЧ- и ВЧ-головок оторвать от "родной" земли, соединить с общими выводами В1 и В2 и пустить на выход "земля" второго усилителя.
    "Авось не Бог, но пол-бога есть..." (Ю.Никитин)

  17. #17
    Давно не заходил
    Автор темы
    Аватар для Bacha
    Регистрация
    03.02.2005
    Сообщений
    65

    По умолчанию Re: переделка разделительного фильтра с70

    Спасибо всем за ответы.
    переделку фильтра сделал, результатом доволен.
    Теперь и на высокой громкости низов достаточно.
    Тему можно закрывать.

Социальные закладки

Социальные закладки

Ваши права

  • Вы не можете создавать новые темы
  • Вы не можете отвечать в темах
  • Вы не можете прикреплять вложения
  • Вы не можете редактировать свои сообщения
  •