Страница 1 из 4 123 ... Последняя
Показано с 1 по 20 из 78

Тема: Двухполосная мини АС на динамиках Wavecor

  1. #1
    Завсегдатай
    Автор темы
    Аватар для mr-marlen
    Регистрация
    03.05.2009
    Адрес
    Москва, Бун.Луга
    Возраст
    38
    Сообщений
    4,026

    По умолчанию Двухполосная мини АС на динамиках Wavecor

    Здравствуйте.
    АС разрабатывалась в мини варианте, как компьютерные колонки.
    1) Динамики: мидвуфер - Wavecor WF118WA02 - 8Ом, твитер - Wavecor TW30WA01 - 4Ом.
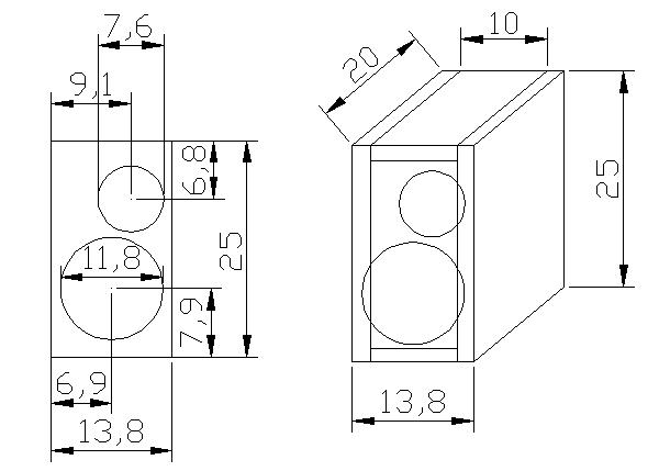
    2) Размеры корпуса на чертеже (выполнено не по ЕСКД, слишком это долго для меня и мучительно ). 138х250х238 из МДФ 19мм. Объем около 3,5-3,8 литров с учетом катушек, конденсаторов, резисторов и ФИ.
    3) Для ФИ подойдет эта труба Intertechnik BR/TR30. Труба чуть-чуть маловата, она 25мм, а желательно в программах симуляторах 28мм но при умеренных мощностях её достаточно.
    4) Фильтры паял деталь к детали использовал маленькие дощечки для крепления к стенкам, чтобы объема меньше сожрало. Катушки мотал сам. Для фильтра НЧ можно 2,5мГн вместо 2,45мГн. Вместо 8,6мкФ можно 8,2мкФ ставить. Фильтр НЧ разместил на задней стенке, чтобы через дырку мидвуфера можно было скрутить, если что. Фильтр ВЧ разместил на верхней стенке, чтобы засовывая руку можно было тоже выкрутить, вкрутить. Схема фильтров на рисунке. Чувствительность АС примерно 81-82дБ 2,83В.
    5) Корзины мидвуфера и пищалки желательно утопить. Пищалку на 4мм, басовик у меня утоплен на 4мм, но можно и 3мм. Изнутри по отверстию мидвуфера стоит пройти конусной фрезой. В качестве заполнения использовал распушенный синтепон.
    6) Графики и все остальное в картинках.
    Про звук могу сказать следующее: поставил их с боку монитора на стол вверх ногами. Пищалка внизу ближе к столу, вуфер вверху, чтобы лепесток диаграммы смотрел вверх, если ставить на стойку(или уголки сделать), то уши на уровне СЧ-ВЧ или СЧ будет отличным вариантом. Стерео картинка на месте. Звук оторван от АС и играет по центру. Играет детально, но до трехполоски не дотягивает прозрачностью и объемностью.
    У кого есть вопросы задавайте, кто опытнее ругайте .



    Миниатюры Миниатюры Нажмите на изображение для увеличения. 

Название:	1Корпус1.JPG 
Просмотров:	5179 
Размер:	29.9 Кб 
ID:	67729   Нажмите на изображение для увеличения. 

Название:	2Корпус утапливание.JPG 
Просмотров:	3963 
Размер:	31.3 Кб 
ID:	67730   Нажмите на изображение для увеличения. 

Название:	3Корпус зад. стенка.JPG 
Просмотров:	3412 
Размер:	26.5 Кб 
ID:	67731   Нажмите на изображение для увеличения. 

Название:	13АЧХ 118 ближнее поле.JPG 
Просмотров:	2920 
Размер:	103.8 Кб 
ID:	69138  

    Нажмите на изображение для увеличения. 

Название:	14АЧХ инвертор ближнее поле.JPG 
Просмотров:	3397 
Размер:	107.5 Кб 
ID:	69139  
    Последний раз редактировалось mr-marlen; 28.12.2009 в 23:32.

  2. #2
    Завсегдатай
    Автор темы
    Аватар для mr-marlen
    Регистрация
    03.05.2009
    Адрес
    Москва, Бун.Луга
    Возраст
    38
    Сообщений
    4,026

    По умолчанию Re: Двухполосная мини АС на динамиках Wavecor

    Продолжение фотосессии.
    Миниатюры Миниатюры Нажмите на изображение для увеличения. 

Название:	1.JPG 
Просмотров:	2767 
Размер:	471.0 Кб 
ID:	65726   Нажмите на изображение для увеличения. 

Название:	2.JPG 
Просмотров:	2618 
Размер:	365.9 Кб 
ID:	65727   Нажмите на изображение для увеличения. 

Название:	3.JPG 
Просмотров:	2406 
Размер:	348.2 Кб 
ID:	65728   Нажмите на изображение для увеличения. 

Название:	4.JPG 
Просмотров:	2279 
Размер:	348.8 Кб 
ID:	65729  

    Нажмите на изображение для увеличения. 

Название:	5.JPG 
Просмотров:	3090 
Размер:	476.0 Кб 
ID:	65730   Нажмите на изображение для увеличения. 

Название:	6.JPG 
Просмотров:	2394 
Размер:	483.5 Кб 
ID:	65731   Нажмите на изображение для увеличения. 

Название:	7.JPG 
Просмотров:	2529 
Размер:	489.8 Кб 
ID:	65732   Нажмите на изображение для увеличения. 

Название:	8.JPG 
Просмотров:	2192 
Размер:	504.8 Кб 
ID:	65733  

    Нажмите на изображение для увеличения. 

Название:	9.JPG 
Просмотров:	2486 
Размер:	587.1 Кб 
ID:	65734   Нажмите на изображение для увеличения. 

Название:	10.JPG 
Просмотров:	2470 
Размер:	542.9 Кб 
ID:	65735   Нажмите на изображение для увеличения. 

Название:	11.JPG 
Просмотров:	2863 
Размер:	282.6 Кб 
ID:	65736  

  3. #3
    Завсегдатай Аватар для George Krilov
    Регистрация
    14.05.2006
    Адрес
    Москва
    Возраст
    70
    Сообщений
    6,555

    По умолчанию Re: Двухполосная мини АС на динамиках Wavecor

    Молодец.
    Только фильтр сложноват на пищалку. Потом, что все время за нестандартные номиналы. Если взять стандартные, хуже не будет.
    У маленьких АС всегда панорама хорошая.
    Георгий Крылов

  4. #4
    Завсегдатай
    Автор темы
    Аватар для mr-marlen
    Регистрация
    03.05.2009
    Адрес
    Москва, Бун.Луга
    Возраст
    38
    Сообщений
    4,026

    По умолчанию Re: Двухполосная мини АС на динамиках Wavecor

    Цитата Сообщение от George Krilov Посмотреть сообщение
    Молодец.
    Только фильтр сложноват на пищалку. Потом, что все время за нестандартные номиналы. Если взять стандартные, хуже не будет.
    У маленьких АС всегда панорама хорошая.
    Спасибо. Я пытался из стандартных, не очень то и выходило . Там из нестандартных только катушка для басовика, которую я хотел мотать 2,5мГн, но когда намотал до 2,45мГн еще мотать не стал. Разница в каде между 2,5мГн и 2,45мГн незначительна и можно смело ставить 2,5мГн.
    Последний раз редактировалось mr-marlen; 29.11.2009 в 06:23.

  5. #5
    Частый гость Аватар для WERTGOVER
    Регистрация
    29.11.2007
    Адрес
    Минск
    Сообщений
    475

    По умолчанию Re: Двухполосная мини АС на динамиках Wavecor

    Какие-то колоды......
    Wertgover Sound

  6. #6
    Зануда Аватар для StarIK
    Регистрация
    30.12.2005
    Адрес
    Пензенская обл. г.Заречный
    Возраст
    65
    Сообщений
    2,701

    По умолчанию Re: Двухполосная мини АС на динамиках Wavecor

    mr-marlen, поздравляю!

    В ФНЧ мидвуфера R1012 - точно ноль ом? Это не ошибка?

  7. #7
    Завсегдатай
    Автор темы
    Аватар для mr-marlen
    Регистрация
    03.05.2009
    Адрес
    Москва, Бун.Луга
    Возраст
    38
    Сообщений
    4,026

    По умолчанию Re: Двухполосная мини АС на динамиках Wavecor

    Цитата Сообщение от StarIK Посмотреть сообщение
    mr-marlen, поздравляю!

    В ФНЧ мидвуфера R1012 - точно ноль ом?
    Спасибо, его там нету .

  8. #8
    Зануда Аватар для StarIK
    Регистрация
    30.12.2005
    Адрес
    Пензенская обл. г.Заречный
    Возраст
    65
    Сообщений
    2,701

    По умолчанию Re: Двухполосная мини АС на динамиках Wavecor

    Т.е. цепочка R1012 - С1011 в реале отсутствует?

  9. #9
    Завсегдатай
    Автор темы
    Аватар для mr-marlen
    Регистрация
    03.05.2009
    Адрес
    Москва, Бун.Луга
    Возраст
    38
    Сообщений
    4,026

    По умолчанию Re: Двухполосная мини АС на динамиках Wavecor

    Нет, конденсатор присутствует. Припаян к выводам катушки.

  10. #10
    Зануда Аватар для StarIK
    Регистрация
    30.12.2005
    Адрес
    Пензенская обл. г.Заречный
    Возраст
    65
    Сообщений
    2,701

    По умолчанию Re: Двухполосная мини АС на динамиках Wavecor

    Подозреваю, что это не правильно... Обычно нужен резистор примерно на 20...24 ом, иначе выше частоты резонанса цепочки С1011-L1011 фильтр перестаёт работать как ФНЧ.

  11. #11
    Завсегдатай
    Автор темы
    Аватар для mr-marlen
    Регистрация
    03.05.2009
    Адрес
    Москва, Бун.Луга
    Возраст
    38
    Сообщений
    4,026

    По умолчанию Re: Двухполосная мини АС на динамиках Wavecor

    Руководствовался тем, что получалось в каде. По измерениям вроде нормально получилось.
    Миниатюры Миниатюры Нажмите на изображение для увеличения. 

Название:	фильтр 1.JPG 
Просмотров:	2068 
Размер:	107.3 Кб 
ID:	65738   Нажмите на изображение для увеличения. 

Название:	фильтр 2.JPG 
Просмотров:	1380 
Размер:	108.6 Кб 
ID:	65739   Нажмите на изображение для увеличения. 

Название:	фильтр 3.JPG 
Просмотров:	1652 
Размер:	105.3 Кб 
ID:	65740  

  12. #12
    Зануда Аватар для StarIK
    Регистрация
    30.12.2005
    Адрес
    Пензенская обл. г.Заречный
    Возраст
    65
    Сообщений
    2,701

    По умолчанию Re: Двухполосная мини АС на динамиках Wavecor

    Цитата Сообщение от mr-marlen Посмотреть сообщение
    По измерениям вроде нормально получилось.
    За счёт акустического спада самого мидвуфера. Но в АЧХ фильтра выше 10 кГц будет наблюдаться подъём, т.е. эти частоты (выше 10 кГц) на мидвуфер подаваться будут, причём с резким разворотом фазы примерно на 150 градусов.
    Я бы резистор оставил. Обрати внимание - Троэлс Грависен частенько применяет эту цепочку, но резистор у него везде стоит.

  13. #13
    Завсегдатай
    Автор темы
    Аватар для mr-marlen
    Регистрация
    03.05.2009
    Адрес
    Москва, Бун.Луга
    Возраст
    38
    Сообщений
    4,026

    По умолчанию Re: Двухполосная мини АС на динамиках Wavecor

    Цитата Сообщение от StarIK Посмотреть сообщение
    За счёт акустического спада самого мидвуфера. Но в АЧХ фильтра выше 10 кГц будет наблюдаться подъём, т.е. эти частоты (выше 10 кГц) на мидвуфер подаваться будут, причём с резким разворотом фазы примерно на 150 градусов.
    Я бы резистор оставил.
    Вообще похоже на правду. Только что снял в ближнем поле вуфера, пищаль прикрыта книжкой.. Сейчас попробую резик добавить и снова замерить.
    Миниатюры Миниатюры Нажмите на изображение для увеличения. 

Название:	Ближнее поле вуфер.JPG 
Просмотров:	1545 
Размер:	115.9 Кб 
ID:	65741  

  14. #14
    Завсегдатай Аватар для George Krilov
    Регистрация
    14.05.2006
    Адрес
    Москва
    Возраст
    70
    Сообщений
    6,555

    По умолчанию Re: Двухполосная мини АС на динамиках Wavecor

    А можно и вообще без нее. Хуже играть не станет, наверное.
    mr-marlen, вы корпуса сами делаете?
    Георгий Крылов

  15. #15
    Завсегдатай
    Автор темы
    Аватар для mr-marlen
    Регистрация
    03.05.2009
    Адрес
    Москва, Бун.Луга
    Возраст
    38
    Сообщений
    4,026

    По умолчанию Re: Двухполосная мини АС на динамиках Wavecor

    Цитата Сообщение от George Krilov Посмотреть сообщение
    mr-marlen, вы корпуса сами делаете?
    Да, сам делаю. Поэтому так паршиво выглядит .

  16. #16
    Завсегдатай Аватар для George Krilov
    Регистрация
    14.05.2006
    Адрес
    Москва
    Возраст
    70
    Сообщений
    6,555

    По умолчанию Re: Двухполосная мини АС на динамиках Wavecor

    Научитесь, просто я уже не могу всем этим заниматься - мало жизней осталось.
    Георгий Крылов

  17. #17
    Завсегдатай
    Автор темы
    Аватар для mr-marlen
    Регистрация
    03.05.2009
    Адрес
    Москва, Бун.Луга
    Возраст
    38
    Сообщений
    4,026

    По умолчанию Re: Двухполосная мини АС на динамиках Wavecor

    Вот, что с резистором 20Ом. Получше, но думаю убирать эту цепь надо и все.
    StarIK, спасибо.
    Миниатюры Миниатюры Нажмите на изображение для увеличения. 

Название:	s rezistorom.JPG 
Просмотров:	1488 
Размер:	114.3 Кб 
ID:	65745  

  18. #18
    Завсегдатай Аватар для George Krilov
    Регистрация
    14.05.2006
    Адрес
    Москва
    Возраст
    70
    Сообщений
    6,555

    По умолчанию Re: Двухполосная мини АС на динамиках Wavecor

    Цитата Сообщение от mr-marlen Посмотреть сообщение
    но думаю убирать эту цепь надо и все
    ну и отлично...
    Георгий Крылов

  19. #19
    Завсегдатай
    Автор темы
    Аватар для mr-marlen
    Регистрация
    03.05.2009
    Адрес
    Москва, Бун.Луга
    Возраст
    38
    Сообщений
    4,026

    По умолчанию Re: Двухполосная мини АС на динамиках Wavecor

    По звуку без конденсатора стало лучше, зажатость на ВЧ ушла.

  20. #20
    Зануда Аватар для StarIK
    Регистрация
    30.12.2005
    Адрес
    Пензенская обл. г.Заречный
    Возраст
    65
    Сообщений
    2,701

    По умолчанию Re: Двухполосная мини АС на динамиках Wavecor

    Цитата Сообщение от mr-marlen Посмотреть сообщение
    думаю убирать эту цепь надо и все.
    Конечно можно и убрать, но, при окончательной юстировке звучания, эти цепочки иногда бывают полезными. Одно только надо не забывать - все эти режекторы, кроме АЧХ, ещё и фазу крутят и чем ближе частота режекции к частоте раздела, тем заметней их влияние на результирующую АЧХ от сложения двух динамиков.

    Добавлено через 1 минуту
    Цитата Сообщение от mr-marlen Посмотреть сообщение
    стало лучше, зажатость на ВЧ ушла
    Изменилась результирующая.
    Последний раз редактировалось StarIK; 24.10.2009 в 14:00. Причина: Добавлено сообщение

Страница 1 из 4 123 ... Последняя

Социальные закладки

Социальные закладки

Ваши права

  • Вы не можете создавать новые темы
  • Вы не можете отвечать в темах
  • Вы не можете прикреплять вложения
  • Вы не можете редактировать свои сообщения
  •