Показано с 1 по 15 из 15

Тема: Сумматор каналов

  1. #1
    Давно не заходил
    Автор темы

    Регистрация
    19.06.2009
    Сообщений
    6

    По умолчанию Сумматор каналов

    У меня осталась одна "живая" колонка 50АС-106. Играет довольно прилично. Подскажите пожалуйста схему и пути реализации суммирования каналов на одну АС, но не очень мудреную и легко реализуемую.

    Спасибо!

  2. #2
    Завсегдатай Аватар для mAxSpace
    Регистрация
    19.05.2008
    Адрес
    Москва
    Сообщений
    19,088

    По умолчанию Re: Сумматор каналов

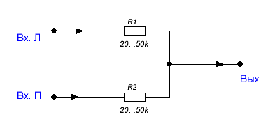
    А стоит-ли желать большего ?

    Уровень немного убавиться, но это легко скомпенсировать регулятором громкости (прибавить)
    Миниатюры Миниатюры Нажмите на изображение для увеличения. 

Название:	Сумматор.GIF 
Просмотров:	11283 
Размер:	2.5 Кб 
ID:	59384  

  3. #3
    Завсегдатай Аватар для mAxSpace
    Регистрация
    19.05.2008
    Адрес
    Москва
    Сообщений
    19,088

    По умолчанию Re: Сумматор каналов

    А вообще на усилителе если есть кнопочка "моно-стерео" просто нажать на неё, входы подключить оба, а выход соответственно по колличеству колонок.

  4. #4
    Давно не заходил
    Регистрация
    06.07.2008
    Адрес
    Ижевск
    Возраст
    40
    Сообщений
    1,120

    По умолчанию Re: Сумматор каналов

    mAxSpace,
    А можно 1.5 ком резисторы поставить , или мало это ?

  5. #5
    Завсегдатай Аватар для mAxSpace
    Регистрация
    19.05.2008
    Адрес
    Москва
    Сообщений
    19,088

    По умолчанию Re: Сумматор каналов

    Маловато конечно, но на практике тупое замыкание работает.
    Вся суть чтоб не перегрузить выход источника и желательно обеспечить ему комфортную нагрузку = 10*Rвых

  6. #6
    Давно не заходил
    Автор темы

    Регистрация
    19.06.2009
    Сообщений
    6

    По умолчанию Re: Сумматор каналов

    Спасибо!

  7. #7
    Давно не заходил
    Регистрация
    06.07.2008
    Адрес
    Ижевск
    Возраст
    40
    Сообщений
    1,120

    По умолчанию Re: Сумматор каналов

    Сумматор каналов ставить до регулятора громкости или после ?
    Мне удобнее до поставить .

    У меня звуковая карта один выход: я сделал паралельный провод один конец на колонки , другой на сабвуфер.

  8. #8
    flipper
    Гость

    По умолчанию Re: Сумматор каналов

    ...Вся суть чтоб не перегрузить выход источника и желательно обеспечить ему комфортную нагрузку = 10*Rвых...

  9. #9
    Давно не заходил
    Регистрация
    06.07.2008
    Адрес
    Ижевск
    Возраст
    40
    Сообщений
    1,120

    По умолчанию Re: Сумматор каналов

    Поставил резисторы 1.5 ком , всё работает хорошо

  10. #10
    Давно не заходил
    Автор темы

    Регистрация
    19.06.2009
    Сообщений
    6

    По умолчанию Re: Сумматор каналов

    Не получилось, поставил 20кОм звука нет!
    Кто подробно расскажет о реализации этой схемы (п.1)?
    На усилителе 4 выхода на АС (2 плюса и 2 минуса).
    На АС 2 входа (1 плюс и 1 минус). Правильно?
    Как 4 выхода УМ подключить к 2 входам АС?
    Спасибо!
    Последний раз редактировалось PepsicJr; 17.09.2009 в 12:42.

  11. #11
    Давно не заходил
    Регистрация
    06.07.2008
    Адрес
    Ижевск
    Возраст
    40
    Сообщений
    1,120

    По умолчанию Re: Сумматор каналов

    PepsicJr,
    У вас похоже немного другой случай.
    Мы сумматор каналов на входе ставим усилителя , а вы на выход усилителя хотите ?

  12. #12
    Давно не заходил
    Автор темы

    Регистрация
    19.06.2009
    Сообщений
    6

    По умолчанию Re: Сумматор каналов

    Одна АС чтобы играла МОНО, забирая оба канала с УМ.

  13. #13
    Завсегдатай Аватар для mAxSpace
    Регистрация
    19.05.2008
    Адрес
    Москва
    Сообщений
    19,088

    По умолчанию Re: Сумматор каналов

    PepsicJr, этот сумматор можно поставить только перед усилителем мошности, после УМ суммировать значительно сложнее.

  14. #14
    Давно не заходил
    Регистрация
    18.02.2009
    Адрес
    Киев
    Возраст
    57
    Сообщений
    331

    По умолчанию Re: Сумматор каналов

    цирк....

    работы всего - перепаять регулятор громкости (или напаять вышеуказзные резисторы на него) - в зависимости от конструктива услителя. Неохотя разбирать - врезать данную цепочку между источником сигнала - ПК, МП3 плеер или что там еще - и усилителем. Сделать кабель с резисторами иначе говоря - еси речь не идет о неком комбайне где плеер и усилитель в одном корпусе. Если так - тогда - реулятор громкости.
    Хотя и кривое решение - разность фаз каналов она не отменяет. Но проста в исполнении.

  15. #15
    Старый знакомый Аватар для Jekson
    Регистрация
    02.08.2008
    Адрес
    Краснодар
    Возраст
    38
    Сообщений
    977

    По умолчанию Re: Сумматор каналов

    Цитата Сообщение от PepsicJr Посмотреть сообщение
    Одна АС чтобы играла МОНО, забирая оба канала с УМ.
    на входе канала 1 инвертировать фазу, в АС выхода 1 поменять полярность, те АС что должны играть сумму - подключить между выходами + канала1 и + канала2.


    но все это конечно бред. Нужно учитывать сопротивление, усилитель может не выдержать таких издевательств.

Социальные закладки

Социальные закладки

Ваши права

  • Вы не можете создавать новые темы
  • Вы не можете отвечать в темах
  • Вы не можете прикреплять вложения
  • Вы не можете редактировать свои сообщения
  •