Страница 1 из 2 12 Последняя
Показано с 1 по 20 из 24

Тема: Предварительный усилитель на россыпухе....

  1. #1
    Частый гость
    Автор темы
    Аватар для mar1lynmanson
    Регистрация
    09.02.2009
    Адрес
    Украина, Мариуполь
    Возраст
    37
    Сообщений
    259

    По умолчанию Предварительный усилитель на россыпухе....

    Встала передо мной проблема полной переделки своей аудиоаппаратуры. Хочется собрать все своими руками, корпуса есть (ну немного переделаю и будет норм). Покаместь охота собрать предварительный усилитель, хочу собрать на россыпухе, так как слушал несколько усилителей на микрах (совки) звук не нравится (ни в коем случае не утверждаю что микрухи=плохой звук), также ненужны регуляторы тембра и прочие улучшайзеры. Нужен чисто прдварительный усилитель, желательно более менее простои схематически, в общем предлагаите варианты (ну и желательно на доступных компонентах и несложный в настроике).

    Заранее всем отозвавшимся спасибо.

  2. #2
    Завсегдатай Аватар для UFHBY
    Регистрация
    20.05.2008
    Адрес
    Ханты
    Возраст
    56
    Сообщений
    1,360

    По умолчанию Re: Предварительный усилитель на россыпухе....

    Цитата Сообщение от mar1lynmanson Посмотреть сообщение
    Встала передо мной проблема полной переделки своей аудиоаппаратуры. Хочется собрать все своими руками, корпуса есть (ну немного переделаю и будет норм). Покаместь охота собрать предварительный усилитель, хочу собрать на россыпухе, так как слушал несколько усилителей на микрах (совки) звук не нравится (ни в коем случае не утверждаю что микрухи=плохой звук), также ненужны регуляторы тембра и прочие улучшайзеры. Нужен чисто прдварительный усилитель, желательно более менее простои схематически, в общем предлагаите варианты (ну и желательно на доступных компонентах и несложный в настроике).

    Заранее всем отозвавшимся спасибо.
    Я думаю невредно будет https://forum.vegalab.ru/showthread.php?t=21593

  3. #3
    Не хочу! Аватар для Alex
    Регистрация
    20.03.2003
    Адрес
    Worldwide
    Возраст
    63
    Сообщений
    39,105

    По умолчанию Re: Предварительный усилитель на россыпухе....

    Цитата Сообщение от mar1lynmanson Посмотреть сообщение
    Нужен чисто прдварительный усилитель,
    Реши для начала - что именно ты хочешь в нем иметь.

    Пред с общем виде, состоит из селектора каналов, регулятора громкости и собственно - предусилителя (линейного усилителя-буфера).
    Опционально - в преде может присутствовать фонокорректор для винила (но хороший ФК лучше делать отдельным устройством).
    Остальное - "рюшечки" (ДУ, индикаторы уровня и пр.).

    Существует масса т.н. "пассивных предов", т.е. селектор входов и РГ и все, без усиления.
    Когда определишься с потребностями - тогда и можно будет что-то советовать и решать.

    Мы тут до крика недавно обсуждали надобность вообще преда
    Лично я считаю что линейный усилитель обычно для домашней техники не нужен, а селекторы и регулятор лучше иметь в выходном усилителе (меньше проводов, блоков питания и т.п.), но это на любителя.
    "Замполит, чайку?"(с)"Охота за Красным Октябрем".
    "Да мне-то что, меняйтесь!"(с)анек.
    <-- http://altor1.narod.ru --> Вопросы - в личку, е-мейл, скайп.

  4. #4
    Частый гость
    Автор темы
    Аватар для mar1lynmanson
    Регистрация
    09.02.2009
    Адрес
    Украина, Мариуполь
    Возраст
    37
    Сообщений
    259

    По умолчанию Re: Предварительный усилитель на россыпухе....

    Извеняюсь за неточность, более полный список требований:
    1)Селектор на 4 входа (для себя решил что реле, например PЭС-80, с золочеными контактами вроде хвалят);
    2)Регулятор громкости (В планах использовать дискретный от Амфитона 003);
    3)Фильтр инфранизких - бывает слушаю отцифровки с винила (например наутилус, так там инфранизких много, басовик весело гуляет)
    4)Непосредственно предусилитель (желательно симметричный душа к таким схемам больше лежит и по минимуму проходных кондериков).

    Баланс мне не нужен, за 3 года не разу не пригодился.
    Тонкомпенсация - большое сомнение, скорее всего тоже не пригодится.
    Фильтр инфранизких - бывает слушаю отцифровки с винила (например наутилус, так там инфранизких много, басовик весело гуляет)
    В общем больше никакие приблуды не требуются.
    Последний раз редактировалось mar1lynmanson; 17.02.2009 в 21:57.

  5. #5
    Частый гость
    Автор темы
    Аватар для mar1lynmanson
    Регистрация
    09.02.2009
    Адрес
    Украина, Мариуполь
    Возраст
    37
    Сообщений
    259

    По умолчанию Re: Предварительный усилитель на россыпухе....

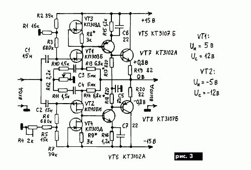
    А да такая схема есть:
    Нажмите на изображение для увеличения. 

Название:	ggg.gif 
Просмотров:	2301 
Размер:	14.8 Кб 
ID:	46211
    Так в нашем болоте возникла проблема с полевичками, может предложите чтото лучшее?
    Схема с Радиоаматора 2001-05 (страничка 11-13).

  6. #6
    - Аватар для Olegyurich
    Регистрация
    17.01.2005
    Адрес
    Санкт-Петербург
    Возраст
    47
    Сообщений
    5,263

    По умолчанию Re: Предварительный усилитель на россыпухе....


    Offтопик:
    А зачем в усилителях мощности ту же тему создали?

    ИМХО, такую схему AD8065 с любых точек зрения зарулит.
    APlayer - Tascam US1x2 - PALABS AE25 - PALABS ACE3
    avtech@palabs.ru

  7. #7
    Частый гость
    Автор темы
    Аватар для mar1lynmanson
    Регистрация
    09.02.2009
    Адрес
    Украина, Мариуполь
    Возраст
    37
    Сообщений
    259

    По умолчанию Re: Предварительный усилитель на россыпухе....

    Цитата Сообщение от Olegyurich Посмотреть сообщение
    Offтопик:
    А зачем в усилителях мощности ту же тему создали?

    ИМХО, такую схему AD8065 с любых точек зрения зарулит.
    Спорить я не буду так как в этих делах несилен, но меня интересует рассыпуха, может что предложите?

  8. #8
    Завсегдатай
    Регистрация
    07.04.2007
    Адрес
    Мариуполь
    Возраст
    54
    Сообщений
    1,111

    По умолчанию Re: Предварительный усилитель на россыпухе....

    Поищите в сети Радио 11/1985. "Нормирующий усилитель"- там тоже полевики, но звучит хорошо. Это если очень хочется на дискрете.

  9. #9
    Не хочу! Аватар для Alex
    Регистрация
    20.03.2003
    Адрес
    Worldwide
    Возраст
    63
    Сообщений
    39,105

    По умолчанию Re: Предварительный усилитель на россыпухе....

    Цитата Сообщение от mar1lynmanson Посмотреть сообщение
    3)Фильтр инфранизких - бывает слушаю отцифровки с винила (например наутилус, так там инфранизких много, басовик весело гуляет)
    Сабсонику лучше быть частью фонокорректора.
    Цитата Сообщение от mar1lynmanson Посмотреть сообщение
    4)Непосредственно предусилитель (желательно симметричный душа к таким схемам больше лежит и по минимуму проходных кондериков).
    С каким коэффициентом усиления? В смысле - сколько оконечнику не хватает ?
    "Замполит, чайку?"(с)"Охота за Красным Октябрем".
    "Да мне-то что, меняйтесь!"(с)анек.
    <-- http://altor1.narod.ru --> Вопросы - в личку, е-мейл, скайп.

  10. #10
    - Аватар для Olegyurich
    Регистрация
    17.01.2005
    Адрес
    Санкт-Петербург
    Возраст
    47
    Сообщений
    5,263

    По умолчанию Re: Предварительный усилитель на россыпухе....

    Цитата Сообщение от mar1lynmanson Посмотреть сообщение
    Спорить я не буду так как в этих делах несилен, но меня интересует рассыпуха, может что предложите?
    Для этого неплохо бы ответить на вопрос:
    Цитата Сообщение от Alex Посмотреть сообщение
    С каким коэффициентом усиления? В смысле - сколько оконечнику не хватает ?
    А также:
    1. Какой источник.
    2. Какой УМ.
    APlayer - Tascam US1x2 - PALABS AE25 - PALABS ACE3
    avtech@palabs.ru

  11. #11
    Частый гость
    Автор темы
    Аватар для mar1lynmanson
    Регистрация
    09.02.2009
    Адрес
    Украина, Мариуполь
    Возраст
    37
    Сообщений
    259

    По умолчанию Re: Предварительный усилитель на россыпухе....

    Цитата Сообщение от Alex Посмотреть сообщение
    С каким коэффициентом усиления? В смысле - сколько оконечнику не хватает ?
    Затрудняюсь ответить, так как сеичас используется усилитель мощности лорта 150ум-205С. По паспорту для достижения номинала необходимо порядка 1В на входе. В качестве источника используется ПК. Впринципе мощаку хватает и со звуковой, вот только звук при прослушивании через перед субъективно лучше (тембр,тонкомпенсации и прочие улучшаизеры всегда отключены, использовались разные предварительные). Загвоздка в том что усилитель мощности будет тоже переделываться будет (возможно в холтона только я непонял как он работает на весь звуковой диапозон, в основном его для сабов клеят, ну или в что-то другое с заведомо неплохим результатом (думаю совок обскакать проблемы несоставит)). По этои причине и спрашиваю совета многоуважаемых форумчан, которые смыслят намного лучше.


    Из описания преда следует что коэффициент должен быть порядка 5:
    "Минимальная ЭДС источника сигнала, соответсвующая номинальному напряжению при установке регулятора в максимальное положение - 200мВ"

  12. #12
    - Аватар для Olegyurich
    Регистрация
    17.01.2005
    Адрес
    Санкт-Петербург
    Возраст
    47
    Сообщений
    5,263

    По умолчанию Re: Предварительный усилитель на россыпухе....

    Цитата Сообщение от mar1lynmanson Посмотреть сообщение
    будет тоже переделываться будет
    ИМХО, тогда стоит просто буфер с усилением добавить в УМ. Схемотехника - в идеологии УМ. Если Холтон будет (он не только сабов, совок легко переплюнет, у Грэя на сайте нормальный вариант есть), то буфер на AD8065 или подобной ИМС самое то, ИМХО.
    APlayer - Tascam US1x2 - PALABS AE25 - PALABS ACE3
    avtech@palabs.ru

  13. #13
    Частый гость
    Автор темы
    Аватар для mar1lynmanson
    Регистрация
    09.02.2009
    Адрес
    Украина, Мариуполь
    Возраст
    37
    Сообщений
    259

    По умолчанию Re: Предварительный усилитель на россыпухе....

    Не поклонник микры я.... глупо но факт...

  14. #14
    Не хочу! Аватар для Alex
    Регистрация
    20.03.2003
    Адрес
    Worldwide
    Возраст
    63
    Сообщений
    39,105

    По умолчанию Re: Предварительный усилитель на россыпухе....

    Цитата Сообщение от mar1lynmanson Посмотреть сообщение
    Затрудняюсь ответить,
    Ну так с ответа на этот вопрос и надо начинать, иначе "хочу то, сам не знаю что"


    Цитата Сообщение от mar1lynmanson Посмотреть сообщение
    для достижения номинала необходимо порядка 1В на входе. В качестве источника используется ПК.
    Звуковушка 1В легко выдаст, ЦД/ДВД-плееры вообще в основном по стандарту 2в дают.
    Я обычно усилителе делаю с чувствительностью тоже около 1в, и никогда не возникало необходимости еще усиливать сигнал.


    Цитата Сообщение от mar1lynmanson Посмотреть сообщение
    Загвоздка в том что усилитель мощности будет тоже переделываться будет
    Так может лучше с него и начать? А там видно будет - чего от преда надо. (может и ничего )


    Цитата Сообщение от mar1lynmanson Посмотреть сообщение
    Не поклонник микры я.
    Насколько я понял по Вашим вопросам - быть "поклонником" чего-то Вам еще немножко рановато.
    Микросхема или рассыпуха- какая разница? Важно как оно работает. Современный операционник, типа того-же АД8065 или какой другой, будет ничуть не хуже большинства предов "на расыпухе".
    А если уж так хочется "на рассыпухе", то лучше уже лампочку поставить
    "Замполит, чайку?"(с)"Охота за Красным Октябрем".
    "Да мне-то что, меняйтесь!"(с)анек.
    <-- http://altor1.narod.ru --> Вопросы - в личку, е-мейл, скайп.

  15. #15
    Частый гость
    Автор темы
    Аватар для mar1lynmanson
    Регистрация
    09.02.2009
    Адрес
    Украина, Мариуполь
    Возраст
    37
    Сообщений
    259

    По умолчанию Re: Предварительный усилитель на россыпухе....

    Я просто попросил варианты схем.... ну спасибо и на том.

  16. #16
    Ветеран Аватар для Prophetmaster
    Регистрация
    23.08.2005
    Адрес
    Москва
    Возраст
    55
    Сообщений
    3,600

    По умолчанию Re: Предварительный усилитель на россыпухе....

    mar1lynmanson,
    Тут есть усилитель для наушников, на дискрете, в классе А. Его вполне можно как пред использовать. http://headwize.com/projects/showfil...ishan1_prj.htm

  17. #17
    Частый гость
    Регистрация
    20.11.2007
    Адрес
    Мариуполь
    Сообщений
    225

    По умолчанию Re: Предварительный усилитель на россыпухе....

    Там же есть вариант с интегратором и без проходных кондёров. Собирал на заказ именно как пред. Заказчик результатом остался очень доволен. Он тоже микросхемофоб
    http://headwize.com/projects/showfil...lmore3_prj.htm

  18. #18
    Завсегдатай Аватар для anatol0
    Регистрация
    14.05.2005
    Адрес
    Москва
    Возраст
    66
    Сообщений
    2,338

    По умолчанию Re: Предварительный усилитель на россыпухе....

    Ветеран броуновского движения

  19. #19
    Частый гость Аватар для az967
    Регистрация
    03.05.2008
    Сообщений
    204

    По умолчанию Re: Предварительный усилитель на россыпухе....

    Цитата Сообщение от vd_two Посмотреть сообщение
    Поищите в сети Радио 11/1985. "Нормирующий усилитель"- там тоже полевики, но звучит хорошо. Это если очень хочется на дискрете.
    Я попробовал смоделировать этот усилитель в MC8. Транзисторы 2SK246/2SJ103, 2N5551/2N5401. Показывает коэфф. усиления меньше единицы. Что-то там не то с номиналами, внушает недоверие нагрузка первого каскада на 330 Ом. Есть идеи что здесь не так?
    Вложения Вложения
    • Тип файла: cir symm1.cir (19.2 Кб, Просмотров: 372)

  20. #20
    Завсегдатай
    Регистрация
    07.04.2007
    Адрес
    Мариуполь
    Возраст
    54
    Сообщений
    1,111

    По умолчанию Re: Предварительный усилитель на россыпухе....

    В схеме все правильно, я ее в те времена собирал и измерял. Модель глянуть не могу- Микрокапа нет...

Страница 1 из 2 12 Последняя

Социальные закладки

Социальные закладки

Ваши права

  • Вы не можете создавать новые темы
  • Вы не можете отвечать в темах
  • Вы не можете прикреплять вложения
  • Вы не можете редактировать свои сообщения
  •