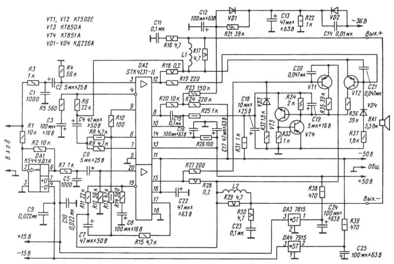
Продолжая свою тему и затею с 200ваттным усилителем мощности надлежащего качества, пришел к мысли, что лучше всего будет собрать усилитель по готовой, уже испытанной опытом, схеме, в моем случае
Корвет 200ум-088с. Конечно, как нормальный творческий, недающий своим рукам покоя, человек, я решил собрать усь с нуля, но прежде довести его до ума, своего конечно))
Затея такова, склепать усь по родной схеме,
https://forum.vegalab.ru/attachment....1&d=1234547116
дополнив его до умопомрачения всякими прибамбасами.
Первая загвоздка такая, Блок А11 блока питания(по вышеуказанной схеме) куда идут выводы 16 17, в параллель которым воткнут терморезистор R2? И, куда собственно ставятся термо R1 R2 (на радиаторы тыходных транзисторов)?
Вопрос второй, исключив обмотки 3,5в и индикации Блок А13 трансов ТП-190 я думаю поставить комповый БП ватт так на 250, который даст 3,3в, плюс от него 5в 12в, и я смогу питать все остальные мои затеи))
Вопрос третий, в блоке питания, Е1 и Е2, рядом с кондерами 15000мкф я так понимаю система плавного пуска, кто знает как ее простенько соорудить?
По мере решения этих вопросов прейду к идее доработки и дополнения...


 
			
			 Усилитель на основе Корвет 200ум-088с
 Усилитель на основе Корвет 200ум-088с
				 
					
					
					
					
				 
			 Сообщение от Sagittarius
 Сообщение от Sagittarius
					

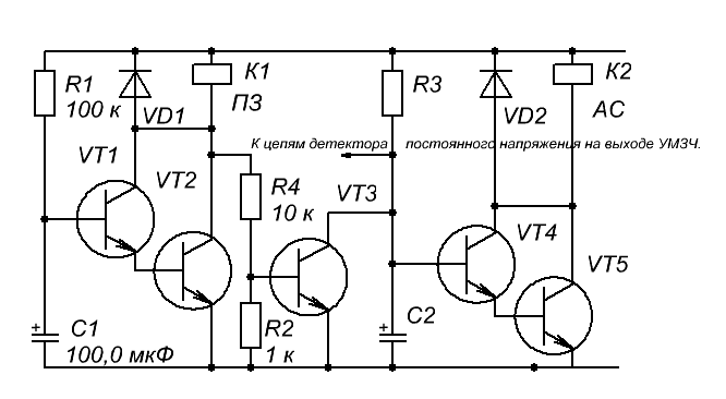
 А в блоке управления туча мала всяких, собраных воедино вещей
  А в блоке управления туча мала всяких, собраных воедино вещей
Социальные закладки