Страница 1 из 2 12 Последняя
Показано с 1 по 20 из 26

Тема: Регулятор и два линейныйх выхода.

  1. #1
    Завсегдатай
    Автор темы
    Аватар для SinteZ
    Регистрация
    23.06.2004
    Адрес
    Russia
    Сообщений
    1,657

    По умолчанию Регулятор и два линейныйх выхода.

    Вобщем затея предусилителя такова.

    Селектор, моторизированный резистор, и два выхода.
    Собственно встаёт вопрос, как правильно организовать, выходы должны быть независимые от нагрузок.

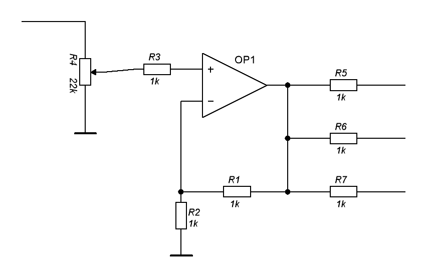
    Схема вырисовывается такая. Ничего не напутал, не забыл?
    Миниатюры Миниатюры Нажмите на изображение для увеличения. 

Название:	pre buf.GIF 
Просмотров:	565 
Размер:	3.4 Кб 
ID:	41944  
    .ιlιllιlιॐιlιllιlι.

  2. #2
    Завсегдатай
    Автор темы
    Аватар для SinteZ
    Регистрация
    23.06.2004
    Адрес
    Russia
    Сообщений
    1,657

    По умолчанию Re: Регулятор и два линейныйх выхода.

    Ослик Иа,
    Чего-Чего?
    .ιlιllιlιॐιlιllιlι.

  3. #3

    По умолчанию Re: Регулятор и два линейныйх выхода.

    Уже ничего, либо ты уже поменял рисунок, либо был глюк форума (свой пост я удалил).

  4. #4
    Завсегдатай
    Автор темы
    Аватар для SinteZ
    Регистрация
    23.06.2004
    Адрес
    Russia
    Сообщений
    1,657

    По умолчанию Re: Регулятор и два линейныйх выхода.

    Ослик Иа,
    а сейчас подскажешь что?
    .ιlιllιlιॐιlιllιlι.

  5. #5

    По умолчанию Re: Регулятор и два линейныйх выхода.

    Неа, я эти микросхемы не знаю. Если срисовал с даташита, то работать будет. Единственное что, я бы наверное перед входами микросхем поставил небольшие резисторы, а то вдруг они будут влиять друг на друга. Но это так, в порядке бреда. Придёт кто-нибудь опытный и всё объяснит.

  6. #6
    Завсегдатай
    Автор темы
    Аватар для SinteZ
    Регистрация
    23.06.2004
    Адрес
    Russia
    Сообщений
    1,657

    По умолчанию Re: Регулятор и два линейныйх выхода.

    Ослик Иа,
    Обычный ОУ. Пусть доже TL будет совмещённая.
    .ιlιllιlιॐιlιllιlι.

  7. #7
    Завсегдатай Аватар для mAxSpace
    Регистрация
    19.05.2008
    Адрес
    Москва
    Сообщений
    18,937

    По умолчанию Re: Регулятор и два линейныйх выхода.

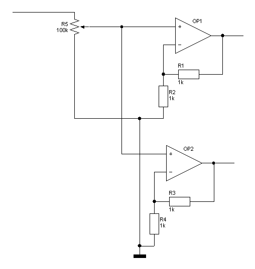
    я бы сделал так, если нагрузка не сильная будет
    Миниатюры Миниатюры Нажмите на изображение для увеличения. 

Название:	456456.GIF 
Просмотров:	665 
Размер:	5.4 Кб 
ID:	41946  

  8. #8
    Завсегдатай
    Автор темы
    Аватар для SinteZ
    Регистрация
    23.06.2004
    Адрес
    Russia
    Сообщений
    1,657

    По умолчанию Re: Регулятор и два линейныйх выхода.

    mAxSpace,
    Чёт мне кажется что конденсатора наверно ещё не хватает, с сигнала на землю.... Да и не независимые выходы получаются если на одном ОУ. И громкости регулятор у меня либо 100к либо 50к, последнее предпочтительней.
    .ιlιllιlιॐιlιllιlι.

  9. #9
    Завсегдатай Аватар для mAxSpace
    Регистрация
    19.05.2008
    Адрес
    Москва
    Сообщений
    18,937

    По умолчанию Re: Регулятор и два линейныйх выхода.

    Цитата Сообщение от SinteZ Посмотреть сообщение
    Чёт мне кажется что конденсатора наверно ещё не хватает, с сигнала на землю....
    если надо сверху ограничить - ставь

    Цитата Сообщение от SinteZ Посмотреть сообщение
    Да и не независимые выходы получаются если на одном ОУ.
    во первых :а какая собственно разница - или тебе надо гальванически развязать ?
    во вторых : они независимые
    в третьих : независимые от чего ? - от мирового кризиса они независят
    Цитата Сообщение от SinteZ Посмотреть сообщение
    И громкости регулятор у меня либо 100к либо 50к, последнее предпочтительней.
    любой ставь

  10. #10
    http://akotov.narod.ru Аватар для Александр Котов
    Регистрация
    19.10.2004
    Адрес
    Ленобласть
    Возраст
    55
    Сообщений
    3,182

    По умолчанию Re: Регулятор и два линейныйх выхода.

    Синтез, задачу обрисуй точнее. Обычно, для развязки нагрузки порядка 2 ком (обычная нагрузка для ОУ) достаточно перед каждым выходом поставить по 100 ом.

  11. #11
    Завсегдатай
    Автор темы
    Аватар для SinteZ
    Регистрация
    23.06.2004
    Адрес
    Russia
    Сообщений
    1,657

    По умолчанию Re: Регулятор и два линейныйх выхода.

    Александр Котов,
    Задача, независимые от нагрузки выхлопы. Усилитель есть например, ему тока 10кОм регулятор подходит, чтоб фильтр в диапазоне не получить, а у меня дистанционка с выше упомянутым моторизированным переменником.

    Подключать буду сабвуфер и собстна усилитель.

    Добавлено через 14 часов 17 минут
    Александр Котов,
    Ну так как? Или на одном ОУ + выравнивающие резисторы обойдётся?
    Последний раз редактировалось SinteZ; 17.12.2008 в 12:15. Причина: Добавлено сообщение
    .ιlιllιlιॐιlιllιlι.

  12. #12
    http://akotov.narod.ru Аватар для Александр Котов
    Регистрация
    19.10.2004
    Адрес
    Ленобласть
    Возраст
    55
    Сообщений
    3,182

    По умолчанию Re: Регулятор и два линейныйх выхода.

    Если для саба - то лучше буфер после одного ОУ поставить. Там длинный шнур и кроме емкости, еще и фонить может начать. У меня так и сделано.

  13. #13
    Завсегдатай
    Автор темы
    Аватар для SinteZ
    Регистрация
    23.06.2004
    Адрес
    Russia
    Сообщений
    1,657

    По умолчанию Re: Регулятор и два линейныйх выхода.

    Александр Котов,
    не, с фоном вроде всё ок.
    Наверно остановлюсь на варианте с выравнивающими резисторами, если что переделаю, один шут на макетке.
    .ιlιllιlιॐιlιllιlι.

  14. #14
    http://akotov.narod.ru Аватар для Александр Котов
    Регистрация
    19.10.2004
    Адрес
    Ленобласть
    Возраст
    55
    Сообщений
    3,182

    По умолчанию Re: Регулятор и два линейныйх выхода.

    Тогда подключи саб через резюки по 1 ком, а основное устройство прямо к выходу. Хотя, если провода длинные, ни когда не помешает включить последовательно выходу 100 ом от подвозбуда из-за емкости кабеля.
    Я только не понял, ты каналы не собираешься суммирировать на саб? Или сумматор уже в сабе стоять будет?

  15. #15
    Завсегдатай
    Автор темы
    Аватар для SinteZ
    Регистрация
    23.06.2004
    Адрес
    Russia
    Сообщений
    1,657

    По умолчанию Re: Регулятор и два линейныйх выхода.

    Александр Котов,
    Сумматор в сабвуфере, туда стерео пойдёт.
    Конденсатор на входе для обрезки сверху
    https://forum.vegalab.ru/attachment....6&d=1229427739
    куда именно ставить?
    .ιlιllιlιॐιlιllιlι.

  16. #16
    Завсегдатай Аватар для mAxSpace
    Регистрация
    19.05.2008
    Адрес
    Москва
    Сообщений
    18,937

    По умолчанию Re: Регулятор и два линейныйх выхода.

    Цитата Сообщение от SinteZ Посмотреть сообщение
    Александр Котов,
    Сумматор в сабвуфере, туда стерео пойдёт.
    Конденсатор на входе для обрезки сверху
    https://forum.vegalab.ru/attachment....6&d=1229427739
    куда именно ставить?
    особо смысла нет. если возбуд начнётся можно попробовать, а так лучше без него

  17. #17
    http://akotov.narod.ru Аватар для Александр Котов
    Регистрация
    19.10.2004
    Адрес
    Ленобласть
    Возраст
    55
    Сообщений
    3,182

    По умолчанию Re: Регулятор и два линейныйх выхода.

    Зачем сверху резать вообще? От ультразвуковых помех можно параллельно R1 поставить конденсатор.

  18. #18
    Завсегдатай
    Автор темы
    Аватар для SinteZ
    Регистрация
    23.06.2004
    Адрес
    Russia
    Сообщений
    1,657

    По умолчанию Re: Регулятор и два линейныйх выхода.

    Александр Котов,
    Ок, резать ничего не буду.
    .ιlιllιlιॐιlιllιlι.

  19. #19
    Завсегдатай
    Автор темы
    Аватар для SinteZ
    Регистрация
    23.06.2004
    Адрес
    Russia
    Сообщений
    1,657

    По умолчанию Re: Регулятор и два линейныйх выхода.

    Решил вернуться к девайсу. Но уже в варианте с пассивными элементами на пути звука.

    Вот набросал для одного канала. покритикуйте, правильно ли так включать меж каскадные трансформаторы.
    Миниатюры Миниатюры Нажмите на изображение для увеличения. 

Название:	pre.GIF 
Просмотров:	257 
Размер:	2.1 Кб 
ID:	117976  
    Последний раз редактировалось SinteZ; 17.03.2011 в 16:36.
    .ιlιllιlιॐιlιllιlι.

  20. #20
    Завсегдатай Аватар для mAxSpace
    Регистрация
    19.05.2008
    Адрес
    Москва
    Сообщений
    18,937

    По умолчанию Re: Регулятор и два линейныйх выхода.

    SinteZ, а зачем вам эти трансформаторы ?

    ---------- Добавлено в 16:57 ---------- Предыдущее сообщение в 16:56 ----------

    Цитата Сообщение от SinteZ Посмотреть сообщение
    выходы должны быть независимые от нагрузок.
    Эти трансы вам в этом нисколько не помогут.

Страница 1 из 2 12 Последняя

Социальные закладки

Социальные закладки

Ваши права

  • Вы не можете создавать новые темы
  • Вы не можете отвечать в темах
  • Вы не можете прикреплять вложения
  • Вы не можете редактировать свои сообщения
  •