Offтопик:
А. Котов. Извините за не разрешённую публикацию Вашей схемы.
Offтопик:
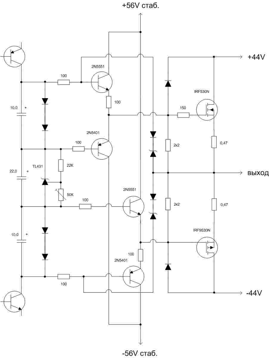
Из вложений, спешу сморозить глупость. Я бы выбросил 100 ом рез. из баз и эммитеров 2N., Также с конденсаторами 10-20мкФ, Истоковые 047 Ом, затворные 2,2к, не много ОС? И наконец ВОПРОС, зачем тормозишь ИРФ530, по отношению к 9530?
ТЛ-ку, включили по другому

.
п.с. Работает в реале? Вроде должен, только контур драйвер-выход минимизировать.
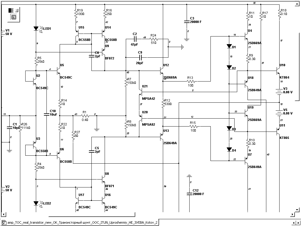
Кстати посмотрите в APEX PA-50,

, очень похоже? Это ли не доказательство, правильности такого решения?
Социальные закладки